2) Ok, quando conduce D1 l'impedenza e` R1
3) Quando conduce D2... Se ipotizzi che D2 conduca, sostituisci il diodo con un corto (lascia perdere gli altri simboli colorati): quanto vale l'impedenza?
La risposta che si ricava con un cortocircuito al posto del diodo e` corretta, pero` potrebbero venire dei dubbi del tipo:
Gia`, ma nel circuito c'e` il diodo, come fa la corrente a passare a rovescio? Obiezione: il generatore di prova potrebbe far scorrere la corrente nel verso della freccia gialla e risolvere cosi` il problema? Si`, ma non e` importante qui, non risolverebbe il problema, semplicemente nasconderebbe i dubbi sotto il tappeto.
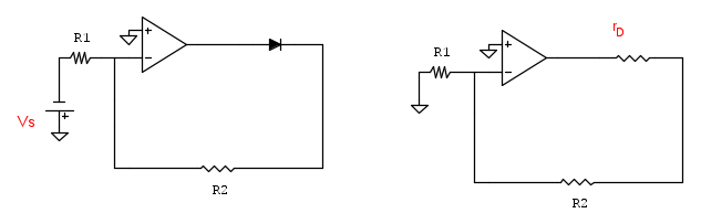
La cosa importante e` il cerchio viola. Hai tolto il generatore di tensione perche' le impedenze si calcolano (e misurano) con i generatori spenti, dato che di solito i circuiti sono lineari. Qui il circuito e` non lineare, per avere D2 in conduzione devi avere un generatore di ingresso di polarita` negativa (figura sotto sinistra). POI linearizzi il circuito, ma questa volta il circuito comprende il generatore di ingresso. Il generatore Vs sparisce ma rimane il suo effetto come rD (circuito qui sotto a destra)
A questo punto puoi mettere il generatore di prova, e il suo verso e` indifferente
E ora si vede che l'impedenza e` nulla (se assumi guadagno infinito), oppure tende a circa

PS: In una risposta precedente avevo detto che assumevi che il potenziale del morsetto invertente fosse nullo, e che questa assunzione non e`corretta. Perche' il potenziale dell'ingresso invertente non e` nullo, come invece capita nei buoni amplificatori invertenti? Prova anche a guardare questo post, dovrebbe passarti la tentazione di porre sempre V-=0V.

Elettrotecnica e non solo (admin)
Un gatto tra gli elettroni (IsidoroKZ)
Esperienza e simulazioni (g.schgor)
Moleskine di un idraulico (RenzoDF)
Il Blog di ElectroYou (webmaster)
Idee microcontrollate (TardoFreak)
PICcoli grandi PICMicro (Paolino)
Il blog elettrico di carloc (carloc)
DirtEYblooog (dirtydeeds)
Di tutto... un po' (jordan20)
AK47 (lillo)
Esperienze elettroniche (marco438)
Telecomunicazioni musicali (clavicordo)
Automazione ed Elettronica (gustavo)
Direttive per la sicurezza (ErnestoCappelletti)
EYnfo dall'Alaska (mir)
Apriamo il quadro! (attilio)
H7-25 (asdf)
Passione Elettrica (massimob)
Elettroni a spasso (guidob)
Bloguerra (guerra)




