wimatech ha scritto:Ciao a tutti mi sono capitati per le mani un paio di alimentatori switching 220VAC/24VDC 6.25A.
Vorrei sfruttarli per costruirmi un alimentatore duale regolabile e pensavo di usarli per alimentare un circuito composto da regolatori Lm317 e Lm337 in questo modo:
Vorrei fare due considerazioni di ordine diverso:
- Tecnico
- Economico
1) Tecnico
a) Non sappiamo le caratteristiche dei due alimentatori switching 24 VDC 6.25A per cui li supponiamo "standard" (scatola metallica e morsettiera IN/OUT - no features).
b) Non sappiamo le caratteristiche che richiedi all'alimentatore finale (max tensione/corrente, controllo, funzionalita'...).
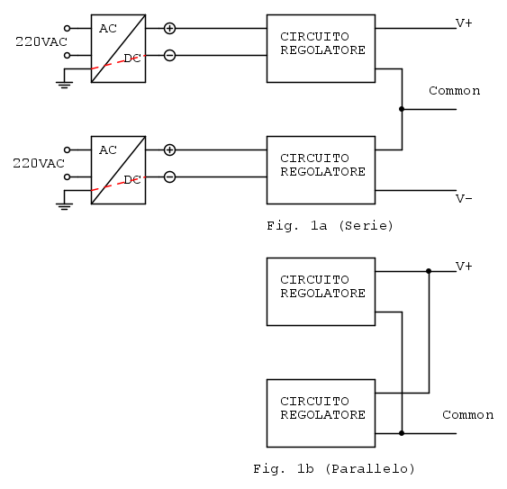
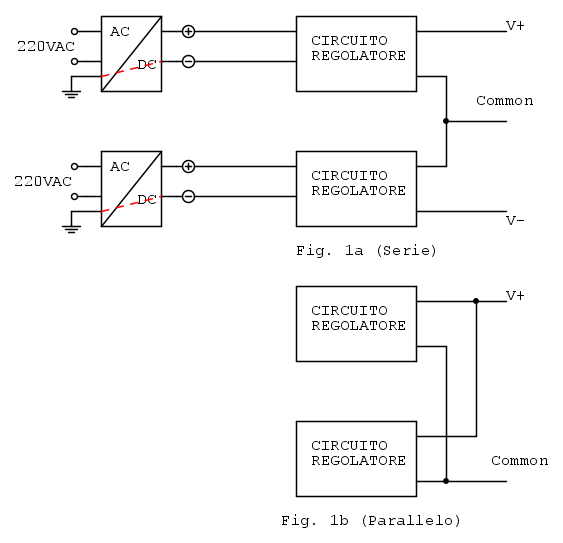
Possiamo supporre che la tensione di uscita dei due alimentatori switching sia "flottante" (non riferita alla terra di sicurezza - cioe' il collegamento rosso tratteggiato di Fig.1a NON sia presente).
Questo ti consente di avere alta flessibilita' nei collegamenti - vedi Fig. 1a uscite in serie (tensione doppia) o Fig. 1b uscite in parallelo (corrente doppia).
Qui sotto riassumo alcune considerazioni che in parte sono gia' state fatte da altri forumer
I regolatori LM317/LM337 per realizzare un alimentatore regolabile da banco sono una scelta "povera" che costringono a vari "lacchezzi" per avere prestazioni "decenti".
- e' difficile implementare una regolazione di corrente
- hanno una capacita' di erogazione di corrente limitata - specialmente se confrontata con gli alimentatori "sorgente" da 6A
- nella topologia circuitale con cui viene implementata la regolazione di corrente con due regolatori in serie si ha una caduta di tensione minima a cavallo dei due regolatori di circa 7V.
- il collegamento dei regolatori in parallelo per aumentare la corrente richiede qualche accorgimento
- se si utilizza una topologia con transistor in parallelo per aumentare la corrente erogabile, il transistor non e' (o lo e' poco) protetto.
- generalemente la tensione di uscita non puo' essere portata a 0V (a meno di ulteriori lacchezzi).
L'unico vero grosso vantaggio e' che sono "bullet proof".
2) Ecomomico
Abbiamo gia' due alimentatori swiching e una "cassettata" di LM317/337.
A costo "zero" vorrei realizzare un alimentatore duale da banco.
Cosa ti manca:
- collegamento/protezione lato 230 v degli switching (vaschetta IEC - portafusibile - cavo alimentazione...)
- 2 potenziometri per tensione
- 2 potenziometri se vuoi regolare la corrente
- 1 scatola
- 4 morsetti serrafilo
- una manciata di componneti sparsi (resistenze, diodi, condensatori...)
Cosa ti mancherebbe:
- 1 dissipatore "decente"
- qualche (4?) DPM (Digital Panel Meter) per misurare le tensioni/correnti erogate
Costo?
Prestazioni/funzionalita'/ergonomicita'?
Quali alternative vedi?
c) se la richiesta e' di 25 V / 0.5A-1A ("zero" feature) puoi sostituire i due swiching con due trasformatori 24 V 30VA due ponti di diodi 3A e due condensatori 3300 uF 50V -> costo?
d) se la richiesta ' e' 24 V 6A full feature (controllo, limitazione , misura e interfacciamento PC e Smartphone) puoi utilizzare un modulo della RD che ti fornisce "tutto" ad un costo per modulo intorno a 40 euro S.S comprese.
Vedi RD Official Store e in particolare un modello economico
https://it.aliexpress.com/store/923042
https://it.aliexpress.com/item/1000004279003.html
https://it.aliexpress.com/item/1005005429587089.html
Tieni presente che esistono anche moduli che sono contemporaneamente Buck-Boost cioe' possono produrre in uscita una tensione minore e maggiore della tensione in ingresso.
https://it.aliexpress.com/item/32840324731.html

Elettrotecnica e non solo (admin)
Un gatto tra gli elettroni (IsidoroKZ)
Esperienza e simulazioni (g.schgor)
Moleskine di un idraulico (RenzoDF)
Il Blog di ElectroYou (webmaster)
Idee microcontrollate (TardoFreak)
PICcoli grandi PICMicro (Paolino)
Il blog elettrico di carloc (carloc)
DirtEYblooog (dirtydeeds)
Di tutto... un po' (jordan20)
AK47 (lillo)
Esperienze elettroniche (marco438)
Telecomunicazioni musicali (clavicordo)
Automazione ed Elettronica (gustavo)
Direttive per la sicurezza (ErnestoCappelletti)
EYnfo dall'Alaska (mir)
Apriamo il quadro! (attilio)
H7-25 (asdf)
Passione Elettrica (massimob)
Elettroni a spasso (guidob)
Bloguerra (guerra)



