Con il modello di Ebers-Moll rappresenti tutte le condizioni di funzionamento, anche in saturazione.
VBE e VBC sono le variabili indipendenti.
Per altro anche volendo, anche usare IB come variabile indipendente funziona solo in zona attiva.
Insomma io considero entrambi (FET e BJT) comandati in tensione, con le dovute differenze.
Quindi per rispondere all'OP un MOSFET si dice comandato in tensione per il motivo già spiegato da Boiler, ma un BJT pure, con la differenza che nel BJT abbiamo in alcune zone di funzionamento anche una bella e semplice relazione (quasi) lineare fra IB e IC (in alcune configurazioni, rispettivamente ingresso ed uscita) che risulta essere molto più comoda di un'ostica esponenziale.
Transistor comandato in tensione
Moderatori:
carloc,
g.schgor,
BrunoValente,
IsidoroKZ
18 messaggi
• Pagina 2 di 2 • 1, 2
1
voti
I transistori (FET, MOS, MES, BJT...) sono controllati in carica. La quantita` importante che entra nelle equazioni base e` la carica.
Poi nel MOS, la carica che controlla il canale, si mette di lato, e non viene investita dalla mandria di cariche che passano nel transistore. Quindi una volta messa la carica di controllo, quella rimane a lungo.
Nel BJT invece la carica di controllo e` in base, e quando arriva la mandria di cariche che passano, travolgono la carica di controllo in base che deve essere ripristinata. Quindi nel BJT bisogna continuare a iniettare carica, che vuol dire corrente di base, ma la quantita` importante e` la carica in base.
Poi nel MOS, la carica che controlla il canale, si mette di lato, e non viene investita dalla mandria di cariche che passano nel transistore. Quindi una volta messa la carica di controllo, quella rimane a lungo.
Nel BJT invece la carica di controllo e` in base, e quando arriva la mandria di cariche che passano, travolgono la carica di controllo in base che deve essere ripristinata. Quindi nel BJT bisogna continuare a iniettare carica, che vuol dire corrente di base, ma la quantita` importante e` la carica in base.
Per usare proficuamente un simulatore, bisogna sapere molta più elettronica di lui
Plug it in - it works better!
Il 555 sta all'elettronica come Arduino all'informatica! (entrambi loro malgrado)
Se volete risposte rispondete a tutte le mie domande
Plug it in - it works better!
Il 555 sta all'elettronica come Arduino all'informatica! (entrambi loro malgrado)
Se volete risposte rispondete a tutte le mie domande
0
voti
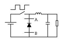
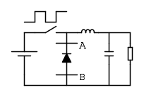
Nel circuito molto tradizionale che riporto qui sotto, sappiamo che le commutazioni OFF-ON sono accompagnate da un forte picco di corrente inversa detta appunto corrente di svuotamento (in passato bisognava adoperare dei costosi diodi veloci 1N3911, adesso pare che un po' tutti i diodi siano abbastanza veloci).
E' chiaro che non possiamo schematizzare in generale il diodo reale come un diodo ideale con una capacità parassita in parallelo, dico una normale capacità lineare e costante. A questo punto mi viene una domanda un po' assurda: se andassimo ad osservare il detto picco di corrente nelle due sezioni A e B, troveremmo esattamente lo stesso andamento?
E' chiaro che non possiamo schematizzare in generale il diodo reale come un diodo ideale con una capacità parassita in parallelo, dico una normale capacità lineare e costante. A questo punto mi viene una domanda un po' assurda: se andassimo ad osservare il detto picco di corrente nelle due sezioni A e B, troveremmo esattamente lo stesso andamento?
0
voti
IsidoroKZ ha scritto:I transistori (FET, MOS, MES, BJT...) sono controllati in carica. La quantita` importante che entra nelle equazioni base e` la carica.
Ma ti stai riferendo al modello a controllo di carica di una giunzione p-n in cui
?Non è semplicemente l'altra faccia della medaglia rispetto al modello circuito equivalente in cui la densità dei portatori di carica al bordo della zona di svuotamento è proporzionale a

Sì passa dall'una all'altra abbastanza facilmente: la distribuzione dei portatori di carica si ricava con alcuni passaggi a partire dalla fisica del semiconduttori e poi integri la curva ottenuta.
Cioè modulando la barriera di potenziale alla giunzione BE (con una tensione esterna applicata ai contatti metallici di B ed E ) ottengo un maggiore o minore passaggio di portatori di carica minoritari fra E e B.
Quindi sicuramente la quantità di carica o, meglio, le densità spaziali della quantità di carica sono le grandezze principali, ma come creo queste disposizioni di cariche in modo da ottenere l'effetto desiderato?
Non potremmo dire che la corrente di base sia un effetto collaterale e poco desiderato?
PS. La "mandria di cariche" è troppo bella
3
voti
Non andrei troppo sul complicato (anche perche' non sono sicuro di aver compreso bene l'osservazione)
Dal punto di vista dell'utilizzatore, in prima battuta, si puo` pensare che il MOS sia controllato in tensione e il BJT in corrente, ma solo in prima battuta.
Se devi spegnere (o accendere) in fretta un MOS o un BJT, bisogna fare il conto della carica da spostare per ottenere l'effetto voluto. E spostare una carica vuol dire far scorrere una corrente.
E` vero che si puo` passare dalla descrizione con le cariche alle descrizioni con tensioni e correnti, barriere di potenziale e altre complicazioni che si sono inventati i fisici (
), ma le variabili di stato, le grandezze che dicono come vanno le cose, sono sempre le cariche.
Dal punto di vista dell'utilizzatore, in prima battuta, si puo` pensare che il MOS sia controllato in tensione e il BJT in corrente, ma solo in prima battuta.
Se devi spegnere (o accendere) in fretta un MOS o un BJT, bisogna fare il conto della carica da spostare per ottenere l'effetto voluto. E spostare una carica vuol dire far scorrere una corrente.
E` vero che si puo` passare dalla descrizione con le cariche alle descrizioni con tensioni e correnti, barriere di potenziale e altre complicazioni che si sono inventati i fisici (
Per usare proficuamente un simulatore, bisogna sapere molta più elettronica di lui
Plug it in - it works better!
Il 555 sta all'elettronica come Arduino all'informatica! (entrambi loro malgrado)
Se volete risposte rispondete a tutte le mie domande
Plug it in - it works better!
Il 555 sta all'elettronica come Arduino all'informatica! (entrambi loro malgrado)
Se volete risposte rispondete a tutte le mie domande
1
voti
IsidoroKZ ha scritto:le variabili di stato, le grandezze che dicono come vanno le cose, sono sempre le cariche.
Questa è molto profonda perché discende direttamente dalla conservazione della carica.
Ogni variabile di stato ha come regno sottostante una conservazione fisica.
-

PietroBaima
90,7k 7 12 13 - G.Master EY

- Messaggi: 12207
- Iscritto il: 12 ago 2012, 1:20
- Località: Londra
18 messaggi
• Pagina 2 di 2 • 1, 2
Chi c’è in linea
Visitano il forum: Nessuno e 69 ospiti

Elettrotecnica e non solo (admin)
Un gatto tra gli elettroni (IsidoroKZ)
Esperienza e simulazioni (g.schgor)
Moleskine di un idraulico (RenzoDF)
Il Blog di ElectroYou (webmaster)
Idee microcontrollate (TardoFreak)
PICcoli grandi PICMicro (Paolino)
Il blog elettrico di carloc (carloc)
DirtEYblooog (dirtydeeds)
Di tutto... un po' (jordan20)
AK47 (lillo)
Esperienze elettroniche (marco438)
Telecomunicazioni musicali (clavicordo)
Automazione ed Elettronica (gustavo)
Direttive per la sicurezza (ErnestoCappelletti)
EYnfo dall'Alaska (mir)
Apriamo il quadro! (attilio)
H7-25 (asdf)
Passione Elettrica (massimob)
Elettroni a spasso (guidob)
Bloguerra (guerra)







pigreco]=π