Oltre che robusto e universale direi che servirebbe anche aggiungere a prova di stupido.
Ad esempio il circuito deve interfacciarsi con un sistema a 24 V (35V) open collector.
L'operatore collega la massa, gli ingressi e poi in parallelo al 5V ci mette il 24 V.
Col rischio di danneggiare la interfaccia universale.
Più in generale direi che più l'interfaccia è universale più rischia di non funzionare esattamente come dovrebbe.
Forse si potrebbe prevedere almeno una impedenza programmabile.
Ad esempio una resistenza da 1k (in parallelo all'ingresso) che si possa inserire od escludere all'occorrenza.
Ciao
Rendere robusto & universale ingresso microcontroller
Moderatori:
carloc,
g.schgor,
BrunoValente,
IsidoroKZ
12 messaggi
• Pagina 2 di 2 • 1, 2
0
voti
boiler ha scritto:ho un idea malsana, la butto li,
Non ho capito, potresti per piacere fare uno schizzo?
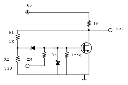
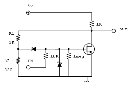
Lo scopo sarebbe di usare la bassa impedenza della retroazione per limitare in corrente l'ingresso. Il partitore R1-R2 è da tarare sull'ingresso del mosfet. Sarebbe credo piu efficace applicato al BJT, ma avrebbe anche meno senso.
Come ti dicevo è un'idea che mi è passata per la mente, forse non ha senso.
Magari vederlo come un amplificatore AC, e poi andare a squadrare l'uscita....
-

lelerelele
4.899 3 7 9 - Master

- Messaggi: 5505
- Iscritto il: 8 giu 2011, 8:57
- Località: Reggio Emilia
12 messaggi
• Pagina 2 di 2 • 1, 2
Chi c’è in linea
Visitano il forum: Nessuno e 134 ospiti

Elettrotecnica e non solo (admin)
Un gatto tra gli elettroni (IsidoroKZ)
Esperienza e simulazioni (g.schgor)
Moleskine di un idraulico (RenzoDF)
Il Blog di ElectroYou (webmaster)
Idee microcontrollate (TardoFreak)
PICcoli grandi PICMicro (Paolino)
Il blog elettrico di carloc (carloc)
DirtEYblooog (dirtydeeds)
Di tutto... un po' (jordan20)
AK47 (lillo)
Esperienze elettroniche (marco438)
Telecomunicazioni musicali (clavicordo)
Automazione ed Elettronica (gustavo)
Direttive per la sicurezza (ErnestoCappelletti)
EYnfo dall'Alaska (mir)
Apriamo il quadro! (attilio)
H7-25 (asdf)
Passione Elettrica (massimob)
Elettroni a spasso (guidob)
Bloguerra (guerra)

