admin ha scritto:Mi raccomando: ci conto!
Complimenti comunque![]()
Contaci.
Spero di portarlo a termine grazie anche (e soprattutto) all'aiuto di tutti voi.

Ad ogni modo questi sono i classici progetti che non si terminano mai!
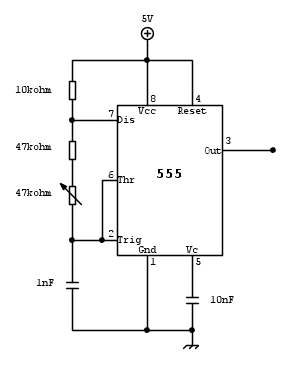
Mi sono venute gia' altre idee ma si tratta di un modo di triggerare completamente diverso da questo, quindi diciamo che sara' una seconda versione molto futura anche perche' li' dovro' fare per forza uso di controllori e molto veloci.
Si dovra' riprogettare da capo ma l'idea renderebbe inutile il circuito di ritardo e bastera' solo un metro.
Lo chiamero' "The ultimate flashtrigger"
Ma questa e' un'altra storia: concentriamoci su questa!

Elettrotecnica e non solo (admin)
Un gatto tra gli elettroni (IsidoroKZ)
Esperienza e simulazioni (g.schgor)
Moleskine di un idraulico (RenzoDF)
Il Blog di ElectroYou (webmaster)
Idee microcontrollate (TardoFreak)
PICcoli grandi PICMicro (Paolino)
Il blog elettrico di carloc (carloc)
DirtEYblooog (dirtydeeds)
Di tutto... un po' (jordan20)
AK47 (lillo)
Esperienze elettroniche (marco438)
Telecomunicazioni musicali (clavicordo)
Automazione ed Elettronica (gustavo)
Direttive per la sicurezza (ErnestoCappelletti)
EYnfo dall'Alaska (mir)
Apriamo il quadro! (attilio)
H7-25 (asdf)
Passione Elettrica (massimob)
Elettroni a spasso (guidob)
Bloguerra (guerra)




