Ste75 ha scritto:Che ne dite?
Mi pare che tu abbia afferrato il funzionamento del circuito. Poi, in realtà non so se sia il metodo migliore per realizzare un triangolo.
Ste75 ha scritto:I valori dei componenti li ho un po "sparati" (e riddaje... io oramai sapete che inizio cosi...![]()
)
Speriamo che alla fine di questo progetto riusciamo a farti disimparare questo rozzo modo di procedere!
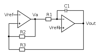
A parte gli scherzi, il circuito che hai postato è carino. In pratica il rapporto fra R3 e R2 ti dà l'ampiezza del segnale triangolare, i valori R1 e C1 la loro frequenza e Vref la centratura.
Provo ad abbozzare un'analisi sperando di non scrivere cavolate: in caso contrario, sicuramente ci sarà qualcuno prono a correggere.
Consideriamo amplificatori operazionali ideali. Ci concentriamo intanto sul primo stadio che implementa un comparatore con isteresi.
Applicando la sovraposizione degli effetti, possiamo scrivere

Ora qui bisogna distinguere. Supponiamo che
assuma il valore di saturazione alto che qui chiamiamo
. L'uscita rimmarrà in questo stato fino a quando
per poi commutare alla tensione di saturazione bassa, che qui chiamiamo
, nel momento in cui sarà verificata la condizione
. Quindi, la soglia di commutazione si ha quando è verificata la condizione
ossia quando

Con analogo ragionamento, nel caso in cui
, la soglia di commutazione di
verso
avverrà quando
.Dato che per ipotesi
in generale avremo
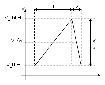
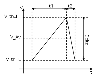
e la caratteristica sarà, nel tuo caso, simile aNel grafico sono stati definiti due parametri, Il centro d'isteresi (
) e l'ampiezza d'isteresi
. Si ha rispettivamente

Analizziamo ora il secondo stadio.
Come giustamente hai detto, sotto l'ipotesi di essere in zona di lavoro lineare (non in saturazione), questo circuito integra la tensione
.Di fatto, la capacità viene caricata a corrente costante con valore

e, applicando la legge del condesatore avremo che

e quindi,

Chiudiamo quindi l'anello.
Come avevi giustamente osservato, il comparatore iniziale assicura che lo stadio integratore lavori in linearità a patto che siano rispettate le condizioni
. Possiamo anche dire che il comparatore fornirà un "segnale di salita" dell'uscita quando
(con
) e viceversa, un "segnale di discesa" quando
(con
): in altre parole, la tensione minima raggiunta dal nostro triangolo sarà
e il massimo
.Per calcolare il periodo supponiamo allora che
abbia appena raggiunto la tensione
. Sotto quest'ipotesi,
andrà a
cominciando a scaricare il condensatore e quindi, aumentando l'uscita. Vogliamo sapere il tempo
necessario per portare l'uscita a
. Avremo quindi
da cui

Con analogo ragionamento

Il periodo del triangolo sarà quindi

Si può anche definire lo sbilanciamento fra la parte crescente e la parte decrescente del triangolo. Si ha infatti che

Dopo tutto questo popò di roba, possiamo definire un metodo di progetto. Se si vuole realizzare un dente di sega del tipo in figura:
un metodo di dimensionamento può essere:
- Una volta determinato i limiti di saturazione dell'operazionale in uso, dalla condizione su
si può calcolare il rapporto
. Si possono poi determinare il valore delle due resistenze senza problemi, imponendone una delle due. - Dalla condizione su
si ricava la corretta 
- DAlla condizione su
si ricava la 
- Dalla condizione sul periodo, imponendo
si ricava
Ho provato a fare un dimensionamento con
V,
V,
e f=50kHz. Il risultato in LTSpice è questoChe conferma abbastanza bene i calcoli fatti. Prova tu e fammi sapere.
Riguardo allo Slew Rate, l'operazionale deve avere SR maggiore del massimo previsto dalla rampa che dipende quindi, dall'ampiezza scelta del segnale triangolare e dallo sbilanciamento impostogli. Anche il comparatore ne soffrirà purtroppo con effetti sia sul periodo che sulla forma d'onda finale...

Elettrotecnica e non solo (admin)
Un gatto tra gli elettroni (IsidoroKZ)
Esperienza e simulazioni (g.schgor)
Moleskine di un idraulico (RenzoDF)
Il Blog di ElectroYou (webmaster)
Idee microcontrollate (TardoFreak)
PICcoli grandi PICMicro (Paolino)
Il blog elettrico di carloc (carloc)
DirtEYblooog (dirtydeeds)
Di tutto... un po' (jordan20)
AK47 (lillo)
Esperienze elettroniche (marco438)
Telecomunicazioni musicali (clavicordo)
Automazione ed Elettronica (gustavo)
Direttive per la sicurezza (ErnestoCappelletti)
EYnfo dall'Alaska (mir)
Apriamo il quadro! (attilio)
H7-25 (asdf)
Passione Elettrica (massimob)
Elettroni a spasso (guidob)
Bloguerra (guerra)







) pari a






![t=\left( \frac{1}{V_H-V_{ref}} + \frac{1}{V_{ref}-V_L} \right) \left[ \Delta R_1C_1 + \frac{(V_H-V_L)^2}{2SR}\right] t=\left( \frac{1}{V_H-V_{ref}} + \frac{1}{V_{ref}-V_L} \right) \left[ \Delta R_1C_1 + \frac{(V_H-V_L)^2}{2SR}\right]](/forum/latexrender/pictures/f1e2d39106709035faa34fd7ff88d146.png)
rimane invece invariato dato che, per ipotesi, lo SR si manifesta simmetricamente sia durante la transizione L-H che H-L. Nota anche che lo SR introduce una distorisione nel trinagolo di uscita: le punte diventa "smussate".
, periodo di 50kHz e ampiezza di 2V utilizzando un TL082. Ho ottenuto, utilizzando la formula che comprendeva lo SR, questo circuito



