da
carloc » 23 mar 2013, 12:41
...concludendo, ancora per amore dll'elettronica che altro...
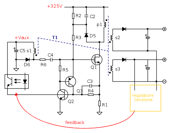
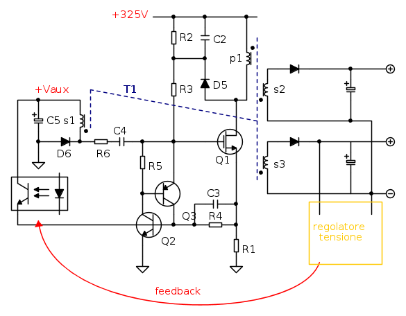
Quello che abbiamo è un
self-oscillating flyback converter anche noto come RCC
ringing choke converter in pratica con il power MOS ed uno (o due in questo caso) BJT realizziamo l'intera parte off-line di un alimentatore switching.
Brevissimamente la parte primaria (la più interessante) sarà qualcosa del genere (nota che D6 e R6 non si vedono in nessuna foto ma sono stati "estrapolati" con la sfera di cristallo in dotazione a noi moderatori

)
* Il secondario s1 di T1 tramite R6 e C4 realizza una reazione positiva che fa lavorare il convertitore alla frontiera tra CCM e DCM e quindi a frequenza variabile (quando la corrente in uscita si annulla si annulla la tensione sugli avvolgimenti e la carica residua di C4 riaccende il MOS)
* lo spengimento è invece controllato in corrente, quando la tensione di base di Q1 supera la soglia si attiva lo SCR Q2/Q3 che cortocircuita il gate del MOS e lo spegne.
* la tensione alla base di Q1 in prima approssimazione finché i BJT sono interdetti si può pensare come somma di due componenti, una proporzionale alla corrente di source ed una alla corrente di feedback dall'optoisolatore

che permette di controllare la corrente di picco nel MOS.
* il secondario s1 tramite D6/C5 genera anche una tensione ausiliaria che serve solo per alimentare l'optoisolatore. Questa tensione è approssimativamente regolata in quanto "segue" quella delle uscite principali secondo il rapporto spire.
* R3 serve per avviare il regolatore.
* R2/C2/D5 classico snubber
Due note sul funzionamento sono ad esempio
Analysis and Design of Self-Oscillating Flyback Converter o anche questo brevetto
CURRENT-CONTROLLED SELF-OSCILLATING FLYBACK CONVERTER WITH TWO TRANSISTORS che realizza proprio il controller a PWM con due BJT che hai nel tuo ex-alimentatore (sei sicuro avessero la stessa sigla?? un PNP ed un NPN ci starebbero proprio bene).
Chi avesse voglia di studiarsi il funzionamento converrà sulla nota legge "Più sembra semplice un circuito più complicato è studiarlo" ed in effetti opinerei anche sulla convenienza di non aver usato un controller integrato invece.... ma tant'è... probabilmente quei BJT li comprano "a peso".