Cos'è ElectroYou | Login Iscriviti

ElectroYou - la comunità dei professionisti del mondo elettrico

Alimentatore da banco regolabile

Elettronica lineare e digitale: didattica ed applicazioni

Moderatori: Foto Utentecarloc, Foto Utenteg.schgor, Foto UtenteBrunoValente, Foto UtenteIsidoroKZ

1
voti

[101] Re: Alimentatore da banco regolabile

Messaggioda Foto UtenteIsidoroKZ » 9 ott 2015, 16:18

Ilguru ha scritto:Dov'è l'errore?


Nel fatto che hai detto che il transistore deve saturare (messaggio 88). Prova a mettere un po' di valori di tensione sul circuito, vediamo che cosa capiterebbe se saturasse e come lo si potrebbe far saturare.

Poi parlando del valore della resistenza fra B e d E (messaggio 90) dici che si potrebbe mettere una resistenza di valore maggiore ma che aumentarebbe la caduta di tensione prima del regolatore. Anche questo e` incomprensibile.

E sempre nel messaggio 90 indichi che il transistore deve poter sostenere una VBE maggiore, che non so bene che cosa voglia dire. Forse VCE? Non mi sembra pero` che anche in questo caso abbia senso.
Per usare proficuamente un simulatore, bisogna sapere molta più elettronica di lui
Plug it in - it works better!
Il 555 sta all'elettronica come Arduino all'informatica! (entrambi loro malgrado)
Se volete risposte rispondete a tutte le mie domande
Avatar utente
Foto UtenteIsidoroKZ
121,2k 1 3 8
G.Master EY
G.Master EY
 
Messaggi: 21059
Iscritto il: 17 ott 2009, 0:00

0
voti

[102] Re: Alimentatore da banco regolabile

Messaggioda Foto UtenteIlGuru » 9 ott 2015, 16:29

IsidoroKZ ha scritto:Nel fatto che hai detto che il transistore deve saturare (messaggio 88).

Ho capito. Non deve saturare perché altrimenti non avremmo un alimentatore regolabile.
Mi sono espresso molto male e chiedo scusa.
Hai ragione anche sulle altre osservazioni, ma ero concentrato sul calcolo del valore della resistenza, ho sbagliato approccio nel suo dimensionamento e se si dove?
Grazie per la disponibilità.
\Gamma\nu\tilde{\omega}\theta\i\ \sigma\epsilon\alpha\upsilon\tau\acute{o}\nu
Avatar utente
Foto UtenteIlGuru
5.482 2 10 13
G.Master EY
G.Master EY
 
Messaggi: 1924
Iscritto il: 31 lug 2015, 23:32

0
voti

[103] Re: Alimentatore da banco regolabile

Messaggioda Foto UtenteCadmir » 9 ott 2015, 16:39

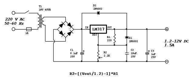
Perfetto. Giusto un'ultima domanda, poi prenderò lo schema e i valori dal datasheet dell'LM317.
Per avere 12V variabile è giusto dire che in ingresso devo applicare MINIMO 15V poiché il drop dell'integrato è di 3V ?
Inoltre guardando questo grafico

Immagine

Per ottenere 500mA devo rispettare Vin - Vout = 2V. Di conseguenza se Vin = 15V e la Vout è 12V già sto "sforando i 500mA e mi avvicino al 1A... penso che a questo punto sia più "facile" prelevare dall'integrato la massima corrente piuttosto che la minima... sbaglio?
Avatar utente
Foto UtenteCadmir
60 1 7
Frequentatore
Frequentatore
 
Messaggi: 195
Iscritto il: 12 ago 2010, 10:57

2
voti

[104] Re: Alimentatore da banco regolabile

Messaggioda Foto UtenteIsidoroKZ » 9 ott 2015, 16:40

IlGuru ha scritto:Non deve saturare perché altrimenti non avremmo un alimentatore regolabile.


Se il transistore saturasse avresti che la tensione di uscita sarebbe dalle parti di quella di ingresso.

La caduta di tensione prima del regolatore non influenza la dinamica, e` sempre la stessa, va dalle parti di VBE, e il rating del transistor e` anche li` sempre lo stesso.

Il dimensionamento della resistenza non lo faccio perche' quel circuito secondo me non e` da usarsi dato che non ha protezioni da cortocircuito. Solo in caso di regolatore incluso in un sistema piu` grande, senza possibilita` di fare guai, FORSE lo prenderei in considerazione, ma anche qui solo come ultima spiaggia. Piuttosto e` molto meglio mettere in parallelo due regolatori al posto di usare un circuito non protetto. Aggiungere una protezione mi sembra una operazione costosta e la protezione non sarebbe precisa.

Morale: per fare un alimentatore da banco bisogna fare un alimentatore da banco (con tanto di transistori di potenza, riferimenti di tensione, operazionali per il loop di tensione e di corrente...) non un accrocchio che ha prestazioni incerte, e la cui unica certezza e` mandare arrosto il transistore se si fa un corto.

Morale2: visto che l'OP e` un principiante, non mi pare sia una buona idea suggerirgli cose molto al di sopra della sua portata. E peggio ancora dandogli suggerimenti tecnicamente sbagliati.
Per usare proficuamente un simulatore, bisogna sapere molta più elettronica di lui
Plug it in - it works better!
Il 555 sta all'elettronica come Arduino all'informatica! (entrambi loro malgrado)
Se volete risposte rispondete a tutte le mie domande
Avatar utente
Foto UtenteIsidoroKZ
121,2k 1 3 8
G.Master EY
G.Master EY
 
Messaggi: 21059
Iscritto il: 17 ott 2009, 0:00

0
voti

[105] Re: Alimentatore da banco regolabile

Messaggioda Foto UtenteFedericoSibona » 9 ott 2015, 17:43

Il circuito di alimentatore con protezione da cortocircuito, anche per il pass transistor, più semplice che conosco è quello in figura #21 del datasheet http://www.st.com/web/en/resource/techn ... 000053.pdf
Non è un alimentatore da banco, ma per cominciare............

Come dice Isidoro, per cominciare si può anche rinunciare al transistor ed il circuito diviene ancora più semplice ;-)
Avatar utente
Foto UtenteFedericoSibona
5.022 3 5 8
Master
Master
 
Messaggi: 3951
Iscritto il: 19 mar 2013, 11:43

0
voti

[106] Re: Alimentatore da banco regolabile

Messaggioda Foto UtenteCadmir » 9 ott 2015, 18:47

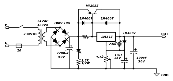
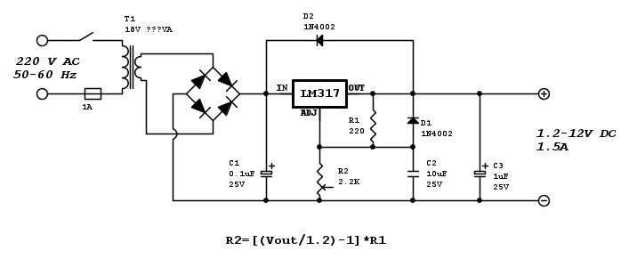
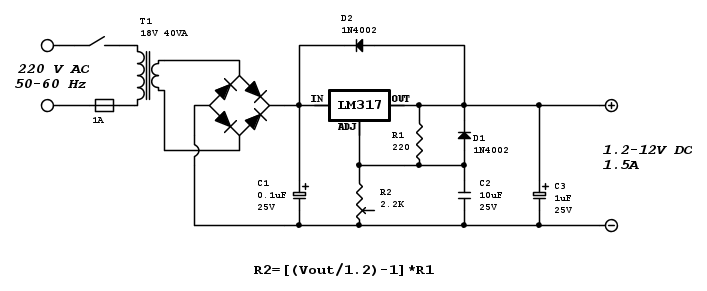
Ebbene... ecco uno schema di un alimentatore variabile 1,2-12V



I valori dei condensatori li ho estrapolati dal datasheet dell'LM317 e ho messo i due diodi di protezione (D2 per C3 nelle fasi di spegnimento e D1 per C2 in caso di cortocircuito)
Spero di aver fatto bene. Ho inserito un trasformatore con un secondario di 18V così da avere dopo il ponte di Graetz circa 16.6V e, con il drop-out dell'IC (stimato in 2/3V) avere così 13.6V, il necessario per avere una tensione di 12V.
l'IC avrà comunque un suo dissipatore per lavorare tranquillamente ad una Iout massima, ovvero 1,5A (l'IC ha una dissipazione massima di 15W e calcolando una Vin all'IC di 13.6V - la Vout minima di 1.2 si avrebbe una differenza di 12.4V che a 1.5A genererebbe una potenza da dissipare di 18W.
Spero di non aver sbagliato nulla, in caso correggetemi.

Una cosa però non riesco a capire. Come la calcolo la VA del trasformatore e quindi la corrente che mi deve erogare?

O_/
Avatar utente
Foto UtenteCadmir
60 1 7
Frequentatore
Frequentatore
 
Messaggi: 195
Iscritto il: 12 ago 2010, 10:57

0
voti

[107] Re: Alimentatore da banco regolabile

Messaggioda Foto Utenteedgar » 9 ott 2015, 19:14

IsidoroKZ ha scritto:Morale: per fare un alimentatore da banco bisogna fare un alimentatore da banco (con tanto di transistori di potenza, riferimenti di tensione, operazionali per il loop di tensione e di corrente...) non un accrocchio che ha prestazioni incerte, e la cui unica certezza e` mandare arrosto il transistore se si fa un corto.

Da scolpire nella pietra :ok:
Cercare di mettere pezze a componenti nati per fare altro è un ripiego.
Ci sono componenti moderni come gli LT3080/1 giusto per citarne uno, che sono anni luce avanti rispetto a dinosauri come il LM317 ed hanno pure funzioni come la regolazione di corrente massima.
Avatar utente
Foto Utenteedgar
10,0k 4 5 8
Master
Master
 
Messaggi: 5229
Iscritto il: 15 set 2012, 22:59

0
voti

[108] Re: Alimentatore da banco regolabile

Messaggioda Foto UtenteFedericoSibona » 9 ott 2015, 20:09

Beh, questo:
http://cds.linear.com/docs/en/lt-journa ... olusha.pdf
http://www.linear.com/solutions/5086
http://www.linear.com/purchase/DC2132A
http://www.linear.com/docs/44898
è una meraviglia, ma gli SMD mi creano qualche problema (e forse anche ad altri).
Se qualcuno facesse un kit, di costo decente, potrei anche attrezzarmi e cimentarmi ;-)
Avatar utente
Foto UtenteFedericoSibona
5.022 3 5 8
Master
Master
 
Messaggi: 3951
Iscritto il: 19 mar 2013, 11:43

0
voti

[109] Re: Alimentatore da banco regolabile

Messaggioda Foto UtenteCadmir » 10 ott 2015, 23:57

Avatar utente
Foto UtenteCadmir
60 1 7
Frequentatore
Frequentatore
 
Messaggi: 195
Iscritto il: 12 ago 2010, 10:57

0
voti

[110] Re: Alimentatore da banco regolabile

Messaggioda Foto UtenteFedericoSibona » 11 ott 2015, 6:33

E quindi?
Avatar utente
Foto UtenteFedericoSibona
5.022 3 5 8
Master
Master
 
Messaggi: 3951
Iscritto il: 19 mar 2013, 11:43

PrecedenteProssimo

Torna a Elettronica generale

Chi c’è in linea

Visitano il forum: Nessuno e 171 ospiti