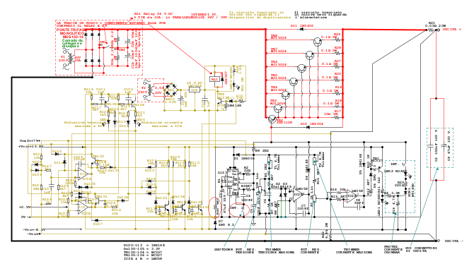
Alex, non utilizzare l'alimentazione ausiliaria proveniente dal duplicatore.
Anche se tu colleghi all'alimentatore di potenza solo i due cavetti dell'alimentazione ausiliaria, proveniente dal dal duplicatore, questa alimenta comunque anche l'elettronica del duplicatore stesso e ipotizzo che i disturbi potrebbero provenire dal duplicatore, propagandosi mediante l'alimentazione ausiliaria.
Quello che personalmente farei sarebbe saldare il 7824 sulla PCB di potenza (essendo prevista l'applicazione) scollegando fisicamente il duplicatore in modo da poter dedicare le prime verifiche esclusivamente all'alimentatore di potenza. Se il funzionamento darà ancora problemi senza alcun condizionamento da parte del duplicatore dovrebbe essere più agevole identificarli ed eliminarli. Dopo di che potrai riposizionare il 7824 sulla PCB del duplicatore ed unire i due circuiti...

Elettrotecnica e non solo (admin)
Un gatto tra gli elettroni (IsidoroKZ)
Esperienza e simulazioni (g.schgor)
Moleskine di un idraulico (RenzoDF)
Il Blog di ElectroYou (webmaster)
Idee microcontrollate (TardoFreak)
PICcoli grandi PICMicro (Paolino)
Il blog elettrico di carloc (carloc)
DirtEYblooog (dirtydeeds)
Di tutto... un po' (jordan20)
AK47 (lillo)
Esperienze elettroniche (marco438)
Telecomunicazioni musicali (clavicordo)
Automazione ed Elettronica (gustavo)
Direttive per la sicurezza (ErnestoCappelletti)
EYnfo dall'Alaska (mir)
Apriamo il quadro! (attilio)
H7-25 (asdf)
Passione Elettrica (massimob)
Elettroni a spasso (guidob)
Bloguerra (guerra)


