Ciao,
ho guardato per bene il 4518 ed ho visto che si riesce a fare il contatore in modo semplice. Il fatto che non ci sia il pin del riporto non è un problema perché il clock è configurato in modo da consentire ugualmente il collegamento in cascata.
Ti posto lo schema, io non sono riuscito a testarlo quindi prova una sezione per volta partendo da quella delle unità poi le decine e infine le centinaia. Fai una cosa provvisoria perché è facile che ci sia qualcosa da sistemare. Questo è lo schema:
I tre selettori rotanti schematizzano i contraves che servono per impostare il contatore. Nello schema mancano i pin di alimentazione degli integrati ed anche il condensatore da 100nF che è da collegare tra il positivo di alimentazione e lo 0V. Come diodi vanno bene gli 1N4148.
In poche parole l' uscita del circuito (quella che va al pin di reset del 555) sta alta quando il conteggio è in esecuzione e va a 0V soltanto quando il conteggio raggiunge la cifra impostata permettendoti di regolare il ritardo.
Per quanto riguarda l' uscita del circuito il mio è soltanto un' esempio, devi cioè preoccuparti tu di collegarti a quanto già esiste secondo logica in modo che il contatore possa lavorare correttamente e bloccare l' oscillatore una volta raggiunto il valore impostato. Finito il conteggio dovrai anche resettare i contatori portando a livello logico alto il pin di reset (pin 7). Infine dovrai fare in modo che l' oscillatore possa ripartire quando il fotodiodo rileva l' interruzione del fascio laser.
Barriera laser
Moderatori:
carloc,
g.schgor,
BrunoValente,
IsidoroKZ
0
voti
[112] Re: Barriera laser
davidde ha scritto:Fai una cosa provvisoria perché è facile che ci sia qualcosa da sistemare.
Ottimo. PIu' tardi provvedo.
Dimenticavi che il conteggio era a 4 cifre ma vabbe', sono 4 schemi uguali.
cioè preoccuparti tu di collegarti a quanto già esiste...
Infine dovrai fare in modo che l' oscillatore possa ripartire quando...
Dovrei farcela.
Invece, a causa di questi giorni in cui hai avuto modo di guardare meglio il 4518, ho voluto cazzeggiare un po' facendo una modifica al progetto.
Mi sono ritrovato in un altro vecchissimo progetto un 4060 e un 4011UB.
Allora ho provato l'oscillatore con le 2 NAND e una semplice divisione per 400 su un'altra board.
Funziona tutto fino alla singola divisione (singolo pin del 4060).
Cioe' dall'uscita dell'oscillatore quarzato ottengo 4MHz precisi e dalle singole uscite del 4060 ottengo la precisa divisione del segnale in potenze di 2.
Appena prendo due pin del 4060 e li sommo in uscita ottengo tutt'altro e non riesco a capire il perche'.
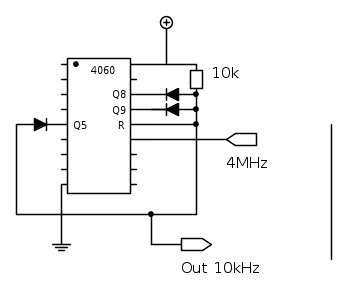
Lo schema e' questo:
In uscita, sul ramo degli anodi e del reset, ottengo 88900 Hz invece di 10000 Hz.
Se collego il frequenzimetro sul Q9 ottengo una frequenza di 9950 Hz.
Non ci ho dormito la notte.
Ad ogni modo, e' un problema marginale.
Vado a montare una board con un 4518 per vedere che succede.
Ti tengo aggiornato.
0
voti
[113] Re: Barriera laser
Si, se i contatori sono quattro basta aggiungere l' altra sezione del 4518.
Riguardo alla tua ultima domanda, volevo chiederti una cosa:
Per NAND intendi NOT, cioè l' oscillatore del messaggio [77-78]?
A parte questo secondo me il tuo schema è corretto. In uscita dovresti ottenere i 10kHz. Il fatto che sul Q9, che è il pin tra quelli selezionati ad avere il periodo più lungo, tu legga una frequenza prossima a quella cercata vuol dire che ci sei, Il contatore si resetta ogni 100.5 µs e quindi la frequenza d' uscita è di 9950Hz. L' errore rispetto ai 10kHz calcolati è dello 0,5% e credo sia dovuto al tempo impiegato dal pin di reset per salire fino alla soglia del livello logico alto, quindi ci potrebbe stare.
L' inconveniente che sull' uscita ti trovi una frequenza molto maggiore potrebbe essere dovuto al fatto che il frequenzimetro sia troppo sensibile e prenda per fronti anche le irregolarità dovute alle commutazioni delle altre uscite e dei diodi. Fossi in te proverei a collegare il punto OUT dell' oscillatore all' ingresso di un invertitore triggerato (tipo 40106) e poi misurerei sulla sua uscita la frequenza del segnale.
Oppure puoi provare a collegare un condensatore di capacità molto ridotta (io non supererei i 100pF) tra il pin OUT e lo 0V, magari basta questo.
Riguardo alla tua ultima domanda, volevo chiederti una cosa:
carsco ha scritto:Allora ho provato l'oscillatore con le 2 NAND e una semplice divisione ...
Per NAND intendi NOT, cioè l' oscillatore del messaggio [77-78]?
A parte questo secondo me il tuo schema è corretto. In uscita dovresti ottenere i 10kHz. Il fatto che sul Q9, che è il pin tra quelli selezionati ad avere il periodo più lungo, tu legga una frequenza prossima a quella cercata vuol dire che ci sei, Il contatore si resetta ogni 100.5 µs e quindi la frequenza d' uscita è di 9950Hz. L' errore rispetto ai 10kHz calcolati è dello 0,5% e credo sia dovuto al tempo impiegato dal pin di reset per salire fino alla soglia del livello logico alto, quindi ci potrebbe stare.
L' inconveniente che sull' uscita ti trovi una frequenza molto maggiore potrebbe essere dovuto al fatto che il frequenzimetro sia troppo sensibile e prenda per fronti anche le irregolarità dovute alle commutazioni delle altre uscite e dei diodi. Fossi in te proverei a collegare il punto OUT dell' oscillatore all' ingresso di un invertitore triggerato (tipo 40106) e poi misurerei sulla sua uscita la frequenza del segnale.
Oppure puoi provare a collegare un condensatore di capacità molto ridotta (io non supererei i 100pF) tra il pin OUT e lo 0V, magari basta questo.
0
voti
[114] Re: Barriera laser
davidde ha scritto:Per NAND intendi NOT, cioè l' oscillatore del messaggio [77-78]?
No. Non ho trovato l'integrato suggeritomi mentre ho trovato un sacco di schemi realizzati con le NAND.
Uno e' questo:

L'ho montato e funge tranquillamente.
Poi ho montato un 4060, avevo solo quello.
Oggi sono uscito e ho preso il 4040 che e' piu' indicato per quello che devo fare.
Ho rifatto tutta la board che era piuttosto incasinata per le prove con l'oscillatore.
In realta' prendevo l'uscita non dal pin di reset ma da Q9 perche' dal reset avevo una frequenza doppia a quello che mi aspettavo.
Cioe', era su Q9 che avevo 9950 mentre sul reset avevo circa il doppio, esattamente come ora (leggi il seguito).
Ora e' cosi':
Noto la stessa anomalia, ma forse sono io che non conosco bene il loro funzionamento.
In uscita ho 20.460 Hz e non 10.000 Hz.
Cioe' sto dividendo per 200 e non 400.
La cosa strana e' che se pinzo su Q9 ho 10300 Hz.
E' come se i bit fossero shiftati di un bit a destra, mi segui?
Infatti io sul DS del 4040 leggo che parte da 2^2 e non da 2^1, cioe' manca Q1.
Quindi in realta' la configurazione che dovrei usare non e' Q3 Q8 e Q9 ma Q4 Q7 e Q8.
Ci capisco poco, la mia e' solo una supposizione e mi piacerebbe una conferma prima di abbandonare tutto.
Abbandonero' l'idea perche', caspita, uno usa un quarzo e si ritrova il 2.3% di differenza rispetto a quello che si aspettava.
Ma a sto punto lascio il 555 non CMOS che da 20° a 60° (col phon addosso) deriva di appena 200Hz.
Fossi in te proverei a collegare il punto OUT dell' oscillatore all' ingresso di un invertitore triggerato (tipo 40106) e poi misurerei sulla sua uscita la frequenza del segnale.
Posso usare le due NAND che mi rimangono nel 4011?
Basta collegare insieme gli ingressi e prendere l'uscita?
Devo farlo con entrambe le porte? Ossia devo usare due NOT o ne basta una per il mio scopo?
Oppure puoi provare a collegare un condensatore di capacità molto ridotta (io non supererei i 100pF) tra il pin OUT e lo 0V, magari basta questo.
Provero' anche questo.
0
voti
[115] Re: Barriera laser
Vabbe', ho per ora accantonato il generatore quarzato per concentrarmi sul tuo schema del contatore.
Dopo TANTE peripezie (in ultimo pure la milefori bacata), ho terminato di montare.
Sembra che tutto sia ok.
Ho ri-arrangiato un po' le posizioni delle cifre usando anche il 4to contatore ma la sostanza non cambia.
Per le prove NON colleghero' il circuito all'NE555 ma faro' il clock a mano per vedere che succede e per studiarlo passo passo.
Mi sorge subito un dubbio: una volta che i 4 contatori raggiungono la cifra impostata allora il comune dei contraves va a 1.
Ma il conteggio non si dovrebbe anche azzerare prima o poi?
Cosi' com'e' non si azzera mai.
E dopo il primo scatto come si resetta per fare il secondo?
Cioe', supponiamo di mettere la cifra 3 sul contraves delle unita' e 0 su tutte le altre.
Accendiamo la board (all'accensione e' resettata, boh?)
Ora mandiamo un livello 1 al clock (pin1 U1).
Il conteggio avanza di 1.
Premiamo altre due volte e arriviamo a 3.
La combinazione 0011 viene "letta" dai diodi della prima unita' e manda a 1 il punto comune dei contraves e lo manda al reset del 555.
Il 555 ferma il suo generatore.
I contatori sono fermi a 0-0-0-3
Bene, e mo'?
Ci mettiamo un monostabile?
Dopo TANTE peripezie (in ultimo pure la milefori bacata), ho terminato di montare.
Sembra che tutto sia ok.
Ho ri-arrangiato un po' le posizioni delle cifre usando anche il 4to contatore ma la sostanza non cambia.
Per le prove NON colleghero' il circuito all'NE555 ma faro' il clock a mano per vedere che succede e per studiarlo passo passo.
Mi sorge subito un dubbio: una volta che i 4 contatori raggiungono la cifra impostata allora il comune dei contraves va a 1.
Ma il conteggio non si dovrebbe anche azzerare prima o poi?
Cosi' com'e' non si azzera mai.
E dopo il primo scatto come si resetta per fare il secondo?
Cioe', supponiamo di mettere la cifra 3 sul contraves delle unita' e 0 su tutte le altre.
Accendiamo la board (all'accensione e' resettata, boh?)
Ora mandiamo un livello 1 al clock (pin1 U1).
Il conteggio avanza di 1.
Premiamo altre due volte e arriviamo a 3.
La combinazione 0011 viene "letta" dai diodi della prima unita' e manda a 1 il punto comune dei contraves e lo manda al reset del 555.
Il 555 ferma il suo generatore.
I contatori sono fermi a 0-0-0-3
Bene, e mo'?
Ci mettiamo un monostabile?
0
voti
[116] Re: Barriera laser
carsco ha scritto:Ma il conteggio non si dovrebbe anche azzerare prima o poi?Cosi' com'e' non si azzera mai.
Si, te lo avevo scritto nel precedente messaggio. Per azzerare i contatori devi portare a livello logico alto il pin di reset. O lo fai direttamente dal comune dei contraves (il punto C) o lo fai a mano. Dipende da come ti organizzi.
Poi serve qualcosa che memorizzi che il conteggio è arrivato alla fine, dia il via al flash e blocchi l' oscillatore (in modo permanente), fatto ciò tutto deve essere resettato per ripartire soltanto una volta che il fotodiodo rileva l' interruzione del fascio.
Non conoscendo i dettagli del tuo circuito non so aiutarti, ora ti tocca incastrarlo in qualcosa che già esiste e non mancheranno i problemi. Secondo me ti conviene ripartire da capo prendendo per buono quello che abbiamo fatto e riconsiderando il resto in funzione degli ultimi aggiornamenti.
0
voti
[117] Re: Barriera laser
davidde ha scritto:Si, te lo avevo scritto nel precedente messaggio.
Si' si', scusa, era tardi...
Ieri sera (stanotte) ho montato tutto ma c'e' qualcosa che non va.
Allora ho riesumato una vecchia breadboard (purtroppo piccola) e sto provando il primo stadio di un contatore contando "a mano" con un pulsante al posto del clock.
Per azzerare i contatori devi portare a livello logico alto il pin di reset. O lo fai direttamente dal comune dei contraves (il punto C) o lo fai a mano. Dipende da come ti organizzi.
Io avrei in mente NON di fermare il 555 (o il generatore in generale) ma di bloccare il conteggio dei 4518. Questo perche' il generatore puo' non partire subito o non avere una uscita sufficientemente buona nei primi microsecondi. Al generatore quindi gli farei fare il lavoro di base dei tempi: punto.
Cioe' vorrei collegare il reset (dei 4518) alla linea C dei contraves in maniera che quando arriva la cifra giusta si ferma il conteggio e il punto C rimanga alto.
Il punto C poi lo invio al mio monostabile che pensera' ad eccitare il fotoaccoppiatore e far scattare il flash del circuito ritardato. Questo monostabile e' gia' tarato per far stare il contatto del flash chiuso per 500ms.
Il "via" al conteggio devo invece darlo alla ricezione del primo impulso (alto) di trigger proveniente dal primo monostabile (quando cioe' riceve un rumore o si interrompe la barriera).
In quel momento il generatore e' gia' "a regime", scatta il flash "diretto", si mette giu' il reset e il conteggio dei 4518 inizia.
Secondo me ti conviene ripartire da capo prendendo per buono quello che abbiamo fatto e riconsiderando il resto in funzione degli ultimi aggiornamenti.
Ma sai... sono 2 monostabili del kaiser... non e' che il mio "circuito" sia granche' complesso.
comunque, mi studio un attimino la cosa sulla breadboard attivando anche il secondo contatore del 4518 e ci sentiamo.
Avevi ragione: meglio partire con un solo stadio senno' non ci capisco niente.
0
voti
[118] Re: Barriera laser
Ok, facciamo prima funzionare lo schema poi vediamo il resto...
Attento che il pulsante quando si chiude genera del rumore e i contatori potrebbero prendere per buoni dei falsi impulsi. Devi filtrare il segnale generato dal pulsante altrimenti rischi di fare prove inaffidabili.
Volendo puoi anche aumentare di molto il condensatore collegato al 555 in modo da fargli generare un' impulso al secondo. Poi colleghi un led sulla sua uscita (oltre che all' ingresso dei contatori ) così riesci a contare anche tu...
Attento che il pulsante quando si chiude genera del rumore e i contatori potrebbero prendere per buoni dei falsi impulsi. Devi filtrare il segnale generato dal pulsante altrimenti rischi di fare prove inaffidabili.
Volendo puoi anche aumentare di molto il condensatore collegato al 555 in modo da fargli generare un' impulso al secondo. Poi colleghi un led sulla sua uscita (oltre che all' ingresso dei contatori ) così riesci a contare anche tu...
0
voti
[119] Re: Barriera laser
davidde ha scritto:Devi filtrare il segnale generato dal pulsante altrimenti rischi di fare prove inaffidabili.
Bah... mi sono limitato a mettere una "antenna" al primo ingresso di clock e chissa' cosa capto (ho una lampada fluorescente vicino ma non e' lei) ma mi funziona perfettamente da generatore stabilissimo
Ho collegato tutti i 4 stadi sulla breadboard e funziona perfettamente il conteggio.
Il carry out col BIT 4 che entra sull'enable del successivo coi 3 clock a massa funziona perfettamente.
Ho solo dovuto togliere il led dal BIT 4 dei primi 3 stadi perche' non c'era abbastanza tensione per far commutare l'enable. Quindi attualmente ho 3 led sui primi 3 contatori e 4 sull'ultimo.
Quest'ultimo oscilla a ritmo di 1 passo ogni 10 secondi circa, quindi presumo di catturare un clock di 10kHz (che combinazione!) da qualche parte a casa mia.
Ora pero' non c'e' spazio sulla bread per i commutatori e per i diodi, quindi sto uscendo per vedere di trovarne una piu' larga altrimenti pazienza mi riporto i 4 bit (+4 di ritorno) su altre parti della scheda
.Siamo comunque a buon punto.
Edit: detto cavolata. Il generatore che capto e' di 1kHz.
Ho appena collegato il 555 e adesso il lampeggio dell'ultimo stadio e' di frequenza 10 volte maggiore.
0
voti
[120] Re: Barriera laser
Mi sono ipnotizzato davanti ai led.
La frequenza che capto e' esattamente di 222Hz.
L'ultimo contatore si resetta ogni 45 secondi circa ed e' il quarto di 4.
La frequenza di ingresso quindi e' 1/(45/10000).
Non ho idea di cosa sia ma dubito sia la rete 50Hz.
Non e' il PC (provato spento), non sono le lampade, non e' altro a casa mia.
Vabbe' dai, sblocchiamoci e continuiamo.
La frequenza che capto e' esattamente di 222Hz.
L'ultimo contatore si resetta ogni 45 secondi circa ed e' il quarto di 4.
La frequenza di ingresso quindi e' 1/(45/10000).
Non ho idea di cosa sia ma dubito sia la rete 50Hz.
Non e' il PC (provato spento), non sono le lampade, non e' altro a casa mia.
Vabbe' dai, sblocchiamoci e continuiamo.

Chi c’è in linea
Visitano il forum: Nessuno e 64 ospiti

Elettrotecnica e non solo (admin)
Un gatto tra gli elettroni (IsidoroKZ)
Esperienza e simulazioni (g.schgor)
Moleskine di un idraulico (RenzoDF)
Il Blog di ElectroYou (webmaster)
Idee microcontrollate (TardoFreak)
PICcoli grandi PICMicro (Paolino)
Il blog elettrico di carloc (carloc)
DirtEYblooog (dirtydeeds)
Di tutto... un po' (jordan20)
AK47 (lillo)
Esperienze elettroniche (marco438)
Telecomunicazioni musicali (clavicordo)
Automazione ed Elettronica (gustavo)
Direttive per la sicurezza (ErnestoCappelletti)
EYnfo dall'Alaska (mir)
Apriamo il quadro! (attilio)
H7-25 (asdf)
Passione Elettrica (massimob)
Elettroni a spasso (guidob)
Bloguerra (guerra)




