OROLOGIO DIGITALE SENZA PIC
Moderatori:
carloc,
g.schgor,
BrunoValente,
IsidoroKZ
0
voti
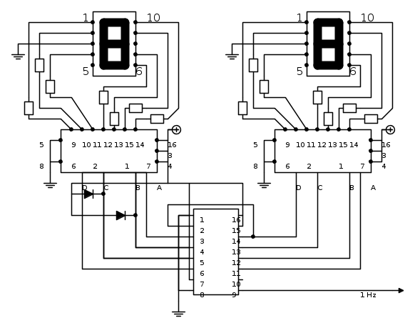
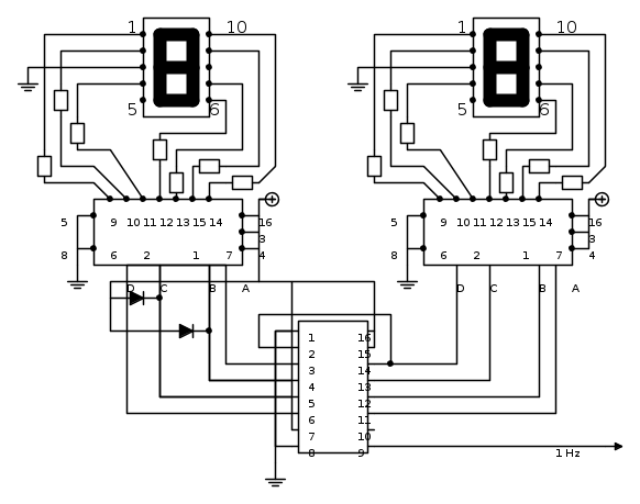
quindi per far partire il secondo contatore interno al 4518 in questo caso collego il 14 al 2... ma per azzerare le decine al numero 5 invece come dovrei fare? dovrei mandare il livello logico che visualizzera il 5 al 7 e 15 in modo da azzerare entrambi i contatori del 4518? ma come devo fare? ho un po di confusione 
-

carlomusumeci
353 5 7 - Sostenitore

- Messaggi: 526
- Iscritto il: 8 apr 2011, 0:35
0
voti
Stai cercando di andare avanti da solo senza aspettare che ti venga detto e spiegato cosa fare.
Comunque del reset dei contatori a 60 e 24 ne abbiamo gia' parlato nei post passati.
Ti ricordi i famosi diodi inseriti sulle uscite del 4518?
Vatti a rivedere quanto abbiamo gia' detto; bisogna andare per gradi e capire quello che si fa.
Quindi aspetta di avere a disposizione i componenti e poi ne riparliamo.
E ricordati di fare il compito; non ho ancora visto lo schema corretto degli ultimi due circuiti.

Comunque del reset dei contatori a 60 e 24 ne abbiamo gia' parlato nei post passati.
Ti ricordi i famosi diodi inseriti sulle uscite del 4518?
Vatti a rivedere quanto abbiamo gia' detto; bisogna andare per gradi e capire quello che si fa.
Quindi aspetta di avere a disposizione i componenti e poi ne riparliamo.
E ricordati di fare il compito; non ho ancora visto lo schema corretto degli ultimi due circuiti.

0
voti
-

carlomusumeci
353 5 7 - Sostenitore

- Messaggi: 526
- Iscritto il: 8 apr 2011, 0:35
0
voti
Quelli al post 135.
Ti ho chiesto di farlo perche' ti serve per conoscere la funzione degli integrati che adopereremo.
Ogni richiesta ha un suo scopo finale.
Te lo ripeto: abbi pazienza ed adopera il tempo per approfondire la tua conoscenza circa gli integrati 4518,4511,7400,4011.
Vedrai che poi in seguito farai meno domande.
Ciao
Ti ho chiesto di farlo perche' ti serve per conoscere la funzione degli integrati che adopereremo.
Ogni richiesta ha un suo scopo finale.
Te lo ripeto: abbi pazienza ed adopera il tempo per approfondire la tua conoscenza circa gli integrati 4518,4511,7400,4011.
Vedrai che poi in seguito farai meno domande.
Ciao
0
voti
Dovrei ripetere quello che dice marco, quindi non lo faccio e lo quoto
Ti avevo gia' invitato a scaricarti, stamparti, studiarti i datasheet degli integrati che stiamo usando. Trovi le piedinature, lo schema interno di funzionamento (a blocchi), ecc..
Ora, oltre questo, dovresti rifare lo stesso schema di cui parla marco (quei due al post 135) usando invece di un 7400 (che è TTL) un 4011 (che è un CMOS). Sono entrambe integrati che contengono 4 porte nand, ridisegna lo schema identico ma trovati i piedini corrispondenti che dovrai usare utilizzanto il 4011.
Se apri i datasheet lo fai in, diciamo, 5 minuti
Dobbiamo ridisegnare tutti gli schemi, quelli finora sono solo "pezzi" per farti capire come funzionano. Lo schema finale sarà completo di tutto, e lo capirai perché sarà composto da cose che hai già visto separatamente.
Ti avevo gia' invitato a scaricarti, stamparti, studiarti i datasheet degli integrati che stiamo usando. Trovi le piedinature, lo schema interno di funzionamento (a blocchi), ecc..
Ora, oltre questo, dovresti rifare lo stesso schema di cui parla marco (quei due al post 135) usando invece di un 7400 (che è TTL) un 4011 (che è un CMOS). Sono entrambe integrati che contengono 4 porte nand, ridisegna lo schema identico ma trovati i piedini corrispondenti che dovrai usare utilizzanto il 4011.
Se apri i datasheet lo fai in, diciamo, 5 minuti
Dobbiamo ridisegnare tutti gli schemi, quelli finora sono solo "pezzi" per farti capire come funzionano. Lo schema finale sarà completo di tutto, e lo capirai perché sarà composto da cose che hai già visto separatamente.

-

rusty
4.075 2 9 11 - Utente disattivato per decisione dell'amministrazione proprietaria del sito
- Messaggi: 1578
- Iscritto il: 25 gen 2009, 13:10
0
voti
Per buttare giu' lo schema finale, aspettavo che Carlo realizzasse un contatore completo.
A quel punto si dovrebbe pensare anche al layout ( Carlo vuole farlo su millefori ed io sarei d'accordo)ma non so se Carlo abbia gia' fatto qualcosa del genere.
Avrei delle foto di un mio vecchio orologio di 20 anni fa che potrebbero dargli qualche idea ma sono troppo grosse per inserirle e non so come ridurle.
Comunque direi di aspettare che arrivino i componenti.

A quel punto si dovrebbe pensare anche al layout ( Carlo vuole farlo su millefori ed io sarei d'accordo)ma non so se Carlo abbia gia' fatto qualcosa del genere.
Avrei delle foto di un mio vecchio orologio di 20 anni fa che potrebbero dargli qualche idea ma sono troppo grosse per inserirle e non so come ridurle.
Comunque direi di aspettare che arrivino i componenti.

0
voti
IsidoroKZ ha scritto:Propongo di fondare l'associazione di "quelli che fanno a distanza gli orologi in logica SSI"Dai che il prossimo lo facciamo a nixie, con i 4017 :)
No ti prego, poi bisognera' pure progettare uno step-up per l'anodica
marco438 ha scritto:Per buttare giu' lo schema finale, aspettavo che Carlo realizzasse un contatore completo.
A quel punto si dovrebbe pensare anche al layout ( Carlo vuole farlo su millefori ed io sarei d'accordo)ma non so se Carlo abbia gia' fatto qualcosa del genere.
Avrei delle foto di un mio vecchio orologio di 20 anni fa che potrebbero dargli qualche idea ma sono troppo grosse per inserirle e non so come ridurle.
Comunque direi di aspettare che arrivino i componenti.
Marco io per ridimensionare le foto faccio sempre così, le apro in Paint (ora non so se sei su Windows), e clicchi "ridimensiona", gli dai una percentuale (tipo 50% o anche meno dipende da quanto sono grandi), una volta che trovi la percentuale ottimale le carichi su imageshack. Oppure fai una cosa, fai un bel file compresso con tutte le foto "giganti" e le posto poi io ridimensionate... no problema, sono abbastanza veloce a farlo (il file lo alleghi in un prossimo messaggio o me lo mandi in pvt)
Penso che carlo vedendo un possibile risultato finale del suo progetto si metta a lavorare con piu' entusiasmo
carlo hai mai montato su millefori? penso di si... hai mai inciso? tipo con fotoincisione? Sai usare Eagle CAD?

-

rusty
4.075 2 9 11 - Utente disattivato per decisione dell'amministrazione proprietaria del sito
- Messaggi: 1578
- Iscritto il: 25 gen 2009, 13:10
0
voti
Aspettando i componenti e leggendo i datasheet ho pensato di finire il blocco del secondi cioè in modo da contare fino a 59 ...Ma sicuramente avrò commesso qualche errore..
-

carlomusumeci
353 5 7 - Sostenitore

- Messaggi: 526
- Iscritto il: 8 apr 2011, 0:35
0
voti
Ragazzi stiamo andando OT. Che qualcuno apra un nuovo argomento sugli orologi a nixie e poi partecipiamo tutti!
Fatto! Isy
Per Carlo, ho visto lo schema ma stasera ormai mi bruciano gli occhi e non ho voglia di controllare.
Lo controllo domattina, ciao
Fatto! Isy
Per Carlo, ho visto lo schema ma stasera ormai mi bruciano gli occhi e non ho voglia di controllare.
Lo controllo domattina, ciao
Chi c’è in linea
Visitano il forum: Nessuno e 56 ospiti

Elettrotecnica e non solo (admin)
Un gatto tra gli elettroni (IsidoroKZ)
Esperienza e simulazioni (g.schgor)
Moleskine di un idraulico (RenzoDF)
Il Blog di ElectroYou (webmaster)
Idee microcontrollate (TardoFreak)
PICcoli grandi PICMicro (Paolino)
Il blog elettrico di carloc (carloc)
DirtEYblooog (dirtydeeds)
Di tutto... un po' (jordan20)
AK47 (lillo)
Esperienze elettroniche (marco438)
Telecomunicazioni musicali (clavicordo)
Automazione ed Elettronica (gustavo)
Direttive per la sicurezza (ErnestoCappelletti)
EYnfo dall'Alaska (mir)
Apriamo il quadro! (attilio)
H7-25 (asdf)
Passione Elettrica (massimob)
Elettroni a spasso (guidob)
Bloguerra (guerra)

