Orologio a led
Moderatori:
carloc,
g.schgor,
BrunoValente,
IsidoroKZ
0
voti
[152] Re: Orologio a led
La parte di generazione del clock mi sembra corretta, anche la porta che collega l'ultimo led all'ingresso del primo shift register e` giusta.
I Reset mi pare vadano bene.
Invece e` sbagliata la distribuzione dei clock, probabilmente per errore grafico che poi hai ricopiato tante volte. Verifica anche il collegamento in cascata degli shift register.
Guarda il primissimo schema che avevo fatto, vedi che se si tirano meno fili e si usano i nomi dei segnali si capisce meglio.
E` anche possibile aprire i miei schemi con fidocad, e prendere i blocchi o i simboli che ti servono.
Ora devo scappare (cambio olio macchina e barbiere), questo w/e vedo se riesco a mettere giu` gli schemi.
Quando trovi i display che ti piacciono, 7 segmenti catodo comune, posta il link alle caratteristiche.
I Reset mi pare vadano bene.
Invece e` sbagliata la distribuzione dei clock, probabilmente per errore grafico che poi hai ricopiato tante volte. Verifica anche il collegamento in cascata degli shift register.
Guarda il primissimo schema che avevo fatto, vedi che se si tirano meno fili e si usano i nomi dei segnali si capisce meglio.
E` anche possibile aprire i miei schemi con fidocad, e prendere i blocchi o i simboli che ti servono.
Ora devo scappare (cambio olio macchina e barbiere), questo w/e vedo se riesco a mettere giu` gli schemi.
Quando trovi i display che ti piacciono, 7 segmenti catodo comune, posta il link alle caratteristiche.
Per usare proficuamente un simulatore, bisogna sapere molta più elettronica di lui
Plug it in - it works better!
Il 555 sta all'elettronica come Arduino all'informatica! (entrambi loro malgrado)
Se volete risposte rispondete a tutte le mie domande
Plug it in - it works better!
Il 555 sta all'elettronica come Arduino all'informatica! (entrambi loro malgrado)
Se volete risposte rispondete a tutte le mie domande
0
voti
[153] Re: Orologio a led
per i display li trovo il prima possibile con le caratteristiche più utili al nostro scopo sperando che si trovino in rete
perché invece i collegamenti con i Ck non vanno bene? tutti i Ck ovvero i Cka e i Ckb dei CD4015 non devono essere collegati tutti insieme?escluso ovviamente l'ultimo CD4015 in cui l'impostazione è diversa?
Provo a far funzionare un circuito con il primo shift register e l'ultimo e vedo come evolve la situazione.Ti tengo aggiornato sugli esperimenti
o meglio sulle prove.Il collegamento in cascata l'ho ripreso dal primo circuito che postasti che è nella prima pagina del post.Lo verificherò in ogni caso.
Ci sentiamo appena ho delle novità sul circuito e sui display
perché invece i collegamenti con i Ck non vanno bene? tutti i Ck ovvero i Cka e i Ckb dei CD4015 non devono essere collegati tutti insieme?escluso ovviamente l'ultimo CD4015 in cui l'impostazione è diversa?
Provo a far funzionare un circuito con il primo shift register e l'ultimo e vedo come evolve la situazione.Ti tengo aggiornato sugli esperimenti
Ci sentiamo appena ho delle novità sul circuito e sui display
0
voti
[154] Re: Orologio a led
Guarda il mio schema originale e il tuo, piedini 1 e 2.
Per usare proficuamente un simulatore, bisogna sapere molta più elettronica di lui
Plug it in - it works better!
Il 555 sta all'elettronica come Arduino all'informatica! (entrambi loro malgrado)
Se volete risposte rispondete a tutte le mie domande
Plug it in - it works better!
Il 555 sta all'elettronica come Arduino all'informatica! (entrambi loro malgrado)
Se volete risposte rispondete a tutte le mie domande
0
voti
[156] Re: Orologio a led
Adesso penso che vada tutto bene
0
voti
[157] Re: Orologio a led
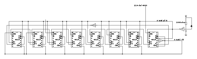
Si`, mi pare tutto giusto. Il circuito con porta invertente, R e C che generava il clock nei primi circuiti non serve piu`, adesso c'e` il 4060 e il quarzo.
Quasi quasi direi che possa iniziare a montare questa parte con gli 8 shift register. Ogni due integrati metti un condensatore da 100nF ceramico fra alimentazione positiva e alimentazione negativa, vicino agli integrati, e non far fare giri lunghi ai fili che portano piu` e meno agli integrati. A queste velocita` probabilmente non serve, ma porta bene :)
Prima di cominciare a collegare i componenti, fai una "piantina" di dove metterai gli integrati. Di solito e` piu` facile da montare e verificare se sono tutti orientati nella stessa direzione.
Suddividi l'area di montaggio fra blocchi che svolgono la stessa funzione. Ad esempio "in alto" potrebbero esserci gli 8 shift register, "in mezzo" il 4060, il 40106 e un paio di altri integrati che dovro` usare, e "in basso" i 2 o 4 integrati del contatore minuti/ore, e i 4 integrati 4511 di decodifica.
Visto che mi pare che voglia stare su una sola resistenza per ogni led, senza transistor, puoi mettere una resistenza da 1.5 kohm, come ti avevo detto.
Tutti i catodi dei led sono collegati insieme e vanno all'alimentazione negativa. Non collegare i catodi dove capita, collegali su una linea apposita che poi collegherai al negativo. Questo perche' su quella linea, prima di andare al negativo, ci mettero` un transistore per spegnere i led in caso di mancanza di corrente e per abbassarne la luminosita` di notte.
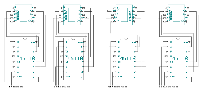
Quello che segue invece e` lo schema della decodifica dei display a 7 segmenti.
I display devono essere a catodo comune. Ho messo il primo simbolo di display a catodo comune che ho trovato, ma probabilmente userai degli altri display.
La cosa importante e` che ogni uscita dei 4511 con nome a,b,c,d,e,f,g deve essere collegata con una resistenza al corrispondente segmento dei display. Il valore della resistenza dipende dal display e da quanta luce vuoi avere. Anche questi display saranno attenuati di notte e spenti se manca energia elettrica.
Il display delle decine di minuti non e` collegato perche' deve essere montato capovolto. In questo modo si sfruttano i punti decimali dei display per avere due punti fra ore e minuti, tipo 22:35. I due punti in mezzo sono lampeggianti e probabilmente li lascero` lampeggiare anche se va via l'energia elettrica per indicare che l'orologio e` vivo.
Se non c'e` energia elettrica, e uno vuole proprio vedere l'ora, mettero` un pulsante che quando premuto accenda i numeri.
Il display delle decine di minuti non deve avere il collegamento fra uscita a del 4511 e il segmento a, altrimenti i numeri verrebbero capovolti. Devi guardare, quando monti il display al contrario, quale segmento prende il posto del "vecchio" segmento a (e cosi` via per tutti gli altri) e fare i nuovi collegamenti in modo che le cifre vengano dritte.
Alla sezione display arrivano i comandi delle varie cifre (ABCD, oppure ABC oppure AB). Le cifre delle unita` vanno da 0 a 9 e servono quindi 4 bit, le decine di minuti vanno da 0 a 5 e bastano tre bit, le cifre delle ore vanno da 0 a 2 e bastano due bit (A B).
Oltre a questi segnali, che vengono generati dai contatori, ce ne sono altri due, SP* che comanda lo spegnimento oppure l'attenuazione del display e BLI che comanda il lampeggio dei due punti centrali.
BLI sara` generato con un transistorino collegato al 4060, le resistenze di BLI da determinare appena scegli che display mettere. Il segnale SP* invece sara` generato da un po' di porte logiche messe vicine al 4040.
Comunque per adesso hai questi compiti:
Preparare la piantina di montaggio (si chiama layout). Nel layout basta indicare la posizione degli integrati con il loro nome (oltre alla sigla), ad esempio IC1, IC2... Poi riporta nello schema i nomi degli integrati (se noti nel mio primo schema avevo gia` cominciato a mettere un numero agli integrati, ora bisogna fare le cose per bene). Nello schema devi mettere anche i numeri dei piedini dell'inverter. Finora avevo lasciato che li scegliessi come credevi, ora ho bisogno di sapere quali hai usato e dove, perche' potrebbero servirmi gli inverter non usati, e potrei dovermi collegare agli inverter gia` in uso, e ho bisogno di sapere dove hai collegato che cosa.
Questo perche' piu` avanti avro` bisogno di collegare dei fili agli shift register e al 4060.
Poi devi montare gli shift register, i led, il 4060 e sperare di non fare troppi errori. Se vuoi provare su alcuni led a mettere una resistenza da 1kohm o da 1.2kohm per avere piu` luce, montale, ma poi devi misurare la tensione sulla resistenza e all'uscita del 4015 come avevi gia` fatto in passato, per vedere se gli integrati ce la fanno.
Dal punto di vista di progetto professionale la resistenza minima e` di 1.5kohm, ma per un progetto hobbistico si puo` anche tirare un po' per il collo l'integrato, andando oltre le sue specifiche.
Poi devi cercare i display, comprare i 4511, studiare i data sheet, finire i collegamenti delle decine di minuti... ed eventualmente cominciare a montare anche questa parte di decodifica e display numerici. Decodifica e display si possono provare anche senza contatori.
I contatori un'altra volta, adesso devo studiare greco, che domani mi interroga.
Nel montaggio ricorda di mettere ogni due o tre integrati un condensatore ceramico da 100nF sui piedini di alimentazione, e un elettrolitico da 10 uF, sempre in parallelo all'alimentazione, dove arrivi sulla scheda con l'alimentatore esterno.
Infine chiedi al tuo negoziante se ha delle fotoresistenze, che sigla e valore hanno.
Quasi quasi direi che possa iniziare a montare questa parte con gli 8 shift register. Ogni due integrati metti un condensatore da 100nF ceramico fra alimentazione positiva e alimentazione negativa, vicino agli integrati, e non far fare giri lunghi ai fili che portano piu` e meno agli integrati. A queste velocita` probabilmente non serve, ma porta bene :)
Prima di cominciare a collegare i componenti, fai una "piantina" di dove metterai gli integrati. Di solito e` piu` facile da montare e verificare se sono tutti orientati nella stessa direzione.
Suddividi l'area di montaggio fra blocchi che svolgono la stessa funzione. Ad esempio "in alto" potrebbero esserci gli 8 shift register, "in mezzo" il 4060, il 40106 e un paio di altri integrati che dovro` usare, e "in basso" i 2 o 4 integrati del contatore minuti/ore, e i 4 integrati 4511 di decodifica.
Visto che mi pare che voglia stare su una sola resistenza per ogni led, senza transistor, puoi mettere una resistenza da 1.5 kohm, come ti avevo detto.
Tutti i catodi dei led sono collegati insieme e vanno all'alimentazione negativa. Non collegare i catodi dove capita, collegali su una linea apposita che poi collegherai al negativo. Questo perche' su quella linea, prima di andare al negativo, ci mettero` un transistore per spegnere i led in caso di mancanza di corrente e per abbassarne la luminosita` di notte.
Quello che segue invece e` lo schema della decodifica dei display a 7 segmenti.
I display devono essere a catodo comune. Ho messo il primo simbolo di display a catodo comune che ho trovato, ma probabilmente userai degli altri display.
La cosa importante e` che ogni uscita dei 4511 con nome a,b,c,d,e,f,g deve essere collegata con una resistenza al corrispondente segmento dei display. Il valore della resistenza dipende dal display e da quanta luce vuoi avere. Anche questi display saranno attenuati di notte e spenti se manca energia elettrica.
Il display delle decine di minuti non e` collegato perche' deve essere montato capovolto. In questo modo si sfruttano i punti decimali dei display per avere due punti fra ore e minuti, tipo 22:35. I due punti in mezzo sono lampeggianti e probabilmente li lascero` lampeggiare anche se va via l'energia elettrica per indicare che l'orologio e` vivo.
Se non c'e` energia elettrica, e uno vuole proprio vedere l'ora, mettero` un pulsante che quando premuto accenda i numeri.
Il display delle decine di minuti non deve avere il collegamento fra uscita a del 4511 e il segmento a, altrimenti i numeri verrebbero capovolti. Devi guardare, quando monti il display al contrario, quale segmento prende il posto del "vecchio" segmento a (e cosi` via per tutti gli altri) e fare i nuovi collegamenti in modo che le cifre vengano dritte.
Alla sezione display arrivano i comandi delle varie cifre (ABCD, oppure ABC oppure AB). Le cifre delle unita` vanno da 0 a 9 e servono quindi 4 bit, le decine di minuti vanno da 0 a 5 e bastano tre bit, le cifre delle ore vanno da 0 a 2 e bastano due bit (A B).
Oltre a questi segnali, che vengono generati dai contatori, ce ne sono altri due, SP* che comanda lo spegnimento oppure l'attenuazione del display e BLI che comanda il lampeggio dei due punti centrali.
BLI sara` generato con un transistorino collegato al 4060, le resistenze di BLI da determinare appena scegli che display mettere. Il segnale SP* invece sara` generato da un po' di porte logiche messe vicine al 4040.
Comunque per adesso hai questi compiti:
Preparare la piantina di montaggio (si chiama layout). Nel layout basta indicare la posizione degli integrati con il loro nome (oltre alla sigla), ad esempio IC1, IC2... Poi riporta nello schema i nomi degli integrati (se noti nel mio primo schema avevo gia` cominciato a mettere un numero agli integrati, ora bisogna fare le cose per bene). Nello schema devi mettere anche i numeri dei piedini dell'inverter. Finora avevo lasciato che li scegliessi come credevi, ora ho bisogno di sapere quali hai usato e dove, perche' potrebbero servirmi gli inverter non usati, e potrei dovermi collegare agli inverter gia` in uso, e ho bisogno di sapere dove hai collegato che cosa.
Questo perche' piu` avanti avro` bisogno di collegare dei fili agli shift register e al 4060.
Poi devi montare gli shift register, i led, il 4060 e sperare di non fare troppi errori. Se vuoi provare su alcuni led a mettere una resistenza da 1kohm o da 1.2kohm per avere piu` luce, montale, ma poi devi misurare la tensione sulla resistenza e all'uscita del 4015 come avevi gia` fatto in passato, per vedere se gli integrati ce la fanno.
Dal punto di vista di progetto professionale la resistenza minima e` di 1.5kohm, ma per un progetto hobbistico si puo` anche tirare un po' per il collo l'integrato, andando oltre le sue specifiche.
Poi devi cercare i display, comprare i 4511, studiare i data sheet, finire i collegamenti delle decine di minuti... ed eventualmente cominciare a montare anche questa parte di decodifica e display numerici. Decodifica e display si possono provare anche senza contatori.
I contatori un'altra volta, adesso devo studiare greco, che domani mi interroga.
Nel montaggio ricorda di mettere ogni due o tre integrati un condensatore ceramico da 100nF sui piedini di alimentazione, e un elettrolitico da 10 uF, sempre in parallelo all'alimentazione, dove arrivi sulla scheda con l'alimentatore esterno.
Infine chiedi al tuo negoziante se ha delle fotoresistenze, che sigla e valore hanno.
Per usare proficuamente un simulatore, bisogna sapere molta più elettronica di lui
Plug it in - it works better!
Il 555 sta all'elettronica come Arduino all'informatica! (entrambi loro malgrado)
Se volete risposte rispondete a tutte le mie domande
Plug it in - it works better!
Il 555 sta all'elettronica come Arduino all'informatica! (entrambi loro malgrado)
Se volete risposte rispondete a tutte le mie domande
0
voti
[158] Re: Orologio a led
Nel caso fosse necessario comprare il clock da quanti MHz mi serve?? mi serve in Mega hertz perché il venditore insisteva sulla frequenza espressa in MHz
Immagino che questa domanda non piaccia per niente a Isidoro, perché te l'ha già indicata in kHz !!!! Non è bello che tu non sappia come convertire i kHz in MHz, visto che kilo = 10^3 e Mega = 10^6 ...
I quarzi degli orologi "normali" hanno una frequenza di 32768 Hz = 32,768 kHz = 0,032768 MHz
(come vedi ho usato la virgola come separatore decimale, e non il punto, che è anglosassone)
Strano che il tuo venditore non conosca la frequenza per "orologi da polso"! Questa frequenza è tra le più basse realizzabili con quarzo (in piccole dimensioni) ed è comoda perché è una potenza di 2, quindi facilmente divisibile con un semplice divisore binario.
Buono studio!
-

clavicordo
20,7k 6 11 12 - G.Master EY

- Messaggi: 1238
- Iscritto il: 4 mar 2011, 14:10
- Località: Siena
0
voti
[159] Re: Orologio a led
Isidoro grazie davvero per tutto il lavoro che stai facendo per me,non so davvero come ringraziarti!
Prima che inizi il lavoro da te richiesto potresti dirmi gentilmente dove posso preparare il layout? C'è un programma specifico oppure uso sempre fidocad?
Prima che inizi il lavoro da te richiesto potresti dirmi gentilmente dove posso preparare il layout? C'è un programma specifico oppure uso sempre fidocad?
0
voti
[160] Re: Orologio a led
Isidoro ho continuato la mia ricerca per quanto riguarda i display. Ho pensato che avendo dei led che fanno da corona all'orologio,che sarebbero quei led che conteggiano i secondi, se sarebbe più carino utilizzare dei Display a matrice Led.
Il colore ho deciso per il verde perché il blu o lo trovo ad anodo comune o i prezzi sono esagerati.
Posto sia i display a 7 segmenti che i display a matrice led che ho visto con le loro relative caratteristiche in modo che potrai consigliarmi meglio e sapremo scegliere quale è il migliore in base alle nostre esigenze.
Il colore ho deciso per il verde perché il blu o lo trovo ad anodo comune o i prezzi sono esagerati.
Posto sia i display a 7 segmenti che i display a matrice led che ho visto con le loro relative caratteristiche in modo che potrai consigliarmi meglio e sapremo scegliere quale è il migliore in base alle nostre esigenze.
Chi c’è in linea
Visitano il forum: Nessuno e 62 ospiti

Elettrotecnica e non solo (admin)
Un gatto tra gli elettroni (IsidoroKZ)
Esperienza e simulazioni (g.schgor)
Moleskine di un idraulico (RenzoDF)
Il Blog di ElectroYou (webmaster)
Idee microcontrollate (TardoFreak)
PICcoli grandi PICMicro (Paolino)
Il blog elettrico di carloc (carloc)
DirtEYblooog (dirtydeeds)
Di tutto... un po' (jordan20)
AK47 (lillo)
Esperienze elettroniche (marco438)
Telecomunicazioni musicali (clavicordo)
Automazione ed Elettronica (gustavo)
Direttive per la sicurezza (ErnestoCappelletti)
EYnfo dall'Alaska (mir)
Apriamo il quadro! (attilio)
H7-25 (asdf)
Passione Elettrica (massimob)
Elettroni a spasso (guidob)
Bloguerra (guerra)



