Riguardo al pilotaggio dei mosfet vedrò di provare la configurazione a mezzo ponte cercando anche di ottenere una risposta più rapida.
La sezione di misura l' ho pensata io e sospettavo che potessero esservi degli errori, alla luce di quanto hai detto vedrò di aggiornarla per eliminare lo zener. Ho però un dubbio di fondo, è lecito quello che sto cercando di fare ? Ovvero se prendo un segnale come quello ai capi dello shunt (foto a pagina 16) posso amplificare soltanto la sua "parte alta" cioè quella che va da 40mV in su ?
Ciao
David
Progetto elettroutensile a batteria
Moderatori:
carloc,
g.schgor,
BrunoValente,
IsidoroKZ
1
voti
Non ti preoccupare, non mi abbatto facilmente, fortunatamente ho la testa dura! Riprendo in mano la teoria sugli amplificatori differenziali, vedo di capire come funziona il monitoraggio della corrente sullo shunt e cerco di trovare un' integrato adatto.
Però non capisco una cosa, perché mi consigli di fare lo zero ad ogni start ciclo ? Il motivo è legato allo scambio del relè che ad ogni chiusura varia la resistenza di contatto oppure è da ricercare altrove ?
Un' ultima domanda poi prometto di "lasciarti stare", in un vecchio post mi fu suggerito di lavorare sul circuito di pilotaggio mosfet per ridurre i tempi di commutazione. Ci ho lavorato a lungo ma la mancanza di esperienza mi impedisce di capire quali siano i limiti. Al momento i tempi sono quelli fotografati in fondo a pagina 16, comunque il tempo di chiusura è all' incirca di 30uS mentre quello di apertura si aggira sui 120uS.
Potresti per cortesia darmi un' indicazione (anche spannometrica) sulle tempistiche che potrei ottenere utilizzando come pilotaggio il trasformatore d' impulso ?
Ciao e ancora grazie!
David
Però non capisco una cosa, perché mi consigli di fare lo zero ad ogni start ciclo ? Il motivo è legato allo scambio del relè che ad ogni chiusura varia la resistenza di contatto oppure è da ricercare altrove ?
Un' ultima domanda poi prometto di "lasciarti stare", in un vecchio post mi fu suggerito di lavorare sul circuito di pilotaggio mosfet per ridurre i tempi di commutazione. Ci ho lavorato a lungo ma la mancanza di esperienza mi impedisce di capire quali siano i limiti. Al momento i tempi sono quelli fotografati in fondo a pagina 16, comunque il tempo di chiusura è all' incirca di 30uS mentre quello di apertura si aggira sui 120uS.
Potresti per cortesia darmi un' indicazione (anche spannometrica) sulle tempistiche che potrei ottenere utilizzando come pilotaggio il trasformatore d' impulso ?
Ciao e ancora grazie!
David
1
voti
Che dire...... se la metti così non mi rimane che "approfittarne"! Ti ringrazio!
Andando per ordine mi piacerebbe capire come poter migliorare la velocità di commutazione dei mosfet o meglio cosa ci sia di sbagliato nella mia configurazione. Ti confermo che quelli indicati precedentemente (30 e 120uS) sono i valori reali e che i mosfet si scaldano veramente poco. A fine ciclo sono appena tiepidi, avevo infatti pensato di poter eliminare il dissipatore. Questi tempi però limitano molto la possibilità di aumentare la frequenza del PWM, a programma infatti potrei salire parecchio ma già a 4-5 kHz i ritardi legati allo switch dei mosfet mi introducono delle complicazioni che falsano pesantemente i rapporti Ton/Toff calcolati dal microcontrollore.
Ti posto lo schema elettrico della sezione di pilotaggio con i valori reali dei componenti aggiornato ad oggi stesso:
qui c'è lo schema a risoluzione più alta: Schema
Qui se servono i link diretti ai datasheet dei componenti utilizzati:
Mosfet STP100NF04
Transistor PNP PBSS302PZ
Transistor NPN PBSS302NZ
Diodi ricircolo PMLL4448
Diodi raddrizzatori LS103B
Stavo rilevando gli oscillogrammi nei punti più interessanti (preferisco che tu possa riferirti a dati certi piuttosto che alle mie conclusioni) ma si è scaricata la batteria, domani a carica ultimata provvedo a concludere.
Ciao
David
Andando per ordine mi piacerebbe capire come poter migliorare la velocità di commutazione dei mosfet o meglio cosa ci sia di sbagliato nella mia configurazione. Ti confermo che quelli indicati precedentemente (30 e 120uS) sono i valori reali e che i mosfet si scaldano veramente poco. A fine ciclo sono appena tiepidi, avevo infatti pensato di poter eliminare il dissipatore. Questi tempi però limitano molto la possibilità di aumentare la frequenza del PWM, a programma infatti potrei salire parecchio ma già a 4-5 kHz i ritardi legati allo switch dei mosfet mi introducono delle complicazioni che falsano pesantemente i rapporti Ton/Toff calcolati dal microcontrollore.
Ti posto lo schema elettrico della sezione di pilotaggio con i valori reali dei componenti aggiornato ad oggi stesso:
qui c'è lo schema a risoluzione più alta: Schema
Qui se servono i link diretti ai datasheet dei componenti utilizzati:
Mosfet STP100NF04
Transistor PNP PBSS302PZ
Transistor NPN PBSS302NZ
Diodi ricircolo PMLL4448
Diodi raddrizzatori LS103B
Stavo rilevando gli oscillogrammi nei punti più interessanti (preferisco che tu possa riferirti a dati certi piuttosto che alle mie conclusioni) ma si è scaricata la batteria, domani a carica ultimata provvedo a concludere.
Ciao
David
1
voti
Purtroppo non ho la possibilità di collegare l' oscilloscopio al computer e quindi le tracce riesco soltanto a fotografartele. Per il momento ho provato a rilevare quello che mi hai chiesto, fammi sapere se può andarti bene. Considera che le misure sono state effettuate sul mosfet basso, le pinze erano tutte collegate a massa e ID è stata ottenuta facendo una misura differenziale ai capi dello shunt. Questo è il risultato non so se le tracce sono sufficientemente chiare:
La traccia più alta rappresenta ID, l' amplificazione verticale è impostata a 200mV/div lo shunt ha una resistenza di 0.005ohm quindi se non sbaglio la corrente dovrebbe valere 40A/div.
La traccia 3 rappresenta VGS, l' amplificazione verticale è settata per questo canale a 5V/div
La traccia 4 rappresenta VDS, l' amplificazione verticale è settata per questo canale a 5V/div
Fammi sapere se ho inteso bene oppure ho commesso qualche errore.
Ciao e grazie!
David
La traccia più alta rappresenta ID, l' amplificazione verticale è impostata a 200mV/div lo shunt ha una resistenza di 0.005ohm quindi se non sbaglio la corrente dovrebbe valere 40A/div.
La traccia 3 rappresenta VGS, l' amplificazione verticale è settata per questo canale a 5V/div
La traccia 4 rappresenta VDS, l' amplificazione verticale è settata per questo canale a 5V/div
Fammi sapere se ho inteso bene oppure ho commesso qualche errore.
Ciao e grazie!
David
1
voti
vorrei essere molto più attivo ma il lavoro in questo periodo è intenso. Questa sera appena arrivo a casa provo a calcolare l' energia dissipata per ogni ciclo dei mosfet, se non dovessi riuscirci ti invio gli oscillogrammi più dettagliati.
Ieri sera rifacendomi ai tuoi valori di chiusura ed apertura dei mosfet (3 e 4 uS) ho cercato di capire come ridurre i miei drastici 39 e 120 uS. Ho fatto svariate prove cercando di ottenere il risultato migliore ed ho notato alcune cose interessanti che però non mi spiego.
Come prima operazione ho abbassato la resistenza tra gate e source portandola da 4,7Kohm a 1Kohm rilevando un netto miglioramento sul tempo di apertura che passa da 120 a 28 us . Questo valore di resistenza però ha lo svantaggio caricare troppo i secondari del trasformatore che quindi in fase di chiusura risultano più lenti. Per ovviare ho ridotto la frequenza di pilotaggio al primario portandola da 555KHz a "soli" 330KHz (il nucleo non satura nemmeno a questa frequenza) questo mi permette un maggior trasferimento di potenza tra primario e secondario che giova al tempo di chiusura del mosfet.
Per fartela breve sono riuscito ad ottenere un tempo di chiusura di 10us ed un tempo di apertura di 28us, effettivamente come avevi previsto i mosfet scaldano ancora meno tanto che ora a fine ciclo sono praticamente a temperatura ambiente.
E' sorto però un nuovo problema che non mi riesco a spiegare: come ho detto precedentemente posso modificare attraverso il microcontrollore il duty cycle del PWM che pilota i mosfet variando il Ton dall' 1% al 99%. Finché il Ton è basso cioè (Ton < 40%) tutto funziona alla perfezione mentre superato tale valore si nota che la tensione tra gate e source cala in modo evidente fino a quando in prossimità del Ton 80% la tensione scende abbondantemente sotto al valore di soglia Vgs(th) che è di circa 4V. Chiaramente questo comporta l' apertura dei mosfet con conseguente azzeramento della corrente che scorre nel carico.
Io mi sono fatto varie ipotesi sul perché di questo fenomeno ma in realtà nessuna mi convince. Sperando di essere stato sufficientemente chiaro nell' esposizione volevo chiederti se gentilmente potresti darmi qualche suggerimento in merito, cioè dove devo intervenire per ovviare questa conseguenza?
Ti ringrazio!
Ciao
David
Ieri sera rifacendomi ai tuoi valori di chiusura ed apertura dei mosfet (3 e 4 uS) ho cercato di capire come ridurre i miei drastici 39 e 120 uS. Ho fatto svariate prove cercando di ottenere il risultato migliore ed ho notato alcune cose interessanti che però non mi spiego.
Come prima operazione ho abbassato la resistenza tra gate e source portandola da 4,7Kohm a 1Kohm rilevando un netto miglioramento sul tempo di apertura che passa da 120 a 28 us . Questo valore di resistenza però ha lo svantaggio caricare troppo i secondari del trasformatore che quindi in fase di chiusura risultano più lenti. Per ovviare ho ridotto la frequenza di pilotaggio al primario portandola da 555KHz a "soli" 330KHz (il nucleo non satura nemmeno a questa frequenza) questo mi permette un maggior trasferimento di potenza tra primario e secondario che giova al tempo di chiusura del mosfet.
Per fartela breve sono riuscito ad ottenere un tempo di chiusura di 10us ed un tempo di apertura di 28us, effettivamente come avevi previsto i mosfet scaldano ancora meno tanto che ora a fine ciclo sono praticamente a temperatura ambiente.
E' sorto però un nuovo problema che non mi riesco a spiegare: come ho detto precedentemente posso modificare attraverso il microcontrollore il duty cycle del PWM che pilota i mosfet variando il Ton dall' 1% al 99%. Finché il Ton è basso cioè (Ton < 40%) tutto funziona alla perfezione mentre superato tale valore si nota che la tensione tra gate e source cala in modo evidente fino a quando in prossimità del Ton 80% la tensione scende abbondantemente sotto al valore di soglia Vgs(th) che è di circa 4V. Chiaramente questo comporta l' apertura dei mosfet con conseguente azzeramento della corrente che scorre nel carico.
Io mi sono fatto varie ipotesi sul perché di questo fenomeno ma in realtà nessuna mi convince. Sperando di essere stato sufficientemente chiaro nell' esposizione volevo chiederti se gentilmente potresti darmi qualche suggerimento in merito, cioè dove devo intervenire per ovviare questa conseguenza?
Ti ringrazio!
Ciao
David
1
voti
Adesso vado a controllare meglio; da quello che mi è sembrato ieri però la tensione stabilizzata a 3,3V cala di poco (circa 200mV) mentre la forma d' onda al primario si mantiene pressoché identica a meno del valore di picco che ovviamente segue le vicende della tensione di alimentazione.
Dalle varie misurazioni mi è parso che sia il mosfet ad assorbire più corrente al gate quando il Ton aumenta, il trasformatore si trova quindi sovraccarico e si "siede" facendo calare la tensione d' uscita.
E' possibile questa ipotesi oppure è soltanto frutto della mia fantasia ?
Ciao e grazie!
David
Dalle varie misurazioni mi è parso che sia il mosfet ad assorbire più corrente al gate quando il Ton aumenta, il trasformatore si trova quindi sovraccarico e si "siede" facendo calare la tensione d' uscita.
E' possibile questa ipotesi oppure è soltanto frutto della mia fantasia ?
Ciao e grazie!
David
1
voti
Ciao a tutti,
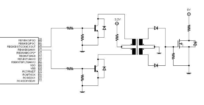
ho fatto tutti i controlli necessari ed ho visto che il calo di tensione Vgs è determinato dal ponte ad H. Sondando il segnale ai capi del primario infatti la tensione picco-picco scende da 6,3 (Ton 10%) a 5,2V (Ton 90%). Mi sono poi reso conto di alcuni aspetti che erano stati trascurati nella scelta dei componenti ed ho quindi deciso di rifare la parte di pilotaggio mosfet anche in seguito al suggerimento di utilizzare la configurazione a mezzo ponte.
Questo sarebbe lo schema relativo al pilotaggio di un solo mosfet di potenza, in pratica ne verranno realizzati due identici:
Vorrei sapere se a livello teorico quanto disegnato è corretto oppure se sia il caso di modificarlo per migliorarne le prestazioni. Il mio dubbio principale riguarda i due semiconduttori che alimentano gli avvolgimenti primari, è meglio usare dei fet oppure dei BJT.... io credo i primi ma non ne sono certo.
ho fatto tutti i controlli necessari ed ho visto che il calo di tensione Vgs è determinato dal ponte ad H. Sondando il segnale ai capi del primario infatti la tensione picco-picco scende da 6,3 (Ton 10%) a 5,2V (Ton 90%). Mi sono poi reso conto di alcuni aspetti che erano stati trascurati nella scelta dei componenti ed ho quindi deciso di rifare la parte di pilotaggio mosfet anche in seguito al suggerimento di utilizzare la configurazione a mezzo ponte.
Questo sarebbe lo schema relativo al pilotaggio di un solo mosfet di potenza, in pratica ne verranno realizzati due identici:
Vorrei sapere se a livello teorico quanto disegnato è corretto oppure se sia il caso di modificarlo per migliorarne le prestazioni. Il mio dubbio principale riguarda i due semiconduttori che alimentano gli avvolgimenti primari, è meglio usare dei fet oppure dei BJT.... io credo i primi ma non ne sono certo.
1
voti
Dunque, questo pilotaggio non l' ho ancora realizzato, stavo cercando di capire come costruirlo nel migliore dei modi.
Come mosfet avevo visto questi che hanno una Vgs(th) di 1,2V. Per la tensione di alimentazione del primario ci avevo pensato anch' io poi ho preferito scartarla per evitare che le fluttuazioni legate allo switch dei mosfet di potenza potessero generarmi dei disturbi sul pilotaggio. I BJT utilizzati sul ponte intero erano dei low Vcesat, misurando la caduta di tensione risulta di soli 0,3V. Ho però avuto parecchi problemi di transitorio, la prima versione infatti era talmente lenta che l' alimentazione veniva cortocircuitata e l' assorbimento del ponte saliva a valori stellari (circa 1A). La versione in uso ora invece ha assorbimenti più che ragionevoli (circa 150 mA) ma presenta lo stesso inconveniente anche se in modo ridotto, i BJT non lavorano alla perfezione ed i segnali (a 555KHz) non presentano dei fronti di salita e discesa sufficientemente ripidi........ forse sotto questo punto di vista i mosfet sarebbero migliori. Sbaglio?
Infine ho definitivamente sostituito lo stabilizzatore adottando l' LDO03. Anche se più costoso si comporta egregiamente, i 3,3 volt d' uscita rimangono inalterati indipendentemente dal carico e dallo stato di carica dell' accumulatore. Da datasheet la corrente massima prelevabile di 3A non dovrebbe quindi risentire particolarmente della corrente richiesta dai trasformatori.
Come mosfet avevo visto questi che hanno una Vgs(th) di 1,2V. Per la tensione di alimentazione del primario ci avevo pensato anch' io poi ho preferito scartarla per evitare che le fluttuazioni legate allo switch dei mosfet di potenza potessero generarmi dei disturbi sul pilotaggio. I BJT utilizzati sul ponte intero erano dei low Vcesat, misurando la caduta di tensione risulta di soli 0,3V. Ho però avuto parecchi problemi di transitorio, la prima versione infatti era talmente lenta che l' alimentazione veniva cortocircuitata e l' assorbimento del ponte saliva a valori stellari (circa 1A). La versione in uso ora invece ha assorbimenti più che ragionevoli (circa 150 mA) ma presenta lo stesso inconveniente anche se in modo ridotto, i BJT non lavorano alla perfezione ed i segnali (a 555KHz) non presentano dei fronti di salita e discesa sufficientemente ripidi........ forse sotto questo punto di vista i mosfet sarebbero migliori. Sbaglio?
Infine ho definitivamente sostituito lo stabilizzatore adottando l' LDO03. Anche se più costoso si comporta egregiamente, i 3,3 volt d' uscita rimangono inalterati indipendentemente dal carico e dallo stato di carica dell' accumulatore. Da datasheet la corrente massima prelevabile di 3A non dovrebbe quindi risentire particolarmente della corrente richiesta dai trasformatori.
1
voti
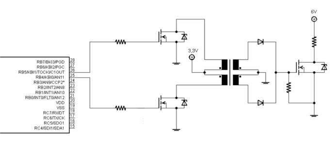
Perfetto! Vada allora per i transistor (PBSS302NZ).
Pensavo a questa soluzione:
La tensione di alimentazione del primario vorrei mantenerla 3,3V per evitare spiacevoli sorprese. Se però i rischi passando alla 6V non sono particolari allora mi rimetto più che volentieri alla tua esperienza...
Grazie!
P.S.
Per l' effetto Miller vedo di documentarmi, non lo conoscevo. Per quanto riguarda la bassa tensione Vgs non avevo preso in considerazione l' aspetto di scarica del gate e mi sa proprio che l' avrei pagata cara!
Pensavo a questa soluzione:
La tensione di alimentazione del primario vorrei mantenerla 3,3V per evitare spiacevoli sorprese. Se però i rischi passando alla 6V non sono particolari allora mi rimetto più che volentieri alla tua esperienza...
Grazie!
P.S.
Per l' effetto Miller vedo di documentarmi, non lo conoscevo. Per quanto riguarda la bassa tensione Vgs non avevo preso in considerazione l' aspetto di scarica del gate e mi sa proprio che l' avrei pagata cara!
Chi c’è in linea
Visitano il forum: Nessuno e 110 ospiti

Elettrotecnica e non solo (admin)
Un gatto tra gli elettroni (IsidoroKZ)
Esperienza e simulazioni (g.schgor)
Moleskine di un idraulico (RenzoDF)
Il Blog di ElectroYou (webmaster)
Idee microcontrollate (TardoFreak)
PICcoli grandi PICMicro (Paolino)
Il blog elettrico di carloc (carloc)
DirtEYblooog (dirtydeeds)
Di tutto... un po' (jordan20)
AK47 (lillo)
Esperienze elettroniche (marco438)
Telecomunicazioni musicali (clavicordo)
Automazione ed Elettronica (gustavo)
Direttive per la sicurezza (ErnestoCappelletti)
EYnfo dall'Alaska (mir)
Apriamo il quadro! (attilio)
H7-25 (asdf)
Passione Elettrica (massimob)
Elettroni a spasso (guidob)
Bloguerra (guerra)
