
OROLOGIO DIGITALE SENZA PIC
Moderatori:
carloc,
g.schgor,
BrunoValente,
IsidoroKZ
0
voti
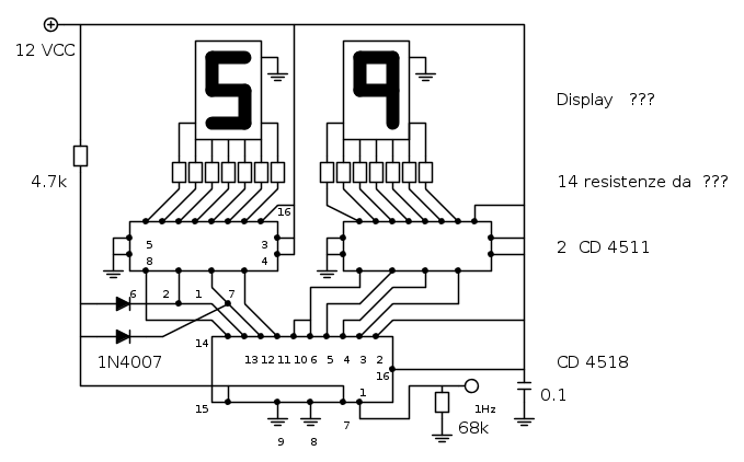
la resistenza in serie che va da pin 16 ai pin7/15 da quanto deve essere? 

-

carlomusumeci
353 5 7 - Sostenitore

- Messaggi: 526
- Iscritto il: 8 apr 2011, 0:35
0
voti
La resistenza e' da 4.7K.
Per il resto, sto pensando a come il circuito possa funzionare in quella condizione.
Speriamo che qualcuno ci illumini in proposito.
Per il resto, sto pensando a come il circuito possa funzionare in quella condizione.
Speriamo che qualcuno ci illumini in proposito.
0
voti
Per Carlo:
per farti vedere che cosa resta ancora da fare, trasmetto in allegato le foto di cui avevo fatto menzione.
http://imageshack.us/g/836/031ysi.jpg/
Ecco come si presenta uno dei miei orologi, costruito circa 20 anni fa.
Nella prima, le schede smontate (di un altro prototipo).
In quelle a destra si notano in superficie dei ponticelli che ho dovuto inserire per evitare incroci nelle connessioni.
In una delle schede(non so se si riesce a vedere)alcune delle connessioni sono state fatte anche al disotto degli zoccoli(ho tolto deu delle 7490 per farlo vedere).
Dalle altre puoi farti un idea di come eseguire il montaggio all'interno di un contenitore ed il cablaggio dei collegamenti.
Fammi sapere cosa ne pensi e fammi pure le domande che ritieni opportune.
Per Rusty: spero che siano ben visibili; io ha fatto il possibile ma, come ti ho detto, non sono pratico in materia.

per farti vedere che cosa resta ancora da fare, trasmetto in allegato le foto di cui avevo fatto menzione.
http://imageshack.us/g/836/031ysi.jpg/
Ecco come si presenta uno dei miei orologi, costruito circa 20 anni fa.
Nella prima, le schede smontate (di un altro prototipo).
In quelle a destra si notano in superficie dei ponticelli che ho dovuto inserire per evitare incroci nelle connessioni.
In una delle schede(non so se si riesce a vedere)alcune delle connessioni sono state fatte anche al disotto degli zoccoli(ho tolto deu delle 7490 per farlo vedere).
Dalle altre puoi farti un idea di come eseguire il montaggio all'interno di un contenitore ed il cablaggio dei collegamenti.
Fammi sapere cosa ne pensi e fammi pure le domande che ritieni opportune.
Per Rusty: spero che siano ben visibili; io ha fatto il possibile ma, come ti ho detto, non sono pratico in materia.

0
voti
è davvero molto ben fatto...la predisposizione dei componenti e per lo meno per come ho in mente di farlo...
Sono bellli quei diplay...sono piu grandi di quelli classici...e come contenitore cosa ha usato?
Sono bellli quei diplay...sono piu grandi di quelli classici...e come contenitore cosa ha usato?
-

carlomusumeci
353 5 7 - Sostenitore

- Messaggi: 526
- Iscritto il: 8 apr 2011, 0:35
0
voti
Prima di tutto, sul forum il lei e' abolito! E poi mi fa sentire piu' vecchio di quello che sono.
Il contenitore e' anch'esso autocostruito. Le pareti laterali sono in legno e su di esse, in alto e in basso, ho fissato due assicelle, sempre in legno, su cui sono avvitate le parti superiore ed inferiore che sono fogli di plastica bianca.
Davanti ai display ho creato una maschera di cartoncino nero e, davanti, plastica trasparente.
La parte posteriore (sempre di plastica bianca) e' fissata con due staffette a 90° alle pareti laterali.
Infine ho verniciato in bianco lucido le parti in legno.
I display sono simili a questi : http://it.rs-online.com/web/search/sear ... &R=4516559 (quelli che ho adoperato io, costavano allora 12.000 lire l'uno e sono fuori produzione).
Il contenitore e' anch'esso autocostruito. Le pareti laterali sono in legno e su di esse, in alto e in basso, ho fissato due assicelle, sempre in legno, su cui sono avvitate le parti superiore ed inferiore che sono fogli di plastica bianca.
Davanti ai display ho creato una maschera di cartoncino nero e, davanti, plastica trasparente.
La parte posteriore (sempre di plastica bianca) e' fissata con due staffette a 90° alle pareti laterali.
Infine ho verniciato in bianco lucido le parti in legno.
I display sono simili a questi : http://it.rs-online.com/web/search/sear ... &R=4516559 (quelli che ho adoperato io, costavano allora 12.000 lire l'uno e sono fuori produzione).
0
voti
marco438 ha scritto:E' la stessa cosa che ho pensato io. Diodi rovesciati?
Sono le capacita` parassite grandi e non lineari che fanno funzionare (si fa per dire) il circuito. I diodi sono dei 4007, con una ampia area di giunzione, e quindi capacita` elevata. Quando le due uscite sono una alta l'altra bassa, il reset e` tenuto basso. Il diodo polarizzato in inversa (quello collegato all'uscita alta) ha una capacita` piu` piccola dell'altro con tensione quasi nulla ai suoi capi.
Quando anche l'altra uscita va alta, si ha un partitore capacitivo fra il diodo la cui uscita va alta, l'altro diodo, e le capacita` degli ingressi.
Essendo diodi grandi, uno con una decina di volt in inversa si ha che le capacita` di ingresso e quella dei diodo in inversa sono comunque mediamente piu` piccole di quello con uscita che va da L ad H, e quindi il partitore capacitivo fa passare piu` di mezza variazioni di tensione sul piedino di reset. Bisognerebbe fare un disegno, ma e` troppo tardi
Per usare proficuamente un simulatore, bisogna sapere molta più elettronica di lui
Plug it in - it works better!
Il 555 sta all'elettronica come Arduino all'informatica! (entrambi loro malgrado)
Se volete risposte rispondete a tutte le mie domande
Plug it in - it works better!
Il 555 sta all'elettronica come Arduino all'informatica! (entrambi loro malgrado)
Se volete risposte rispondete a tutte le mie domande
0
voti
Per Carlo : Considerato quanto espresso da Isidoro e vista la precarieta' del circuito da te adottato, consiglierei di tornare allo schema originale; quindi, se ancora non lo hai fatto, provalo.
0
voti
Grazie Isidoro dei questa delucidazione, tutto stavo pensando tranne che alla capacità della giunzione... fossero stati dei MOS l'avrei accettato volentieri, ma da un "piccolo" diodo mai
Mi chiedo quanto sia affidabile questo meccanismo, ovvero se accade sempre e ci si puo' contare, oppure è un effetto parassita "precario" sul quale bisogna stare attenti
Qui ci vorrebbe RenzoDF con una bella simulazione ltspice, lui riuscirebbe senza fatica a modellare il dispositivo e farci vedere l'uscita
Mi chiedo quanto sia affidabile questo meccanismo, ovvero se accade sempre e ci si puo' contare, oppure è un effetto parassita "precario" sul quale bisogna stare attenti
Qui ci vorrebbe RenzoDF con una bella simulazione ltspice, lui riuscirebbe senza fatica a modellare il dispositivo e farci vedere l'uscita

-

rusty
4.075 2 9 11 - Utente disattivato per decisione dell'amministrazione proprietaria del sito
- Messaggi: 1578
- Iscritto il: 25 gen 2009, 13:10
0
voti
rusty ha scritto:Esatto! Potresti "divertirti" anche a collegare altri ingressi, tipo quello a 2 Hz (uscita del 4060) o a 4 Hz (sempre dal 4060) giusto per vedere che conta velocemente... altri modi per divertirti... boh! Naturalmente il led che ti avevo fatto metter come prova lo devi levare![]()
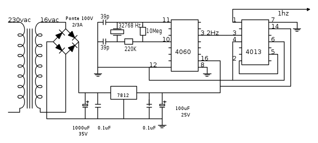
Per semplicità riporto gli schemi per non doverseli cercare nelle pagine precedenti:
rieccomi buongiorno...allora nell'aspettare l'ordine ho trovato un 4511 fuori posto in un altro cassettino...e quindi ho avuto modo di fare il secondo circuito in basso...succede una cosa strana...e cioè.il conteggio va avanti solo se 7 e 15 sono collegati al negativo...appena scollego 7 e 15 dal negativo tutto torna a 0...
-

carlomusumeci
353 5 7 - Sostenitore

- Messaggi: 526
- Iscritto il: 8 apr 2011, 0:35
Chi c’è in linea
Visitano il forum: Nessuno e 41 ospiti

Elettrotecnica e non solo (admin)
Un gatto tra gli elettroni (IsidoroKZ)
Esperienza e simulazioni (g.schgor)
Moleskine di un idraulico (RenzoDF)
Il Blog di ElectroYou (webmaster)
Idee microcontrollate (TardoFreak)
PICcoli grandi PICMicro (Paolino)
Il blog elettrico di carloc (carloc)
DirtEYblooog (dirtydeeds)
Di tutto... un po' (jordan20)
AK47 (lillo)
Esperienze elettroniche (marco438)
Telecomunicazioni musicali (clavicordo)
Automazione ed Elettronica (gustavo)
Direttive per la sicurezza (ErnestoCappelletti)
EYnfo dall'Alaska (mir)
Apriamo il quadro! (attilio)
H7-25 (asdf)
Passione Elettrica (massimob)
Elettroni a spasso (guidob)
Bloguerra (guerra)




