Ciao, rieccomi qui,
ho fatto le prove necessarie (anche se ancora con il ponte ad H) ed ho visto che effettivamente è meglio il pilotaggio del primario a 6V, aumentando la tensione posso infatti ridurre il rapporto spire per ottenere ai secondari una tensione sufficiente ad innescare il mosfet (circa 10V a batteria scarica) aumentando così la corrente di carica del gate. Per ora non riesco a fornire i dati poiché il nucleo tende a saturare, ma ho già rivisto tutti i parametri ed ora vado a costruire il circuito a mezzo ponte.
Volevo chiedere un' ultimo chiarimento poiché ho un dubbio che non riesco ad ovviare, il problema è quello di calcolare correttamente le resistenze di polarizzazione dei transistor. Sfogliando con attenzione il datasheet dei BJT e calcolando la corrente massima in sicurezza che può scorrere nel primario del trasformatore ho rilevato i valori fondamentali per il mio utilizzo:
Vbe sat = 0,75V
Vce sat = 20 mV
HFE = 580
Vceo = 20V
Ic picco = 160mA
Vpin PIC = 0;3,3V
Da quello che ho letto su vari documenti ho capito (ma mi servirebbe conferma) che per ottenere da un BJT bassi tempi di commutazione devo riuscire a saturare la giunzione BE in modo piuttosto "leggero" cioè devo cercare di non far scorrere nella base troppa corrente altrimenti il tempo di apertura del transistor (inteso come il tempo che impiega la giunzione CE ad aprirsi dal momento in cui porto a zero la corrente di base) aumenta notevolmente. Ho quindi fatto i seguenti ragionamenti:
1- La corrente minima di base per ottenere una saturazione certa è : Ic/(HFE/3) dove 3 rappresenta il coefficiente di sicurezza, quindi Ib=1mA.
2- La tensione Vbe minima per garantire la saturazione è 0,75V quindi calcolerò il partitore di base in modo che la tensione al nodo di base risulti minimo 1V. Quindi Vbe=1V poi chiaramente la tensione non potrà salire oltre gli 0,75V imposti dalla giunzione BE del transistor.
A questo punto calcolo i valori delle resistenze interessate, considerando che quella posizionata tra il PIC e la base dovrà garantire una corrente di 1mA risulta 3,3V/0.001A = 3300 ohm mentre quella che collega la base a massa dovrà fare in modo che la tensione al nodo di base non salga oltre ad 1V quindi dovrà avere all' incirca un valore pari ad 1/3 di quella da 3300 ohm. Scegliendo il valore più prossimo a 1100 ohm scelgo un valore da 1200 ohm.
Per la protezione del transistor al momento dell' apertura scelgo uno zener da 12V visto che Vceo ha un valore di 20V dovrei essere al sicuro.
Questo lo schema "definitivo":
Ora la domanda mi sorge spontanea: quanti (e magari quali) errori ho commesso in questo "banale" dimensionamento ? Vale la pena provare a realizzare lo stampato con questi valori ?
Ciao e grazie mille!
David
Progetto elettroutensile a batteria
Moderatori:
carloc,
g.schgor,
BrunoValente,
IsidoroKZ
1
voti
Per quanto riguarda gli avvolgimenti ho presente come vadano avvolti un po meno la simbologia, adesso vedo di rimediare. Per il condensatore in parallelo alla resistenza da 3,3Kohm lascio lo spazio sul circuito stampato così vedo all' atto pratico quale sia il valore più adeguato.
Per i transistor invece la tua risposta mi ha lasciato perplesso, ti riporto i grafici dai quali ho preso i dati:
questo è il datasheet, PBSS302NZ se non dovessero essere chiare le immagini che ho inserito i grafici originali puoi trovarli a pagina 7.
Per cortesia potresti dirmi cosa ne pensi ?
Grazie
David
Per i transistor invece la tua risposta mi ha lasciato perplesso, ti riporto i grafici dai quali ho preso i dati:
questo è il datasheet, PBSS302NZ se non dovessero essere chiare le immagini che ho inserito i grafici originali puoi trovarli a pagina 7.
Per cortesia potresti dirmi cosa ne pensi ?
Grazie
David
1
voti
Ok, grazie...
per trovare questo transistor ho letteralmente rivoltato il catalogo di RS (hanno anche il complemetare)...... più o meno ci misi tre giorni. Mi fa piacere vedere che pian piano comincio a capirci qualcosa..... rivedo subito i valori delle resistenze e procedo, grazie per la dritta...
Ciao a presto per gli aggiornamenti !
David
per trovare questo transistor ho letteralmente rivoltato il catalogo di RS (hanno anche il complemetare)...... più o meno ci misi tre giorni. Mi fa piacere vedere che pian piano comincio a capirci qualcosa..... rivedo subito i valori delle resistenze e procedo, grazie per la dritta...
Ciao a presto per gli aggiornamenti !
David
1
voti
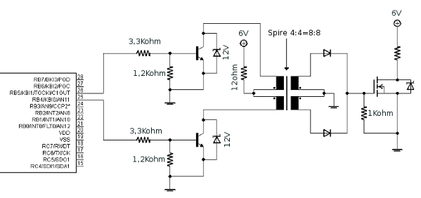
Ciao a tutti ho finalmente finito di costruire il circuito:
questo è lo schema del pilotaggio di un mosfet (in realtà sono due), il condensatore da 1nF in parallelo alla resistenza da1800 ohm è indispensabile altrimenti i transistor non riescono a commutare con la necessaria velocità... Grazie mille per il suggerimento !
Questo è l' oscillogramma generale (mosfet basso), la traccia in alto è Id ,quella intermedia è Vgs e quella in basso è Vds. L' amplificazione verticale per questa misura è 5V/div (Id è ottenuta ai capi dello shunt da 0,005ohm).
Questo è il grafico più dettagliato di Id (in alto) e Vds, l' amplificazione verticale è impostata come nella precedente fotografia, la base dei tempi è a 10us/div.
Questa è la traccia relativa a Vgs:
I tempi di commutazione dei mosfet sono notevolmente migliorati. Come si vede il tempo di apertura è all' incirca di 32us mentre quello di chiusura è di soli 5us. La tensione Vgs è di 9V ed il suo valore si mantiene costante indipendentemente dalla durata del Ton. Nonostante ciò però i mosfet scaldano parecchio, la traccia relativa a Id infatti è piuttosto frastagliata.... Cosa ne pensate?
Ciao e grazie!
David
P.S.
Scusate se non mi dilungo ma è troppo tardi! Magari domani vedrò di essere più chiaro.
questo è lo schema del pilotaggio di un mosfet (in realtà sono due), il condensatore da 1nF in parallelo alla resistenza da1800 ohm è indispensabile altrimenti i transistor non riescono a commutare con la necessaria velocità... Grazie mille per il suggerimento !
Questo è l' oscillogramma generale (mosfet basso), la traccia in alto è Id ,quella intermedia è Vgs e quella in basso è Vds. L' amplificazione verticale per questa misura è 5V/div (Id è ottenuta ai capi dello shunt da 0,005ohm).
Questo è il grafico più dettagliato di Id (in alto) e Vds, l' amplificazione verticale è impostata come nella precedente fotografia, la base dei tempi è a 10us/div.
Questa è la traccia relativa a Vgs:
I tempi di commutazione dei mosfet sono notevolmente migliorati. Come si vede il tempo di apertura è all' incirca di 32us mentre quello di chiusura è di soli 5us. La tensione Vgs è di 9V ed il suo valore si mantiene costante indipendentemente dalla durata del Ton. Nonostante ciò però i mosfet scaldano parecchio, la traccia relativa a Id infatti è piuttosto frastagliata.... Cosa ne pensate?
Ciao e grazie!
David
P.S.
Scusate se non mi dilungo ma è troppo tardi! Magari domani vedrò di essere più chiaro.
1
voti
Ciao David,
avrei una domanda: quando dici di variare il duty cycle del PWM a cosa ti riferisci? al il duty cycle del segnale ad onda quadra in uscita dal micro o al segnale sul gate? Il mio dubbio deriva forse dal non aver letto con sufficiente attenzione l'intera discussione ma mi è sembrato che tu ti riferisca al segnale ad alta frequenza in uscita al micro. Se è così direi che c'è un errore concettuale, mi spiego: Il circuito a ponte con trasformatore o quello a mezzo ponte da te utilizzati non ammettono un pilotaggio con un segnale che abbia un duty cycle diverso dal 50%. Si deve infatti tener conto che quando il duty cycle si scosta dal 50% compare una componente continua nella tensione che fa scorrere una corrente continua nel primario che, nel caso del primo circuito a ponte intero, non è limitata da nulla e che quindi raggiunge subito valori elevatissimi provocando surriscaldamento dei transistor e saturazione del nucleo. Nel circuito a mezzo ponte le cose vanno nello stesso modo ma, grazie alla resistenza da 12 ohm in serie al centrale del primario, la corrente viene limitata.
Nel secondario poi, con un duty cycle diverso dal 50%, si genera una asimmetria nei due segnali che pilotano i diodi: la componente continua che i transistor tentano inutilmente di imporre al primario, per ovvi motivi, di sicuro non si trasferisce al secondario e, trascurando i problemi connessi alla saturazione del nucleo, una forma d'onda al secondario con il duty cycle diverso dal 50% priva di componente continua non è simmetrica rispetto allo zero, cioè l'ampiezza della semionda positiva è diversa (in modulo) da quella della semionda negativa e quindi i due diodi vengono pilotati con segnali diversi.
In ogni caso quindi questi circuiti, a causa della presenza del trasformatore, non possono lavorare con un duty cycle diverso dal 50%.
Ovviamente altra cosa è invece il duty cycle riferito al segnale a bassa frequenza sul gate che deriva dal raddrizzamento di quello della portante erogato dal secondario. Questo può certamente variare quanto si vuole senza problemi e la variazione si ottiene accendendo e spegnendo con il ritmo giusto il segnale portante.
Ripeto: probabilmente il mio dubbio deriva dall'aver capito male per non aver letto attentamente tutto e quindi le cose che ho detto erano già ovvie.
Ciao
avrei una domanda: quando dici di variare il duty cycle del PWM a cosa ti riferisci? al il duty cycle del segnale ad onda quadra in uscita dal micro o al segnale sul gate? Il mio dubbio deriva forse dal non aver letto con sufficiente attenzione l'intera discussione ma mi è sembrato che tu ti riferisca al segnale ad alta frequenza in uscita al micro. Se è così direi che c'è un errore concettuale, mi spiego: Il circuito a ponte con trasformatore o quello a mezzo ponte da te utilizzati non ammettono un pilotaggio con un segnale che abbia un duty cycle diverso dal 50%. Si deve infatti tener conto che quando il duty cycle si scosta dal 50% compare una componente continua nella tensione che fa scorrere una corrente continua nel primario che, nel caso del primo circuito a ponte intero, non è limitata da nulla e che quindi raggiunge subito valori elevatissimi provocando surriscaldamento dei transistor e saturazione del nucleo. Nel circuito a mezzo ponte le cose vanno nello stesso modo ma, grazie alla resistenza da 12 ohm in serie al centrale del primario, la corrente viene limitata.
Nel secondario poi, con un duty cycle diverso dal 50%, si genera una asimmetria nei due segnali che pilotano i diodi: la componente continua che i transistor tentano inutilmente di imporre al primario, per ovvi motivi, di sicuro non si trasferisce al secondario e, trascurando i problemi connessi alla saturazione del nucleo, una forma d'onda al secondario con il duty cycle diverso dal 50% priva di componente continua non è simmetrica rispetto allo zero, cioè l'ampiezza della semionda positiva è diversa (in modulo) da quella della semionda negativa e quindi i due diodi vengono pilotati con segnali diversi.
In ogni caso quindi questi circuiti, a causa della presenza del trasformatore, non possono lavorare con un duty cycle diverso dal 50%.
Ovviamente altra cosa è invece il duty cycle riferito al segnale a bassa frequenza sul gate che deriva dal raddrizzamento di quello della portante erogato dal secondario. Questo può certamente variare quanto si vuole senza problemi e la variazione si ottiene accendendo e spegnendo con il ritmo giusto il segnale portante.
Ripeto: probabilmente il mio dubbio deriva dall'aver capito male per non aver letto attentamente tutto e quindi le cose che ho detto erano già ovvie.
Ciao
-

BrunoValente
39,6k 7 11 13 - G.Master EY

- Messaggi: 7796
- Iscritto il: 8 mag 2007, 14:48
1
voti
Ciao Bruno, bentornato !
Quando parlo di variare il duty cycle mi riferisco al segnale applicato al gate del mosfet. In uscita dal microcontrollore il segnale rimane sempre al 50%. Ti invio un paio di fotografie che dovrebbero chiarire, gli oscillogrammi sono stati rilevati con l' aiuto della funzione delay time base (la pinza era collegata a massa mentre la sonda ad un pin del PIC), la traccia in alto è relativa al PWM che attraverso il trasformatore viene applicato al gate mentre quella in basso coglie il particolare dell' onda quadra in uscita dal micro che in questo caso è a 555KHz (questa frequenza può essere cambiata a piacere semplicemente dal programma):
Come si può vedere il rapporto Ton/Toff in uscita dal micro rimane inalterato al 50% indipendentemente dal rapporto Ton/Toff che viene applicato al gate del mosfet.
Nonostante ciò però questa versione a mezzo ponte presenta differenti problemi rispetto alla versione a ponte intero. Nella versione a ponte intero avevo il problema che all' aumentare del Ton la tensione al gate calava in maniera proporzionale fino a quando a Ton = 80% la tensione Vgs scendeva al di sotto di Vgs(th) e questo provocava l' interdizione dei mosfet. Ora invece (versione a mezzo ponte) la tensione Vgs si mantiene stabile a 9V circa indipendentemente dal Ton ma purtroppo mi ritrovo con la corrente di drain che ha una forma frastagliata e questo provoca il rapido surriscaldamento dei MOS e rende praticamente insensata la misura di tale valore.
Mi son fatto l' idea che ciò possa dipendere dal valore della resistenza tra gate e source che risulta troppo basso (1Kohm) e quindi carica in modo eccessivo il secondario del trasformatore d' impulso. Ho già costruito e testato alcuni trasformatori con rapporti spire piuttosto differenti ma il problema non si è nemmeno attenuato. La corrente misurata ai capi della resistenza da 12ohm ha una forma piuttosto irregolare e perciò credo che i trasformatori non stiano lavorando al meglio.
Questa sera comunque invio tutti gli oscillogrammi del caso per farvi vedere la realtà della situazione.......
Bruno, ti saluto e ti ringrazio, aggiungo soltanto che dal mio punto di vista nulla è ovvio quindi ben venga qualunque tipo di osservazione.....
Ciao
David
Quando parlo di variare il duty cycle mi riferisco al segnale applicato al gate del mosfet. In uscita dal microcontrollore il segnale rimane sempre al 50%. Ti invio un paio di fotografie che dovrebbero chiarire, gli oscillogrammi sono stati rilevati con l' aiuto della funzione delay time base (la pinza era collegata a massa mentre la sonda ad un pin del PIC), la traccia in alto è relativa al PWM che attraverso il trasformatore viene applicato al gate mentre quella in basso coglie il particolare dell' onda quadra in uscita dal micro che in questo caso è a 555KHz (questa frequenza può essere cambiata a piacere semplicemente dal programma):
Come si può vedere il rapporto Ton/Toff in uscita dal micro rimane inalterato al 50% indipendentemente dal rapporto Ton/Toff che viene applicato al gate del mosfet.
Nonostante ciò però questa versione a mezzo ponte presenta differenti problemi rispetto alla versione a ponte intero. Nella versione a ponte intero avevo il problema che all' aumentare del Ton la tensione al gate calava in maniera proporzionale fino a quando a Ton = 80% la tensione Vgs scendeva al di sotto di Vgs(th) e questo provocava l' interdizione dei mosfet. Ora invece (versione a mezzo ponte) la tensione Vgs si mantiene stabile a 9V circa indipendentemente dal Ton ma purtroppo mi ritrovo con la corrente di drain che ha una forma frastagliata e questo provoca il rapido surriscaldamento dei MOS e rende praticamente insensata la misura di tale valore.
Mi son fatto l' idea che ciò possa dipendere dal valore della resistenza tra gate e source che risulta troppo basso (1Kohm) e quindi carica in modo eccessivo il secondario del trasformatore d' impulso. Ho già costruito e testato alcuni trasformatori con rapporti spire piuttosto differenti ma il problema non si è nemmeno attenuato. La corrente misurata ai capi della resistenza da 12ohm ha una forma piuttosto irregolare e perciò credo che i trasformatori non stiano lavorando al meglio.
Questa sera comunque invio tutti gli oscillogrammi del caso per farvi vedere la realtà della situazione.......
Bruno, ti saluto e ti ringrazio, aggiungo soltanto che dal mio punto di vista nulla è ovvio quindi ben venga qualunque tipo di osservazione.....
Ciao
David
1
voti
Ti consiglio di provare a montare un condensatore tra il centrale del primario e massa facendo attenzione che il punto di connessione a massa sia il più possibile vicino al punto dove si collegano a massa i due emettitori.
Devo dire che non mi convince molto il criterio utilizzato per polarizzare i transistor: sono d'accordo che è meglio saturarli poco ma quando il dimensionamento è così fortemente dipendente dai parametri del particolare transistor utilizzato in genere si rischia di rendere critico il circuito perché non ci si può troppo fidare dei parametri dichiarati dal costruttore che subiscono fortissime variazioni con la temperatura e cambiano molto anche tra esemplari diversi dello stesso tipo di transistor.
Visto l'elevato guadagno, proporrei una controreazione con la quale si potrebbe ugualmente raggiungere l’obbiettivo di non eccedere nella saturazione senza però far dipendere eccessivamente le condizioni di lavoro dai parametri dei transistor.
Una controreazione è facilmente ottenibile con una resistenza tra gli emettitori (collegati insieme) e massa: si potrebbe contemporaneamente togliere l'attuale resistenza da 12 ohm perché la limitazione avverrebbe ad opera della nuova resistenza. Per dimensionarla credo si possa procedere così: conoscendo la massima corrente che si vuole far scorrere nei transistor si farà in modo da scegliere un valore che, con quella corrente, faccia cadere diciamo 2.4V, vuol dire che dovremmo pilotare le basi con una un segnale di 2.4+0.6=3V e quindi le basi potranno essere collegate direttamente alle uscite del micro che, mi pare di aver capito, eroghino proprio segnali di 3V.
In questo modo, l’accoppiamento di emettitore dei transistor (che, tra l’altro, è una soluzione circuitale utilizzata nelle logiche veloci ECL), dovrebbe offrire molti vantaggi: una corrente di collettore controllata in saturazione, una interdizione più decisa perché la giunzione BE si polarizza inversamente, un pilotaggio in tensione delle basi e tutto dovrebbe tradursi in una velocità alta con una autoregolazione delle correnti.
Ciao
Devo dire che non mi convince molto il criterio utilizzato per polarizzare i transistor: sono d'accordo che è meglio saturarli poco ma quando il dimensionamento è così fortemente dipendente dai parametri del particolare transistor utilizzato in genere si rischia di rendere critico il circuito perché non ci si può troppo fidare dei parametri dichiarati dal costruttore che subiscono fortissime variazioni con la temperatura e cambiano molto anche tra esemplari diversi dello stesso tipo di transistor.
Visto l'elevato guadagno, proporrei una controreazione con la quale si potrebbe ugualmente raggiungere l’obbiettivo di non eccedere nella saturazione senza però far dipendere eccessivamente le condizioni di lavoro dai parametri dei transistor.
Una controreazione è facilmente ottenibile con una resistenza tra gli emettitori (collegati insieme) e massa: si potrebbe contemporaneamente togliere l'attuale resistenza da 12 ohm perché la limitazione avverrebbe ad opera della nuova resistenza. Per dimensionarla credo si possa procedere così: conoscendo la massima corrente che si vuole far scorrere nei transistor si farà in modo da scegliere un valore che, con quella corrente, faccia cadere diciamo 2.4V, vuol dire che dovremmo pilotare le basi con una un segnale di 2.4+0.6=3V e quindi le basi potranno essere collegate direttamente alle uscite del micro che, mi pare di aver capito, eroghino proprio segnali di 3V.
In questo modo, l’accoppiamento di emettitore dei transistor (che, tra l’altro, è una soluzione circuitale utilizzata nelle logiche veloci ECL), dovrebbe offrire molti vantaggi: una corrente di collettore controllata in saturazione, una interdizione più decisa perché la giunzione BE si polarizza inversamente, un pilotaggio in tensione delle basi e tutto dovrebbe tradursi in una velocità alta con una autoregolazione delle correnti.
Ciao
-

BrunoValente
39,6k 7 11 13 - G.Master EY

- Messaggi: 7796
- Iscritto il: 8 mag 2007, 14:48
1
voti
Dimenticavo: con l'aggiunta della resistenza sugli emettitori l'anodo degli zener dovrà restare collegato a massa come ora.
-

BrunoValente
39,6k 7 11 13 - G.Master EY

- Messaggi: 7796
- Iscritto il: 8 mag 2007, 14:48
1
voti
Ciao a tutti e grazie mille!
Bruno oggi proverò le modifiche che hai consigliato, sono molto curioso anche perché non riesco a capire bene se il condensatore in parallelo alla resistenza tra PIC e base dei transistor possa in qualche modo danneggiare il microcontrollore. Da un lato è vero che il condensatore introduce un' "accelerazione" nello switch del transistor, dall' altra però è il microcontrollore a dover sopportare i picchi di corrente imposti dalla capacità.
Gli oscillogrammi non sono per niente belli (anzi diciamola tutta, fanno schifo!) e la situazione generale dei mosfet è peggiorata notevolmente, ora scaldano molto di più, inoltre la forma d' onda della corrente nello shunt rende impossibile le misure.
La cosa però è strana, nel modello precedente questo problema non si era minimamente verificato, penso perciò che la causa sia da imputare al pilotaggio, sicuramente il trasformatore non trasferisce sufficiente energia e perciò il mosfet non satura correttamente.
Mi metto all' opera!
Ciao
David
Bruno oggi proverò le modifiche che hai consigliato, sono molto curioso anche perché non riesco a capire bene se il condensatore in parallelo alla resistenza tra PIC e base dei transistor possa in qualche modo danneggiare il microcontrollore. Da un lato è vero che il condensatore introduce un' "accelerazione" nello switch del transistor, dall' altra però è il microcontrollore a dover sopportare i picchi di corrente imposti dalla capacità.
Gli oscillogrammi non sono per niente belli (anzi diciamola tutta, fanno schifo!) e la situazione generale dei mosfet è peggiorata notevolmente, ora scaldano molto di più, inoltre la forma d' onda della corrente nello shunt rende impossibile le misure.
La cosa però è strana, nel modello precedente questo problema non si era minimamente verificato, penso perciò che la causa sia da imputare al pilotaggio, sicuramente il trasformatore non trasferisce sufficiente energia e perciò il mosfet non satura correttamente.
Mi metto all' opera!
Ciao
David
1
voti
Forse è un problema di cablaggio.
David, il percorso della corrente di drain deve essere confinato al solo circuito di potenza e non al circuito pilota. Dovresti anzitutto verificare che la massa del circuito di potenza sia completamente indipendente da quella del circuito pilota (dal micro al primario) e che si colleghino tra loro in un punto vicino al meno della batteria. Il tratto di circuito che va dal secondario al gate deve poi essere confinato vicino al mosfet e il collegamento del centrale del secondario non può essere fatto ad una massa qualsiasi ma deve per forza collegarsi al terminale del source e quanto più possibile vicino al mosfet.
Lo stesso vale per l'oscilloscopio: se vuoi vedere la tensione di drain dovrai collegarti con la massa della sonda proprio sul source.
Il circuito di potenza deve essere corto e occorrono dei condensatori montati tra il positivo a ridosso dell'elemento scaldante e il source in modo da confinare le componenti ad alta frequenza della corrente al solo circuito formato dal mosfet e dall'elemento scaldante e non dai cavi di alimentazione e dalla batteria.
Devi poi fare attenzione che il circuito di potenza non formi una spira che, a causa delle alte correnti che variano rapidamente, può accoppiarsi induttivamente con il circuito pilota. A questo scopo si deve evitare nel circuito di potenza che le correnti di andata facciano un percorso molto diverso da quelle di ritorno che significa dare al circuito una forma sciacciata e non circolare.
Purtroppo le precauzioni da prendere per far funzionare bene questi circuiti sono davvero tante ed è difficile prevederle tutte.
David, il percorso della corrente di drain deve essere confinato al solo circuito di potenza e non al circuito pilota. Dovresti anzitutto verificare che la massa del circuito di potenza sia completamente indipendente da quella del circuito pilota (dal micro al primario) e che si colleghino tra loro in un punto vicino al meno della batteria. Il tratto di circuito che va dal secondario al gate deve poi essere confinato vicino al mosfet e il collegamento del centrale del secondario non può essere fatto ad una massa qualsiasi ma deve per forza collegarsi al terminale del source e quanto più possibile vicino al mosfet.
Lo stesso vale per l'oscilloscopio: se vuoi vedere la tensione di drain dovrai collegarti con la massa della sonda proprio sul source.
Il circuito di potenza deve essere corto e occorrono dei condensatori montati tra il positivo a ridosso dell'elemento scaldante e il source in modo da confinare le componenti ad alta frequenza della corrente al solo circuito formato dal mosfet e dall'elemento scaldante e non dai cavi di alimentazione e dalla batteria.
Devi poi fare attenzione che il circuito di potenza non formi una spira che, a causa delle alte correnti che variano rapidamente, può accoppiarsi induttivamente con il circuito pilota. A questo scopo si deve evitare nel circuito di potenza che le correnti di andata facciano un percorso molto diverso da quelle di ritorno che significa dare al circuito una forma sciacciata e non circolare.
Purtroppo le precauzioni da prendere per far funzionare bene questi circuiti sono davvero tante ed è difficile prevederle tutte.
-

BrunoValente
39,6k 7 11 13 - G.Master EY

- Messaggi: 7796
- Iscritto il: 8 mag 2007, 14:48
Chi c’è in linea
Visitano il forum: Nessuno e 136 ospiti

Elettrotecnica e non solo (admin)
Un gatto tra gli elettroni (IsidoroKZ)
Esperienza e simulazioni (g.schgor)
Moleskine di un idraulico (RenzoDF)
Il Blog di ElectroYou (webmaster)
Idee microcontrollate (TardoFreak)
PICcoli grandi PICMicro (Paolino)
Il blog elettrico di carloc (carloc)
DirtEYblooog (dirtydeeds)
Di tutto... un po' (jordan20)
AK47 (lillo)
Esperienze elettroniche (marco438)
Telecomunicazioni musicali (clavicordo)
Automazione ed Elettronica (gustavo)
Direttive per la sicurezza (ErnestoCappelletti)
EYnfo dall'Alaska (mir)
Apriamo il quadro! (attilio)
H7-25 (asdf)
Passione Elettrica (massimob)
Elettroni a spasso (guidob)
Bloguerra (guerra)