Cos'è ElectroYou | Login Iscriviti

ElectroYou - la comunità dei professionisti del mondo elettrico

OROLOGIO DIGITALE SENZA PIC

Elettronica lineare e digitale: didattica ed applicazioni

Moderatori: Foto Utentecarloc, Foto Utenteg.schgor, Foto UtenteBrunoValente, Foto UtenteIsidoroKZ

0
voti

[171] Re: OROLOGIO DIGITALE SENZA PIC

Messaggioda Foto Utenterusty » 25 mag 2011, 15:43

Hai controllato tutti i collegamenti? Spero di si.
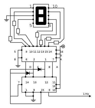
Se hai fatto funzionare questo schema:



non capisco perché ora non funzioni più.. fondamentalmente è identico, tranne il resistore. Provato a togliere la 4.7k? Il reset è attivo alto, quindi è normale che 7/15 a massa ti faccia andare avanti il conteggio, ma a questo dovrebbero pensarci i diodi, hai controllato il verso dei diodi? Fai un po' di prove su quella parte, inverti i diodi, togli/metti il resistore, ricontrolla i collegamenti, prova altri diodi (chessò...) prova un resistore da 10K... fammi sapere ;-)
Avatar utente
Foto Utenterusty
4.075 2 9 11
Utente disattivato per decisione dell'amministrazione proprietaria del sito
 
Messaggi: 1578
Iscritto il: 25 gen 2009, 13:10

0
voti

[172] Re: OROLOGIO DIGITALE SENZA PIC

Messaggioda Foto Utentecarlomusumeci » 25 mag 2011, 15:46

così è per come mi sta funzionando...Il funzionamento credo sia giusto...comincia 00 e arriva a 59 per poi ricominciare 00...ma non appena scollego il 7/15 dai diodi si azzera tutto e resta 00 fermo..
Avatar utente
Foto Utentecarlomusumeci
353 5 7
Sostenitore
Sostenitore
 
Messaggi: 526
Iscritto il: 8 apr 2011, 0:35

0
voti

[173] Re: OROLOGIO DIGITALE SENZA PIC

Messaggioda Foto Utenterusty » 25 mag 2011, 15:49

E perché mai dovresti scollegare il 7/15 dai diodi? ?%
Avatar utente
Foto Utenterusty
4.075 2 9 11
Utente disattivato per decisione dell'amministrazione proprietaria del sito
 
Messaggi: 1578
Iscritto il: 25 gen 2009, 13:10

0
voti

[174] Re: OROLOGIO DIGITALE SENZA PIC

Messaggioda Foto Utentecarlomusumeci » 25 mag 2011, 15:55

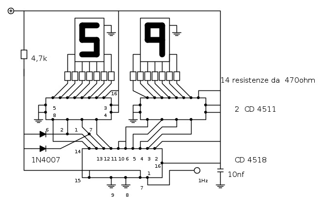
vero scusami...:) il 7/15 deve stare collegato con i 2 diodi e in serie con una resistenza da 4,7k dal pin 16...perfetto funziona...Ecco lo schema che mi sta funzinando.P.S (il condensatorino da 10 nf va bene?)
Avatar utente
Foto Utentecarlomusumeci
353 5 7
Sostenitore
Sostenitore
 
Messaggi: 526
Iscritto il: 8 apr 2011, 0:35

0
voti

[175] Re: OROLOGIO DIGITALE SENZA PIC

Messaggioda Foto UtenteRenzoDF » 25 mag 2011, 15:57

rusty ha scritto:Qui ci vorrebbe RenzoDF con una bella simulazione ltspice, lui riuscirebbe senza fatica a modellare il dispositivo e farci vedere l'uscita :ok:

Vi confesso che ho provato a leggere (anche se forse un po' velocemente) la successione dei post ma non ho capito quale sia il problema ... ovvero il perche' di quei due diodi ... c'e' qualcuno che mi riassume il discorso sinteticamente? Grazie :mrgreen:
"Il circuito ha sempre ragione" (Luigi Malesani)
Avatar utente
Foto UtenteRenzoDF
55,9k 8 12 13
G.Master EY
G.Master EY
 
Messaggi: 13189
Iscritto il: 4 ott 2008, 9:55

0
voti

[176] Re: OROLOGIO DIGITALE SENZA PIC

Messaggioda Foto Utentecarlomusumeci » 25 mag 2011, 16:01

:D I due Diodi servono a fare resettare il contatore non appena arrivi al 59,per poi ricominciare da 00..difatti i 2 diodi sono collegati ai 2 reset (pin 7 e 15) del 4518(1 RESET per ogni display)
Avatar utente
Foto Utentecarlomusumeci
353 5 7
Sostenitore
Sostenitore
 
Messaggi: 526
Iscritto il: 8 apr 2011, 0:35

0
voti

[177] Re: OROLOGIO DIGITALE SENZA PIC

Messaggioda Foto UtenteRenzoDF » 25 mag 2011, 16:11

carlomusumeci ha scritto::D I due Diodi servono a fare resettare il contatore non appena arrivi al 59,per poi ricominciare da 00..difatti i 2 diodi sono collegati ai 2 reset (pin 7 e 15) del 4518(1 RESET per ogni display)


Ah, ecco, non lo avevo capito che volevate contare 60 secondi :lol: ... e il dubbio dove sta' ?

E mi riferisco all'ultimo schema postato :!:

... ovvero perche' dovrei simulare ? :roll: ... ora che ho capito cosa volete fare lo schema mi sembra tutto OK no ?
"Il circuito ha sempre ragione" (Luigi Malesani)
Avatar utente
Foto UtenteRenzoDF
55,9k 8 12 13
G.Master EY
G.Master EY
 
Messaggi: 13189
Iscritto il: 4 ott 2008, 9:55

0
voti

[178] Re: OROLOGIO DIGITALE SENZA PIC

Messaggioda Foto Utentecarlomusumeci » 25 mag 2011, 16:19

Si si ora è tutto ok...ma il condensatorino da 10 nf va bene? :D
Avatar utente
Foto Utentecarlomusumeci
353 5 7
Sostenitore
Sostenitore
 
Messaggi: 526
Iscritto il: 8 apr 2011, 0:35

0
voti

[179] Re: OROLOGIO DIGITALE SENZA PIC

Messaggioda Foto Utentesimo85 » 25 mag 2011, 16:28

carlomusumeci ha scritto:Si si ora è tutto ok...ma il condensatorino da 10 nf va bene? :D

Che io sappia si usa mettere un condensatore da 100n tra Vcc e Gnd degli integrati.
Il nostro professore di digitale ci ha raccomandato più volte di posizionarlo.
Avatar utente
Foto Utentesimo85
30,9k 7 12 13
Disattivato su sua richiesta
 
Messaggi: 9927
Iscritto il: 30 ago 2010, 4:59

0
voti

[180] Re: OROLOGIO DIGITALE SENZA PIC

Messaggioda Foto UtenteRenzoDF » 25 mag 2011, 16:29

carlomusumeci ha scritto:Si si ora è tutto ok...ma il condensatorino da 10 nf va bene? :D


condensatore a parte qual era il problema ? ... che funzionava anche senza il resistore da 4.7k ?
"Il circuito ha sempre ragione" (Luigi Malesani)
Avatar utente
Foto UtenteRenzoDF
55,9k 8 12 13
G.Master EY
G.Master EY
 
Messaggi: 13189
Iscritto il: 4 ott 2008, 9:55

PrecedenteProssimo

Torna a Elettronica generale

Chi c’è in linea

Visitano il forum: Majestic-12 [Bot] e 60 ospiti