Relay Carica batterie LX 327 (NE)
Moderatori:
carloc,
g.schgor,
BrunoValente,
IsidoroKZ
1
voti
Ciao
BrunoValente e
elfo, visto che deve fare il circuito su millefori non si potrebbe adoperare un integrato compatibile che costa meno e più attuale?
-

elektronik
7.800 4 6 7 - Master

- Messaggi: 3836
- Iscritto il: 12 mag 2015, 22:26
1
voti
Compatibile al 100% non ne conosco ma utilizzando un integrato con all'interno un paio di comparatori e un altro integrato regolatore tipo uA78.. o uno zener dovrebbe essere fattibile, anche un solo comparatore potrebbe essere sufficiente
-

BrunoValente
39,6k 7 11 13 - G.Master EY

- Messaggi: 7796
- Iscritto il: 8 mag 2007, 14:48
1
voti
0
voti
Ho terminato le tabelle richieste da
elfo, che ringrazio per la tenacia. Spero che siano comprensibili e che soprattutto siano affidabili. In caso di dubbio ricontrollo. Elfo? Più che elfo dovevi darti il nik SERPICO.
Meglio non divagare prima che scrivo un romanzo. Personalmente in quei valori non ci trovo niente di anomalo, forse qualche presenza superflua di valori resistivi in MegaOhm dovuti presumibilmente a residui di pasta disossidante, ma mi sembra un fatto trascurabile che dubito possa bruciare integrati.
Allego anche la tabella del tester di elfo, per integrati, con i valori dell’ultimo integrato bruciato.
Se per caso la mia valutazione fosse attendibile temo che l’arcano s’infittirebbe ancora di più, nel senso che le misurazioni fatte non sarebbero utili a determinare i guasti. A questo punto, quasi quasi, la soluzione dell’enigma supererebbe per interesse la realizzazione pratica del dispositivo.
Per
BrunoValente:
Vorrei evitare di utilizzare anche l’ultimo integrato, se consideriamo che l’esemplare con relay Finder ha circa 40 anni, forse è meglio riservargli un possibile e meritato ricambio.
Per la costruzione di un componente alternativo, purtroppo, confesso di non essere in grado di progettarlo.
Per
elektronik:
hai visto che prezzi? Ho dilapidato un “capitale” in integrati…
Ho visto che hai fatto e pubblicato una ricerca per sostituire l’integrato ma purtroppo non ci ho capito molto, sembrerebbe che ci sia da costruire una PCB aggiuntiva, sentiremo il parere di chi ne capisce di più.
A proposito, se non sono indiscreto, dacci qualche notizia generale sulla tua situazione post operatoria. Anche se non è in linea con l’argomento, credo che non si arrabbierà nessuno, data la delicatezza della situazione.
Per
setteali:
Non ti offendere se non ti mando le fotografie. Come ho già detto, non utilizzerò l’integrato superstite, quindi, anche alla luce delle misurazioni allegate, ritengo superfluo fare quel tipo di approfondimento. Grazie comunque.
Per
elfo:
Ma hai già progettato il clone? E da quel che capisco (non molto per la verità) sembrerebbe che tu abbia già definito la numerazione e corrispondenza dei pin? Stento a crederci…
Ok, l’ho fatta lunga, come al solito, ringrazio tutti per il supporto e rimango in passiva attesa.
Meglio non divagare prima che scrivo un romanzo. Personalmente in quei valori non ci trovo niente di anomalo, forse qualche presenza superflua di valori resistivi in MegaOhm dovuti presumibilmente a residui di pasta disossidante, ma mi sembra un fatto trascurabile che dubito possa bruciare integrati.
Allego anche la tabella del tester di elfo, per integrati, con i valori dell’ultimo integrato bruciato.
Se per caso la mia valutazione fosse attendibile temo che l’arcano s’infittirebbe ancora di più, nel senso che le misurazioni fatte non sarebbero utili a determinare i guasti. A questo punto, quasi quasi, la soluzione dell’enigma supererebbe per interesse la realizzazione pratica del dispositivo.
Per
Vorrei evitare di utilizzare anche l’ultimo integrato, se consideriamo che l’esemplare con relay Finder ha circa 40 anni, forse è meglio riservargli un possibile e meritato ricambio.
Per la costruzione di un componente alternativo, purtroppo, confesso di non essere in grado di progettarlo.
Per
hai visto che prezzi? Ho dilapidato un “capitale” in integrati…
Ho visto che hai fatto e pubblicato una ricerca per sostituire l’integrato ma purtroppo non ci ho capito molto, sembrerebbe che ci sia da costruire una PCB aggiuntiva, sentiremo il parere di chi ne capisce di più.
A proposito, se non sono indiscreto, dacci qualche notizia generale sulla tua situazione post operatoria. Anche se non è in linea con l’argomento, credo che non si arrabbierà nessuno, data la delicatezza della situazione.
Per
Non ti offendere se non ti mando le fotografie. Come ho già detto, non utilizzerò l’integrato superstite, quindi, anche alla luce delle misurazioni allegate, ritengo superfluo fare quel tipo di approfondimento. Grazie comunque.
Per
Ma hai già progettato il clone? E da quel che capisco (non molto per la verità) sembrerebbe che tu abbia già definito la numerazione e corrispondenza dei pin? Stento a crederci…
Ok, l’ho fatta lunga, come al solito, ringrazio tutti per il supporto e rimango in passiva attesa.
-

gianniniivo
9.045 7 11 13 - No Rank
- Messaggi: 2875
- Iscritto il: 5 feb 2019, 23:50
2
voti
gianniniivo ha scritto:Perelektronik:
hai visto che prezzi? Ho dilapidato un “capitale” in integrati…
A proposito, se non sono indiscreto, dacci qualche notizia generale sulla tua situazione post operatoria. Anche se non è in linea con l’argomento, credo che non si arrabbierà nessuno, data la delicatezza della situazione.
Per adesso Devo prendere la Fecanide che è uno stabilizzatore del ritmo cardiaco e dei farmaci anticoagulanti per evitare che parte qualche embolo ma se tutto è andato bene lo saprò solo fra qualche mese quando mi scaleranno questi farmaci, solo allora sappiamo se il cuore batte senza fibrillazioni, speriamo perché questi farmaci fanno bene da una parte ma dall'altra mi stendono. adesso ho la pressione bassa, spesso sugli 80/60 menomale che ho diversi hobby se no ci sarebbe da inpazzire visto che a causa di tutto questo stavo perdendo la memoria, e a volte a detta dei miei, dico e faccio cose da non credere.
-

elektronik
7.800 4 6 7 - Master

- Messaggi: 3836
- Iscritto il: 12 mag 2015, 22:26
1
voti
Ah, però, è ancora presto,
elektronik. In effetti io avevo preso in considerazione soltanto la problematica chirurgica, che presumo non debba essere irrilevante, ma è più importante valutare la stabilizzazione funzionale degli apparati coinvolti in modo diretto e indiretto. Se riesci a tenerti impegnato è un bene, senza sforzi fisici ma pensando ad altro. Vedrai che ti riprenderai nel migliore dei modi.
In bocca al lupo!
In bocca al lupo!
-

gianniniivo
9.045 7 11 13 - No Rank
- Messaggi: 2875
- Iscritto il: 5 feb 2019, 23:50
1
voti
Grazie per l'ottimo lavoro che hai fatto.
A me invece "'un mi piacciono punto"
considerando che ci sono anche 0,17 V
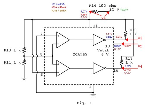
I piedini incriminati sono 6 ,7 ,10, 14.
Per poter individuare la causa/strada della resistenza / tensione farei le seguenti prove e misure:
visto che i piedini sono tutti "collegati" tra loro (6 ,7 in corto) e 10, 14 tramite resistenze di "piccolo" valore io proverei a:
1) scollegare le resistenze R7 e trimmer R9
2) misurare di nuovo le resistenze verso massa e alimentazione sui pin 6, 7, 10, 14
3) misurare le tensioni sui pin 6, 7, 10, 14
4) nel caso i due pedini 6 e 7 presentino ancora una resistenza da 3.3 Mohm / tensione 0.17 V taglierei la pista che li collega e rifarei le misure dei punti 2 e 3 sui soli pin 6, 7
gianniniivo ha scritto: Personalmente in quei valori non ci trovo niente di anomalo, forse qualche presenza superflua di valori resistivi in MegaOhm dovuti presumibilmente a residui di pasta disossidante, ma mi sembra un fatto trascurabile che dubito possa bruciare integrati.
A me invece "'un mi piacciono punto"
I piedini incriminati sono 6 ,7 ,10, 14.
Per poter individuare la causa/strada della resistenza / tensione farei le seguenti prove e misure:
visto che i piedini sono tutti "collegati" tra loro (6 ,7 in corto) e 10, 14 tramite resistenze di "piccolo" valore io proverei a:
1) scollegare le resistenze R7 e trimmer R9
2) misurare di nuovo le resistenze verso massa e alimentazione sui pin 6, 7, 10, 14
3) misurare le tensioni sui pin 6, 7, 10, 14
4) nel caso i due pedini 6 e 7 presentino ancora una resistenza da 3.3 Mohm / tensione 0.17 V taglierei la pista che li collega e rifarei le misure dei punti 2 e 3 sui soli pin 6, 7
Chi c’è in linea
Visitano il forum: Nessuno e 108 ospiti

Elettrotecnica e non solo (admin)
Un gatto tra gli elettroni (IsidoroKZ)
Esperienza e simulazioni (g.schgor)
Moleskine di un idraulico (RenzoDF)
Il Blog di ElectroYou (webmaster)
Idee microcontrollate (TardoFreak)
PICcoli grandi PICMicro (Paolino)
Il blog elettrico di carloc (carloc)
DirtEYblooog (dirtydeeds)
Di tutto... un po' (jordan20)
AK47 (lillo)
Esperienze elettroniche (marco438)
Telecomunicazioni musicali (clavicordo)
Automazione ed Elettronica (gustavo)
Direttive per la sicurezza (ErnestoCappelletti)
EYnfo dall'Alaska (mir)
Apriamo il quadro! (attilio)
H7-25 (asdf)
Passione Elettrica (massimob)
Elettroni a spasso (guidob)
Bloguerra (guerra)