da
eclisse » 1 set 2010, 8:20
ciao

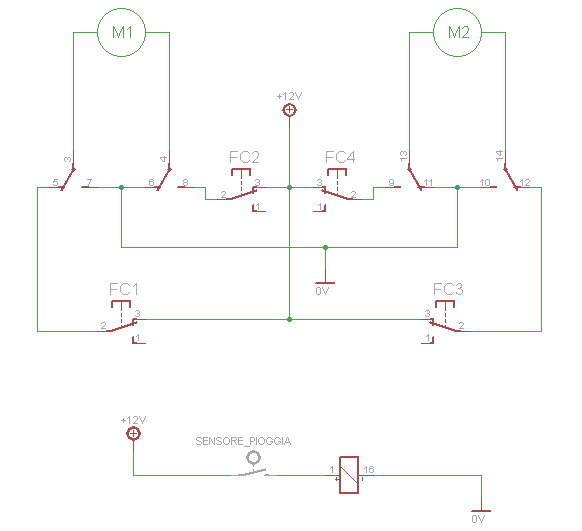
Hò fatto il disegno su foglio A4 l'hò inserito nello scanner salvato su immagini e messo in allegato ma viene inserito così enorme se potete darmi dei consigli per far si che non mi vengano inseriti così enormi accetto volentieri.
Voglio spiegare un attimo il circuito che hò fatto, praticamente il secondo relè cioè quello di destra o di riavvolgimento è sempre sotto tensione, nel momento in cui l' SP si aziona il primo relè e il secondo relè essendo collegati in parallelo si attivano e i contatti 5,6,7,8 si chiudono facendo si che il primo relè funzioni correttamente così che entrambi i motorini chiudano i teli mentre il secondo relè avendo i motorini collegati su 1,2,3,4, sono disattivi, quindi nel momento in cui l' SP si disattiva anche i relè si disattivano e i contatti 1,2,3,4 del secondo relè si chiudono e attivano il riavvolgimento che verrà staccato(il circuito) dai FC e quindi torna in standby.Questo è come l' hò pensato io.
Dovè che hò sbagliato?
ciao grazie
