Scusami,ho montato 1 uf al posto di 10 uf
ora ho rimesso 10 uf e effettuato la misura...led spento 0.00 v led acceso 4.91 v
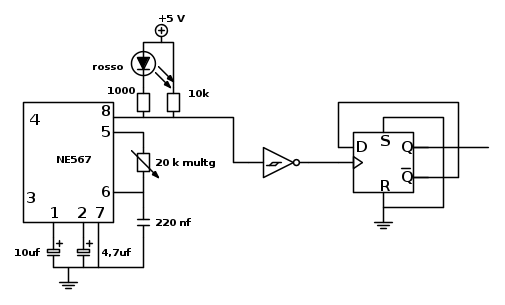
TX RX Infrarossi 2 canali
Moderatori:
carloc,
g.schgor,
BrunoValente,
IsidoroKZ
2
voti
Ma dove hai misurato? Tra il positivo di alimentazione e l'uscita del 567 vero? Non tra 0V e l'uscita del 567...
Comunque mi sa che per risolvere il problema devi montare una not triggerata tra il clock e l'uscita del 567.
Se hai un 40106 funzionante dovresti fare questo:
Se così risolvi è un problema di clock altrimenti è l'uscita del 567 che "vibra" ma mi sembra improbabile. Se l'inverter triggerato funziona si può provare a sostituire il CD4013 con l'HEF4013 che ha il trigger sul clock così ti risparmi di dover montare un altro integrato.
Tienimi aggiornato...
Comunque mi sa che per risolvere il problema devi montare una not triggerata tra il clock e l'uscita del 567.
Se hai un 40106 funzionante dovresti fare questo:
Se così risolvi è un problema di clock altrimenti è l'uscita del 567 che "vibra" ma mi sembra improbabile. Se l'inverter triggerato funziona si può provare a sostituire il CD4013 con l'HEF4013 che ha il trigger sul clock così ti risparmi di dover montare un altro integrato.
Tienimi aggiornato...
2
voti
Ah, una cosa che è già due o tre volte che mi scordo di dirti, forse è il caso di ridurre il numero di trimmer che ci sono in giro. Cinque mi sembrano troppi, due sono superflui.
Visto che il trasmettitore l'hai già disegnato monta un paio di resistenze fisse sul ricevitore, almeno la taratura la fai soltanto sul trasmettitore.
Visto che il trasmettitore l'hai già disegnato monta un paio di resistenze fisse sul ricevitore, almeno la taratura la fai soltanto sul trasmettitore.
0
voti
si hai ragione,magari misuro a quanto sono messi i trimmer e le resistenze le metto uguali alla posizione del trimmer...ritornando al discorso del 4013 ho montato sia una not triggerata (sempre lo stesso problema) e ho provato anche con un HEF4013, anche lo stesso problema...ho anche diminuito il condensatore da 10 uf a 0,47uf e la situazione peggiora, ho rifatto la misura Led spento 0,05 led acceso 4,97 (puntale nero su GND)
-

carlomusumeci
353 5 7 - Sostenitore

- Messaggi: 526
- Iscritto il: 8 apr 2011, 0:35
2
voti
carlomusumeci ha scritto:ho rifatto la misura Led spento 0,05 led acceso 4,97 (puntale nero su GND)
No qualcosa non va qui, tra gnd e il pin8 devi misurare 5V a led spento e 0V a led acceso...
0
voti
ok rifatta la misura allora... led spento 4,98 led acceso 0,00
-

carlomusumeci
353 5 7 - Sostenitore

- Messaggi: 526
- Iscritto il: 8 apr 2011, 0:35
0
voti
già provato davidd,si trova la stessa situazione...ma le uscite del flip flop credi che le ho collegate bene (come da schema) magari si potrebbe risolvere con dei fotoaccoppiatori tipo 4N25... Ma in ogni caso non mi spiego questa situazione che ho trovato...
-

carlomusumeci
353 5 7 - Sostenitore

- Messaggi: 526
- Iscritto il: 8 apr 2011, 0:35
Chi c’è in linea
Visitano il forum: Nessuno e 91 ospiti

Elettrotecnica e non solo (admin)
Un gatto tra gli elettroni (IsidoroKZ)
Esperienza e simulazioni (g.schgor)
Moleskine di un idraulico (RenzoDF)
Il Blog di ElectroYou (webmaster)
Idee microcontrollate (TardoFreak)
PICcoli grandi PICMicro (Paolino)
Il blog elettrico di carloc (carloc)
DirtEYblooog (dirtydeeds)
Di tutto... un po' (jordan20)
AK47 (lillo)
Esperienze elettroniche (marco438)
Telecomunicazioni musicali (clavicordo)
Automazione ed Elettronica (gustavo)
Direttive per la sicurezza (ErnestoCappelletti)
EYnfo dall'Alaska (mir)
Apriamo il quadro! (attilio)
H7-25 (asdf)
Passione Elettrica (massimob)
Elettroni a spasso (guidob)
Bloguerra (guerra)

