Adesso vediamo una applicazione degli amplificatori da strumentazione.
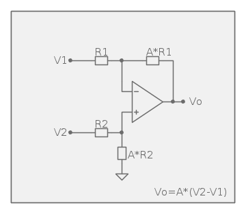
Iniziamo dicendo subito che un amplificatore da strumentazione, in elettronica, ha un suo simbolo circuitale, questo:
Questo è il
pin-out:
- + è l'ingresso non invertente, in pratica, nello schema di prima, la V2 (quella che non viene invertita)
- - è l'ingresso invertente, in pratica, nello schema di prima, la V1 (quella che viene invertita)
- Rg1, Rg2 sono i due pin dove verrà collegata la resistenza Rg, per poter fissare il guadagno
- Vref corrisponde all'ingresso V3 del circuito di prima, cioè quella tensione che si somma all'uscita senza alcun guadagno
Quella che vedremo è una applicazione straclassica.
Alcune volte capita di dover acquisire una corrente circolante in un ramo di un circuito.
Supponiamo di conoscere questi dati, come indicazione di valori massimi:
- Tensione massima presente sul carico: 15V
- Corrente massima presente sul carico: 6A
Questo è il circuito:
Per poter misurare quella corrente inseriamo una
resistenza di shunt, cioè una resistenza di piccolo valore, ai capi della quale leggere una tensione. Secondo la legge di Ohm la tensione ai capi della resistenza sarà proporzionale alla corrente assorbita dal carico. La resistenza è da porre di piccolo valore per non cambiare troppo la tensione sul carico.
La tensione sulla resistenza è

.
Per acquisire la tensione ai capi della resistenza procediamo in questo modo, come primo tentativo.
Abbiamo a disposizione un ADC a due canali e 8 bit di risoluzione e un microcontrollore. Acquisiamo la tensione prima e dopo della resistenza, poi il programma nel microcontrollore farà la sottrazione.
Vediamo lo schema:
Supponiamo, per esempio, che la tensione di alimentazione (il cui massimo può arrivare fino a 15V, come abbiamo visto) sia in quel momento pari a 12V e la corrente, che può arrivare fino a 6A, sia in quel momento di 5A.
La caduta ai capi della resistenza è pari a

, quindi prima della resistenza saranno presenti 12V e dopo saranno presenti 11.5V.
Il riferimento dell'ADC dovrà essere posto a 15V, poiché quella è la tensione massima che può essere presente sull'alimentazione.
Il primo canale dell'ADC acquisirà pertanto 12V, su un fondo scala di 15V.
Vediamo che valore digitale uscirà dall'ADC al canale 1:

e al canale 2:

La differenza è pertanto pari ad 8, che corrisponde ad una tensione di:

Per un errore pari a

Vediamo cosa accade, invece, inserendo un amplificatore da strumentazione.
Il circuito diventa questo:
Come si vede ho messo un amplificatore da strumentazione, con guadagno 10.
E' stato possibile quindi ridurre la resistenza di 10 volte, in modo da rendere la misura 10 volte meno invasiva del caso precedente. Il guadagno pari a 10 riporta le condizioni pari a quelle del caso precedente.
Ma rifacciamo i conti relativi all'errore, nelle stesse condizioni di prima.
La tensione di uscita dell'amplificatore da strumentazione sarà pari alla corrente massima, moltiplicato per la resistenza (0.01Ω), moltiplicato 10 (guadagno).
Se la corrente massima è pari a 6A la tensione di uscita massima è 0.6V, e tale sarà il riferimento dell'ADC.
La corrente circolante nel circuito nel caso in esame è 5A, come prima. La tensione di uscita dell'amplificatore da strumentazione è quindi pari a 0.5V.
Si ha che:

pari ad una tensione di:

Per un errore pari a

Un po' diverso da prima, no?
Inoltre c'è anche da segnalare che la resistenza del primo esempio dissipa una potenza pari a

, mentre quella usata con l'amplificatore da strumentazione ne dissipa un decimo.
Oltre a realizzare un risparmio di potenza (importante, per esempio, nei dispositivi a batteria oppure nei dispositivi dove la corrente circolante è alta) si migliora ulteriormente la misura.
La resistenza, infatti, varia con la temperatura, dando origine a effetti non lineari, a discapito della precisione.
Tutti questi problemi possono essere evitati inserendo, appunto, un amplificatore da strumentazione.