Alimentazione circuiti e led
Moderatori:
carloc,
g.schgor,
BrunoValente,
IsidoroKZ
0
voti
Domandina tecnica,
ho un deviatore DPCO a 3 vie,in teoria on,off,on.
Ho fatto tre prove cambiando il collegamento della massa ogni volta,ecco il primo:
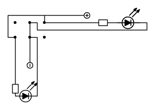
Il negativo è collegato ai pin centrali del deviatore,in teoria dovrebbe essere nelle condizioni che a destra e a sinistra si accendano i led al centro invece totalmente spenti,invece faccendo il tutto su breadboard il risultato è che da un lato si ha tutti i led totalmente spenti mentre al centro e a destra un led si accende.
caso 2:
in questo caso dalla parte opposta al negativo (a destra nello schema) le luci rimangono spente mentre al centro e a sinistra) si accende sempre e solo una lucina
caso 3:
il contrario del caso 2 a destra (dove c'è il negativo) e al centro solo un led si accende mentre a sinistra spento.
E' normale che funzioni così non dovrebbe essere al centro che si spengono le lucette? ovvero dove metto il negativo? e perché si accende un solo led e il led che collego all'altra combinazione di 3 pin non si accende?
ho un deviatore DPCO a 3 vie,in teoria on,off,on.
Ho fatto tre prove cambiando il collegamento della massa ogni volta,ecco il primo:
Il negativo è collegato ai pin centrali del deviatore,in teoria dovrebbe essere nelle condizioni che a destra e a sinistra si accendano i led al centro invece totalmente spenti,invece faccendo il tutto su breadboard il risultato è che da un lato si ha tutti i led totalmente spenti mentre al centro e a destra un led si accende.
caso 2:
in questo caso dalla parte opposta al negativo (a destra nello schema) le luci rimangono spente mentre al centro e a sinistra) si accende sempre e solo una lucina
caso 3:
il contrario del caso 2 a destra (dove c'è il negativo) e al centro solo un led si accende mentre a sinistra spento.
E' normale che funzioni così non dovrebbe essere al centro che si spengono le lucette? ovvero dove metto il negativo? e perché si accende un solo led e il led che collego all'altra combinazione di 3 pin non si accende?
-

razielmitico
-10 5 - Frequentatore

- Messaggi: 153
- Iscritto il: 23 ott 2012, 22:59
0
voti
Perche' prima di fare tutti quegli esperimenti non accerti come funziona effettivamente quell'interruttore?
Prendi il tester in posizione beeper e prova i vari contatti; e' evidente che non funziona come pensi tu.
Se fosse, per esempio (e come hai detto) un on-off-on, con il primo schema ad ogni spostamento della levetta a destra e sinistra, provocheresti un corto.
Prendi il tester in posizione beeper e prova i vari contatti; e' evidente che non funziona come pensi tu.
Se fosse, per esempio (e come hai detto) un on-off-on, con il primo schema ad ogni spostamento della levetta a destra e sinistra, provocheresti un corto.
marco
0
voti
(Per off intendo che non passa corrente)
ho analizzato tre casi (muovendo sempre il negativo),in pratica il punto di "off" sono i pin a sinistra (3,4) se metto il negativo nei pin 3,4 infatti non c'è corrente in nessun pin,ne deduco che quindi i pin 3,4 sono staccati dagli altri due.Quindi i pin rimanenti sono quelli che fanno passare la corrente quindi secondo in quale punto metto il negativo (esempio nei pin 1,2) nei punti 5,6 passerà la corrente,giusto?
Non capisco però perché con il caso 1 dello schema di prima si crea un cortocircuito...
-

razielmitico
-10 5 - Frequentatore

- Messaggi: 153
- Iscritto il: 23 ott 2012, 22:59
0
voti
Di quello che hai scritto non ho capito nulla; lascia perdere il negativo e controlla con il beeper del tester quali sono i pin che danno continuita' a seconda delle posizioni che la levetta puo' assumere.
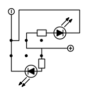
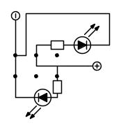
Osserva lo schema; ho disegnato in colore il ramo positivo di alimentazione:
Ora, nei normali commutatori a levetta, i contatti centrali 2/5, vengono rispettivamente a contatto (spostando la levetta a destra) con 1/6 e ( spostandola a sinistra) con 3/4.
Se lasciamo la levetta al centro i quattro contatti esterni sono esclusi, quindi il led di destra e' acceso in quanto riceve sia il positivo che il negativo e lo stesso e' per il led di sinistra.
Se sposti la levetta a destra 2/5 vengono a contatto con 1/6 e quindi il riferimento (massa,negativo) esistente su 2/5 viene a contatto con il positivo sul 6; spostando a sinistra la levetta succede lo stesso tra 2/5 e 3.
Io non so che razza di commutatore ti trovi tra le mani ma, a quanto pare, genera solo confusione.
razielmitico ha scritto:Non capisco però perché con il caso 1 dello schema di prima si crea un cortocircuito...
Osserva lo schema; ho disegnato in colore il ramo positivo di alimentazione:
Ora, nei normali commutatori a levetta, i contatti centrali 2/5, vengono rispettivamente a contatto (spostando la levetta a destra) con 1/6 e ( spostandola a sinistra) con 3/4.
Se lasciamo la levetta al centro i quattro contatti esterni sono esclusi, quindi il led di destra e' acceso in quanto riceve sia il positivo che il negativo e lo stesso e' per il led di sinistra.
Se sposti la levetta a destra 2/5 vengono a contatto con 1/6 e quindi il riferimento (massa,negativo) esistente su 2/5 viene a contatto con il positivo sul 6; spostando a sinistra la levetta succede lo stesso tra 2/5 e 3.
Io non so che razza di commutatore ti trovi tra le mani ma, a quanto pare, genera solo confusione.
marco
0
voti
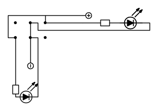
In pratica con questo schema non si ha mai un vero stato di off dove tutte e due i led sono spenti? Ho verificato la continuità collegando il puntale nero ad un pin qualsiasi e verificando poggiando l'altro puntale nei restanti due pin dove c'è continuità (ovvero dove fa il rumore)
Ultima modifica di
marco438 il 19 nov 2012, 19:42, modificato 1 volta in totale.
Motivazione: Eliminato quoting inutile
Motivazione: Eliminato quoting inutile
-

razielmitico
-10 5 - Frequentatore

- Messaggi: 153
- Iscritto il: 23 ott 2012, 22:59
0
voti
Allora, prima di tutto dobbiamo stabilire con chiarezza che tipo di deviatore stai adoperando altrimenti perdiamo tempo e niente altro.
Se lo hai disegnato cosi', suppongo che abbia sei pin su due linee di tre che si puo' rappresentare cosi':
La levetta che lo comanda e' fissa al centro e puoi spostarla a destra o a sinistra oppure e' slide?
Rispondi chiaramente a questo, poi andiamo avanti.
P.S. Evita di citare i messaggi per intero; serve solo a duplicare il forum.
Se lo hai disegnato cosi', suppongo che abbia sei pin su due linee di tre che si puo' rappresentare cosi':
La levetta che lo comanda e' fissa al centro e puoi spostarla a destra o a sinistra oppure e' slide?
Rispondi chiaramente a questo, poi andiamo avanti.
P.S. Evita di citare i messaggi per intero; serve solo a duplicare il forum.
marco
0
voti
Si ha 6 pin ed ha 3 vie due laterali (destra,sinistra) e una centrale,è una levetta.Posso fargli una foto se vuoi XD
-

razielmitico
-10 5 - Frequentatore

- Messaggi: 153
- Iscritto il: 23 ott 2012, 22:59
0
voti
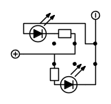
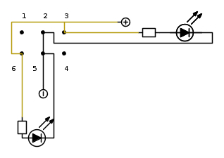
faccendo riferimento a questo schema:
forse ho capito come funziona,in pratica,se la levetta è al centro da nessun pin passerà corrente,se la levetta si trova a uno degli estremi da quel punto non passerà la corrente.
Esempio se la levetta si trova a Dx i pin che ci sono a destra saranno i pin di chiusurà ovverò da dove non passa la corrente.
Se noi mettiamo la levetta a destra (in corrispondenza dei pin 5,6) da quei pin non passerà corrente qualsasi sia la combinazione dei fili negativo/positivo nei pin 1,2 e 3,4,viceversa con gli altri pin,se invece la levetta è al centro in corrispondenza dei pin 3,4 la corrente non passerà da nessuno dei 6 pin,giusto?
forse ho capito come funziona,in pratica,se la levetta è al centro da nessun pin passerà corrente,se la levetta si trova a uno degli estremi da quel punto non passerà la corrente.
Esempio se la levetta si trova a Dx i pin che ci sono a destra saranno i pin di chiusurà ovverò da dove non passa la corrente.
Se noi mettiamo la levetta a destra (in corrispondenza dei pin 5,6) da quei pin non passerà corrente qualsasi sia la combinazione dei fili negativo/positivo nei pin 1,2 e 3,4,viceversa con gli altri pin,se invece la levetta è al centro in corrispondenza dei pin 3,4 la corrente non passerà da nessuno dei 6 pin,giusto?
-

razielmitico
-10 5 - Frequentatore

- Messaggi: 153
- Iscritto il: 23 ott 2012, 22:59
0
voti
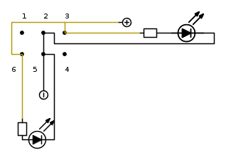
Ecco il mio deviatore a tre vie:
ne ho comprato anche un altro è il funzionamento è lo stesso!
ne ho comprato anche un altro è il funzionamento è lo stesso!
-

razielmitico
-10 5 - Frequentatore

- Messaggi: 153
- Iscritto il: 23 ott 2012, 22:59
Chi c’è in linea
Visitano il forum: Nessuno e 245 ospiti

Elettrotecnica e non solo (admin)
Un gatto tra gli elettroni (IsidoroKZ)
Esperienza e simulazioni (g.schgor)
Moleskine di un idraulico (RenzoDF)
Il Blog di ElectroYou (webmaster)
Idee microcontrollate (TardoFreak)
PICcoli grandi PICMicro (Paolino)
Il blog elettrico di carloc (carloc)
DirtEYblooog (dirtydeeds)
Di tutto... un po' (jordan20)
AK47 (lillo)
Esperienze elettroniche (marco438)
Telecomunicazioni musicali (clavicordo)
Automazione ed Elettronica (gustavo)
Direttive per la sicurezza (ErnestoCappelletti)
EYnfo dall'Alaska (mir)
Apriamo il quadro! (attilio)
H7-25 (asdf)
Passione Elettrica (massimob)
Elettroni a spasso (guidob)
Bloguerra (guerra)







