David,
non riuscivo a spiegarmi cosa nel tuo circuito facesse salire la corrente così lentamente, poi ho trovato la risposta osservando lo schema: l'elettrolitico lo hai montato a valle della resistenza di shunt e quindi la corrente letta non è la Id. Si tratta di un errore o lo hai collegato così intenzionalmente ?
E poi, cosa importante, avresti dovuto monitorare anche la tensione di batteria senza diodo per vedere se quelle oscillazioni sono presenti anche sul condensatore
Progetto elettroutensile a batteria
Moderatori:
carloc,
g.schgor,
BrunoValente,
IsidoroKZ
1
voti
Ciao a tutti !
Non posso che partire scusandomi per l' errore che però è esclusivamente sullo schema elettrico. In realtà infatti il condensatore è collegato correttamente.
Ho fatto alcune prove e posso dirvi che:
1- La tensione ai capi del condensatore da 1800uF (che ha il terminale positivo connesso a monte dello shunt ed il terminale negativo sul source) è pulita anche in assenza del diodo, in pratica presenta lo stesso andamento degli oscillogrammi precedenti.
2- Con le sonde collegate per misurare Id e Vds ed eliminando il diodo di protezione ho provato a muovere i lunghi cavi di potenza che collegano il riscaldatore al circuito ed ho notato che in base alla posizione di questi ultimi i fronti di salita e discesa dei segnali cambiano in modo evidente. Se tendo i cavi in modo che i fili seguano un percorso rettilineo Id presenta una curva molto più attenuata impiegando molto meno tempo per giungere al valore massimo e Vds durante la fase di apertura presenta autooscillazioni minori. Se invece li "arrotolo" in modo da formare una mezza spira (come nel caso degli oscillogrammi) i picchi su Vds si fanno più ampi e la corrente aumenta il tempo di salita. Credo quindi che l' induttanza sia rappresentata proprio da quei due cavi in particolare ma mi farebbe piacere conoscere il vostro parere.
3- Se invece elimino sia il diodo di protezione che il condensatore elettrolitico la situazione precipita. Tutti i segnali risultano sporchi durante tutto il Il Ton (transitori compresi).
Comunque dopo vi invio le foto.
Ciao e grazie!
David
Non posso che partire scusandomi per l' errore che però è esclusivamente sullo schema elettrico. In realtà infatti il condensatore è collegato correttamente.
Ho fatto alcune prove e posso dirvi che:
1- La tensione ai capi del condensatore da 1800uF (che ha il terminale positivo connesso a monte dello shunt ed il terminale negativo sul source) è pulita anche in assenza del diodo, in pratica presenta lo stesso andamento degli oscillogrammi precedenti.
2- Con le sonde collegate per misurare Id e Vds ed eliminando il diodo di protezione ho provato a muovere i lunghi cavi di potenza che collegano il riscaldatore al circuito ed ho notato che in base alla posizione di questi ultimi i fronti di salita e discesa dei segnali cambiano in modo evidente. Se tendo i cavi in modo che i fili seguano un percorso rettilineo Id presenta una curva molto più attenuata impiegando molto meno tempo per giungere al valore massimo e Vds durante la fase di apertura presenta autooscillazioni minori. Se invece li "arrotolo" in modo da formare una mezza spira (come nel caso degli oscillogrammi) i picchi su Vds si fanno più ampi e la corrente aumenta il tempo di salita. Credo quindi che l' induttanza sia rappresentata proprio da quei due cavi in particolare ma mi farebbe piacere conoscere il vostro parere.
3- Se invece elimino sia il diodo di protezione che il condensatore elettrolitico la situazione precipita. Tutti i segnali risultano sporchi durante tutto il Il Ton (transitori compresi).
Comunque dopo vi invio le foto.
Ciao e grazie!
David
0
voti
Ok, ora è chiaro: non avevo capito che il carico fosse lontano dal mosfet.
Dagli oscillogrammi si nota che la corrente cresce passando da zero a circa 40A in un tempo di circa 40us con una tensione di 5-6V e questo è compatibile con la presenza di una induttanza in serie al carico di circa 5-6uH che è un valore eccessivo per un normale cablaggio ma se i cavi sono lunghi può essere e a questo punto direi che anche le oscillazioni dipendono da questo: quando il mosfet si apre l'induttanza che è carica palleggia la sua energia con le capacità parassite del circuito oscillando ad alta frequenza.
L'ideale sarebbe collegare il mosfet e il condensatore a ridosso del carico ma se non si può fare conviene utilizzare cavi della massima sezione possibile e attorcigliarli strettamente tra loro in modo da ridurre al minimo l'induttanza parassita. Una volta accoppiati strettamente l'effetto indesiderato dovrebbe ridursi al minimo e, soprattutto, non dipendere più dal percorso che fanno.
Penso possa aiutare l'uso di più cavi sottili isolati tra loro e messi in parallelo avendo l'accortezza di intrecciare quelli di andata con quelli di ritorno in modo da formare un percorso di andata quanto più possibile sovrapposto a quello di ritorno.
Se non si riesce a ridurre il difetto non rimane che lasciare il diodo.
Dagli oscillogrammi si nota che la corrente cresce passando da zero a circa 40A in un tempo di circa 40us con una tensione di 5-6V e questo è compatibile con la presenza di una induttanza in serie al carico di circa 5-6uH che è un valore eccessivo per un normale cablaggio ma se i cavi sono lunghi può essere e a questo punto direi che anche le oscillazioni dipendono da questo: quando il mosfet si apre l'induttanza che è carica palleggia la sua energia con le capacità parassite del circuito oscillando ad alta frequenza.
L'ideale sarebbe collegare il mosfet e il condensatore a ridosso del carico ma se non si può fare conviene utilizzare cavi della massima sezione possibile e attorcigliarli strettamente tra loro in modo da ridurre al minimo l'induttanza parassita. Una volta accoppiati strettamente l'effetto indesiderato dovrebbe ridursi al minimo e, soprattutto, non dipendere più dal percorso che fanno.
Penso possa aiutare l'uso di più cavi sottili isolati tra loro e messi in parallelo avendo l'accortezza di intrecciare quelli di andata con quelli di ritorno in modo da formare un percorso di andata quanto più possibile sovrapposto a quello di ritorno.
Se non si riesce a ridurre il difetto non rimane che lasciare il diodo.
-

BrunoValente
39,6k 7 11 13 - G.Master EY

- Messaggi: 7796
- Iscritto il: 8 mag 2007, 14:48
1
voti
Perfetto! Ho misurato ora l' induttanza presentata ai capi dei due cavi di potenza (scollegati dal resto del circuito) ed il valore è di circa 2uH (probabilmente anche gli altri cavi incrementano il fenomeno). Comunque dalle spiegazioni ho capito sia come identificare il problema che come risolverlo. Al momento della costruzione dello stampato e della realizzazione della pinza terrò ben presenti queste importanti considerazioni. Grazie!
Questo è l' oscillogramma che mancava l' ultima volta si vede l' andamento di Vbatt Id e Vds senza il diodo. L'amplificazione verticale è a 5V/div per Vbatt 0.2V/div per Id (differenziale ai capi dello shunt da 0,005 ohm), 5V/div per Vds. La base dei tempi è a 20uS/div:
Ho provato a calcolare l' energia dissipata durante la fase di apertura del mosfet ma senza grandi risultati..... ti posto Il grafico sul quale stavo lavorando :
Ti riporto anche i valori che risultano poco leggibili :
Area rossa : 0,589 cm^2
Area gialla : 0,331cm^2
Area blu : 0,363 cm^2
Area verde: 0,566 cm^2
L' amplificazione della Id (traccia alta) è a 200mV/div (40A) mentre quella di Vds è a 5V/div. La base dei tempi è a 10us/div.
Da quello che ho capito dalle precedenti spiegazioni mi devo preoccupare soltanto dell' area rossa e di quella blu. Non riesco però a procedere e data l' inesperienza non capisco se i risultati che ottengo siano accettabili oppure assurdi ..... se puoi darmi un' aiuto te ne sarei grato!
Ciao
David
Questo è l' oscillogramma che mancava l' ultima volta si vede l' andamento di Vbatt Id e Vds senza il diodo. L'amplificazione verticale è a 5V/div per Vbatt 0.2V/div per Id (differenziale ai capi dello shunt da 0,005 ohm), 5V/div per Vds. La base dei tempi è a 20uS/div:
Ho provato a calcolare l' energia dissipata durante la fase di apertura del mosfet ma senza grandi risultati..... ti posto Il grafico sul quale stavo lavorando :
Ti riporto anche i valori che risultano poco leggibili :
Area rossa : 0,589 cm^2
Area gialla : 0,331cm^2
Area blu : 0,363 cm^2
Area verde: 0,566 cm^2
L' amplificazione della Id (traccia alta) è a 200mV/div (40A) mentre quella di Vds è a 5V/div. La base dei tempi è a 10us/div.
Da quello che ho capito dalle precedenti spiegazioni mi devo preoccupare soltanto dell' area rossa e di quella blu. Non riesco però a procedere e data l' inesperienza non capisco se i risultati che ottengo siano accettabili oppure assurdi ..... se puoi darmi un' aiuto te ne sarei grato!
Ciao
David
1
voti
David, ti faccio notare che per il calcolo della energia dissipata sul mosfet devi considerare la zona bianca che rappresenta la tensione sul mosfet, quella blù è invece la tensione sul carico.
Se vuoi procedere per una rapida stima grafica puoi fare così: dividi le due figure in tante strisce verticali ad esempio da 1us ciascuna o meno, misura le altezze di tutte le strisce dell'una e dell'altra figura, moltiplica tra loro i due valori appartenenti ad ogni coppia di strisce e somma tra loro i risultati, moltiplica il valore ottenuto per il tempo in secondi che corrisponde alla larghezza di una striscia e ottieni una stima dell'energia dissipata sul mosfet ad ogni apertura. La potenza dissipata sul mosfet sarà il prodotto del valore ottenuto per il numero di aperture in un secondo, cioè per la frequenza di commutazione. Sto ovviamente trascurando l'energia dissipata durante le chiusure
Se vuoi procedere per una rapida stima grafica puoi fare così: dividi le due figure in tante strisce verticali ad esempio da 1us ciascuna o meno, misura le altezze di tutte le strisce dell'una e dell'altra figura, moltiplica tra loro i due valori appartenenti ad ogni coppia di strisce e somma tra loro i risultati, moltiplica il valore ottenuto per il tempo in secondi che corrisponde alla larghezza di una striscia e ottieni una stima dell'energia dissipata sul mosfet ad ogni apertura. La potenza dissipata sul mosfet sarà il prodotto del valore ottenuto per il numero di aperture in un secondo, cioè per la frequenza di commutazione. Sto ovviamente trascurando l'energia dissipata durante le chiusure
- Allegati
-
- Aree%20dissipazione%20mosfet.png (171.35 KiB) Osservato 2115 volte
-

BrunoValente
39,6k 7 11 13 - G.Master EY

- Messaggi: 7796
- Iscritto il: 8 mag 2007, 14:48
1
voti
Bellissimo lavoro, questa "manovra" devo imparare a farla! Grazie mille a te e a Stella!
Stavo valutando i vari metodi di calcolo che mi avete illustrato cercando di riordinare le idee; non avendoli mai approcciati ho ancora alcuni dubbi, ho bisogno di qualche giorno per "digerire" il tutto. Comunque sia mi avete passato tutti gli strumenti per cominciare ad arrangiarmi e questo è molto positivo!
Visto che ormai ci siamo addentrati nell' analisi del circuito sarebbe un vero peccato non andare fino in fondo! Non trovate?
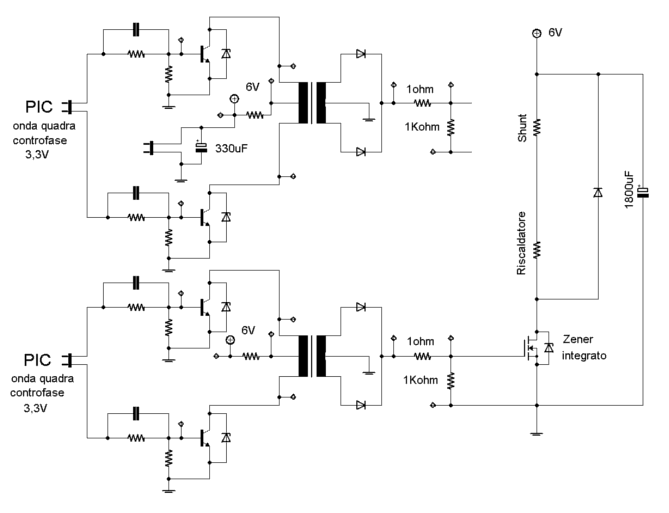
Vi invio lo schema elettrico corretto sul quale è stata eseguita la misura successiva:
L' oscillogramma che segue vede il CH1 (sia la sonda che la pinza) collegato ai capi della batteria, il CH2 (sia la sonda che la pinza) collegato ai capi del condensatore elettrolitico da 1800uF ed il CH3 (sia la sonda che la pinza) collegato ai capi dell' elettrolitico che funge da serbatoio allo stabilizzatore da 3,3V (questo punto non si vede nello schema). Attenzione perché lo schema inganna, nella realtà tra i morsetti della batteria ed i terminali della capacità ci sono 30-40 cm di cavo. La misura è eseguita in AC, l' amplificazione verticale impostata a 0.5V/div per tutti i canali mentre la base dei tempi è a 0,2ms/div:
Dall' oscillogramma mi sembra di capire che la situazione in ingresso allo stabilizzatore da 3,3V (CH3) sia buona. Gli accorgimenti presi, cioè la separazione dei cavi di alimentazione (che si incontrano soltanto in prossimità della batteria) ed il serbatoio formato dal diodo in serie al positivo e dal condensatore elettrolitico da 220uF sono efficaci.
Sul canale 1 e 2 in particolare invece la situazione non va. Si vede chiaramente che sulla batteria (CH1) si verifica un calo di tensione inferiore a quello presente ai capi del elettrolitico da 1800uF (CH2), ho notato che questo effetto si attenua se aumento la capacità del condensatore.
Questo effetto potrebbe essere attribuito ancora una volta all' induttanza dei lunghi cavi (non quelli del riscaldatore ma quelli che collegano la batteria al ramo di potenza del circuito) che non permettono una rapida ricarica del condensatore ?
Ho visto che avete fatto parecchie considerazioni sui condensatori da porre in quella posizione. Entrambi indipendentemente dalla tipologia del componente mi avete suggerito di inserire alcuni condensatori di capacità veramente ridotte sui 100nF in quella posizione. Questi condensatori a quanto ho capito servono per assorbire le componenti ad alta frequenza generate dall' autooscillazione del mosfet al momento dell' apertura. Giusto ?
In parallelo a questi componenti dovrò comunque lasciare il grosso elettrolitico. Vero ?
Ciao e grazie !
David
Stavo valutando i vari metodi di calcolo che mi avete illustrato cercando di riordinare le idee; non avendoli mai approcciati ho ancora alcuni dubbi, ho bisogno di qualche giorno per "digerire" il tutto. Comunque sia mi avete passato tutti gli strumenti per cominciare ad arrangiarmi e questo è molto positivo!
Visto che ormai ci siamo addentrati nell' analisi del circuito sarebbe un vero peccato non andare fino in fondo! Non trovate?
Vi invio lo schema elettrico corretto sul quale è stata eseguita la misura successiva:
L' oscillogramma che segue vede il CH1 (sia la sonda che la pinza) collegato ai capi della batteria, il CH2 (sia la sonda che la pinza) collegato ai capi del condensatore elettrolitico da 1800uF ed il CH3 (sia la sonda che la pinza) collegato ai capi dell' elettrolitico che funge da serbatoio allo stabilizzatore da 3,3V (questo punto non si vede nello schema). Attenzione perché lo schema inganna, nella realtà tra i morsetti della batteria ed i terminali della capacità ci sono 30-40 cm di cavo. La misura è eseguita in AC, l' amplificazione verticale impostata a 0.5V/div per tutti i canali mentre la base dei tempi è a 0,2ms/div:
Dall' oscillogramma mi sembra di capire che la situazione in ingresso allo stabilizzatore da 3,3V (CH3) sia buona. Gli accorgimenti presi, cioè la separazione dei cavi di alimentazione (che si incontrano soltanto in prossimità della batteria) ed il serbatoio formato dal diodo in serie al positivo e dal condensatore elettrolitico da 220uF sono efficaci.
Sul canale 1 e 2 in particolare invece la situazione non va. Si vede chiaramente che sulla batteria (CH1) si verifica un calo di tensione inferiore a quello presente ai capi del elettrolitico da 1800uF (CH2), ho notato che questo effetto si attenua se aumento la capacità del condensatore.
Questo effetto potrebbe essere attribuito ancora una volta all' induttanza dei lunghi cavi (non quelli del riscaldatore ma quelli che collegano la batteria al ramo di potenza del circuito) che non permettono una rapida ricarica del condensatore ?
Ho visto che avete fatto parecchie considerazioni sui condensatori da porre in quella posizione. Entrambi indipendentemente dalla tipologia del componente mi avete suggerito di inserire alcuni condensatori di capacità veramente ridotte sui 100nF in quella posizione. Questi condensatori a quanto ho capito servono per assorbire le componenti ad alta frequenza generate dall' autooscillazione del mosfet al momento dell' apertura. Giusto ?
In parallelo a questi componenti dovrò comunque lasciare il grosso elettrolitico. Vero ?
Ciao e grazie !
David
0
voti
Per i condensatori sì è così, gli elettrolitici non funzionano più in alta frequenza e vanno parallelati con condensatori di altro tipo idonei all'alta frequenza.
Per quanto riguarda le tre misure io le valuterei con cautela: se le tre sonde dell'oscilloscopio hanno la massa in comune internamente allo strumento probabilmente vengono falsate le misure, devi considerare che se i due poli della batteria vengono collegati al circuito con due cavi uguali, dovrai aspettarti più o meno le stesse cadute di tensione sia sul cavo positivo che su quello negativo perché sono percorsi dalla stessa corrente, quindi, avendo collegato le due pinze di massa delle sonde l'una all'inizio del cavo negativo e l'altra alla fine, si ha una caduta di tensione anche sui cavi di massa delle sonde che in qualche modo, si va a sommare alla tensione da misurare falsandola.
Faresti bene ad eseguire le tre misure separatamente, una alla volta collegando solo una sonda per volta
Per quanto riguarda le tre misure io le valuterei con cautela: se le tre sonde dell'oscilloscopio hanno la massa in comune internamente allo strumento probabilmente vengono falsate le misure, devi considerare che se i due poli della batteria vengono collegati al circuito con due cavi uguali, dovrai aspettarti più o meno le stesse cadute di tensione sia sul cavo positivo che su quello negativo perché sono percorsi dalla stessa corrente, quindi, avendo collegato le due pinze di massa delle sonde l'una all'inizio del cavo negativo e l'altra alla fine, si ha una caduta di tensione anche sui cavi di massa delle sonde che in qualche modo, si va a sommare alla tensione da misurare falsandola.
Faresti bene ad eseguire le tre misure separatamente, una alla volta collegando solo una sonda per volta
-

BrunoValente
39,6k 7 11 13 - G.Master EY

- Messaggi: 7796
- Iscritto il: 8 mag 2007, 14:48
1
voti
Ciao,
devo dire che ogni vostra risposta è un' iniezione di cultura e cercare di starvi dietro è piuttosto difficoltoso. Questi continui sproni sono per me un vero tesoro e contribuiscono di volta in volta ad ampliare le mie conoscenze che sono ancora lontane dall' essere certezza. Siete dei grandi, sia per la disponibilità che per la pazienza dimostrata! Grazie!
Tornando al discorso oscilloscopio avete ragione, è sempre meglio spendere tempo per valutare le condizioni di misura piuttosto che prendere per buono qualcosa che non lo sia. Il mio oscilloscopio ha le masse in comune e nel corso delle varie misure mi ero reso conto che qualcosa non andava bene ma avevo sempre preferito tralasciare perché pensavo che fosse un fatto superfluo. Ora ho finalmente capito il perché dell' errore ed anche come porvi rimedio .... farò tanta pratica e prometto che in futuro vedrò di inviarvi soltanto oscillogrammi "collaudati". La costruzione delle sonde è veramente una bella idea, mi sa che appena finito questo progetto mi ci dedicherò seriamente!
Per quanto riguarda il discorso della dissipazione del mosfet essenzialmente avrà tre distinte aree :
la prima è quella che vede il transitorio di chiusura la seconda è quella in saturazione e la terza è quella riguardante il transitorio di apertura.
-La prima fase ipotizziamola per il momento trascurabile.
-La seconda fase dipende dal Ton e vede la potenza istantanea dissipata come la caduta di tensione Vds moltiplicata per Id, essendo la caduta di tensione ai capi dello shunt 0.24 V e la sua resistenza pari a 0.005ohm la corrente risulta 48A, Vds sat è invece 500mV. La potenza istantanea dissipata è il prodotto tra Id e Vds quindi 24W.
-La terza fase ho fatto i calcoli a mano come spiegato da Bruno. Il risultato è di una dissipazione per ciclo di 390uJ che corrispondono ad una potenza dissipata a 3KHz di 1,2W circa. Come potenza in corrispondenza del picco (linea rossa del suo grafico) ho calcolato una potenza dissipata di 115W.
Non riesco a capire se i miei risultati possano essere buoni oppure no; ho notato che se imposto il Ton all' 1% (cercando cioè di lasciare soltanto il tempo impiegato dalle commutazioni) posso lasciare che la corrente scorra nel carico per tanto tempo senza apprezzare un particolare aumento di temperatura da parte del mosfet. Se invece porto il Ton al 50% il surriscaldamento del finale si fa molto più rapido fino a quando dopo 10-15 s dallo start devo spegnere per evitare di bruciare il mosfet. Cosa ne pensate ?
Ciao e grazie!
David
devo dire che ogni vostra risposta è un' iniezione di cultura e cercare di starvi dietro è piuttosto difficoltoso. Questi continui sproni sono per me un vero tesoro e contribuiscono di volta in volta ad ampliare le mie conoscenze che sono ancora lontane dall' essere certezza. Siete dei grandi, sia per la disponibilità che per la pazienza dimostrata! Grazie!
Tornando al discorso oscilloscopio avete ragione, è sempre meglio spendere tempo per valutare le condizioni di misura piuttosto che prendere per buono qualcosa che non lo sia. Il mio oscilloscopio ha le masse in comune e nel corso delle varie misure mi ero reso conto che qualcosa non andava bene ma avevo sempre preferito tralasciare perché pensavo che fosse un fatto superfluo. Ora ho finalmente capito il perché dell' errore ed anche come porvi rimedio .... farò tanta pratica e prometto che in futuro vedrò di inviarvi soltanto oscillogrammi "collaudati". La costruzione delle sonde è veramente una bella idea, mi sa che appena finito questo progetto mi ci dedicherò seriamente!
Per quanto riguarda il discorso della dissipazione del mosfet essenzialmente avrà tre distinte aree :
la prima è quella che vede il transitorio di chiusura la seconda è quella in saturazione e la terza è quella riguardante il transitorio di apertura.
-La prima fase ipotizziamola per il momento trascurabile.
-La seconda fase dipende dal Ton e vede la potenza istantanea dissipata come la caduta di tensione Vds moltiplicata per Id, essendo la caduta di tensione ai capi dello shunt 0.24 V e la sua resistenza pari a 0.005ohm la corrente risulta 48A, Vds sat è invece 500mV. La potenza istantanea dissipata è il prodotto tra Id e Vds quindi 24W.
-La terza fase ho fatto i calcoli a mano come spiegato da Bruno. Il risultato è di una dissipazione per ciclo di 390uJ che corrispondono ad una potenza dissipata a 3KHz di 1,2W circa. Come potenza in corrispondenza del picco (linea rossa del suo grafico) ho calcolato una potenza dissipata di 115W.
Non riesco a capire se i miei risultati possano essere buoni oppure no; ho notato che se imposto il Ton all' 1% (cercando cioè di lasciare soltanto il tempo impiegato dalle commutazioni) posso lasciare che la corrente scorra nel carico per tanto tempo senza apprezzare un particolare aumento di temperatura da parte del mosfet. Se invece porto il Ton al 50% il surriscaldamento del finale si fa molto più rapido fino a quando dopo 10-15 s dallo start devo spegnere per evitare di bruciare il mosfet. Cosa ne pensate ?
Ciao e grazie!
David
Chi c’è in linea
Visitano il forum: Nessuno e 110 ospiti

Elettrotecnica e non solo (admin)
Un gatto tra gli elettroni (IsidoroKZ)
Esperienza e simulazioni (g.schgor)
Moleskine di un idraulico (RenzoDF)
Il Blog di ElectroYou (webmaster)
Idee microcontrollate (TardoFreak)
PICcoli grandi PICMicro (Paolino)
Il blog elettrico di carloc (carloc)
DirtEYblooog (dirtydeeds)
Di tutto... un po' (jordan20)
AK47 (lillo)
Esperienze elettroniche (marco438)
Telecomunicazioni musicali (clavicordo)
Automazione ed Elettronica (gustavo)
Direttive per la sicurezza (ErnestoCappelletti)
EYnfo dall'Alaska (mir)
Apriamo il quadro! (attilio)
H7-25 (asdf)
Passione Elettrica (massimob)
Elettroni a spasso (guidob)
Bloguerra (guerra)