Ok, grazie Claudio, per fortuna che c'è qualcuno che mi protegge la reputazione, potessi correggere io lo farei ma non posso...
Se ti capita qualche inconveniente non ti preoccupare, non è un dramma, a tutto c'è rimedio. Però non ho capito se lo schema che ho postato corrisponda a quello che intendeva Isidoro o no. Il fatto che non cambi niente, specialmente in negativo, è un bene ma la risposta che aspetto da un po' è un'altra...
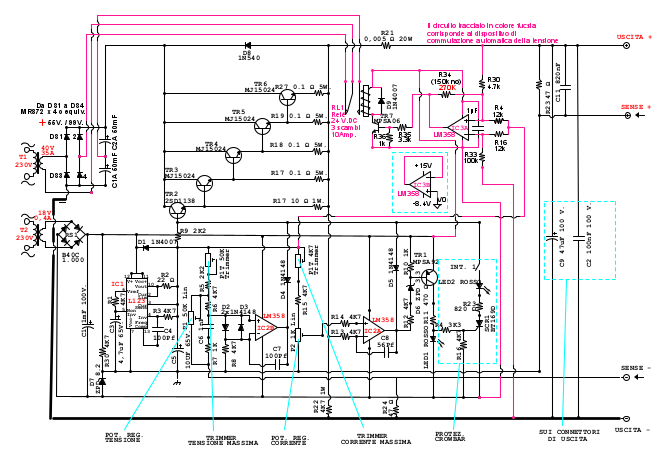
COMMUTAZIONE AUTOMATICA DI TENSIONE
Moderatori:
carloc,
g.schgor,
BrunoValente,
IsidoroKZ
1
voti
IsidoroKZ ha scritto:CI sono due cose che non vanno: se passando da una resistenza di retroazione di 150kΩ a 470kΩ l'isteresi praticamente sparisce, vuol dire che c'e` qualcosa di grosso che non va. La resistenza non e` da 470kΩ oppure non e` collegata.
Sostanzialmente, modificando quella resistenza non si trova una condizione eccellente però con il valore da 270K le differenze sono ancora minime ma non c’è più il buco di regolazione. I valori sono in sintesi i seguenti:
SENZA CARICO:
il relè si attiva a 39,377 V. e a seguito dell'attivazione, la tensione di uscita subisce un calo a 39,099 V. (-0,278 V.). Il rilascio del relè avviene a tensione di 38, 560 V. con incremento della tensione di uscita a 38,835 V. (+0,275 V.).
CON CARICO:
il relè si attiva a 39,479 V. e a seguito dell'attivazione, la tensione di uscita subisce un calo a 39,201 V. (-0,278 V.). Il rilascio del relè avviene a tensione di 38, 659 V. con incremento della tensione di uscita a 38,935 V. (+0,276 V.).
Mi sembrano valori accettabili, specialmente se si utilizza un potenziometro a 10 giri.
IsidoroKZ ha scritto:Seconda cosa: se un rele` da 24 V nominali collegato a una tensione di 24 V non scatta, buttalo via, non funziona! Se usi il rele` da 12V 110Ω, metti in serie al rele` una resistenza da 110Ω 2W (anche 100Ω o 120Ω) vanno bene lo stesso, verifica che sull'avvolgimento del rele` acceso ci siano 12V.
Il relè scatta regolarmente se alimentato con l’alimentatore da laboratorio, non scatta se pilotato dal transistor. Sullo schema lascio un relè da 24 V, sul circuito uno da 12V con una resistenza in serie da 120 Ohm, funziona anche così.
IsidoroKZ ha scritto:Terzo: se cortocircuitando le resistenze da 47Ω fra uscita e ingresso dek remote sensing aumenta il ripple, c'e` di nuovo qualcosa di molto sbagliato che non va. Gia` una volta avevi detto che mettendo anche solo una lampadinetta su C1 il ripple si impennava! Cortocircuita una alla volta le resistenze da 47Ω, non c'e` motivo per cui debba aumentare il ripple.
Opps, ancora una volta ho sbagliato a contare, erano tre, non duenon vado d'accordo con la matematica!
Se tolgo la resistenza dal lato negativo il ripple arriva ad 1V, se la cortocircuito il ripple rimane invariato. Se tolgo la resistenza dal lato positivo, l’uscita va a zero in quanto scatta la protezione in corrente, se la cortocircuito il ripple rimane invariato. In effetti potrei cortocircuitarle e non succederebbe niente ma questo intervento potrei attuarlo personalmente sulla mia realizzazione ma nello schema ho lasciato la regolazione di sense.
Una breve spiegazione sulla numerazione eterogenea dei componenti: il circuito è stato progettato facendo il merge di due progetti indipendenti per sfruttare le caratteristiche migliori dei due. Inoltre, di una prima realizzazione del progetto era già stata costruita, mediante i cinesi, la PCB e per evitare di non capirci più niente è stata lasciata l’identificazione originale dei componenti. Poi è stato aggiunto il CrowBar, poi la commutazione automatica ma avendo già realizzata la PCB non è stato possibile reidentificare in modo più coerente i componenti. Se verrà rifatta la PCB sarà possibile reidentificare, per il momento ci si deve accontentare di quello che c’è. Comunque l’alimentatore non è terminato in fatto di tarature. Se si dovesse accettare la commutazione automatica così com'è, ci sarebbe da controllare ed eventualmente calibrare la regolazione di corrente, che adesso è un po’ approssimativa ma potrebbe anche non richiedere grandi interventi.
Pubblico lo schema completo. Spero di non aver commesso errori:
Ultima modifica di
gianniniivo il 18 ott 2020, 1:55, modificato 1 volta in totale.
-

gianniniivo
9.045 7 11 13 - No Rank
- Messaggi: 2875
- Iscritto il: 5 feb 2019, 23:50
0
voti
gianniniivo ha scritto:Sostanzialmente, modificando quella resistenza non si trova una condizione eccellente però con il valore da 270K le differenze sono ancora minime ma non c’è più il buco di regolazione. I valori sono in sintesi i seguenti:
CON CARICO:
il relè si attiva a 39,479 V. e a seguito dell'attivazione, la tensione di uscita subisce un calo a 39,201 V. (-0,278 V.). Il rilascio del relè avviene a tensione di 38, 659 V. con incremento della tensione di uscita a 38,935 V. (+0,276 V.).
Mi sembrano valori accettabili, specialmente se si utilizza un potenziometro a 10 giri.
non sono accettabili, c'e` qualcosa che non va. L'isteresi non puo` essere quella!
gianniniivo ha scritto:Il relè scatta regolarmente se alimentato con l’alimentatore da laboratorio, non scatta se pilotato dal transistor.
Anche qui c'e`qualcosa che non va, bisognerebbe misurare la tensione ai capi dell'avvolgimento quando e` nel circuito e alimentato. Ma se e` da 500Ω dovrebbe scattare.
gianniniivo ha scritto:Se tolgo la resistenza dal lato negativo il ripple arriva ad 1V, se la cortocircuito il ripple rimane invariato. Se tolgo la resistenza dal lato positivo, l’uscita va a zero in quanto scatta la protezione in corrente, se la cortocircuito il ripple rimane invariato. In effetti potrei cortocircuitarle e non succederebbe niente ma questo intervento potrei attuarlo personalmente sulla mia realizzazione ma nello schema ho lasciato la regolazione di sense.
E chi ha parlato di aprire quelle resistenze? Ti e`andata bene che non sia scoppiato tutto!
Credo che da lontano non possa fare di meglio, ho chiesto un paio di volte di fare delle misure, ma non le hai riportate, direi che piu` di tanto non possa fare.
Per usare proficuamente un simulatore, bisogna sapere molta più elettronica di lui
Plug it in - it works better!
Il 555 sta all'elettronica come Arduino all'informatica! (entrambi loro malgrado)
Se volete risposte rispondete a tutte le mie domande
Plug it in - it works better!
Il 555 sta all'elettronica come Arduino all'informatica! (entrambi loro malgrado)
Se volete risposte rispondete a tutte le mie domande
0
voti
Per quanto riguarda l’isteresi mi accontenterei anche di quella, anche perché, con tutta franchezza non saprei cos'altro fare. Inoltre il passaggio non da problemi e si percepisce soltanto per lo scatto del relè.
Il relè è da 600 Ohm, non da 500, e con l’alimentatore scatta perfettamente ma con il circuito no. Se utilizzo un relè a 24 V ma ad impedenza minore, mi sembra 150 Ohm, scatta regolarmente ma di relè a 24 V 3 scambi non ne ho più. Non avrei problemi ad ordinarlo ma occorrerebbe un certo tempo, poi funziona bene anche con quello da 12V con la resistenza in serie.
Nessuno a parlato di aprire quelle resistenze, ho fatto io due prove kamikaze per vedere cosa succedeva con il ripple. Non è successo niente. Ma cosa sono le m?
Mi hai chiesto un paio di volte di fare delle misure, non lo escluderei a priori, ma in realtà non lo sappiamo nemmeno più entrambi quante misure ho fatto. Con questo non è che intenda lamentarmi, ci mancherebbe, ma è anche possibile che mi sia sfuggito qualcosa…
Hai notato che ho dimezzato la capacità della cella di filtro del circuito di potenza? Funziona bene ugualmente e il ripple mi sembrerebbe invariato...
Comunque cercherò di rileggermi tutta la discussione, sperando di intercettare le misure che non ho riportato. Grazie in ogni caso per la pazienza e l’aiuto a distanza, non era affatto semplice...

Il relè è da 600 Ohm, non da 500, e con l’alimentatore scatta perfettamente ma con il circuito no. Se utilizzo un relè a 24 V ma ad impedenza minore, mi sembra 150 Ohm, scatta regolarmente ma di relè a 24 V 3 scambi non ne ho più. Non avrei problemi ad ordinarlo ma occorrerebbe un certo tempo, poi funziona bene anche con quello da 12V con la resistenza in serie.
Nessuno a parlato di aprire quelle resistenze, ho fatto io due prove kamikaze per vedere cosa succedeva con il ripple. Non è successo niente. Ma cosa sono le m?
Mi hai chiesto un paio di volte di fare delle misure, non lo escluderei a priori, ma in realtà non lo sappiamo nemmeno più entrambi quante misure ho fatto. Con questo non è che intenda lamentarmi, ci mancherebbe, ma è anche possibile che mi sia sfuggito qualcosa…
Hai notato che ho dimezzato la capacità della cella di filtro del circuito di potenza? Funziona bene ugualmente e il ripple mi sembrerebbe invariato...
Comunque cercherò di rileggermi tutta la discussione, sperando di intercettare le misure che non ho riportato. Grazie in ogni caso per la pazienza e l’aiuto a distanza, non era affatto semplice...

Ultima modifica di
gianniniivo il 18 ott 2020, 2:30, modificato 1 volta in totale.
-

gianniniivo
9.045 7 11 13 - No Rank
- Messaggi: 2875
- Iscritto il: 5 feb 2019, 23:50
0
voti
Ho commesso altri due errori e devo correggerli, chiedo scusa.
Questa notte alle ore 2,17 dovevo essere non propriamente sveglio, ho detto che il relè da 24 V era 600 Ohm mentre in realtà è da 500.
Poi ho dato per scontato di aver segnalato nei passaggi precedenti il raddoppio dei condensatori dell’alimentazione di potenza ma non l’ho mai detto, l’ho fatto senza dirlo, poi ho ripristinato la situazione di partenza perché i condensatori erano troppi e perché composti da elementi con tensione di lavoro da 100 e 65V. Quindi lo schema espone i valori attuali di capacità.
Quanto alle risposte omesse non saprei. Ho riletto i passaggi precedenti ma a me è sembrato di aver risposto a tutte le domande, è possibile che mi sfugga qualcosa ma non trovo il riscontro…
Questa notte alle ore 2,17 dovevo essere non propriamente sveglio, ho detto che il relè da 24 V era 600 Ohm mentre in realtà è da 500.
Poi ho dato per scontato di aver segnalato nei passaggi precedenti il raddoppio dei condensatori dell’alimentazione di potenza ma non l’ho mai detto, l’ho fatto senza dirlo, poi ho ripristinato la situazione di partenza perché i condensatori erano troppi e perché composti da elementi con tensione di lavoro da 100 e 65V. Quindi lo schema espone i valori attuali di capacità.
Quanto alle risposte omesse non saprei. Ho riletto i passaggi precedenti ma a me è sembrato di aver risposto a tutte le domande, è possibile che mi sfugga qualcosa ma non trovo il riscontro…
-

gianniniivo
9.045 7 11 13 - No Rank
- Messaggi: 2875
- Iscritto il: 5 feb 2019, 23:50
0
voti
Ciao
IsidoroKZ, ho pensato: non potrebbe essere utile sostituire le resistenze con dei trimmer e aggiungere qualche zener o semplice diodo per adattare più facilmente le soglie e non dover sostituire continuamente resistenze fisse? 

-

gianniniivo
9.045 7 11 13 - No Rank
- Messaggi: 2875
- Iscritto il: 5 feb 2019, 23:50
0
voti
La risposta ovviamente e` no, perche' lo "zener" buono c'e` gia` ed e` il 723, per il resto gli zener li si usa il meno possibile. Il circuito di commutazione non e` particolarmente critico e non deve essere preciso, quindi niente trimmer. Il cambio di resistenze e` stato causato dapprima dal fatto che quando hai detto isteresi ne ho progettata una di 4V o 5V. In seguito ho alzato la 150kΩ a 470kΩ per ridurla e a questo punto sono cominciati i guai perche' si e` ridotta troppo, in modo inaspettato, me l'aspettavo di 1.5V circa. Con 270kΩ dovrebbe essere di 2.7V circa.
L'isteresi di quel circuito e` circa inversamente proporzionale al valore di quella resistenza: se da 150kΩ si passa a 470kΩ l'ampiezza dell'isteresi dovrebbe ridursi a circa un terzo, cosa che non e` capitata: vuol dire che il circuito funziona male, ha qualche problema. Non direi che sia un problema di progetto, perche' i conti sono semplici, e` presumibilmente qualcos'altro che mi sfugge e che vorrei indagare.
Cio` detto, ci sono 3 questioni aperte (piu` altre che vedremo eventualmente dopo). Le tre questioni sono,
A) resistenze di protezione contro il distacco del remote sense
B) Comportamento del rele` da 24 V
C) Isteresi del comparatore
Le mie proposte sono le seguenti.
@) Premessa: se ci sono delle istruzioni incomprensibili o ambigue, non interpretare. Non fare nulla e domanda!
A) Se non intendi usare il remote sense, cortocircuita le due resistenze da 47Ω, R23 e R24, e non toccare piu` questi ponticelli, MAI, IN NESSUN CASO, PER NESSUNA RAGIONE! Questo va fatto prima di qualsiasi altra operazione sull'alimentatore.
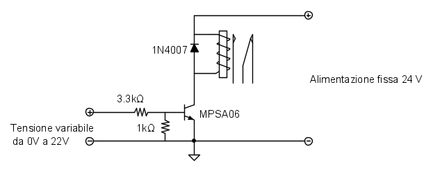
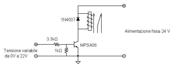
B1) Prendi il rele` da 24 V e collegalo all'alimentatore da banco con un milliamperometro in serie. Aumenta gradualmente la tensione finche' il rele` scatta, prendi nota della tensione e della corrente. Poi scendi con la tensione finche' il rele` non si diseccita e prendi nota di tensione e corrente di nuovo. Questo serve per caratterizzare il rele`.
B2) Monta questo circuito, che e` in pratica lo stesso che e` montato nell'alimentatore.
Aumenta la tensione di ingresso fino a 22V e guarda quando il rele` si eccita, poi scendi e guarda quando si diseccita. Quando e` eccitato misura la tensione sull'avvolgimento del rele`.
SE, e sottolineo SE non si eccitasse, con tensione di ingresso sulla resistenza da 3.3kΩ a 22V misura la tensione sull'avvolgimento e fra collettore ed emettitore del transistore, in pratica la VCE.
Queste sono le prime misure per vedere come si comporta il rele` e il suo circuito di pilotaggio.
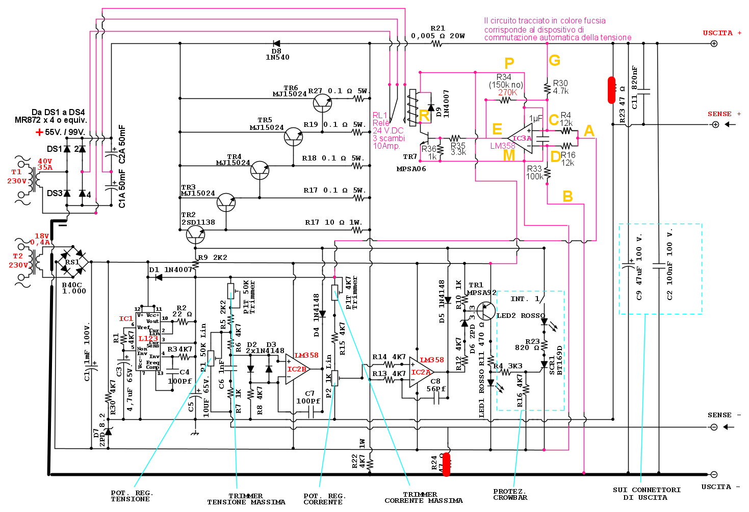
C) Con la resistenza che c'e` montata sopra, non serve cambiarla, ma indica quanto vale (suppongo 270kΩ), e senza carico:
C1) Porta l'alimentatore a 30V circa, con il rele` diseccitato, e misura le tensioni (indico i nodi dello schema seguente, il rosso del voltmetro sul primo nodo, il nero sul secondo) e misura le tensioni AG, BG, CG, DG, EG, PG ed MG. Misura anche la tensione di uscita.
C2) Aumenta la tensione di uscita fin verso i 45V, in modo che il rele` scatti, e misura di nuovo le stesse tensioni AG, BG, CG, DG, EG, PG, MG e in piu` rispetto a prima anche RM. Ovviamente misura anche la tensione di uscita.
C3) Metti un carico sull'uscita e ripeti le misure dei punti C1 e C2.
Le due resistenze da 47Ω, R23 e R24 sono cortocircuitate, vero?
Fai attenzione a non fare cortocircuiti con i puntali, che potrebbero capitare cose disdicevoli!
L'isteresi di quel circuito e` circa inversamente proporzionale al valore di quella resistenza: se da 150kΩ si passa a 470kΩ l'ampiezza dell'isteresi dovrebbe ridursi a circa un terzo, cosa che non e` capitata: vuol dire che il circuito funziona male, ha qualche problema. Non direi che sia un problema di progetto, perche' i conti sono semplici, e` presumibilmente qualcos'altro che mi sfugge e che vorrei indagare.
Cio` detto, ci sono 3 questioni aperte (piu` altre che vedremo eventualmente dopo). Le tre questioni sono,
A) resistenze di protezione contro il distacco del remote sense
B) Comportamento del rele` da 24 V
C) Isteresi del comparatore
Le mie proposte sono le seguenti.
@) Premessa: se ci sono delle istruzioni incomprensibili o ambigue, non interpretare. Non fare nulla e domanda!
A) Se non intendi usare il remote sense, cortocircuita le due resistenze da 47Ω, R23 e R24, e non toccare piu` questi ponticelli, MAI, IN NESSUN CASO, PER NESSUNA RAGIONE! Questo va fatto prima di qualsiasi altra operazione sull'alimentatore.
B1) Prendi il rele` da 24 V e collegalo all'alimentatore da banco con un milliamperometro in serie. Aumenta gradualmente la tensione finche' il rele` scatta, prendi nota della tensione e della corrente. Poi scendi con la tensione finche' il rele` non si diseccita e prendi nota di tensione e corrente di nuovo. Questo serve per caratterizzare il rele`.
B2) Monta questo circuito, che e` in pratica lo stesso che e` montato nell'alimentatore.
Aumenta la tensione di ingresso fino a 22V e guarda quando il rele` si eccita, poi scendi e guarda quando si diseccita. Quando e` eccitato misura la tensione sull'avvolgimento del rele`.
SE, e sottolineo SE non si eccitasse, con tensione di ingresso sulla resistenza da 3.3kΩ a 22V misura la tensione sull'avvolgimento e fra collettore ed emettitore del transistore, in pratica la VCE.
Queste sono le prime misure per vedere come si comporta il rele` e il suo circuito di pilotaggio.
C) Con la resistenza che c'e` montata sopra, non serve cambiarla, ma indica quanto vale (suppongo 270kΩ), e senza carico:
C1) Porta l'alimentatore a 30V circa, con il rele` diseccitato, e misura le tensioni (indico i nodi dello schema seguente, il rosso del voltmetro sul primo nodo, il nero sul secondo) e misura le tensioni AG, BG, CG, DG, EG, PG ed MG. Misura anche la tensione di uscita.
C2) Aumenta la tensione di uscita fin verso i 45V, in modo che il rele` scatti, e misura di nuovo le stesse tensioni AG, BG, CG, DG, EG, PG, MG e in piu` rispetto a prima anche RM. Ovviamente misura anche la tensione di uscita.
C3) Metti un carico sull'uscita e ripeti le misure dei punti C1 e C2.
Le due resistenze da 47Ω, R23 e R24 sono cortocircuitate, vero?
Fai attenzione a non fare cortocircuiti con i puntali, che potrebbero capitare cose disdicevoli!
Per usare proficuamente un simulatore, bisogna sapere molta più elettronica di lui
Plug it in - it works better!
Il 555 sta all'elettronica come Arduino all'informatica! (entrambi loro malgrado)
Se volete risposte rispondete a tutte le mie domande
Plug it in - it works better!
Il 555 sta all'elettronica come Arduino all'informatica! (entrambi loro malgrado)
Se volete risposte rispondete a tutte le mie domande
0
voti
Ciao Isidoro, scusa se rispondo in ritardo ma non ero davanti al PC. Ti ringrazio per la procedura però c'è un piccolo problema. Oggi ho iniziato a fare delle modifiche al circuito è l'ho smontato. Non mi ha convinto quella variazione di tensione a seguito dello scatto e del rilascio del relè e ho voluto modificare alcuni valori resistivi, dopo averli ricavati con dei trimmer, ho aggiunto qualche resistenza, ho lasciato incluso un trimmer sul pilotaggio del 358, un po' come se fosse un regolatore di tensione e ho aggiunto un elettrolitico. In altri termini, il tuo circuito adesso è un po' diverso però funziona e l'isteresi la si regola con un trimmer e due resistenze in serie ai capi del trimmer. Ah, ho aggiunto anche due diodi 1n4148 per giocare un po' con l'interdizione di uno o dell'altro a seconda della soglia. Diciamo che l'isteresi l'avrei anche centrata, circa un paio di volt ma è modificabile. Tuttavia, il problema della variazione di tensione c'è sempre e non so da cosa dipenda. Questa volta ho alimentato il relè e il transistor con una fonte di tensione indipendente, stabile e in continua (avevo già fatto questa prova ma probabilmente avevo collegato qualcosa di sbagliato perché adesso funziona anche con un'alimentazione esterna) ma la variazione di tensione c'è sempre. Sono 200 o 300 millivolt, è vero, e non sono pericolosi, anche perché dopo i 44 V. ci andrò raramente, ma mi irrita non capire cosa determina quella variazione di tensione. Ai capi della batteria da 24 V che ho utilizzato, non si nota neppure quella caduta di tensione eppure c'è. Bisognerebbe provare a sostituire la batteria con un regolatore 78024 (che non ho) che è stabilizzato e vedere cosa succede. Domani cercherò di ricostruire lo schema, magari limitato al circuito di commutazione per inviartelo e leggere cosa ne pensi. Adesso l'isteresi c'è, ma come ho già detto c'è sempre anche quella variazione di tensione allo scatto o al rilascio del relè. Spero di aver spiegato correttamente cos'ho combinato, sto scrivendo di fretta perché è tardi e vorrei andare a dormire. Se non sarai impegnato direi di aggiornarci a domani. Grazie ancora.
-

gianniniivo
9.045 7 11 13 - No Rank
- Messaggi: 2875
- Iscritto il: 5 feb 2019, 23:50
0
voti
Non mi sono accorto che non eri più in linea
poco male, leggerai domani, meglio andare a dormire...
-

gianniniivo
9.045 7 11 13 - No Rank
- Messaggi: 2875
- Iscritto il: 5 feb 2019, 23:50
1
voti
Se funziona e sei soddisfatto, lascialo cosi`!
Non stare a disegnare il circuito, tanto chissa` quante altre volte lo modificherai ancora!
Non stare a disegnare il circuito, tanto chissa` quante altre volte lo modificherai ancora!
Per usare proficuamente un simulatore, bisogna sapere molta più elettronica di lui
Plug it in - it works better!
Il 555 sta all'elettronica come Arduino all'informatica! (entrambi loro malgrado)
Se volete risposte rispondete a tutte le mie domande
Plug it in - it works better!
Il 555 sta all'elettronica come Arduino all'informatica! (entrambi loro malgrado)
Se volete risposte rispondete a tutte le mie domande
Chi c’è in linea
Visitano il forum: Nessuno e 75 ospiti

Elettrotecnica e non solo (admin)
Un gatto tra gli elettroni (IsidoroKZ)
Esperienza e simulazioni (g.schgor)
Moleskine di un idraulico (RenzoDF)
Il Blog di ElectroYou (webmaster)
Idee microcontrollate (TardoFreak)
PICcoli grandi PICMicro (Paolino)
Il blog elettrico di carloc (carloc)
DirtEYblooog (dirtydeeds)
Di tutto... un po' (jordan20)
AK47 (lillo)
Esperienze elettroniche (marco438)
Telecomunicazioni musicali (clavicordo)
Automazione ed Elettronica (gustavo)
Direttive per la sicurezza (ErnestoCappelletti)
EYnfo dall'Alaska (mir)
Apriamo il quadro! (attilio)
H7-25 (asdf)
Passione Elettrica (massimob)
Elettroni a spasso (guidob)
Bloguerra (guerra)



