Circuito di controllo accensioni fuochi artificiali
Moderatori:
carloc,
g.schgor,
BrunoValente,
IsidoroKZ
27 messaggi
• Pagina 3 di 3 • 1, 2, 3
1
voti
Il regolatore non deve assorbire la corrente dei led? Ci metterei un LM337 o un 7918, analogamente a quanto l'OP aveva messo nel suo schema. Uno zener non e` molto flessibile in termini di settaggio di tensione. E dovrebbe essere da alcuni watt.
Per usare proficuamente un simulatore, bisogna sapere molta più elettronica di lui
Plug it in - it works better!
Il 555 sta all'elettronica come Arduino all'informatica! (entrambi loro malgrado)
Se volete risposte rispondete a tutte le mie domande
Plug it in - it works better!
Il 555 sta all'elettronica come Arduino all'informatica! (entrambi loro malgrado)
Se volete risposte rispondete a tutte le mie domande
1
voti
Pero` a 180mA non deve accendere. Aumenterei un pochino la corrente :)
Per usare proficuamente un simulatore, bisogna sapere molta più elettronica di lui
Plug it in - it works better!
Il 555 sta all'elettronica come Arduino all'informatica! (entrambi loro malgrado)
Se volete risposte rispondete a tutte le mie domande
Plug it in - it works better!
Il 555 sta all'elettronica come Arduino all'informatica! (entrambi loro malgrado)
Se volete risposte rispondete a tutte le mie domande
0
voti
Vi ringrazio immensamente per la collaborazione, purtroppo la mia esperienza in elettronica è abbastanza limitata; Rimango in attesa di un Vostro schema finale da collaudare.
Grazie ancora.
Fabio
Grazie ancora.
Fabio
0
voti
Con escursione da 0 a 100% del potenziometro R2
si ha una controtensione da 5 a 15V.
Concordi?
0
voti
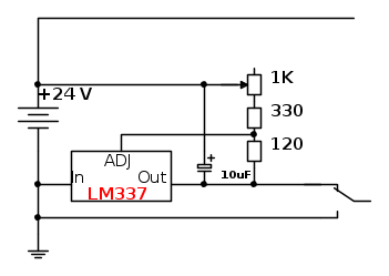
tecnoart ha scritto:Rimango in attesa di un Vostro schema finale da collaudare.
Il problema dell'innalzamento di tensione a 24 V non richiede solo un aggiustamento
delle resistenze (vedi post[18]) ma anche un nuovo dimensionamento della "controtensione"
che abbassi la corrente dei LED in commutazione notturna.
Una soluzione semplice sarebbe la messa in serie di un paio di diodi Zener
(da 5V 3W) per abbassare di 10V la tensione. Questa soluzione è stata scartata
per l'impossibilità di regolare la luminosità dei LED e si è preferito l'uso
di regolatori integrati.
Una prima soluzione( post[18]) prevede LM317 (regolatore di tensione positiva).
questa ha però l'inconveniente di richiedere un partitore dimensionato
per la massima corrente dei LED in parallelo, quindi con dissipazione
di potenza,
L'uso di un regolatore si tensione negativa LM337, consigliato da IsidoroKZ,
dovrebbe evitare questo. Purtroppo non sono in grado di simularne il comportamento
(né MicroCap né Multisim hanno il modello di questo integrato).
Lo schema da adottare è questo:
L'escursione del potenziometro (1K) dovrebbe dare
una controtensione ai LED da 5 a 15V,
Potete fare una prova mettendo al posto dei LED in parallelo
una resistenza da 22 Ohm (10W)?
27 messaggi
• Pagina 3 di 3 • 1, 2, 3
Chi c’è in linea
Visitano il forum: Nessuno e 69 ospiti

Elettrotecnica e non solo (admin)
Un gatto tra gli elettroni (IsidoroKZ)
Esperienza e simulazioni (g.schgor)
Moleskine di un idraulico (RenzoDF)
Il Blog di ElectroYou (webmaster)
Idee microcontrollate (TardoFreak)
PICcoli grandi PICMicro (Paolino)
Il blog elettrico di carloc (carloc)
DirtEYblooog (dirtydeeds)
Di tutto... un po' (jordan20)
AK47 (lillo)
Esperienze elettroniche (marco438)
Telecomunicazioni musicali (clavicordo)
Automazione ed Elettronica (gustavo)
Direttive per la sicurezza (ErnestoCappelletti)
EYnfo dall'Alaska (mir)
Apriamo il quadro! (attilio)
H7-25 (asdf)
Passione Elettrica (massimob)
Elettroni a spasso (guidob)
Bloguerra (guerra)




