led: serie o parallelo?
Moderatori:
carloc,
g.schgor,
BrunoValente,
IsidoroKZ
0
voti
a trasformare l'uscita dell'alimentatore che è a tensione costante in un pilota a corrente costante che è quello che serve al LED. fa anche da chopper che è quello che serve per modificare questa corrente costante in modo da rispondere al segnale PWM. senza il driver non puoi avere il PWM e se colleghi l'alimentatore al diodo LED lo bruci.
-

mikereg
-18 1 3 - CRU - Account cancellato su Richiesta utente
- Messaggi: 213
- Iscritto il: 31 ott 2010, 13:10
0
voti
mi hai convinto!
mi sono arrivati proprio oggi!
l'unico problema adesso è capire quali sono quelli da 7000K e quali quelli da 20000K...

mi sono arrivati proprio oggi!
l'unico problema adesso è capire quali sono quelli da 7000K e quali quelli da 20000K...

0
voti
mikereg ha scritto:@ IsidoroKZ
il problema della temperatura è spesso sopravalutato.
Qualche volta e` sopravvalutato, qualche volta e` un problema serio. Ad esempio nelle scialitiche da` un po' di problemi; nelle luci posteriori degli autoveicoli e` un incubo. Li` niente parallelo.
A quali display a 7 segmenti fai riferimento? Hai delle misure della temperatura o dei riferimenti? Il problema termico di questi display mi incuriosisce.
Per usare proficuamente un simulatore, bisogna sapere molta più elettronica di lui
Plug it in - it works better!
Il 555 sta all'elettronica come Arduino all'informatica! (entrambi loro malgrado)
Se volete risposte rispondete a tutte le mie domande
Plug it in - it works better!
Il 555 sta all'elettronica come Arduino all'informatica! (entrambi loro malgrado)
Se volete risposte rispondete a tutte le mie domande
0
voti
se io ho un collegamento in parallelo con 5 led e ognuno è 10w - 750mA - 10/11v., che caratteristiche deve avere il driver a monte?
se fosse in serie cambierebbe qualcosa?
se fosse in serie cambierebbe qualcosa?
0
voti
Quando metti in parallelo dei carichi sommi le correnti, quindi i 5 led consumano (e il driver deve erogare)
, con una voltage compliance (capacita` di salire in tensione) fino a 10V-11V, perche' in parallelo la tensione rimane invariata.
A me pare inopportuno metterli in parallelo in questo caso, ma di led non ne so molto, come si vede da quanto detto da mikereg.
Se invece li metti in serie la corrente totale rimane di 750mA, quindi serve un driver da 750mA, mentre vengono sommate le tensioni, e quindi il driver deve poter fornire 50V-55V.
Nel frattempo mi sono dimenticato che cosa vuoi fare, che led (datasheet) vuoi usare... ma ti lascio in buone mani.
, con una voltage compliance (capacita` di salire in tensione) fino a 10V-11V, perche' in parallelo la tensione rimane invariata. A me pare inopportuno metterli in parallelo in questo caso, ma di led non ne so molto, come si vede da quanto detto da mikereg.
Se invece li metti in serie la corrente totale rimane di 750mA, quindi serve un driver da 750mA, mentre vengono sommate le tensioni, e quindi il driver deve poter fornire 50V-55V.
Nel frattempo mi sono dimenticato che cosa vuoi fare, che led (datasheet) vuoi usare... ma ti lascio in buone mani.
Per usare proficuamente un simulatore, bisogna sapere molta più elettronica di lui
Plug it in - it works better!
Il 555 sta all'elettronica come Arduino all'informatica! (entrambi loro malgrado)
Se volete risposte rispondete a tutte le mie domande
Plug it in - it works better!
Il 555 sta all'elettronica come Arduino all'informatica! (entrambi loro malgrado)
Se volete risposte rispondete a tutte le mie domande
0
voti
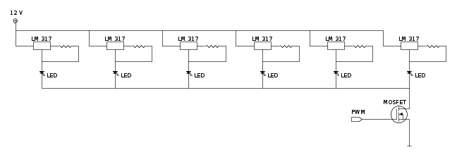
il problema di farlo in serie per me è trovare un alimentatore da 55V.. che costi meno di 300€ chiaramente...
allora mi hanno realizzato il metodo più semplice da fare in parallelo.
la cosa che non riusciamo ancora a capire se è meglio mosfet, BJT, triac o altro..
lo schema è chiaramente incompleto.
dovremmo inserire un qualcosa che faccia passare il segnale PWM di arduino AD OGNI LED.. cosa mettiamo? driver o altro? che driver?
ricordo che ogni led è 10W - 700mA . 10/11V
allora mi hanno realizzato il metodo più semplice da fare in parallelo.
la cosa che non riusciamo ancora a capire se è meglio mosfet, BJT, triac o altro..
lo schema è chiaramente incompleto.
dovremmo inserire un qualcosa che faccia passare il segnale PWM di arduino AD OGNI LED.. cosa mettiamo? driver o altro? che driver?
ricordo che ogni led è 10W - 700mA . 10/11V
0
voti
Cosi` non funziona, devi avere almeno 15V-16V di alimentazione perche' i regolatori che hai usato hanno bisogno almeno di 3V-4V per funzionare. E poi devono essere dissipati anche loro.
Usare un MOS va bene, devi pero` avere almeno 5V per pilotarlo. Che ampiezza di segnale genera il microcontrollore?
Usare un MOS va bene, devi pero` avere almeno 5V per pilotarlo. Che ampiezza di segnale genera il microcontrollore?
Per usare proficuamente un simulatore, bisogna sapere molta più elettronica di lui
Plug it in - it works better!
Il 555 sta all'elettronica come Arduino all'informatica! (entrambi loro malgrado)
Se volete risposte rispondete a tutte le mie domande
Plug it in - it works better!
Il 555 sta all'elettronica come Arduino all'informatica! (entrambi loro malgrado)
Se volete risposte rispondete a tutte le mie domande
0
voti
in realtà ho sbagliato ed ho messo un led in più.. sono solo 5
per il resto che mi hai chiesto non ne ho la minima idea... è il mio compare quello che se ne intende.. glielo chiedo..
se metto un 24 V d'alimentazione? altre soluzioni?
per il resto che mi hai chiesto non ne ho la minima idea... è il mio compare quello che se ne intende.. glielo chiedo..
se metto un 24 V d'alimentazione? altre soluzioni?
0
voti
@ SuperSimo
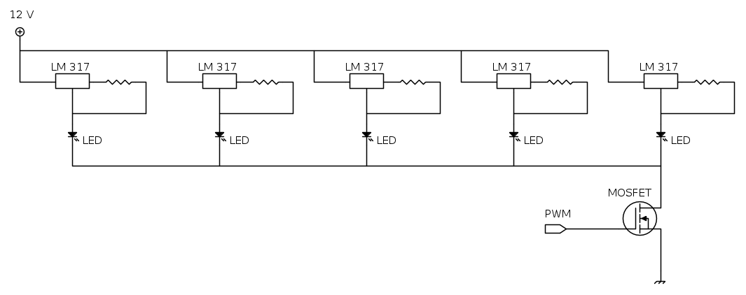
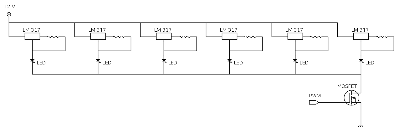
giusto per evitare che tu possa aver interpretato male. i tuoi LED non puoi metterli in parallelo. non sono selezionati per poter fare quel tipo di connessione. L'ultimo schema che hai postato va sostanzialmente bene ma puoi anche mettere due LED in serie per ogni ramo e con tre rami far funzionare sei LED con una efficienza migliore. con 12 V non puoi metterne tre in serie perché sei proprio al limite della caduta di tensione sul carico ma con due vai sul sicuro.
giusto per evitare che tu possa aver interpretato male. i tuoi LED non puoi metterli in parallelo. non sono selezionati per poter fare quel tipo di connessione. L'ultimo schema che hai postato va sostanzialmente bene ma puoi anche mettere due LED in serie per ogni ramo e con tre rami far funzionare sei LED con una efficienza migliore. con 12 V non puoi metterne tre in serie perché sei proprio al limite della caduta di tensione sul carico ma con due vai sul sicuro.
-

mikereg
-18 1 3 - CRU - Account cancellato su Richiesta utente
- Messaggi: 213
- Iscritto il: 31 ott 2010, 13:10
0
voti
mikereg ha scritto:@ SuperSimo
giusto per evitare che tu possa aver interpretato male. i tuoi LED non puoi metterli in parallelo. non sono selezionati per poter fare quel tipo di connessione. L'ultimo schema che hai postato va sostanzialmente bene ma puoi anche mettere due LED in serie per ogni ramo e con tre rami far funzionare sei LED con una efficienza migliore. con 12 V non puoi metterne tre in serie perché sei proprio al limite della caduta di tensione sul carico ma con due vai sul sicuro.
a questo punto ti chiedo un grossissimo favore.. non è che mi fai uno schema semplice semplice di come potrei fare? non capisco..
ho provato fare il mio PRIMO CIRCUITO? me lo correggete se potete? grazie mille!!!
Ultima modifica di
SuperSimo il 8 dic 2010, 16:09, modificato 1 volta in totale.
Chi c’è in linea
Visitano il forum: Nessuno e 78 ospiti

Elettrotecnica e non solo (admin)
Un gatto tra gli elettroni (IsidoroKZ)
Esperienza e simulazioni (g.schgor)
Moleskine di un idraulico (RenzoDF)
Il Blog di ElectroYou (webmaster)
Idee microcontrollate (TardoFreak)
PICcoli grandi PICMicro (Paolino)
Il blog elettrico di carloc (carloc)
DirtEYblooog (dirtydeeds)
Di tutto... un po' (jordan20)
AK47 (lillo)
Esperienze elettroniche (marco438)
Telecomunicazioni musicali (clavicordo)
Automazione ed Elettronica (gustavo)
Direttive per la sicurezza (ErnestoCappelletti)
EYnfo dall'Alaska (mir)
Apriamo il quadro! (attilio)
H7-25 (asdf)
Passione Elettrica (massimob)
Elettroni a spasso (guidob)
Bloguerra (guerra)




