Un schema a blocchi d'esempio di un alimentatore CV/CC lo puoi trovare in questo handbook.
Il progetto però non è banale, soprattutto per ciò che riguarda la stabilità.
L'idea di un controllo digitale della limitazione di corrente decisamente non mi entusiasma: se non si fa ben attenzione, mi sembra un buon modo per ritrovarsi il transistor finale bruciato in caso di cortocircuito.
Alimentatore regolabile in tensione e corrente
Moderatori:
carloc,
g.schgor,
BrunoValente,
IsidoroKZ
0
voti
It's a sin to write
instead of
(Anonimo).
...'cos you know that
ain't
, right?
You won't get a sexy tan if you write
in lieu of
.
Take a log for a fireplace, but don't take
for
arithm.
instead of
(Anonimo)....'cos you know that
ain't
, right?You won't get a sexy tan if you write
in lieu of
.Take a log for a fireplace, but don't take
for
arithm.-

DirtyDeeds
55,9k 7 11 13 - G.Master EY

- Messaggi: 7012
- Iscritto il: 13 apr 2010, 16:13
- Località: Somewhere in nowhere
0
voti
Oddio, prevedo comunque una limitazione grossolana della corrente massima. Giusto per non mandare al creatore lo stadio di potenza. Al massimo dissipera' qualcosina in piu' (un 20% in piu', tie') per qualche ms.
"La follia sta nel fare sempre la stessa cosa aspettandosi risultati diversi".
"Parla soltanto quando sei sicuro che quello che dirai è più bello del silenzio".
Rispondere è cortesia, ma lasciare l'ultima parola ai cretini è arte.
"Parla soltanto quando sei sicuro che quello che dirai è più bello del silenzio".
Rispondere è cortesia, ma lasciare l'ultima parola ai cretini è arte.
-

TardoFreak
73,9k 8 12 13 - -EY Legend-

- Messaggi: 15754
- Iscritto il: 16 dic 2009, 11:10
- Località: Torino - 3° pianeta del Sistema Solare
0
voti
Un altro aspetto che non devi trascurare, però, è il comportamento dinamico dell'alimentatore. Lavori sempre in condizioni statiche, oppure puoi avere carichi (di corrente o di tensione, a seconda) variabili ? Nel caso di funzionamento a corrente costante, in particolare, che specifiche hai su:
i) Risposta al gradino di tensione (applicato all'uscita, eh, non all'ingresso);
ii) Impedenza di uscita in funzione della frequenza;
i) Risposta al gradino di tensione (applicato all'uscita, eh, non all'ingresso);
ii) Impedenza di uscita in funzione della frequenza;
It's a sin to write
instead of
(Anonimo).
...'cos you know that
ain't
, right?
You won't get a sexy tan if you write
in lieu of
.
Take a log for a fireplace, but don't take
for
arithm.
instead of
(Anonimo)....'cos you know that
ain't
, right?You won't get a sexy tan if you write
in lieu of
.Take a log for a fireplace, but don't take
for
arithm.-

DirtyDeeds
55,9k 7 11 13 - G.Master EY

- Messaggi: 7012
- Iscritto il: 13 apr 2010, 16:13
- Località: Somewhere in nowhere
0
voti
Lascia perdere il micro per questa applicazione. Chiudere gli anelli di regolazione (e tenerli stabii) con un micro vuol dire una complicazione non indifferente, per poi ottenere una banda relativamente limitata e protezioni dal cortocircuito che sono protette dal transistore che si brucia piu` in fretta della protezione 
Le soluzioni analogiche ti sono state date da Candy e da carloc.
Se ti piaccono i progetti ben fatti, qui http://www.webalice.it/syaochan/alimlab.zip ce n'e` uno di Flavio Fre.
Quella che pensavo di proporti era una cosa tipo quella di Candy con l'operazione di minimo fatta in modo da avere i due loop separati. Poi ci sono alcune piccole modifiche, soprattutto riguardo stabilita` ed errore statico.
Questo potrebbe essere uno schema
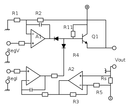
Il negativo dell'uscita e` diverso dal negativo che arriva dal raddrizzatore. Il loop di tensione pero` misura la tensione di uscita corretta. I condensatori servono per posizionare il polo dominante della compensazione, tenendo pero` un elevato guadagno in continua.
Le soluzioni analogiche ti sono state date da Candy e da carloc.
Se ti piaccono i progetti ben fatti, qui http://www.webalice.it/syaochan/alimlab.zip ce n'e` uno di Flavio Fre.
Quella che pensavo di proporti era una cosa tipo quella di Candy con l'operazione di minimo fatta in modo da avere i due loop separati. Poi ci sono alcune piccole modifiche, soprattutto riguardo stabilita` ed errore statico.
Questo potrebbe essere uno schema
Il negativo dell'uscita e` diverso dal negativo che arriva dal raddrizzatore. Il loop di tensione pero` misura la tensione di uscita corretta. I condensatori servono per posizionare il polo dominante della compensazione, tenendo pero` un elevato guadagno in continua.
Per usare proficuamente un simulatore, bisogna sapere molta più elettronica di lui
Plug it in - it works better!
Il 555 sta all'elettronica come Arduino all'informatica! (entrambi loro malgrado)
Se volete risposte rispondete a tutte le mie domande
Plug it in - it works better!
Il 555 sta all'elettronica come Arduino all'informatica! (entrambi loro malgrado)
Se volete risposte rispondete a tutte le mie domande
0
voti
Azz, ed e' pure semplice! 
Edit;
l' operazionale in basso a sinistra lavora senza controreazione. Forse e' proprio per questo che non interferisce con l' anello di tensione. Se la corrente e' bassa lui e' saturo verso l' alto.
E' cosi'?

Edit;
l' operazionale in basso a sinistra lavora senza controreazione. Forse e' proprio per questo che non interferisce con l' anello di tensione. Se la corrente e' bassa lui e' saturo verso l' alto. E' cosi'?
"La follia sta nel fare sempre la stessa cosa aspettandosi risultati diversi".
"Parla soltanto quando sei sicuro che quello che dirai è più bello del silenzio".
Rispondere è cortesia, ma lasciare l'ultima parola ai cretini è arte.
"Parla soltanto quando sei sicuro che quello che dirai è più bello del silenzio".
Rispondere è cortesia, ma lasciare l'ultima parola ai cretini è arte.
-

TardoFreak
73,9k 8 12 13 - -EY Legend-

- Messaggi: 15754
- Iscritto il: 16 dic 2009, 11:10
- Località: Torino - 3° pianeta del Sistema Solare
0
voti
Non ho pero' capito una cosa sul sensore di corrente.
L' alimentazione del circuito e' duale ma quel simbolo di massa e' collegato al comune delle due tensioni e' un collegamento flottante?
Penso di si, altrimenti alla Rs ci sarebbe applicata tutta la tensione negativa e ci scorrerebbe una corrente enorme!
L' alimentazione del circuito e' duale ma quel simbolo di massa e' collegato al comune delle due tensioni e' un collegamento flottante?
Penso di si, altrimenti alla Rs ci sarebbe applicata tutta la tensione negativa e ci scorrerebbe una corrente enorme!
"La follia sta nel fare sempre la stessa cosa aspettandosi risultati diversi".
"Parla soltanto quando sei sicuro che quello che dirai è più bello del silenzio".
Rispondere è cortesia, ma lasciare l'ultima parola ai cretini è arte.
"Parla soltanto quando sei sicuro che quello che dirai è più bello del silenzio".
Rispondere è cortesia, ma lasciare l'ultima parola ai cretini è arte.
-

TardoFreak
73,9k 8 12 13 - -EY Legend-

- Messaggi: 15754
- Iscritto il: 16 dic 2009, 11:10
- Località: Torino - 3° pianeta del Sistema Solare
0
voti
Tutti e due gli op amp di controllo lavorano alternativamente ad anello aperto, saturando, e rivelando la saturazione di uno dei due sai se il circuito lavora controllando la tensione o la corrente.
L'alimentazione del circuito e` unipolare, al circuito arrivano solo due fili, positivo e negativo dal trasfo+ponte+condensatorE. Il simbolo di zero volt indica solo dove e` considerato lo zero per il circuito, non e` collegato alla parte che fornisce energia, potrebbe anche essere una batteria, che non sa dove si considera lo zero volt.
Lo ho segnato cosi` sia per comodita` di disegno sia per indicare che e` una connessione importante, meglio usare fili corti, evitare loop...
L'alimentazione del circuito e` unipolare, al circuito arrivano solo due fili, positivo e negativo dal trasfo+ponte+condensatorE. Il simbolo di zero volt indica solo dove e` considerato lo zero per il circuito, non e` collegato alla parte che fornisce energia, potrebbe anche essere una batteria, che non sa dove si considera lo zero volt.
Lo ho segnato cosi` sia per comodita` di disegno sia per indicare che e` una connessione importante, meglio usare fili corti, evitare loop...
Per usare proficuamente un simulatore, bisogna sapere molta più elettronica di lui
Plug it in - it works better!
Il 555 sta all'elettronica come Arduino all'informatica! (entrambi loro malgrado)
Se volete risposte rispondete a tutte le mie domande
Plug it in - it works better!
Il 555 sta all'elettronica come Arduino all'informatica! (entrambi loro malgrado)
Se volete risposte rispondete a tutte le mie domande
0
voti
Capito, grazie mile. 
Un' ultima cosa. Il condensatore di compensazione deve solo evitare instabilita', penso, quindi se e' di capacita' troppo elevata la Load Regulation va a farsi benedire perche' il circuito diventa poco reattivo?
Ti faccio questa domanda perche' come transistor di regolazione ci metterei un diarlngton, un BDX_qualchecosa ma so che non sono per niente veloci.

Un' ultima cosa. Il condensatore di compensazione deve solo evitare instabilita', penso, quindi se e' di capacita' troppo elevata la Load Regulation va a farsi benedire perche' il circuito diventa poco reattivo?
Ti faccio questa domanda perche' come transistor di regolazione ci metterei un diarlngton, un BDX_qualchecosa ma so che non sono per niente veloci.
"La follia sta nel fare sempre la stessa cosa aspettandosi risultati diversi".
"Parla soltanto quando sei sicuro che quello che dirai è più bello del silenzio".
Rispondere è cortesia, ma lasciare l'ultima parola ai cretini è arte.
"Parla soltanto quando sei sicuro che quello che dirai è più bello del silenzio".
Rispondere è cortesia, ma lasciare l'ultima parola ai cretini è arte.
-

TardoFreak
73,9k 8 12 13 - -EY Legend-

- Messaggi: 15754
- Iscritto il: 16 dic 2009, 11:10
- Località: Torino - 3° pianeta del Sistema Solare
0
voti
Mi sento un poco bastonato dalla discussione e, esclusa la protezione dal corto circuito, un controllo digitale, per un alimentatore, ritengo sia ben fattibile. D'altro canto, un alimentatore switching a 25 kHz, una volta che ha deciso il periodo pausa/lavoro, per un ciclo quello è, e quello rimane... Eppure funzionano benone e sono di moda anche quando il bilancio energetico è un poco sfavorevole.
Con uno stupido PIC, che TardoF ben conosce, controllare e correggere a 20 kHz è uno scherzo.
Con uno stupido PIC, che TardoF ben conosce, controllare e correggere a 20 kHz è uno scherzo.
-

Candy
32,5k 7 10 13 - CRU - Account cancellato su Richiesta utente
- Messaggi: 10123
- Iscritto il: 14 giu 2010, 22:54
0
voti
Per ora sono riuscito a fare uno schema di un regolatore lineare controllato da un micro ma con la parte analogica fatta come Dio comanda. Nei prossimi giorni lo montero' e provero'.
Avrei voluto provare a farlo switching ma sono completamente ignorante in materia.
Con i dsPIC si puo' fare anche di frequenza molto superiore ... sapessi solo come farlo e, sopratutto come dimensionarlo!
Avrei voluto provare a farlo switching ma sono completamente ignorante in materia.
Con i dsPIC si puo' fare anche di frequenza molto superiore ... sapessi solo come farlo e, sopratutto come dimensionarlo!
"La follia sta nel fare sempre la stessa cosa aspettandosi risultati diversi".
"Parla soltanto quando sei sicuro che quello che dirai è più bello del silenzio".
Rispondere è cortesia, ma lasciare l'ultima parola ai cretini è arte.
"Parla soltanto quando sei sicuro che quello che dirai è più bello del silenzio".
Rispondere è cortesia, ma lasciare l'ultima parola ai cretini è arte.
-

TardoFreak
73,9k 8 12 13 - -EY Legend-

- Messaggi: 15754
- Iscritto il: 16 dic 2009, 11:10
- Località: Torino - 3° pianeta del Sistema Solare
Chi c’è in linea
Visitano il forum: Nessuno e 101 ospiti

Elettrotecnica e non solo (admin)
Un gatto tra gli elettroni (IsidoroKZ)
Esperienza e simulazioni (g.schgor)
Moleskine di un idraulico (RenzoDF)
Il Blog di ElectroYou (webmaster)
Idee microcontrollate (TardoFreak)
PICcoli grandi PICMicro (Paolino)
Il blog elettrico di carloc (carloc)
DirtEYblooog (dirtydeeds)
Di tutto... un po' (jordan20)
AK47 (lillo)
Esperienze elettroniche (marco438)
Telecomunicazioni musicali (clavicordo)
Automazione ed Elettronica (gustavo)
Direttive per la sicurezza (ErnestoCappelletti)
EYnfo dall'Alaska (mir)
Apriamo il quadro! (attilio)
H7-25 (asdf)
Passione Elettrica (massimob)
Elettroni a spasso (guidob)
Bloguerra (guerra)
