E' chiaro che ogni suggerimento e' bene accetto.
Strumenti indispensabili
Moderatori:
carloc,
g.schgor,
BrunoValente,
IsidoroKZ
0
voti
Assolutamente si, più siamo e meglio 
C. America: Sei grosso con l'armatura; senza quella cosa sei?
Tony Stark: Un genio, miliardario playboy filantropo
Sfodera un autocompiacimento da manuale... Concordo
Se i miei calcoli non sono errati, e non lo sono mai, 3 Giga Joule al secondo
Tony Stark: Un genio, miliardario playboy filantropo
Sfodera un autocompiacimento da manuale... Concordo
Se i miei calcoli non sono errati, e non lo sono mai, 3 Giga Joule al secondo
0
voti
Valuta l'acquisto di questo :http://cgi.ebay.it/ALPHA-ELETTRONICA-AL862S-DOPPIO-ALIMENTATORE-/320763157566?pt=Apparecchiature_professionali_elettroniche&hash=item4aaef95c3e
Conosco personalmente il venditore da cui ho acquistato uno strumento per il mio laboratorio poco tempo fa ed è serio.
Con quello che costa, anche se ci metti la spedizione, non riesci a comprare il materiale necessario a realizzare una roba simile..........se poi vuoi realizzare un alimentatore per imparare a costruire qualcosa, allora è un altro discorso.
Conosco personalmente il venditore da cui ho acquistato uno strumento per il mio laboratorio poco tempo fa ed è serio.
Con quello che costa, anche se ci metti la spedizione, non riesci a comprare il materiale necessario a realizzare una roba simile..........se poi vuoi realizzare un alimentatore per imparare a costruire qualcosa, allora è un altro discorso.
1
voti
Io dico la mai, basandomi sulla esperienza che mi porto dietro, non vado in giro col "vangelo" a dettare verità assolute, però:
- non credo nelle stufe impropriamente usate come alimentatori e, men che meno, nella limitazione di corrente. Significa che un alimentatore regolabile lo vedo bene tra pochi volt, diciamo 1.5 e massimo 15, (che copra le tensioni più comuni), tutto il resto è spreco, anche se didattico, resta spreco.
- credo ancora di meno nella limitazione di corrente, ancor più se macchinosa. Il circuito funziona alla tensione desiderata, e se la corrente assorbita supera quella regolata, deve intervenire una protezione seria, ON/OFF, che si ripristinerà poi con azione manuale.
- la tensione duale, regolabile, è un'altra inutile complicazione. Il duale serve solo in rari casi per lo studio, più che l'uso, degli op.amp. Basterebbe una tensione fissa, ad esempio un +15 V / 0 V / -15 V per questi casi.
- Se non in rarissimi casi, il duale ha solo lo scopo di annullare gli offset di uscita degli op.amp, ed in questo caso, basterebbe un -3 V fisso, rispetto allo 0 V.
Poi, alla fine, farai come vuoi, per carità, ma resto della mia brutale idea: tempo e danari sprecati.
- non credo nelle stufe impropriamente usate come alimentatori e, men che meno, nella limitazione di corrente. Significa che un alimentatore regolabile lo vedo bene tra pochi volt, diciamo 1.5 e massimo 15, (che copra le tensioni più comuni), tutto il resto è spreco, anche se didattico, resta spreco.
- credo ancora di meno nella limitazione di corrente, ancor più se macchinosa. Il circuito funziona alla tensione desiderata, e se la corrente assorbita supera quella regolata, deve intervenire una protezione seria, ON/OFF, che si ripristinerà poi con azione manuale.
- la tensione duale, regolabile, è un'altra inutile complicazione. Il duale serve solo in rari casi per lo studio, più che l'uso, degli op.amp. Basterebbe una tensione fissa, ad esempio un +15 V / 0 V / -15 V per questi casi.
- Se non in rarissimi casi, il duale ha solo lo scopo di annullare gli offset di uscita degli op.amp, ed in questo caso, basterebbe un -3 V fisso, rispetto allo 0 V.
Poi, alla fine, farai come vuoi, per carità, ma resto della mia brutale idea: tempo e danari sprecati.
-

Candy
32,5k 7 10 13 - CRU - Account cancellato su Richiesta utente
- Messaggi: 10123
- Iscritto il: 14 giu 2010, 22:54
0
voti
Condivido in pieno per la prima metà...
La seconda credo di non averla capita in pieno, in effetti questo sarebbe il mio primo alimentatore regolabile, e per il suo utilizzo mi rifaccio a quello che ne facevamo a scuola... bei tempi e alimentatori anche migliori.
a mio avviso avere due linee distinte e separate da poter regolare può essere utile, avere una linea che alimenta a da una parte e una dall'altra mi sembra una buona cosa, poi se si possono unire per avere in casi eccezionali una differenza ancora superiore non la vedo come una bruta cosa...
@[user]esinsc[/user]
Ottimo apparecchio, ma credo di farlo a mano più che per diletto che per altro...
La seconda credo di non averla capita in pieno, in effetti questo sarebbe il mio primo alimentatore regolabile, e per il suo utilizzo mi rifaccio a quello che ne facevamo a scuola... bei tempi e alimentatori anche migliori.
a mio avviso avere due linee distinte e separate da poter regolare può essere utile, avere una linea che alimenta a da una parte e una dall'altra mi sembra una buona cosa, poi se si possono unire per avere in casi eccezionali una differenza ancora superiore non la vedo come una bruta cosa...
@[user]esinsc[/user]
Ottimo apparecchio, ma credo di farlo a mano più che per diletto che per altro...
C. America: Sei grosso con l'armatura; senza quella cosa sei?
Tony Stark: Un genio, miliardario playboy filantropo
Sfodera un autocompiacimento da manuale... Concordo
Se i miei calcoli non sono errati, e non lo sono mai, 3 Giga Joule al secondo
Tony Stark: Un genio, miliardario playboy filantropo
Sfodera un autocompiacimento da manuale... Concordo
Se i miei calcoli non sono errati, e non lo sono mai, 3 Giga Joule al secondo
0
voti
candy ha scritto:Il duale serve solo in rari casi per lo studio, più che l'uso, degli op.amp.
Io l'ho iniziata per questo scopo, quando avrò tempo ed avrò migliorato la mia esperienza, il risultato sarà migliore di quello che sarebbe stato se l'avessi ultimata.
0
voti
Allora leggendo qua e la mi sono chiarito un po le idee...
Credo il meglio sarebbe un duale, con canali singolarmente regolabili in tensione con diciamo fondo scala 30V? sul fondo scala non sono molto sicuro.
Con possibilità di mettere in serie i due canali con un unico voltmetro di controllo ed ottenere una regolazione fino a 60V..
Per la corrente vada per una protezione "manuale" come suggerito da
Candy.
Poi per le tensioni stabilizzate ho il mitico ATX modificato nel mio articolo
Credo il meglio sarebbe un duale, con canali singolarmente regolabili in tensione con diciamo fondo scala 30V? sul fondo scala non sono molto sicuro.
Con possibilità di mettere in serie i due canali con un unico voltmetro di controllo ed ottenere una regolazione fino a 60V..
Per la corrente vada per una protezione "manuale" come suggerito da
Poi per le tensioni stabilizzate ho il mitico ATX modificato nel mio articolo
C. America: Sei grosso con l'armatura; senza quella cosa sei?
Tony Stark: Un genio, miliardario playboy filantropo
Sfodera un autocompiacimento da manuale... Concordo
Se i miei calcoli non sono errati, e non lo sono mai, 3 Giga Joule al secondo
Tony Stark: Un genio, miliardario playboy filantropo
Sfodera un autocompiacimento da manuale... Concordo
Se i miei calcoli non sono errati, e non lo sono mai, 3 Giga Joule al secondo
1
voti
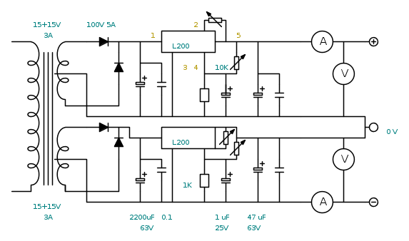
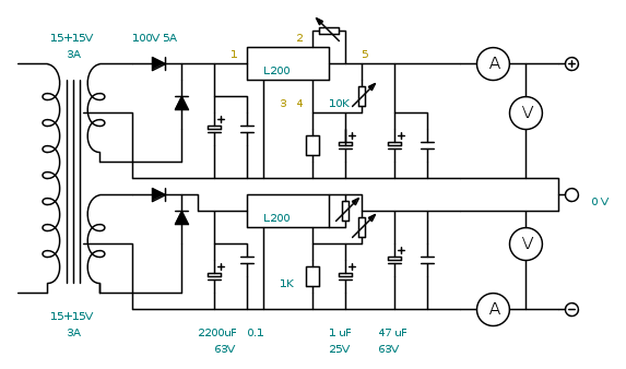
Ho scopiazzato lo schema di
marco438 con l'aggiunta di voltmetri e amperometri e limitatori di corrente, che dite può andare?
C. America: Sei grosso con l'armatura; senza quella cosa sei?
Tony Stark: Un genio, miliardario playboy filantropo
Sfodera un autocompiacimento da manuale... Concordo
Se i miei calcoli non sono errati, e non lo sono mai, 3 Giga Joule al secondo
Tony Stark: Un genio, miliardario playboy filantropo
Sfodera un autocompiacimento da manuale... Concordo
Se i miei calcoli non sono errati, e non lo sono mai, 3 Giga Joule al secondo
0
voti
Che ne dite di questo trovate abbia una buona qualità prezzo?
C. America: Sei grosso con l'armatura; senza quella cosa sei?
Tony Stark: Un genio, miliardario playboy filantropo
Sfodera un autocompiacimento da manuale... Concordo
Se i miei calcoli non sono errati, e non lo sono mai, 3 Giga Joule al secondo
Tony Stark: Un genio, miliardario playboy filantropo
Sfodera un autocompiacimento da manuale... Concordo
Se i miei calcoli non sono errati, e non lo sono mai, 3 Giga Joule al secondo
0
voti
ho RIletto l'articolo e RSC regola la corrente massima, non capisco perché non dovrei poterci mettere un potenziometro...
La mia è completa ignoranza, ma ti prego di portare pazienza e spiegarmi il motivo del mio errore
C. America: Sei grosso con l'armatura; senza quella cosa sei?
Tony Stark: Un genio, miliardario playboy filantropo
Sfodera un autocompiacimento da manuale... Concordo
Se i miei calcoli non sono errati, e non lo sono mai, 3 Giga Joule al secondo
Tony Stark: Un genio, miliardario playboy filantropo
Sfodera un autocompiacimento da manuale... Concordo
Se i miei calcoli non sono errati, e non lo sono mai, 3 Giga Joule al secondo
Chi c’è in linea
Visitano il forum: Majestic-12 [Bot] e 67 ospiti

Elettrotecnica e non solo (admin)
Un gatto tra gli elettroni (IsidoroKZ)
Esperienza e simulazioni (g.schgor)
Moleskine di un idraulico (RenzoDF)
Il Blog di ElectroYou (webmaster)
Idee microcontrollate (TardoFreak)
PICcoli grandi PICMicro (Paolino)
Il blog elettrico di carloc (carloc)
DirtEYblooog (dirtydeeds)
Di tutto... un po' (jordan20)
AK47 (lillo)
Esperienze elettroniche (marco438)
Telecomunicazioni musicali (clavicordo)
Automazione ed Elettronica (gustavo)
Direttive per la sicurezza (ErnestoCappelletti)
EYnfo dall'Alaska (mir)
Apriamo il quadro! (attilio)
H7-25 (asdf)
Passione Elettrica (massimob)
Elettroni a spasso (guidob)
Bloguerra (guerra)






