Credo che non ci capiamo ancora:
Cosa intendi per "relè stabile"?
Se intendi un relè "normale", cioè con contatti
che commutano per il tempo il cui sono alimentati,
perché metti un condensatore in serie?
In questo modo la commutazione è impulsiva
(cioè dura solo il tempo che impiega il condensatore
a caricarsi!).
BTW, il relè citato al post[2] è un "bistabile"
(vedi datasheet)
quindi una volta comandato, rimane in quello stato
finché non lo comandi con una polarità inversa!
Relay bistabile con alimentazione singola.
Moderatori:
carloc,
g.schgor,
BrunoValente,
IsidoroKZ
29 messaggi
• Pagina 3 di 3 • 1, 2, 3
0
voti
Ok, credo di non essere riuscito a spiegare bene a cosa mi riferivo.
Ho fatto un giro per riuscire ad usare i termini esatti.
Obiettivo.
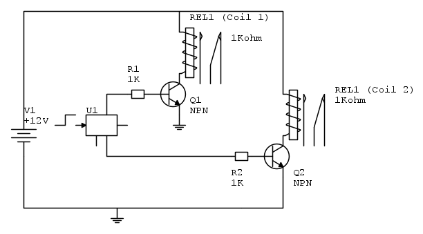
Devo utilizzare un relé bistabile a singola bobina, esattamente quello che c'è nel datasheet. E devo comandare il set (+12V) e il reset (-12V) impulsivi, avendo a disposizione solo i +12V. Da cui la soluzione che avevo pensato.
Tale soluzione presenta però 2 problemi:
In fase di scarica di C1 (fase in cui riesco a dare i -12V impulsivi alla bobina) la caduta di potenziale mi si ripartisce tra la resistenza di bobina e R2.
In secondo luogo, con Q2 in conduzione ho una corrente continua che scorre attraverso R1 di 60mA, sono troppi non mi piacciono.
C'è un modo per ottimizzare questa soluzione?
O magari utilizzarne una completamente differente per raggiungere l'obiettivo?
Ho fatto un giro per riuscire ad usare i termini esatti.
Obiettivo.
Devo utilizzare un relé bistabile a singola bobina, esattamente quello che c'è nel datasheet. E devo comandare il set (+12V) e il reset (-12V) impulsivi, avendo a disposizione solo i +12V. Da cui la soluzione che avevo pensato.
Tale soluzione presenta però 2 problemi:
In fase di scarica di C1 (fase in cui riesco a dare i -12V impulsivi alla bobina) la caduta di potenziale mi si ripartisce tra la resistenza di bobina e R2.
In secondo luogo, con Q2 in conduzione ho una corrente continua che scorre attraverso R1 di 60mA, sono troppi non mi piacciono.
C'è un modo per ottimizzare questa soluzione?
O magari utilizzarne una completamente differente per raggiungere l'obiettivo?
Ultima modifica di
Shockwaver il 6 ott 2011, 14:50, modificato 1 volta in totale.
Anyone who has never made a mistake has never tried anything new
Two things are infinite: universe and human stupidity, and I'm not sure about the former
You did not really understand something unless you can explain it to your grandmother
A. Einstein
Two things are infinite: universe and human stupidity, and I'm not sure about the former
You did not really understand something unless you can explain it to your grandmother
A. Einstein
-

Shockwaver
770 1 5 11 - Expert

- Messaggi: 859
- Iscritto il: 3 mar 2010, 18:56
0
voti
gohan ha scritto:Shockwaver ha scritto:chi come me che ne capisce poco di elettronica lo usa ... e controlla sia le correnti che le tensioni, riesce magari a capire qualcosa.
Io non penso di essere un genio in elettronica, per quel poco che ne so posso dire che al tempo ho fatto il tuo stesso errore (come probabilmente è successo a molti) e alla fine succede che non si capisce niente.
Comunque è appunto il verso delle correnti che devi andare a rivedere, e lo hai detto tu stesso il perché. Se non hai letto il link, ti rimando a questo.Resto in attesa che mi diciate dove sto sbagliando.
Sbagli a fidarti dei simulatori.
Comunque, ascolta anche i consigli dig.schgor.
Ho letto e riletto il link e non vedo controindicazioni per il circuito che ho postato.
Ragioniamo insieme:
Con Q1 interdetto questo si può approssimare ad un CA per cui la base di Q2 è protetta da R2.
Con Q1 in conduzione questo si PUO' (in linea di massima) approssimare ad un CC per cui la corrente che prelievo dall'alimentazione entra sia dentro il collettore di Q1 sia dentro la base di Q2. TUTTAVIA questa viene comunque limtata da R2. Per cui ancora una volta la base di Q2 è protetta. Dove mi sbaglio?
Anyone who has never made a mistake has never tried anything new
Two things are infinite: universe and human stupidity, and I'm not sure about the former
You did not really understand something unless you can explain it to your grandmother
A. Einstein
Two things are infinite: universe and human stupidity, and I'm not sure about the former
You did not really understand something unless you can explain it to your grandmother
A. Einstein
-

Shockwaver
770 1 5 11 - Expert

- Messaggi: 859
- Iscritto il: 3 mar 2010, 18:56
0
voti
Finalmente mi hai chiarito il problema.
Escludevo che potessi usare la scarica del condensatore
come reset (1/4 della tensione di carica è sufficiente
per far questo?)
Escludevo che potessi usare la scarica del condensatore
come reset (1/4 della tensione di carica è sufficiente
per far questo?)
0
voti
Sì, uso la tensione di scarica del condensatore per dare l'impulso -12V ai capi della bobina. Dal DS vedo che servono almeno -9V quindi 3/4 della carica del condensatore. Il problema è che questi relé hanno una bobina da circa 700ohm e già con una R1 bassa come 200ohm sono assolutamente al limite.
Inoltre con 200ohm ho il problema dei 60mA che ci passano attraverso ininterrottamente quando Q2 è in conduzione...
Inoltre con 200ohm ho il problema dei 60mA che ci passano attraverso ininterrottamente quando Q2 è in conduzione...
Anyone who has never made a mistake has never tried anything new
Two things are infinite: universe and human stupidity, and I'm not sure about the former
You did not really understand something unless you can explain it to your grandmother
A. Einstein
Two things are infinite: universe and human stupidity, and I'm not sure about the former
You did not really understand something unless you can explain it to your grandmother
A. Einstein
-

Shockwaver
770 1 5 11 - Expert

- Messaggi: 859
- Iscritto il: 3 mar 2010, 18:56
0
voti
Va bene, grazie.
Vista comunque la soluzione penso che ripiegherò su un'altra. Spendo qualche decina di centesimi di più a relé e opto per i bistabili double-coiled. Le bobine le eccito tramite degli NPN le cui basi sono legate alle uscite di un contatore decimale (visto che ho comunque una sola uscita di microcontrollore per relé), così:
Grazie ancora.
Vista comunque la soluzione penso che ripiegherò su un'altra. Spendo qualche decina di centesimi di più a relé e opto per i bistabili double-coiled. Le bobine le eccito tramite degli NPN le cui basi sono legate alle uscite di un contatore decimale (visto che ho comunque una sola uscita di microcontrollore per relé), così:
Grazie ancora.
Anyone who has never made a mistake has never tried anything new
Two things are infinite: universe and human stupidity, and I'm not sure about the former
You did not really understand something unless you can explain it to your grandmother
A. Einstein
Two things are infinite: universe and human stupidity, and I'm not sure about the former
You did not really understand something unless you can explain it to your grandmother
A. Einstein
-

Shockwaver
770 1 5 11 - Expert

- Messaggi: 859
- Iscritto il: 3 mar 2010, 18:56
0
voti
Certo! Per le correnti impulsive...
Grazie ancora
Grazie ancora

Anyone who has never made a mistake has never tried anything new
Two things are infinite: universe and human stupidity, and I'm not sure about the former
You did not really understand something unless you can explain it to your grandmother
A. Einstein
Two things are infinite: universe and human stupidity, and I'm not sure about the former
You did not really understand something unless you can explain it to your grandmother
A. Einstein
-

Shockwaver
770 1 5 11 - Expert

- Messaggi: 859
- Iscritto il: 3 mar 2010, 18:56
29 messaggi
• Pagina 3 di 3 • 1, 2, 3
Chi c’è in linea
Visitano il forum: Nessuno e 46 ospiti

Elettrotecnica e non solo (admin)
Un gatto tra gli elettroni (IsidoroKZ)
Esperienza e simulazioni (g.schgor)
Moleskine di un idraulico (RenzoDF)
Il Blog di ElectroYou (webmaster)
Idee microcontrollate (TardoFreak)
PICcoli grandi PICMicro (Paolino)
Il blog elettrico di carloc (carloc)
DirtEYblooog (dirtydeeds)
Di tutto... un po' (jordan20)
AK47 (lillo)
Esperienze elettroniche (marco438)
Telecomunicazioni musicali (clavicordo)
Automazione ed Elettronica (gustavo)
Direttive per la sicurezza (ErnestoCappelletti)
EYnfo dall'Alaska (mir)
Apriamo il quadro! (attilio)
H7-25 (asdf)
Passione Elettrica (massimob)
Elettroni a spasso (guidob)
Bloguerra (guerra)

