A questo punto non so cosa dirti ancora.
Si e' dimostrato che il 7805 funziona quindi il "difetto" deve necessariamente risiedere nella configurazione del circuito. Tu dici di aver controllato tutto; e allora?
Hai provato, come avevo suggerito, a togliere i condensatori elettrolitici (che dici di aver messo nel giusto modo)?
aiuto alimentatore 5Vdc
Moderatori:
carloc,
g.schgor,
BrunoValente,
IsidoroKZ
0
voti
[22] Re: aiuto alimentatore 5Vdc
marco438 ha scritto:A questo punto non so cosa dirti ancora.
Si e' dimostrato che il 7805 funziona quindi il "difetto" deve necessariamente risiedere nella configurazione del circuito. Tu dici di aver controllato tutto; e allora?
Hai provato, come avevo suggerito, a togliere i condensatori elettrolitici (che dici di aver messo nel giusto modo)?
si ho provato e da 3,93v
-
marco438
37,1k 7 11 13 - -EY Legend-

- Messaggi: 16323
- Iscritto il: 24 mar 2010, 14:09
- Località: Versilia
0
voti
[23] Re: aiuto alimentatore 5Vdc
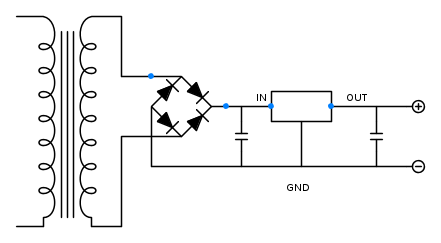
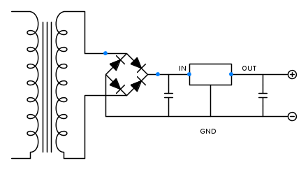
Non riesco a capire proprio cosa tu possa aver combinato; comunque, prendendo a riferimento questo schema:
voglio che mi misuri le tensioni che rilevi sui punti in azzurro.
Ci risentiamo domani per i risultati.
voglio che mi misuri le tensioni che rilevi sui punti in azzurro.
Ci risentiamo domani per i risultati.
marco

Elettrotecnica e non solo (admin)
Un gatto tra gli elettroni (IsidoroKZ)
Esperienza e simulazioni (g.schgor)
Moleskine di un idraulico (RenzoDF)
Il Blog di ElectroYou (webmaster)
Idee microcontrollate (TardoFreak)
PICcoli grandi PICMicro (Paolino)
Il blog elettrico di carloc (carloc)
DirtEYblooog (dirtydeeds)
Di tutto... un po' (jordan20)
AK47 (lillo)
Esperienze elettroniche (marco438)
Telecomunicazioni musicali (clavicordo)
Automazione ed Elettronica (gustavo)
Direttive per la sicurezza (ErnestoCappelletti)
EYnfo dall'Alaska (mir)
Apriamo il quadro! (attilio)
H7-25 (asdf)
Passione Elettrica (massimob)
Elettroni a spasso (guidob)
Bloguerra (guerra)

