Questo lo avevo visto anch'io ma al monento, per mantenere le cose facili, non mi viene in mente nessun'altra soluzione.
Altre idee sono ben accette.
Frecce per bici
Moderatori:
carloc,
g.schgor,
BrunoValente,
IsidoroKZ
45 messaggi
• Pagina 3 di 5 • 1, 2, 3, 4, 5
0
voti
[22] Re: Frecce per bici
Se l'accensione fissa dei led è per la segnalazione di stop, sono dell'idea di togliere P1 ossia i led possono solamente lampeggiare ed essere di colore arancione; i led da accendere fissi, di colore rosso, andrebbero messi su un circuito indipendente seppure con l'alimentazione in comune con quello delle frecce.
0
voti
[23] Re: Frecce per bici
alev@...Le luci saranno rosse non arancioni.
Mi sta bene avere un altro circuito per lo stop.
Mi sta bene avere un altro circuito per lo stop.
0
voti
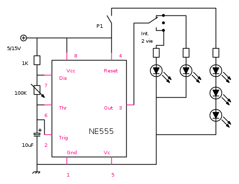
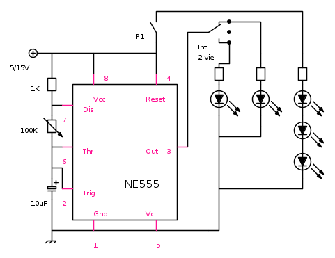
[24] Re: Frecce per bici
gabnik ha scritto:alev@...Le luci saranno rosse non arancioni.
Mi sta bene avere un altro circuito per lo stop.
In questo caso possiamo modificare lo schema cosi':
Avresti due led per le freccie e tre per lo stop.
marco
0
voti
[25] Re: Frecce per bici
marco438@...in pratica che devo comperare e quanto mi costa?
Grazie.
Gabnik
Grazie.
Gabnik
1
voti
[26] Re: Frecce per bici
gabnik ha scritto:alev@...Le luci saranno rosse non arancioni.
Mi sta bene avere un altro circuito per lo stop.
Il Codice della Strada prescrive quelle arancioni per gli indicatori di direzione.
Con altri colori, rischi solo di non far capire le tue intenzioni.
0
voti
[27] Re: Frecce per bici
alev@...sì ma dove trovi un led arancione prefabbricato? E poi io lo rispetto anche troppo il codice della strada vado sempre sul marciapiede 
0
voti
[28] Re: Frecce per bici
Se vai davvero in bicicletta sul marciapiede, se un po' incosciente ed irrispettoso, soprattutto verso gli anziani
Quando ti fa comodo ed hai bisogno di risposte, ti esprimi così:
Quando ti vengono dette delle cose da chi ne sa più di te, rispondi come se sapessi tutto
Eccoti un LED arancione 5 mm
Quando ti fa comodo ed hai bisogno di risposte, ti esprimi così:
Non so molto di elettronica, quindi siate pazienti se non capisco, quindi esprimetevi con parole semplici.
Quando ti vengono dette delle cose da chi ne sa più di te, rispondi come se sapessi tutto
ma dove trovi un led arancione prefabbricato?
Eccoti un LED arancione 5 mm
45 messaggi
• Pagina 3 di 5 • 1, 2, 3, 4, 5
Chi c’è in linea
Visitano il forum: Nessuno e 130 ospiti

Elettrotecnica e non solo (admin)
Un gatto tra gli elettroni (IsidoroKZ)
Esperienza e simulazioni (g.schgor)
Moleskine di un idraulico (RenzoDF)
Il Blog di ElectroYou (webmaster)
Idee microcontrollate (TardoFreak)
PICcoli grandi PICMicro (Paolino)
Il blog elettrico di carloc (carloc)
DirtEYblooog (dirtydeeds)
Di tutto... un po' (jordan20)
AK47 (lillo)
Esperienze elettroniche (marco438)
Telecomunicazioni musicali (clavicordo)
Automazione ed Elettronica (gustavo)
Direttive per la sicurezza (ErnestoCappelletti)
EYnfo dall'Alaska (mir)
Apriamo il quadro! (attilio)
H7-25 (asdf)
Passione Elettrica (massimob)
Elettroni a spasso (guidob)
Bloguerra (guerra)





