Ora il mio circuito è così, scusate l'ignoranza, ma al momento non saprei come inserire
il transistor in questione. Mi potete aiutare? :)
visualizzare livello liquido
Moderatori:
carloc,
g.schgor,
BrunoValente,
IsidoroKZ
24 messaggi
• Pagina 3 di 3 • 1, 2, 3
0
voti
- Allegati
-
- sens livello.jpg (37.62 KiB) Osservato 1905 volte
0
voti
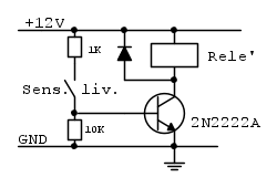
Puoi provare così:
Se funziona, puoi usare il segnale per abilitare il pin4 del 555
(ovviamente staccando dal pin il +12V ed eliminando
il contatto attuale di livello)
Se funziona, puoi usare il segnale per abilitare il pin4 del 555
(ovviamente staccando dal pin il +12V ed eliminando
il contatto attuale di livello)
0
voti
Inserendo il sensore di liquido tra la Vcc ed il pin 4, ottengo l'effetto opposto, nel senso che finché c'è liquido il led lampeggia e quando invece l'acqua va sotto il livello minimo, il led si spegne. 
24 messaggi
• Pagina 3 di 3 • 1, 2, 3
Chi c’è in linea
Visitano il forum: Nessuno e 127 ospiti

Elettrotecnica e non solo (admin)
Un gatto tra gli elettroni (IsidoroKZ)
Esperienza e simulazioni (g.schgor)
Moleskine di un idraulico (RenzoDF)
Il Blog di ElectroYou (webmaster)
Idee microcontrollate (TardoFreak)
PICcoli grandi PICMicro (Paolino)
Il blog elettrico di carloc (carloc)
DirtEYblooog (dirtydeeds)
Di tutto... un po' (jordan20)
AK47 (lillo)
Esperienze elettroniche (marco438)
Telecomunicazioni musicali (clavicordo)
Automazione ed Elettronica (gustavo)
Direttive per la sicurezza (ErnestoCappelletti)
EYnfo dall'Alaska (mir)
Apriamo il quadro! (attilio)
H7-25 (asdf)
Passione Elettrica (massimob)
Elettroni a spasso (guidob)
Bloguerra (guerra)


