Raddrizzatore
Moderatori:
carloc,
g.schgor,
BrunoValente,
IsidoroKZ
33 messaggi
• Pagina 3 di 4 • 1, 2, 3, 4
0
voti
[22] Re: Raddrizzatore
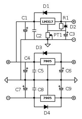
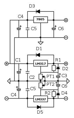
Questo dovrebbe essere lo schema corretto.
Avevo voglia di usare fidocad..
Avevo voglia di usare fidocad..
0
voti
[26] Re: Raddrizzatore
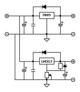
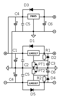
E no [user]gohan[/user] ; a parte il fatto che manca qualche punto di connessione l'OP mi pare abbia chiesto i 5V fissi positivi ed il resto duale e variabile.
Non ci siamo proprio
Rettifico: i punti di connessione sono apparsi improvvisamente; che sia magia?
Non ci siamo proprio
Rettifico: i punti di connessione sono apparsi improvvisamente; che sia magia?
marco
0
voti
[27] Re: Raddrizzatore
marco438 ha scritto:a parte il fatto che manca qualche punto di connessione
Quelli li avevo corretti in silenzio.
l'OP mi pare abbia chiesto i 5 V fissi positivi ed il resto duale e variabile.
Adesso?
0
voti
[28] Re: Raddrizzatore
Per il momento direi che puo' andare anche se aggiungerei un trimmer per equilibrare i canali.
Comunque aspettiamo che
Gammaray ci illustri il suo progetto.
La ringrazio per la gentile collaborazione.
Comunque aspettiamo che
La ringrazio per la gentile collaborazione.
marco
0
voti
[29] Re: Raddrizzatore
marco438 ha scritto:La ringrazio per la gentile collaborazione.
Di niente! Se avró problemi con la dichiarazione dei redditi ti farò un fischio.
Ci mancherebbe che non ci abbiamo azzeccato.
0
voti
[30] Re: Raddrizzatore
gohan ha scritto:Di niente! Se avró problemi con la dichiarazione dei redditi ti farò un fischio.![]()
Non sono molto ferrato sulla legislazione fiscale spagnola, comunque vedro' di arrangiarmi; tanto con il web o con youtube si fa tutto, elettronica e dichiarazioni comprese.
marco
33 messaggi
• Pagina 3 di 4 • 1, 2, 3, 4
Chi c’è in linea
Visitano il forum: Nessuno e 109 ospiti

Elettrotecnica e non solo (admin)
Un gatto tra gli elettroni (IsidoroKZ)
Esperienza e simulazioni (g.schgor)
Moleskine di un idraulico (RenzoDF)
Il Blog di ElectroYou (webmaster)
Idee microcontrollate (TardoFreak)
PICcoli grandi PICMicro (Paolino)
Il blog elettrico di carloc (carloc)
DirtEYblooog (dirtydeeds)
Di tutto... un po' (jordan20)
AK47 (lillo)
Esperienze elettroniche (marco438)
Telecomunicazioni musicali (clavicordo)
Automazione ed Elettronica (gustavo)
Direttive per la sicurezza (ErnestoCappelletti)
EYnfo dall'Alaska (mir)
Apriamo il quadro! (attilio)
H7-25 (asdf)
Passione Elettrica (massimob)
Elettroni a spasso (guidob)
Bloguerra (guerra)




