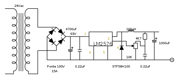
Ho fatto delle prove con il circuito che avevo modificando solo la parte finale. In pratica ho staccato tutto quello che c'e' dopo l'induttore e vi ho collegato un condensatore da 1000uf.
Bene il circutito dava tensione, anzi tensione variabile dato che ero in grado di regolarla tramite il trimmer. Sono riuscito ad alimentare una lampada da 12v 40w ma dopo si sara' guastato il diodo scotty dato che non era montato su un dissipatore. Ho sostituito tale diodo e testato altri due integrati e tutti quanti fornivano una tensione variabile.
Desumo che il danno sia dopo tale parte del circuito.
PS: se misuro i pin del diodo scotty cosa devo ottenere? Io leggevo 0,65 circa dopo averlo smontato
Regolatore di tensione LM2576T -ADJ
Moderatori:
carloc,
g.schgor,
BrunoValente,
IsidoroKZ
0
voti
Cosi' non capisco nulla; fai uno schema di quello che hai fatto indicando le tensioni rilevate.
Ma non avevi detto che non c'era tensione sul pin 2?
Ma non avevi detto che non c'era tensione sul pin 2?
marco
0
voti
Allora sostanzialmente ho staccato la parte del circuito dopo l'induttore. In pratica ho realizzato il circuito che si vede nel datasheet a pagina nove figura due, come ti dicevo poco fa.
Guarda qui
Ai capi del condensatore da 1000uF ho misurato una tensione che puo' essere variata tramite il trimmer. Ha vuoto ho misurato una tensione fino a circa 35V
Guarda qui
Ai capi del condensatore da 1000uF ho misurato una tensione che puo' essere variata tramite il trimmer. Ha vuoto ho misurato una tensione fino a circa 35V
0
voti
Quindi, in pratica, avresti tolto soltanto il rele' (che probabilmente era mal collegato) e il fusibile (che potrebbe essere saltato).
A questo punto devi controllare che tramite il trimmer la tensione possa essere regolata a circa 14V.
Pero' il condensatore finale non dovrebbe essere necessario.
A questo punto devi controllare che tramite il trimmer la tensione possa essere regolata a circa 14V.
Pero' il condensatore finale non dovrebbe essere necessario.
marco
0
voti
No ho staccato la resistenza da 15 ohm, rele' e fusibile, inoltre ho dovuto sostituire il diodo.
Mi sai dire che valori devo misurare tra i pin del diodo? Per verificare se è andato ko.
adesso il circuito funziona come un alimentatore regolabile in tensione.
Mi sai dire che valori devo misurare tra i pin del diodo? Per verificare se è andato ko.
adesso il circuito funziona come un alimentatore regolabile in tensione.
0
voti
Il diodo lo devi smontare e provare con il provadiodi.
Senza le resistenze (ho notato la mancaza dopo aver risposto) il circuito diventa un normale alimentatore a commutazione.
Senza le resistenze (ho notato la mancaza dopo aver risposto) il circuito diventa un normale alimentatore a commutazione.
marco
0
voti
Allora, prima di tutto proverei a vedere se il diodo fast e' ancora buono; poi ricollegherei le due resistenze (ma perche' due e quale valore hanno? ohm e watt) togliendo il condensatore.
Non hai ancora risposto alla mia domanda precedente; quali sono i valori minimo/massimo ottenibili agendo sul trimmer?
Non hai ancora risposto alla mia domanda precedente; quali sono i valori minimo/massimo ottenibili agendo sul trimmer?
marco
0
voti
per il diodo non c'e' problema dato che lo ho sostituito con un altro ed il circuito aveva nuovamente tensione.
Le resistenze sono due dato che al negozio non avevano una da 15ohm ne ho prese due che messe in parallelo arrivano alla resistenza necessaria (se non sbaglio 13 e 17). La potenza dobrebbe essere di 15w ciascuna.
per le tensioni raggiungibili a vuoto ho trovato valori che vanno da 0 a 35volt se non ricordo male.
Le resistenze sono due dato che al negozio non avevano una da 15ohm ne ho prese due che messe in parallelo arrivano alla resistenza necessaria (se non sbaglio 13 e 17). La potenza dobrebbe essere di 15w ciascuna.
per le tensioni raggiungibili a vuoto ho trovato valori che vanno da 0 a 35volt se non ricordo male.
0
voti
Se vuoi che continui ad aiutarti, devi essere piu' preciso nelle risposte; "se non ricordo male" non dice nulla.
E' impossibile che il regolatore scenda a 0V se la tensione di riferimento dell'IC e' 1.23V.
Cosi' come 13 e 17 ohm in parallelo non danno una resistenza da 15ohm e "dovrebbe essere" in elettronica non esiste.
Controlla con attenzione e poi rispondi quando sei sicuro di quello che scrivi.
E' impossibile che il regolatore scenda a 0V se la tensione di riferimento dell'IC e' 1.23V.
Cosi' come 13 e 17 ohm in parallelo non danno una resistenza da 15ohm e "dovrebbe essere" in elettronica non esiste.
Controlla con attenzione e poi rispondi quando sei sicuro di quello che scrivi.
marco
Chi c’è in linea
Visitano il forum: Nessuno e 58 ospiti

Elettrotecnica e non solo (admin)
Un gatto tra gli elettroni (IsidoroKZ)
Esperienza e simulazioni (g.schgor)
Moleskine di un idraulico (RenzoDF)
Il Blog di ElectroYou (webmaster)
Idee microcontrollate (TardoFreak)
PICcoli grandi PICMicro (Paolino)
Il blog elettrico di carloc (carloc)
DirtEYblooog (dirtydeeds)
Di tutto... un po' (jordan20)
AK47 (lillo)
Esperienze elettroniche (marco438)
Telecomunicazioni musicali (clavicordo)
Automazione ed Elettronica (gustavo)
Direttive per la sicurezza (ErnestoCappelletti)
EYnfo dall'Alaska (mir)
Apriamo il quadro! (attilio)
H7-25 (asdf)
Passione Elettrica (massimob)
Elettroni a spasso (guidob)
Bloguerra (guerra)



