Semplici caricabatterie NiMh
Moderatori:
carloc,
g.schgor,
BrunoValente,
IsidoroKZ
0
voti
Purtroppo ho solo questo a disposizione..
A questo punto che resistenze devo usare per abbassare la tensione? E per regolare la corrente a 200mAh?
per il resto il circuito che hai proposto all'inizio va bene?
Grazie!
A questo punto che resistenze devo usare per abbassare la tensione? E per regolare la corrente a 200mAh?
per il resto il circuito che hai proposto all'inizio va bene?
Grazie!
2
voti
la ricarica delle batterie NiMH e` abbastanza complicata, specie per decidere quando fermare la carica per non sovraccaricarle rovinandole.
Se pero` si effettua una carica lenta, dalle parti di C/10 o meno, allora la cosa non e` tanto difficie perche' l'eventuale idrogeno che si forma viene assorbito in tempo reale.
Se usi l'alimentatore da 24 V puoi mettere in serie una resistenza da 82Ω almeno 5W (10W sarebbe meglio, o anche due resistenze una da 47Ω 5W in serie a una 39Ω 5W) e colleghi il tutto alle batterie. Lasci sotto carica 14 ore e le batterie da 4.8V e 17 ore quelle da 9.6V e sono ricaricate. Senza usare integrati o altre cose complicate.
Se vuoi fare una cosa un po' migliore, usi due resistenze, una da 100Ω l'altra da 82Ω, sempre 5W (meglio 10W) la prima per il pacco dail pacco da 4.8V la seconda per il pacco da 9.6V e in entrambi i casi si ricaricano in 14 ore. Puoi anche ricaricarle contemporaneamente.
Se pero` si effettua una carica lenta, dalle parti di C/10 o meno, allora la cosa non e` tanto difficie perche' l'eventuale idrogeno che si forma viene assorbito in tempo reale.
Se usi l'alimentatore da 24 V puoi mettere in serie una resistenza da 82Ω almeno 5W (10W sarebbe meglio, o anche due resistenze una da 47Ω 5W in serie a una 39Ω 5W) e colleghi il tutto alle batterie. Lasci sotto carica 14 ore e le batterie da 4.8V e 17 ore quelle da 9.6V e sono ricaricate. Senza usare integrati o altre cose complicate.
Se vuoi fare una cosa un po' migliore, usi due resistenze, una da 100Ω l'altra da 82Ω, sempre 5W (meglio 10W) la prima per il pacco dail pacco da 4.8V la seconda per il pacco da 9.6V e in entrambi i casi si ricaricano in 14 ore. Puoi anche ricaricarle contemporaneamente.
Per usare proficuamente un simulatore, bisogna sapere molta più elettronica di lui
Plug it in - it works better!
Il 555 sta all'elettronica come Arduino all'informatica! (entrambi loro malgrado)
Se volete risposte rispondete a tutte le mie domande
Plug it in - it works better!
Il 555 sta all'elettronica come Arduino all'informatica! (entrambi loro malgrado)
Se volete risposte rispondete a tutte le mie domande
0
voti
Intanto grazie per la risposta!
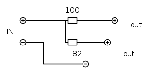
Se ho capito bene, devo fare qualcosa del genere:
In questo modo posso caricare entrambi i pacchi batterie contemporaneamente in 14 ore, esatto?
Se ho capito bene, devo fare qualcosa del genere:
In questo modo posso caricare entrambi i pacchi batterie contemporaneamente in 14 ore, esatto?
0
voti
Si`, proprio cosi`. Con alimentatore a 24 V e capacita` di erogare piu` di mezzo ampere. Le resistenze da almeno 5W e diventano molto calde, oppure 10W e diventano meno calde!
Per usare proficuamente un simulatore, bisogna sapere molta più elettronica di lui
Plug it in - it works better!
Il 555 sta all'elettronica come Arduino all'informatica! (entrambi loro malgrado)
Se volete risposte rispondete a tutte le mie domande
Plug it in - it works better!
Il 555 sta all'elettronica come Arduino all'informatica! (entrambi loro malgrado)
Se volete risposte rispondete a tutte le mie domande
0
voti
Forse ho trovato un alimentatore più adatto.. E' in grado di fornire 13,9v e 1,5A
Con queste caratteristiche, come dovrei ridimensionare le resistenze?
Grazie! :)
Con queste caratteristiche, come dovrei ridimensionare le resistenze?
Grazie! :)
1
voti
Non mi piace. Usa l'alimentatore da 24 V con i valori che avevo detto. La ragione e` che piu` abbassi la tensione di alimentazione piu` piccole diventano le resistenze e peggiore diventa il generatore di corrente che emulano. La tensione di cella varia da 1V circa a cella scarica fin oltre 1.4V a cella carica.
Con quell'alimentatore da 13.9V prendi uno o due LM317, li metti in configurazione di generatore di corrente con una resistenza da 6ohm (2 resistenze da 12ohm 0.5W in parallelo) e hai un generatore di corrente che eroga 200mA che vanno bene per entrambi i pacchi batterie. Se metti due generatori di corrente con 2 LM317 puoi caricare due pacchi contemporaneamente.
La ricarica del pacco da 9.6V potrebbe essere un po' "impiccata" verso la fine, ma ce la fa.
I 317 devono essere dissipati con una aletta.
Con quell'alimentatore da 13.9V prendi uno o due LM317, li metti in configurazione di generatore di corrente con una resistenza da 6ohm (2 resistenze da 12ohm 0.5W in parallelo) e hai un generatore di corrente che eroga 200mA che vanno bene per entrambi i pacchi batterie. Se metti due generatori di corrente con 2 LM317 puoi caricare due pacchi contemporaneamente.
La ricarica del pacco da 9.6V potrebbe essere un po' "impiccata" verso la fine, ma ce la fa.
I 317 devono essere dissipati con una aletta.
Per usare proficuamente un simulatore, bisogna sapere molta più elettronica di lui
Plug it in - it works better!
Il 555 sta all'elettronica come Arduino all'informatica! (entrambi loro malgrado)
Se volete risposte rispondete a tutte le mie domande
Plug it in - it works better!
Il 555 sta all'elettronica come Arduino all'informatica! (entrambi loro malgrado)
Se volete risposte rispondete a tutte le mie domande
0
voti
IsidoroKZ, non hai certo bisogno del mio placet, ma sono d'accordo su tutto quanto hai scritto.
Mica vero che non ho bisogno di placet! DI corbellerie/fesserie/cazzate ne scrivo anch'io la mia dose, praticamente industriale.
Grazie
Mica vero che non ho bisogno di placet! DI corbellerie/fesserie/cazzate ne scrivo anch'io la mia dose, praticamente industriale.
Grazie
-

FedericoSibona
5.022 3 5 8 - Master

- Messaggi: 3951
- Iscritto il: 19 mar 2013, 11:43
Chi c’è in linea
Visitano il forum: Nessuno e 112 ospiti

Elettrotecnica e non solo (admin)
Un gatto tra gli elettroni (IsidoroKZ)
Esperienza e simulazioni (g.schgor)
Moleskine di un idraulico (RenzoDF)
Il Blog di ElectroYou (webmaster)
Idee microcontrollate (TardoFreak)
PICcoli grandi PICMicro (Paolino)
Il blog elettrico di carloc (carloc)
DirtEYblooog (dirtydeeds)
Di tutto... un po' (jordan20)
AK47 (lillo)
Esperienze elettroniche (marco438)
Telecomunicazioni musicali (clavicordo)
Automazione ed Elettronica (gustavo)
Direttive per la sicurezza (ErnestoCappelletti)
EYnfo dall'Alaska (mir)
Apriamo il quadro! (attilio)
H7-25 (asdf)
Passione Elettrica (massimob)
Elettroni a spasso (guidob)
Bloguerra (guerra)




