
dimmer mega led
Moderatori:
carloc,
g.schgor,
BrunoValente,
IsidoroKZ
0
voti
[21] Re: dimmer mega led
Se mi dai una mano con schema e componenti magari qualcosa tiro fuori. Di solito uso Eagle per reallizzare le PCB ma se secondo te è troppo impegnativo non fa niente. No problem. 

0
voti
[22] Re: dimmer mega led
panorantini ha scritto:belva87 ha scritto:Ammesso che io abbia capito cosa hai intenzione di fare, direi di no... o almeno non così semplicisticamente.
Fai uno schema e sii più dettagliato.
Io intendevo qualcosa del genere.. non sono un esperto, ma mi ha incuriosito il forum e ho voluto dire la mia idea, forse sbagliata...
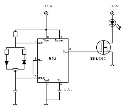
Questa non può andare bene, però con un transistor pilotato ON-OFF da un 555 (configurazione astabile con duty-cycle variabile) non dovrebbe venire male. La frequenza di oscillazione credo vada bene intorno al kHz. I 12V li prelevi regolando con un 7812 i 36V uscenti dal driver tanto il consumo è abbastanza contenuto.
PS: Auguri di buona Pasqua
0
voti
[23] Re: dimmer mega led
ciao, mi diresti anche i valori degli altri componenti? resistenze,pot,diodi..poi ho trovato dei 7812 si internet ma da quello che ho capito funzionano al massimo con un vin di di meno 30V è possibile? infine il mosfet e il 7812 vanno dissipati?(credo di si).
grazie e auguri anche a te.
edit: non ho capito a cosa serve il potenziometro nel circuito.
grazie e auguri anche a te.
edit: non ho capito a cosa serve il potenziometro nel circuito.
0
voti
[24] Re: dimmer mega led
Leggendomi un po di altri post sui 555 forse ho capito , il potenziometro serve per variare il PWM? Se fosse cosi non andrebbe bene perché io devo vararlo con un segnale 0-10V.poi magari non ho capito niente però mi piacerebbero spiegazioni.
0
voti
[25] Re: dimmer mega led
La strada corretta per l'intera baracca non è questa... resta comunque un metodo "semplice" e facilmente applicabile per ciò che riguarda il dimming.
Il poteziometro varia il DutyCicle del segnale generato dal 555 che di conseguenza varierà il tempo di conduzione del mosfet e quindi la corrente media percorsa sul carico, in questo caso il diodo LED.
Se il 7812 alimenta solo il 555 non serve nessuna dissipazione, anzi credo che ti va bene anche in un contenitore TO92. Resta sempre buona norma inserire un diodo di protezione in serie per evitare inversioni di polarità, capitano anche ai peggiori
, e una resistenza nel caso la fonte di alimentazione sia notevolmente elevata, nel caso in cui il 7812 alimenti solo il 555 va bene una resistenza da un watt (anche meno) e 470 ohm.
Luca
Il poteziometro varia il DutyCicle del segnale generato dal 555 che di conseguenza varierà il tempo di conduzione del mosfet e quindi la corrente media percorsa sul carico, in questo caso il diodo LED.
Se il 7812 alimenta solo il 555 non serve nessuna dissipazione, anzi credo che ti va bene anche in un contenitore TO92. Resta sempre buona norma inserire un diodo di protezione in serie per evitare inversioni di polarità, capitano anche ai peggiori
Luca0
voti
[26] Re: dimmer mega led
ciao, anche io mi sto progettando un circuito per controllare il mio LED (anche se solo da 10W)
non è una cosa così complicata, però se non sai niente di teoria sarà difficile, e forse è meglio se ne cerchi uno già fatto. in genere su ebay si trova sempre qualcosa di un po' cinese che va.
ricorda però che i LED che hai comprato sono in realtà (cioè su CHIP) molti LED in serie, dei controllarli in corrente.
un'altra soluzione è quella di controllarli in PWM, anche se dovrai cercare un MOS bello grosso!
non è una cosa così complicata, però se non sai niente di teoria sarà difficile, e forse è meglio se ne cerchi uno già fatto. in genere su ebay si trova sempre qualcosa di un po' cinese che va.
ricorda però che i LED che hai comprato sono in realtà (cioè su CHIP) molti LED in serie, dei controllarli in corrente.
un'altra soluzione è quella di controllarli in PWM, anche se dovrai cercare un MOS bello grosso!
0
voti
[27] Re: dimmer mega led
grazie ragazzi per l'interessamento, il problema è che devo controllarli con un Logo siemens il quale mi da delle uscite a relè (contatti) e delle uscite analogiche 0-10V. so che esistono dei moduli per espandere il Logo i quali hanno uscite a transistor da max 0.3A, e li si potrebbe effettuare il PWM. se riuscivo a trovare una soluzione fai da te per poter sfruttare sia i drive che ho già, sia le uscite 0-10V era meglio perché non volevo spendere soldi in moduli o addirittura nuovi driver dimmerabili 0-10V. se propio potrei comprarmi quel modulo a transistor e magari utilizzarlo anche in futuro per altro ma dei driver nuovi volevo evitare.
1
voti
[28] Re: dimmer mega led
Forse era piu' semplice, per chi ha cercato di aiutarti, se queste precisazioni le avessi fatte 25 post fa'.
Cerca, in futuro, di fornire subito tutte le indicazioni necessarie.
Cerca, in futuro, di fornire subito tutte le indicazioni necessarie.
marco
0
voti
[29] Re: dimmer mega led
guarda che nel primo post ho detto che mi serviva controllarlo con un segnale 0-10V e nel 18°post ho anche detto che uso un Logo.dopo la soluzione dei moduli aggiuntivi l'ho trovata solo sta sera.
0
voti
[30] Re: dimmer mega led
micky861 ha scritto: Magari gestibile con un segnale 0-10V.
Dal devo al magari mi sembra ci sia una bella differenza.
Comunque c'è la possibilità di controllare il segnale PWM generato dal 555 agendo opportunamente sul pin 5 cioè regolando le tensioni di riferimento dei comparatori.
Chi c’è in linea
Visitano il forum: Nessuno e 91 ospiti

Elettrotecnica e non solo (admin)
Un gatto tra gli elettroni (IsidoroKZ)
Esperienza e simulazioni (g.schgor)
Moleskine di un idraulico (RenzoDF)
Il Blog di ElectroYou (webmaster)
Idee microcontrollate (TardoFreak)
PICcoli grandi PICMicro (Paolino)
Il blog elettrico di carloc (carloc)
DirtEYblooog (dirtydeeds)
Di tutto... un po' (jordan20)
AK47 (lillo)
Esperienze elettroniche (marco438)
Telecomunicazioni musicali (clavicordo)
Automazione ed Elettronica (gustavo)
Direttive per la sicurezza (ErnestoCappelletti)
EYnfo dall'Alaska (mir)
Apriamo il quadro! (attilio)
H7-25 (asdf)
Passione Elettrica (massimob)
Elettroni a spasso (guidob)
Bloguerra (guerra)









