Cos'è ElectroYou | Login Iscriviti

ElectroYou - la comunità dei professionisti del mondo elettrico

Protezione dell'ingresso di un operazionale

Elettronica lineare e digitale: didattica ed applicazioni

Moderatori: Foto Utentecarloc, Foto Utenteg.schgor, Foto UtenteBrunoValente, Foto UtenteIsidoroKZ

3
voti

[21] Re: Protezione dell'ingresso di un operazionale

Messaggioda Foto UtenteDirtyDeeds » 26 mag 2013, 10:53

IsidoroKZ ha scritto:Per ridurre il leakage attraverso i diodi (o i transistori) di protezione si puo` fare di meglio: si pilota l'altro lato del diodo con una frazione della tensione di uscita dell'operazionale in modo da tenerli con bassa tensione inversa.


Vero, si può fare anche così. Comunque mi è capitato recentemente di dover proteggere un circuito che necessitava di basse correnti di leakeage e il leakeage misurato su alcuni transistor, con circa 5 V di tensione inversa, era di qualche pA (abbastanza inferiore a quanto dichiarato dal costruttore).
It's a sin to write sin instead of \sin (Anonimo).
...'cos you know that cos ain't \cos, right?
You won't get a sexy tan if you write tan in lieu of \tan.
Take a log for a fireplace, but don't take log for \logarithm.
Avatar utente
Foto UtenteDirtyDeeds
55,9k 7 11 13
G.Master EY
G.Master EY
 
Messaggi: 7012
Iscritto il: 13 apr 2010, 16:13
Località: Somewhere in nowhere

0
voti

[22] Re: Protezione dell'ingresso di un operazionale

Messaggioda Foto UtentenikiT » 26 mag 2013, 16:28

Ho letto tutti i post, e direi che sono stati abbastanza esaurienti. :-)

Alla domanda di Foto UtenteDirtyDeeds in merito ai tempi di applicazione delle sovratensioni, il requisito minimo è che il circuito resista continuativamente quantomento ad un collegamento con la tensione di rete, e 600 V potrebbero essere anche tranquillamente in transitorio. Dunque, direi che i calcoli potrebbero essere fatti anche sul caso generale di una sovratensione di ±350 V, rendendo meno severi i requisiti del circuito.

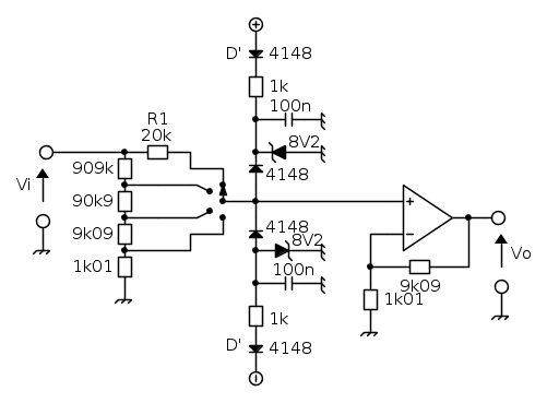
Tuttavia, ho dovuto modificare il circuito, in quanto mi sono reso conto che sarebbe particolarmente utile estendere il campo delle tensioni d'ingresso mediante un selettre di portata. Avrei dunque un circuito del genere.



Ho fatto in modo che R1 fosse in serie ai diodi solo nella prima portata; ovviamente dovrò suddividere le varie resistenze su un certo numero di resistori, in modo che la tensione ai capi dei resistori non superi il valore massimo ammesso, nel caso di una sovratensione.

Al momento, sarei orientato verso la soluzione con diodi (anziché bipolari) in quanto il circuito dovrebbe essere miniaturizzato quanto più possibile, e dovrei minimizzare la spesa.

A questo proposito, mi chiedo: è possibile rimuovere i due diodi D' connessi alle alimentazioni senza peggiorare sensibilmente le prestazioni della protezione?

Per quanto riguarda la risposta in frequenza, dato che in questo modo gli 1N4148 sono polarizzati inversamente, mi aspetterei una capacità di giunzione molto bassa (dalle parti di 0,8 pF), e dunque nel caso peggiore nei confronti della risposta in frequenza, che dovrebbe verificarsi quando il selettore è nella seconda portata (il partitore ha un'impedenza di 90,9 kΩ) mi aspetterei una banda passante di almeno 200 kHz. Dato il vincolo dell'impedenza d'ingresso elevata, credo di poter accettare questo compromesso.

Il valore di almeno 200 kHz di banda passante è una stima realistica?

Tuttavia, da quanto mi avete spiegato, credo di dover prestare una certa attenzione nei confronti delle correnti di perdita dei diodi. Dal datasheet vedo che la corrente di perdita è dalle parti dei 25 nA.

Come posso stimare gli effetti sullo sbilanciamento dell'ingresso? Un trimmer per l'azzeramento dell'offset può risolvere il problema?

Grazie per l'aiuto, ho visto idee davvero interessanti! :-)

Ciao,
Niki
Avatar utente
Foto UtentenikiT
963 1 4 8
Expert EY
Expert EY
 
Messaggi: 720
Iscritto il: 4 mag 2009, 9:18

5
voti

[23] Re: Protezione dell'ingresso di un operazionale

Messaggioda Foto UtenteDirtyDeeds » 26 mag 2013, 16:55

nikiT ha scritto:Il valore di almeno 200 kHz di banda passante è una stima realistica?


Così no, per due motivi:

1) Dimentichi la capacità d'ingresso dell'opamp, che in genere si aggira sui 10 pF. Che op amp usi?
2) Per il motivo sopra e per l'effetto delle altre capacità parassite all'ingresso devi realizzare un partitore compensato. Sarebbe meglio, però, realizzare un partitore con struttura a scala.

nikiT ha scritto:Al momento, sarei orientato verso la soluzione con diodi (anziché bipolari) in quanto il circuito dovrebbe essere miniaturizzato quanto più possibile, e dovrei minimizzare la spesa.


Non esagerare con la miniaturizzazione, perché devi rispettare le tensioni di isolamento.
It's a sin to write sin instead of \sin (Anonimo).
...'cos you know that cos ain't \cos, right?
You won't get a sexy tan if you write tan in lieu of \tan.
Take a log for a fireplace, but don't take log for \logarithm.
Avatar utente
Foto UtenteDirtyDeeds
55,9k 7 11 13
G.Master EY
G.Master EY
 
Messaggi: 7012
Iscritto il: 13 apr 2010, 16:13
Località: Somewhere in nowhere

5
voti

[24] Re: Protezione dell'ingresso di un operazionale

Messaggioda Foto Utentecarloc » 26 mag 2013, 22:12

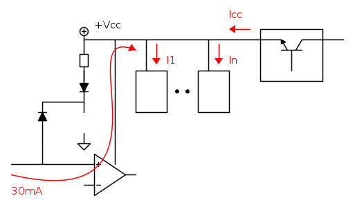
Beh per i diodi D' direi che li puoi togliere senza rimorsi....

L'idea era: se durante un clamp si dovesse aprire lo Zener...

tutta la corrente in ingresso si convoglierebbe sulla linea dell'alimentazione....

Ora se consideri che i regolatori di alimentazione tipicamente non sono in grado di assorbire corrente per mantenere la tensione in uscita stabile, ma solo di fornirla...

Avresti che se la corrente assorbita da tutti i carichi (I1+...+In) è inferiore a 30mA la tensione su Vcc salirebbe in maniera incontrollata facendo strage di componenti su tutta la scheda.

Ma ora pensandoci meglio la stessa cosa accadrebbe anche con i diodi :(

solo attraverso l'opamp stesso e la sua connessione di alimentazione. Anzi è proprio quello che accade con diodi o senza.

Insomma non li mettere e spera che gli Zener non si aprano :ok:
Se ti serve il valore di beta: hai sbagliato il progetto!
Avatar utente
Foto Utentecarloc
33,8k 6 11 13
G.Master EY
G.Master EY
 
Messaggi: 2153
Iscritto il: 7 set 2010, 19:23

5
voti

[25] Re: Protezione dell'ingresso di un operazionale

Messaggioda Foto UtenteDirtyDeeds » 26 mag 2013, 22:20

Sempre a proposito di diodi, segnalo che ci sono anche dei diodi low-leakeage fatti apposta per questo tipo di applicazioni, p.es. questi.
It's a sin to write sin instead of \sin (Anonimo).
...'cos you know that cos ain't \cos, right?
You won't get a sexy tan if you write tan in lieu of \tan.
Take a log for a fireplace, but don't take log for \logarithm.
Avatar utente
Foto UtenteDirtyDeeds
55,9k 7 11 13
G.Master EY
G.Master EY
 
Messaggi: 7012
Iscritto il: 13 apr 2010, 16:13
Località: Somewhere in nowhere

4
voti

[26] Re: Protezione dell'ingresso di un operazionale

Messaggioda Foto UtenteDirtyDeeds » 26 mag 2013, 22:56

Domanda per Foto UtentenikiT: ma tu l'amplificatore lo vuoi proprio non invertente? Con un amplificatore invertente potresti probabilmente semplificare un po' le cose:



La rete di retroazione va studiata in modo da ottenere le diverse portate con la giusta banda. Per capire però la fattibilità di tale soluzione bisognerebbe capire cosa vuoi veramente misurare, qual è la sorgente tipica, quali sono i tempi di misura e quali sono le specifiche che vuoi ottenere. Inoltre, ho supposto che tu voglia una resistenza di ingresso di 1 Mohm, ma è proprio così?

Insomma, le soluzioni possono essere diverse, ma è necessario che tu dia delle specifiche complete :!:
It's a sin to write sin instead of \sin (Anonimo).
...'cos you know that cos ain't \cos, right?
You won't get a sexy tan if you write tan in lieu of \tan.
Take a log for a fireplace, but don't take log for \logarithm.
Avatar utente
Foto UtenteDirtyDeeds
55,9k 7 11 13
G.Master EY
G.Master EY
 
Messaggi: 7012
Iscritto il: 13 apr 2010, 16:13
Località: Somewhere in nowhere

1
voti

[27] Re: Protezione dell'ingresso di un operazionale

Messaggioda Foto UtentenikiT » 27 mag 2013, 0:56

Intanto, grazie a Foto Utentecarloc per l'esauriente chiarimento in merito ai diodi. :-)

Per quanto riguarda la domanda di Foto UtenteDirtyDeeds, chiarisco subito il dubbio.

Il progetto consiste in un voltmetro a valore efficace vero a larga banda (almeno 200 kHz). Il circuito che si occupa della conversione è realizzato con un AD637, ed il dispositivo di visualizzazione è un voltmetro digitale a 4½ cifre con fondoscala di 2 V.

Per ottenere una sensibilità di 0,01 mV e per non degradare le prestazioni dell'AD637 (infatti, per piccoli segnali la banda passante risulta assai ridotta), ho la necessità di fornire un'amplificazione pari a 10 nello stadio amplificatore. In questo modo, otterrei una prima portata da 200 mV ragionevolmente precisa.



Dunque, i vincoli dello stadio amplificatore sono la banda passante e l'impedenza d'ingresso (che deve essere di circa 1 MΩ), ma non è rilevante che l'amplificatore sia invertente o non invertente.

A questo proposito, pensi che un circuito invertente possa fornire l'impedenza d'ingresso desiderata, mantenendo un rumore ragionevolmente basso da non degradare la sensibilità dello strumento?

Grazie! :-)

Ciao,
Niki
Avatar utente
Foto UtentenikiT
963 1 4 8
Expert EY
Expert EY
 
Messaggi: 720
Iscritto il: 4 mag 2009, 9:18

2
voti

[28] Re: Protezione dell'ingresso di un operazionale

Messaggioda Foto UtenteDirtyDeeds » 27 mag 2013, 9:29

nikiT ha scritto:A questo proposito, pensi che un circuito invertente possa fornire l'impedenza d'ingresso desiderata, mantenendo un rumore ragionevolmente basso da non degradare la sensibilità dello strumento?


Sì.

Ancora qualche domanda e osservazione:

1) In basso la banda deve essere limitata a che frequenza?
2) Quanto vale il tempo di integrazione del convertitore A/D?
3) Che tempo di integrazione avete scelto per l'AD637?
4) Tieni presente che una banda a -3 dB di 200 kHz, implica un errore che può essere significativo anche frequenze molto più basse. Per esempio, a 20 kHz si ha un errore dello 0.5%.
It's a sin to write sin instead of \sin (Anonimo).
...'cos you know that cos ain't \cos, right?
You won't get a sexy tan if you write tan in lieu of \tan.
Take a log for a fireplace, but don't take log for \logarithm.
Avatar utente
Foto UtenteDirtyDeeds
55,9k 7 11 13
G.Master EY
G.Master EY
 
Messaggi: 7012
Iscritto il: 13 apr 2010, 16:13
Località: Somewhere in nowhere

0
voti

[29] Re: Protezione dell'ingresso di un operazionale

Messaggioda Foto UtentenikiT » 27 mag 2013, 11:04

Grazie Foto UtenteDirtyDeeds! Rispondo sibuto alle domande. :-)

1) Il voltmetro dovrebbe essere utilizzabile sia in continua che in alternata (mediante un apposito selettore) con un errore massimo dell'1% a 10 Hz. Se ho fatto bene i conti, credo che su un carico da 1 MΩ si potrebbe usare un condensatore da almeno 150 nF in serie all'ingresso.
2) Il tempo d'integrazione dell'indicatore digitale dovrebbe essere di 0,3 s.
3) Il tempo d'integrazione del converitore RMS-DC dovrebbe essere dalle parti dei 2,7 s (riga C della tabella 5, a pag 11); ho scelto la versione con filtro di Sallen-Key ad 1 polo per ridurre l'ondulazione alle basse frequenze.
4) Questa è una cosa che non avevo osservato con la dovuta attenzione: con una banda di 200 kHz, l'errore all'1% è già a 28,5 kHz. Si può fare di meglio? :(

Grazie ancora.

Ciao,
Niki
Avatar utente
Foto UtentenikiT
963 1 4 8
Expert EY
Expert EY
 
Messaggi: 720
Iscritto il: 4 mag 2009, 9:18

1
voti

[30] Re: Protezione dell'ingresso di un operazionale

Messaggioda Foto UtenteDirtyDeeds » 27 mag 2013, 11:19

nikiT ha scritto:Si può fare di meglio?


Non in modo semplice. Ma se vuoi usarlo anche in continua, come pensi di azzerare gli offset? Senza un sistema di autoazzeramento, scordati di avere una buona accuratezza. Inoltre, le resistenze, con che tolleranza le vorresti scegliere?

Secondo me, per come stai impostando il progetto, rischi di trovarti con incertezze dell'ordine di qualche percento.
It's a sin to write sin instead of \sin (Anonimo).
...'cos you know that cos ain't \cos, right?
You won't get a sexy tan if you write tan in lieu of \tan.
Take a log for a fireplace, but don't take log for \logarithm.
Avatar utente
Foto UtenteDirtyDeeds
55,9k 7 11 13
G.Master EY
G.Master EY
 
Messaggi: 7012
Iscritto il: 13 apr 2010, 16:13
Località: Somewhere in nowhere

PrecedenteProssimo

Torna a Elettronica generale

Chi c’è in linea

Visitano il forum: Nessuno e 148 ospiti