Salve a tutti ,
dopo più di un mese dal precedente messaggio di
GuidoB ho trovato il tempo di terminare l'argomento del post. Seguendo i consigli di Guido ho cominciato a controllare dove si perdevano quei 2 volt da lui citati. In pratica erano i cavi che portavano alimentazione dall'alimentatore alla BREADBOARD !!

. Erano spezzati in in un punto (forse erano stati piegati male ?

) e probabilmete si creavano degli archi .
Avendo perso tempo a cercare il guasto mi ero un po' demoralizzato , quindi ho deciso di riprendere il mio vecchio schema (che trovate all'inizio della discussione) e di sistemarlo. Non volevo più usare un relè , al suo posto ho usato un DARLINGTON come suggerito da
thunderbolt128. Dal mio cervello fumante

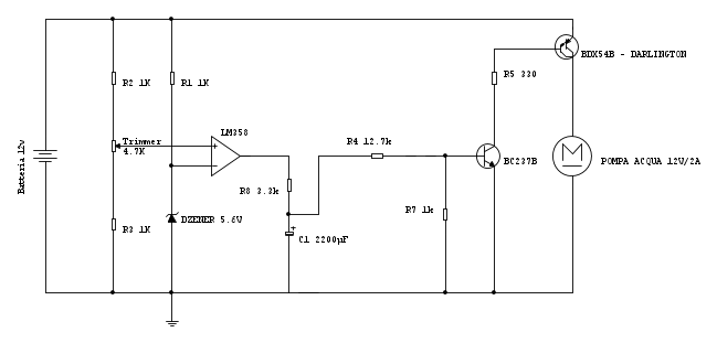
è nato questo circuito :
Quando l'uscita del LM358 è alta , il condensatore è carico e di conseguenza la base del BC237B saturando , "pilota" il Darlington che farà passare la corrente richiesta dal carico. Quando la tensione scende al di sotto di circa 11v l'uscita dell'operazionale va bassa e il condensatore si comincia a scaricare. Quando la tensione sulla base di BC237B cala al di sotto dei canonici 0,6v della Vbe , il transistor non conduce più inibendo anche la conduzione del DARLINGTON , che smette di alimentare il carico.
Il condensatore in pratica stacca il carico abbastanza rapidamente quando la tensione della batteria cala a circa 11v , ma se anche la tensione della batteria risalisse di nuovo oltre questo valore il tempo di ricarica del condensatore costringerebbe il circuito ad "aspettare" , con i valori dello schema , circa 10 secondi. Si introduce in pratica un'isteresi.
Ho collaudato il circuito e l'ho montato su millefori, e funziona correttamente , ma ormai l'estate è finita e al mio collega non serve più

!!! Vabbè per il prossimo anno glielo darò magari con una veste più professionale.
A questo proposito , per farmi da solo il circuito stampato , cosa mi consigliate ? Voi cosa usate ?
Chiudo , ringraziando tutti quelli che mi hanno dato consigli , siete stati preziosi , soprattutto
g.schgor e
GuidoB . Mi scuso con quest'ultimo perché poi non ho usato il suo schema
g.schgor mi ha stimolato all'uso più approfondito di un simulatore per progettare un circuito e devo dire che in pratica quando ho montato il circuito su BREADBOARD sapevo già che avrebbe funzionato grazie alla simuluazione fatta precedentemente su LTSPICE.
ciao
Daniele