Funzionamento circuito Tracking Preregulator con lm317
Moderatori:
carloc,
g.schgor,
BrunoValente,
IsidoroKZ
34 messaggi
• Pagina 3 di 4 • 1, 2, 3, 4
2
voti
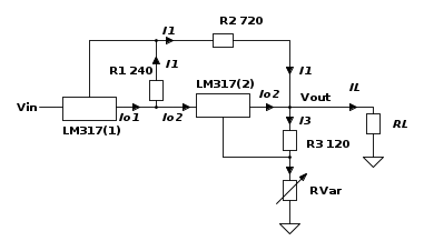
Io scriverei I1 e I3 solo in funzione di R1 ed R3, e poi mi chiederei che cosa capiterebbe se R1<R3 e se la resistenza di carico tendesse a infinito (si stacca il carico)
Per usare proficuamente un simulatore, bisogna sapere molta più elettronica di lui
Plug it in - it works better!
Il 555 sta all'elettronica come Arduino all'informatica! (entrambi loro malgrado)
Se volete risposte rispondete a tutte le mie domande
Plug it in - it works better!
Il 555 sta all'elettronica come Arduino all'informatica! (entrambi loro malgrado)
Se volete risposte rispondete a tutte le mie domande
0
voti
Ciao
IsidoroKZ,
Ho solo una domanda prima di procedere con la analisi.
Vedo che non si prendono in considerazione
da
ed
.
È solo per considerare le correnti di carico minimo per ciascun regolatore, e quindi per semplificare la analisi dico bene?
Ciao!
Ho solo una domanda prima di procedere con la analisi.
IsidoroKZ ha scritto:Io scriverei I1 e I3 solo in funzione di R1 ed R3
Vedo che non si prendono in considerazione
da
ed
.È solo per considerare le correnti di carico minimo per ciascun regolatore, e quindi per semplificare la analisi dico bene?
Ciao!
2
voti
Non mi pare sia quello il motivo. Le correnti I1 e I3 dipendono SOLO da R1 e R3, le altre due resistenze non c'entrano nulla con la corrente in R1 ed R3, che lavorano come generatori di corrente. La corrente Iadj dei regolatori e` trascurabile.
Non preoccuparti del carico minimo, ci sono problemi peggiori se R1<R3.
Non preoccuparti del carico minimo, ci sono problemi peggiori se R1<R3.
Per usare proficuamente un simulatore, bisogna sapere molta più elettronica di lui
Plug it in - it works better!
Il 555 sta all'elettronica come Arduino all'informatica! (entrambi loro malgrado)
Se volete risposte rispondete a tutte le mie domande
Plug it in - it works better!
Il 555 sta all'elettronica come Arduino all'informatica! (entrambi loro malgrado)
Se volete risposte rispondete a tutte le mie domande
2
voti
simo85 ha scritto:Osservando ed analizzando il circuito io arrivo alla seguente uguaglianza:
Meglio scrivere separatamente le due espressioni,

e ricordarsi che per un corretto funzionamento dei due regolatori, con qualunque condizione di carico, deve essere
e
.PS: mi sono accorto ora di aver fatto casino in [19] con i nomi delle correnti,
l'ho assegnata al regolatore 2 e viceversa.It's a sin to write
instead of
(Anonimo).
...'cos you know that
ain't
, right?
You won't get a sexy tan if you write
in lieu of
.
Take a log for a fireplace, but don't take
for
arithm.
instead of
(Anonimo)....'cos you know that
ain't
, right?You won't get a sexy tan if you write
in lieu of
.Take a log for a fireplace, but don't take
for
arithm.-

DirtyDeeds
55,9k 7 11 13 - G.Master EY

- Messaggi: 7012
- Iscritto il: 13 apr 2010, 16:13
- Località: Somewhere in nowhere
0
voti
DirtyDeeds ha scritto:mi sono accorto ora di aver fatto casino in [19] con i nomi delle correnti, I_\text{O1} l'ho assegnata al regolatore 2 e viceversa.
Eh si infatti avevo notato qualcosa di "strano"
Quindi, per evitare ulteriori confusioni:

Dunque trascurando la corrente
io riprenderei le formule
da cui:

Quello che noto, per il momento, è che se
la tensione di
cresce di molto, ossia c'è bisogno di una tensione d' ingresso sempre maggiore quanto più
.A che vedere con tutto questo?
1
voti
Secondo me hai la soluzione davanti agli occhi ma non la vuoi vedere
Innanzitutto, nota bene la differenza tra quanto ho scritto io (ora con i pedici corretti):

e quanto scritto da te

Nelle mie equazioni le correnti
e
sono entrambe scritte in funzione delle sole
,
e
. Sembra una differenza insignificante, ma aiuta
Poi, tu continui a fissarti con le tensioni, ma il discorso è solo ed esclusivamente sulle correnti (le tensioni, per adesso, lasciamole da parte). Quindi, due domande:
1) Quanto valgono
e
? Queste due correnti sono fisse, indipendenti dalle tensioni di uscita: ricordati che i due LM317 impongono ai capi di
e
una tensione pari a
, quindi...
2) Quanto dovrebbero valere
e
perché
e
, in ogni condizione di carico?
Innanzitutto, nota bene la differenza tra quanto ho scritto io (ora con i pedici corretti):

e quanto scritto da te

Nelle mie equazioni le correnti
e
sono entrambe scritte in funzione delle sole
,
e
. Sembra una differenza insignificante, ma aiuta Poi, tu continui a fissarti con le tensioni, ma il discorso è solo ed esclusivamente sulle correnti (le tensioni, per adesso, lasciamole da parte). Quindi, due domande:
1) Quanto valgono
e
? Queste due correnti sono fisse, indipendenti dalle tensioni di uscita: ricordati che i due LM317 impongono ai capi di
e
una tensione pari a
, quindi...2) Quanto dovrebbero valere
e
perché
e
, in ogni condizione di carico?It's a sin to write
instead of
(Anonimo).
...'cos you know that
ain't
, right?
You won't get a sexy tan if you write
in lieu of
.
Take a log for a fireplace, but don't take
for
arithm.
instead of
(Anonimo)....'cos you know that
ain't
, right?You won't get a sexy tan if you write
in lieu of
.Take a log for a fireplace, but don't take
for
arithm.-

DirtyDeeds
55,9k 7 11 13 - G.Master EY

- Messaggi: 7012
- Iscritto il: 13 apr 2010, 16:13
- Località: Somewhere in nowhere
0
voti
Dunque, vediamo se ho ragionato meglio.
Ho anche cambiato i nomi dei regolatori a LM117 dato che il circuito del datasheet linkato in 1 fa riferimento a quel regolatore. Mi è sembrato più corretto anche per far si che l'esempio coincida con i valori e parametri dei componenti.
Ametto che ho fatto un bel po' di confusione
e spero di non farne altra..
In assenza di carico abbiamo sempre che:

Si deve garantire che
sia la corrente di carico minimo di 5 mA in quel circuito, ed
deve essere
per soddisfare la condizione:

Quindi:


Quindi abbiamo che
ed circuito è "bilanciato" ed il secondo regolatore (sempre LM117) ha anche lui la corrente di carico minima.
Se
la maggior parte (se non tutta) la corrente arriva da
, per esempio con
.

Quanto vale allora in questo caso
? Funzionarà correttamente il regolatore # 2?
In questo caso per esempio
(ossia la corrente di carico minima per il regolatore in questione LM117) quindi molto probabilmente no.

Ovviamente per il regolatore LM317 la corrente di carico minima è di 10 mA ciascuno però non cambia nulla riguardo al problema descritto.
Ho anche cambiato i nomi dei regolatori a LM117 dato che il circuito del datasheet linkato in 1 fa riferimento a quel regolatore. Mi è sembrato più corretto anche per far si che l'esempio coincida con i valori e parametri dei componenti.
Ametto che ho fatto un bel po' di confusione
In assenza di carico abbiamo sempre che:

Si deve garantire che
sia la corrente di carico minimo di 5 mA in quel circuito, ed
deve essere
per soddisfare la condizione:
Quindi:


Quindi abbiamo che
ed circuito è "bilanciato" ed il secondo regolatore (sempre LM117) ha anche lui la corrente di carico minima.Se
la maggior parte (se non tutta) la corrente arriva da
, per esempio con
.
Quanto vale allora in questo caso
? Funzionarà correttamente il regolatore # 2?In questo caso per esempio
(ossia la corrente di carico minima per il regolatore in questione LM117) quindi molto probabilmente no. Ovviamente per il regolatore LM317 la corrente di carico minima è di 10 mA ciascuno però non cambia nulla riguardo al problema descritto.
4
voti
Non va ancora bene. La corrente minima di uscita e` una richiesta secondaria, va rispettata nei progetti professionali, ma anche se non la si rispetta il circuito funziona quasi sempre bene perche' e` un regolatore positivo. I regolatori negativi, ad esempio 7915, senza un pochino di carico proprio non vanno, quelli positivi non fanno praticamente mai casino.
Il guaio di questo circuito, se R1<R3 e` dovuto al fatto che i regolatori forzano delle correnti costanti in R1 ed R3 di valore
e
. La corrente attraverso R2 e` la stessa di R1. Posso sostituire al posto di R2 e di R3 un generatore di corrente del valore indicato prima, e supponiamo che non ci sia nessun carico sull'uscita, come in questo schema.
Si ha
. Se
la corrente di uscita del secondo regolatore dovrebbe essere negativa, ma il regolatore non puo` assorbire corrente, per come e` fatto internamente, e quindi la tensione di uscita aumenta e il sistema esce di regolazione.
Invece chi ha fatto lo schema ne ha tenuto conto, e ha scelto
.
Sono rispettate le correnti minime? Queste le correnti in assenza di carico con le resistenze originali
Il guaio di questo circuito, se R1<R3 e` dovuto al fatto che i regolatori forzano delle correnti costanti in R1 ed R3 di valore
e
. La corrente attraverso R2 e` la stessa di R1. Posso sostituire al posto di R2 e di R3 un generatore di corrente del valore indicato prima, e supponiamo che non ci sia nessun carico sull'uscita, come in questo schema.Si ha
. Se
la corrente di uscita del secondo regolatore dovrebbe essere negativa, ma il regolatore non puo` assorbire corrente, per come e` fatto internamente, e quindi la tensione di uscita aumenta e il sistema esce di regolazione.Invece chi ha fatto lo schema ne ha tenuto conto, e ha scelto
.Sono rispettate le correnti minime? Queste le correnti in assenza di carico con le resistenze originali
Per usare proficuamente un simulatore, bisogna sapere molta più elettronica di lui
Plug it in - it works better!
Il 555 sta all'elettronica come Arduino all'informatica! (entrambi loro malgrado)
Se volete risposte rispondete a tutte le mie domande
Plug it in - it works better!
Il 555 sta all'elettronica come Arduino all'informatica! (entrambi loro malgrado)
Se volete risposte rispondete a tutte le mie domande
1
voti
IsidoroKZ ha scritto:la corrente di uscita del secondo regolatore dovrebbe essere negativa, ma il regolatore non puo` assorbire corrente,
Sospettavo volessi andare a parare lì, ma non sono molto d'accordo: le condizioni

e

implicano automaticamente la positività delle correnti di uscita per tutto l'intervallo della corrente di carico, quindi non è che ci si debba pensare a parte.
It's a sin to write
instead of
(Anonimo).
...'cos you know that
ain't
, right?
You won't get a sexy tan if you write
in lieu of
.
Take a log for a fireplace, but don't take
for
arithm.
instead of
(Anonimo)....'cos you know that
ain't
, right?You won't get a sexy tan if you write
in lieu of
.Take a log for a fireplace, but don't take
for
arithm.-

DirtyDeeds
55,9k 7 11 13 - G.Master EY

- Messaggi: 7012
- Iscritto il: 13 apr 2010, 16:13
- Località: Somewhere in nowhere
3
voti
Se si fa in modo che le correnti di uscita dei regolatori siano positive e che R1>R2 non ci sono problemi. Il problema capita se si cambiano "ad capocchiam" i valori di resistenze senza avere presente che cosa puo` capitare.
Mi sono messo dal punto di vista dello hobbista che va per lo piu` a spanne e che non presta attenzione a questo dettaglio.
In questo circuito la condizione
non basta perche' potrebbe essere fatta con R3=240ohm, R1 molto elevata e capita che la tensione di uscita del primo regolatore dipende da Iadj del primo regolatore che scorre in R2.
Mi sono messo dal punto di vista dello hobbista che va per lo piu` a spanne e che non presta attenzione a questo dettaglio.
In questo circuito la condizione
non basta perche' potrebbe essere fatta con R3=240ohm, R1 molto elevata e capita che la tensione di uscita del primo regolatore dipende da Iadj del primo regolatore che scorre in R2.Per usare proficuamente un simulatore, bisogna sapere molta più elettronica di lui
Plug it in - it works better!
Il 555 sta all'elettronica come Arduino all'informatica! (entrambi loro malgrado)
Se volete risposte rispondete a tutte le mie domande
Plug it in - it works better!
Il 555 sta all'elettronica come Arduino all'informatica! (entrambi loro malgrado)
Se volete risposte rispondete a tutte le mie domande
34 messaggi
• Pagina 3 di 4 • 1, 2, 3, 4
Chi c’è in linea
Visitano il forum: Google Adsense [Bot] e 56 ospiti

Elettrotecnica e non solo (admin)
Un gatto tra gli elettroni (IsidoroKZ)
Esperienza e simulazioni (g.schgor)
Moleskine di un idraulico (RenzoDF)
Il Blog di ElectroYou (webmaster)
Idee microcontrollate (TardoFreak)
PICcoli grandi PICMicro (Paolino)
Il blog elettrico di carloc (carloc)
DirtEYblooog (dirtydeeds)
Di tutto... un po' (jordan20)
AK47 (lillo)
Esperienze elettroniche (marco438)
Telecomunicazioni musicali (clavicordo)
Automazione ed Elettronica (gustavo)
Direttive per la sicurezza (ErnestoCappelletti)
EYnfo dall'Alaska (mir)
Apriamo il quadro! (attilio)
H7-25 (asdf)
Passione Elettrica (massimob)
Elettroni a spasso (guidob)
Bloguerra (guerra)





