Usa un transistore piu` robusto, oppure un MOS logic level che in condizioni statiche dal gate non consuma praticamente nulla.
Resistenza di base Transistor NPN-PNP
Moderatori:
carloc,
g.schgor,
BrunoValente,
IsidoroKZ
28 messaggi
• Pagina 3 di 3 • 1, 2, 3
1
voti
Usa un transistore piu` robusto, oppure un MOS logic level che in condizioni statiche dal gate non consuma praticamente nulla.
Per usare proficuamente un simulatore, bisogna sapere molta più elettronica di lui
Plug it in - it works better!
Il 555 sta all'elettronica come Arduino all'informatica! (entrambi loro malgrado)
Se volete risposte rispondete a tutte le mie domande
Plug it in - it works better!
Il 555 sta all'elettronica come Arduino all'informatica! (entrambi loro malgrado)
Se volete risposte rispondete a tutte le mie domande
0
voti
Immaginavo che porcata fosse il termine più appropriato
Bene signori per il momento Grazie a Dott. IsidoroKZ, rusty e obiuan per avermi spiegato per bene il dimensionamento di un transistor siete stati troppo gentili e bravi al momento non ho altre domande
Alla prossima
Bene signori per il momento Grazie a Dott. IsidoroKZ, rusty e obiuan per avermi spiegato per bene il dimensionamento di un transistor siete stati troppo gentili e bravi al momento non ho altre domande
Alla prossima
0
voti
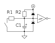
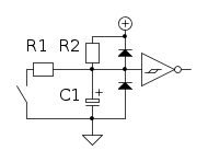
IsidoroKZ ha scritto:rusty il diodo non serve a proteggere l'interruttore, che continua a scaricare di colpo il condensatore, ma e` messo per proteggere l'ingresso della porta in modo che quando va via l'alimentazione non resti una tensione all'ingresso, che attiverebbe i diodi di protezione scaricandosi attraverso di loro.
Giusto per curiosita', come si dovrebbe fare un antirimbalzo per non scaricare il condensatore "di colpo" sul pulsante? perché ho sempre visto questo tipo di antirimbalzo (e credo il 99% degli utenti qui).
Grazie

-

rusty
4.075 2 9 11 - Utente disattivato per decisione dell'amministrazione proprietaria del sito
- Messaggi: 1578
- Iscritto il: 25 gen 2009, 13:10
2
voti
0
voti
Grazie
simo85, in effetti da una rapida simulazione quell' R1 ci salva letteralmente la vita
Ponendo ad esempio R1,R2,C,V a 1k, 10k, 10u, 5V con R1 abbiamo un "ritorno" sul pulsante di circa 5 mA, invece ponendo R1 ad 1 ohm (tanto per simulare una pista conduttiva) abbiamo picchi di oltre 1 A, scendendo a 100, 10 milliohm arriviamo a quasi 2 A di picco.
Non ci avevo mai fatto caso, ma allora perché tutti gli antirimbalzo che abbiamo sempre suggerito sul forum non hanno questa struttura?
I diodi sono indispensabili?
Grazie, ogni giorno imparo una cosina nuova
Ponendo ad esempio R1,R2,C,V a 1k, 10k, 10u, 5V con R1 abbiamo un "ritorno" sul pulsante di circa 5 mA, invece ponendo R1 ad 1 ohm (tanto per simulare una pista conduttiva) abbiamo picchi di oltre 1 A, scendendo a 100, 10 milliohm arriviamo a quasi 2 A di picco.
Non ci avevo mai fatto caso, ma allora perché tutti gli antirimbalzo che abbiamo sempre suggerito sul forum non hanno questa struttura?
I diodi sono indispensabili?
Grazie, ogni giorno imparo una cosina nuova

-

rusty
4.075 2 9 11 - Utente disattivato per decisione dell'amministrazione proprietaria del sito
- Messaggi: 1578
- Iscritto il: 25 gen 2009, 13:10
2
voti
rusty ha scritto:diodi sono indispensabili?
Quello con l' anodo a GND, molto probabilmente no essendo che la scarica non è istantanea, ma visto che c'è sempre una possibile svista in agguato e per evitare eventuale stress sull' input l'ho messo ugualmente.
Ad ogni modo le porte logiche già implementano internamente i diodi di protezione.
Vedi per esempio il datasheet della TI del CD4001B pag. 2.

5
voti
rusty ha scritto:come si dovrebbe fare un antirimbalzo per non scaricare il condensatore "di colpo" sul pulsante?
Cosi`
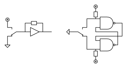
Poi ce ne sono di integrati, 6 derimbalzatori per IC, fatti con una catena di flip flop sincroni, come ad esempio questi.
Da tenere presente che di solito con l'antirimbalzo e` opportuno prevedere anche qualche forma di protezione da ESD perche' i pulsanti sono spesso in posizione tale da ricevere scossoni statici.
Per usare proficuamente un simulatore, bisogna sapere molta più elettronica di lui
Plug it in - it works better!
Il 555 sta all'elettronica come Arduino all'informatica! (entrambi loro malgrado)
Se volete risposte rispondete a tutte le mie domande
Plug it in - it works better!
Il 555 sta all'elettronica come Arduino all'informatica! (entrambi loro malgrado)
Se volete risposte rispondete a tutte le mie domande
0
voti
Ah ecco, deviatori al posto di pulsanti (io da "manovale" quale sono con pulsante intendo un interruttore ad una via).
Grazie, li conoscevo gia' abbastanza bene questi, soprattutto quello con 2 NAND
Grazie, li conoscevo gia' abbastanza bene questi, soprattutto quello con 2 NAND

-

rusty
4.075 2 9 11 - Utente disattivato per decisione dell'amministrazione proprietaria del sito
- Messaggi: 1578
- Iscritto il: 25 gen 2009, 13:10
28 messaggi
• Pagina 3 di 3 • 1, 2, 3
Chi c’è in linea
Visitano il forum: Nessuno e 175 ospiti

Elettrotecnica e non solo (admin)
Un gatto tra gli elettroni (IsidoroKZ)
Esperienza e simulazioni (g.schgor)
Moleskine di un idraulico (RenzoDF)
Il Blog di ElectroYou (webmaster)
Idee microcontrollate (TardoFreak)
PICcoli grandi PICMicro (Paolino)
Il blog elettrico di carloc (carloc)
DirtEYblooog (dirtydeeds)
Di tutto... un po' (jordan20)
AK47 (lillo)
Esperienze elettroniche (marco438)
Telecomunicazioni musicali (clavicordo)
Automazione ed Elettronica (gustavo)
Direttive per la sicurezza (ErnestoCappelletti)
EYnfo dall'Alaska (mir)
Apriamo il quadro! (attilio)
H7-25 (asdf)
Passione Elettrica (massimob)
Elettroni a spasso (guidob)
Bloguerra (guerra)






