da
VRI » 11 dic 2013, 11:14
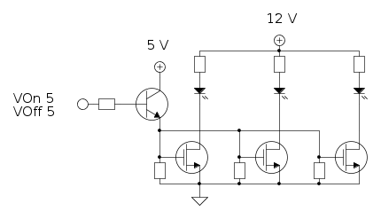
Ennesimo aggiornamento "in corso d'opera":
-Sulle coppie di morsetti JA, JB e JC ci saranno tre strisce a led ciascuna con assorbimento 920mA
-Ho utilizzato tre transistor in uscita perché sono quelli che ho in casa ( non ne ho uno da 3A o superiore)
-Per pilotarli utilizzerò un altro transistor per non sovraccaricare la porta di uscita del micro ( quando sarà a casa deciderò quale)
-Il 12 non stabilizzato verrà prelevato da un alimentatore per PC recuperato ( il 7812 che c'era prima non poteva alimentatare il carico che ci sarà ora)
-SOLUZIONE NON ELEGANTE: preferisco fare lavorare le strisce a led con una tensione inferiore alla loro nominale perciò, ho inserito quei tre diodi in serie alle strisce... ( non maleditemi

)