da
PietroBaima » 21 gen 2014, 23:57
Heavy ha scritto:non è un prodotto destinato alla vendita ma solo all'uso interno e dei nostri clienti-sviluppatori. Non rischi di trovartelo tra i piedi!
E se ci trovassimo tra i piedi un sistema che è stato tarato con quella cassetta di resistori?
Heavy ha scritto:(*) quando si deve passare da 19 a 20 o si fa 19->10->20 oppure 19->29->20
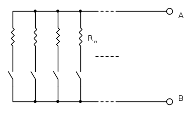
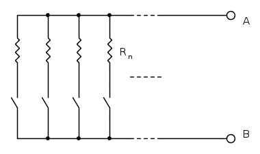
Se questo problema ti affligge puoi, invece di aprire il relè precedente e chiudere il successivo, semplicemente chiudere i vari relè con un codice termometrico (a cascata, cioè chiudere il successivo senza aprire il precedente), in questo modo:
Dovrai solo calcolare correttamente le resistenze in modo da ottenere una successione lineare.
Quando si sommano gli inversi degli inversi e si prende l'inverso della somma si generano delle banali successioni triangolari, per cui ti è sufficiente usare la successione

.
Per esempio, se vuoi ottenere una scala resistiva da R fino a R/10 puoi usare i valori:
R
9R = (10-1)10/10 R
7.2R = (9-1)9/10 R
5.6R = (8-1)8/10 R
eccetera eccetera
facciamo una verifica:
se chiudo il primo interruttore ho una resistenza equivalente pari a R
se chiudo il secondo interruttore ho una resistenza equivalente pari a R in parallelo a 9R, cioè 0.9R, ok
se chiudo il terzo interruttore ho una resistenza equivalente pari a 0.9R in parallelo a 7.2R, cioè 0.8R, ok
se chiudo il quarto interruttore ho una resistenza equivalente pari a 0.8R in parallelo a 5.6R, cioè 0.7R, ok
Sembra funzionare.
Ciao,
Pietro.