Cos'è ElectroYou | Login Iscriviti

ElectroYou - la comunità dei professionisti del mondo elettrico

Riutilizzare un alimentatore PC basato su TL494

Elettronica lineare e digitale: didattica ed applicazioni

Moderatori: Foto Utentecarloc, Foto Utenteg.schgor, Foto UtenteBrunoValente, Foto UtenteIsidoroKZ

0
voti

[21] Re: Riutilizzare un alimentatore PC basato su TL494

Messaggioda Foto UtenteBrunoValente » 6 apr 2014, 21:37

Complimenti Foto UtenteSparafucile sto seguendo in silenzio =D>

Per ora solo una domanda, o meglio una richiesta di conferma per vedere se ho capito:
Il trasformatore principale, tramite un secondario, si accoppia con le basi dei finali e produce una reazione positiva che aiuta i finali a commutare completamente. Senza quella reazione positiva i piloti non sarebbero in grado di far chiudere e aprire completamente i finali.
Ho capito correttamente?
Avatar utente
Foto UtenteBrunoValente
39,6k 7 11 13
G.Master EY
G.Master EY
 
Messaggi: 7796
Iscritto il: 8 mag 2007, 14:48

0
voti

[22] Re: Riutilizzare un alimentatore PC basato su TL494

Messaggioda Foto Utenteabusivo » 7 apr 2014, 19:14

Seguo sempre di nascosto anche se il lavoro mi lascia poco spazio!
Avatar utente
Foto Utenteabusivo
13,3k 4 7 10
Master
Master
 
Messaggi: 7008
Iscritto il: 16 ott 2012, 18:43
Località: L'Aquila

2
voti

[23] Re: Riutilizzare un alimentatore PC basato su TL494

Messaggioda Foto UtenteSparafucile » 7 apr 2014, 19:54

Grazie per i complimenti, Foto UtenteBrunoValente!

BrunoValente ha scritto: ... Il trasformatore principale, tramite un secondario, si accoppia con le basi dei finali e produce una reazione positiva che aiuta i finali a commutare completamente. Senza quella reazione positiva i piloti non sarebbero in grado di far chiudere e aprire completamente i finali.
Ho capito correttamente?

Sì, esattamente. Si tratta di una retroazione positiva di corrente. Vorrei fare solo un piccolo chiarimento: il trasformatore menzionato di te non è Tr1 (chimato di me "trasformatore principale" o "trasformatore di potenza", Fig. 3. e Fig. 4.), ma è il trasformatore Tr2 (il trasformatore di pilotaggio dei finali, Fig. 5.).

Per me questa è una delle parti più interessanti nel dispositivo. :-) Una spiegazione dettagliata può essere trovata nei libri:
- K. H. Billings, "Switchmode Power Supply Handbook", McGraw-Hill, New York, 16.3 Proportional drive with high-voltage transistors, p. 1.130, ISBN 0-07-005330-8;
- G. Chryssis, "High Frequency Switching Power Supplies", 2d ed., 4.6.2. A proportional Base Drive Circuit, p. 75, McGraw-Hill, New York, 1989, ISBN 0-07-010951-6;
- A. I. Pressman "Switching Power Supply Design", 2. Ed., 8.3.5. Proportional base drive, p. 339, McGraw-Hill, New York, ISBN 0-07-052236-7.

abusivo ha scritto:Seguo sempre di nascosto anche se il lavoro mi lascia poco spazio!

Sono contento che sei interessato, Foto Utenteabusivo!
Avatar utente
Foto UtenteSparafucile
4.371 4 8
Master EY
Master EY
 
Messaggi: 650
Iscritto il: 22 gen 2012, 19:57

4
voti

[24] Re: Riutilizzare un alimentatore PC basato su TL494

Messaggioda Foto UtenteSparafucile » 12 apr 2014, 17:30

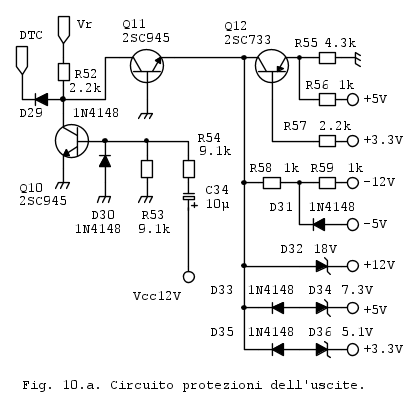
Circuiti di protezione dal lato secondario

Dal mio punto di vista, i circuiti di protezione possono essere suddivisi in due gruppi:
+ circuiti di protezione dal lato secondario, i.e. protezione dell'uscite e del computer;
+ circuiti di protezione dei transistori di potenza dal lato primario.

I primi proteggono le uscite da corto circuito e il computer contro sovratensioni; hanno il compito di interrompere il funzionamento del dispositivo in caso di un corto circuito, di una significativa riduzione della tensione su qualsiasi uscita o all'aumentare della tensione su una dell'uscite rispetto lo standard.
Sui dispositivi a basso prezzo queste funzioni non sempre sono presenti o lo sono solo parzialmente.

Fig. 10. a. mostra uno schema della protezione dell'uscite, relativamente completa, ma non molto precisa.



Un ruolo cruciale nello schema e quello del transistore Q11. Il suo collettore è connesso con la tensione di riferimento tramite R52 e D29 con il terminale DTC (dead time control, piedino 4 di U1). Quando Q11 si trova in conduzione, la tensione al suo collettore è bassa, D29 non conduce e il circuito di protezione non influisce con il resto del alimentatore. Se invece Q11 non conduce, R52 connette il terminale DTC via D29 alla tensione di riferimento, che blocca il circuito di controllo U1.

Per comprendere il funzionamento della protezione, resta da esaminare lo stato del transistore a seconda delle tensioni di uscita. La base di Q11 è collegata a massa, mentre il suo emettitore è connesso a uno sofisticato e non lineare partitore di tensione. In condizioni normali la tensione all'emettitore di Q11 è negativa (R58, R59, D31) e il transistore conduce.
Il transistore Q12 protegge contro corto circuito o riduce il valore all' uscita +3.3 V. Quando le tensioni all'uscite +3.3 V e +5 V sono nella norma, Q12 è in conduzione, ma produce una piccola corrente di circa 0.1 mA che non influisce significamente sulla tensione presente sull'emettitore di Q11. Se però si verifica un corto circuito sull'uscita +3.3 V, Q12 aumenta la corrente di collettore, che porta ad un bloccaggio di Q11 e del alimentatore stesso.
I diodi D32, D33 e D34, D35 e D36 proteggono il computer contro sovratensioni rispettivamente sulle uscite +12 V, +5 V e +3.3 V . Nel caso poi di corto circuito all'uscite -12V, -5V, la tensione negativa al emettitore Q11 viene eliminata e blocca il transistore ed anche l'alimentatore.

E' interessante notare, che i componenti Q10, R54 e C34 bloccano il funzionamento del circuito di protezione durante l'avviamento dell'alimentatore, quando aumenta la tensione Vcc12V .

un altro esempio di uno schema di protezione dell'uscite con comparatori integrati si può vedere in Fig. 10.b. Questo protegge l'alimentatore contro il corto circuito sulle uscite ed anche il computer contro sovratensione sull'uscita +5 V.



I resistori R54 e R55 producono una tensione di riferimento locale di circa 1.67 V. In condizioni normali, la tensione al ingresso non invertente del primo comparatore (piedini 4, 5, 2) supera la tensione al suo ingresso invertente e la tensione al ingresso invertente del secondo comparatore (piedini 11, 10, 13) è inferiore a quella del suo ingresso non invertente. In questo modo la tensione alle uscite di entrambi i comparatori è alta, il che significa che i transistori interni delle uscite non sono in conduzione. Pertanto, il transistore Q10 è bloccato e non influisce sulla tensione presente sul terminale DTC.

Se si verifica un corto circuito, per esempio ad una dell'uscite +12 V o +5 V, la tensione sul ingresso non invertente del primo comparatore scenderà al di sotto di quella del ingresso invertente e la tensione alla uscita del comparatore si abbasserà (il transistore interno entra in conduzione). Questo porterà allo sblocco del transistore Q10; la tensione al terminale DTC aumenterà e bloccherà il circuito di controllo U1. Il condensatore C34 provoca un ritardo della protezione, cosa importante durante la fase dell'avviamento.

La protezione contro corto circuito sulle uscite delle tensioni negative (il secondo comparatore, R59, R60, R61 e D31) funziona in un modo simile ma con qualcosa in più. Questa parte dello schema protegge il computer anche contro sovratensione in uscita +5 V. Semplici calcoli mostrano che, quando la tensione supera 5.5 V, la protezione entra in azione.

Per risparmiare componenti il circuito nella Fig. 10. b. può essere combinato con lo schema nella Fig. 8.a. - il transistore Q11 e i componenti circostanti vengono eliminati e il resistore R53 è collegato al terminale Pr1 in FIG. 8.a.
La varietà di soluzioni circuitali comprende anche opzioni con un comportamento bistabile, cioè dopo l'attivazione della protezione il funzionamento dell'alimentatore non viene ripristinato, anche se si rimuove la causa del problema; in questo caso è necessario spengere e riavviare.
Avatar utente
Foto UtenteSparafucile
4.371 4 8
Master EY
Master EY
 
Messaggi: 650
Iscritto il: 22 gen 2012, 19:57

0
voti

[25] Re: Riutilizzare un alimentatore PC basato su TL494

Messaggioda Foto Utentemarco438 » 12 apr 2014, 17:33

:ok:
marco
Avatar utente
Foto Utentemarco438
37,1k 7 11 13
-EY Legend-
-EY Legend-
 
Messaggi: 16323
Iscritto il: 24 mar 2010, 15:09
Località: Versilia

0
voti

[26] Re: Riutilizzare un alimentatore PC basato su TL494

Messaggioda Foto UtenteEcoTan » 8 mag 2014, 7:43

Sparafucile ha scritto:Il transistore di potenza, che riceve l'impulso positivo, va in conduzione, ma la piccola corrente di base non basterebbe per sostenere una corrente di collettore abbastanza grande. A questo punto inizia ad operare il trasformatore di corrente, formato da L2_3 / L2_5 o L2_4 / L2_5. Questo trasforma la corrente di collettore / emettitore del transistore corrispondente e aumenta in proporzione la sua corrente di base su un valore sufficientemente grande.
Quindi in una prima fase con Q3 bloccato, Q2 va in conduzione e successivamente la cosa si ripete con Q4 che porterà in conduzione Q1.

Perdonatemi se intervengo a valanga senza aver letto tutto questo thread davvero prezioso.
La mia lacuna è: se Q2 va in conduzione, come fa poi ad uscire dalla fase di conduzione?
(dipende dalle condizioni di ingresso, di uscita, del trasformatore o che?)
Avatar utente
Foto UtenteEcoTan
7.720 4 12 13
Expert EY
Expert EY
 
Messaggi: 5426
Iscritto il: 29 gen 2014, 8:54

0
voti

[27] Re: Riutilizzare un alimentatore PC basato su TL494

Messaggioda Foto UtenteBrunoValente » 8 mag 2014, 9:54

EcoTan ha scritto:..se Q2 va in conduzione, come fa poi ad uscire dalla fase di conduzione?
(dipende dalle condizioni di ingresso, di uscita, del trasformatore o che?)

Bella osservazione! In effetti, se la corrente di pilotaggio è insufficiente alla piena conduzione dei finali (e per questo c'è la reazione positiva che aiuta), sembrerebbe a maggior ragione insufficiente allo sbloccaggio.
Avatar utente
Foto UtenteBrunoValente
39,6k 7 11 13
G.Master EY
G.Master EY
 
Messaggi: 7796
Iscritto il: 8 mag 2007, 14:48

0
voti

[28] Re: Riutilizzare un alimentatore PC basato su TL494

Messaggioda Foto UtenteSparafucile » 8 mag 2014, 20:59

Grazie per l'osservazione, Foto UtenteEcoTan!
Non dovresti chiedere scusa. Ovviamente, io non ho spiegato bene le cose.

Rispondo subito alla domanda: il transistore Q2 (Q1) esce dalla fase di conduzione, perché dopo la fine di ogni intervallo di tempo t_{on} tutte due transistori di pilotaggio (Q3 e Q4, Fig. 5.) vengono in conduzione, Fig. 6. Quindi, corto circuito si verifica sul lato primario di Tr2, che colpisce il lato secondario e interrompe la corrente di base del transistore di potenza, e con esso la reazione positiva.

Credo, che io abbia risposto anche il tuo commento, Foto UtenteBrunoValente.

Sono grato per tutti eventuali commenti, perché mi aiuteranno molto, quando comincio con la scrittura del articolo.

P.S.
Vi prego di scusarmi per il ritardo della parte successiva, ma non riesco a trovare tempo per finirla. Spero, che sarà presto pronta.
Avatar utente
Foto UtenteSparafucile
4.371 4 8
Master EY
Master EY
 
Messaggi: 650
Iscritto il: 22 gen 2012, 19:57

0
voti

[29] Re: Riutilizzare un alimentatore PC basato su TL494

Messaggioda Foto UtenteBrunoValente » 8 mag 2014, 23:06

Sparafucile ha scritto:..Credo, che io abbia risposto anche il tuo commento, Foto UtenteBrunoValente.

:ok: ora mi è anche chiaro perché sia necessario che Q3 e Q4 conducano contemporaneamente.
Avatar utente
Foto UtenteBrunoValente
39,6k 7 11 13
G.Master EY
G.Master EY
 
Messaggi: 7796
Iscritto il: 8 mag 2007, 14:48

Precedente

Torna a Elettronica generale

Chi c’è in linea

Visitano il forum: Nessuno e 83 ospiti