Similare ad un relè passo/passo
Moderatori:
carloc,
g.schgor,
BrunoValente,
IsidoroKZ
35 messaggi
• Pagina 3 di 4 • 1, 2, 3, 4
0
voti
Benissimo, prima di continuare a fare il circuito, ti consiglio di fare una cosa: hai gia questi sensori a casa? montali nella scala, allunga i fili (mettili abbastanza sottili non devono tenere correnti elevate) fatto questo proseguiamo con possibili soluzioni.
-

daniele1996
610 3 8 11 - Sostenitore

- Messaggi: 1554
- Iscritto il: 29 ago 2011, 11:29
0
voti
sì li ho a casa e sono tcrt5000
ho provato una possibile soluzione su breadboard
sembra funzionare ma necessita di cambiamenti
devo fare il circuito su fidocadj
lasciatemi del tempo visto che questo sarà il terzo o quarto circuito che disegno
speriamo di fare un bel lavoro
ho provato una possibile soluzione su breadboard
sembra funzionare ma necessita di cambiamenti
devo fare il circuito su fidocadj
lasciatemi del tempo visto che questo sarà il terzo o quarto circuito che disegno
speriamo di fare un bel lavoro
0
voti
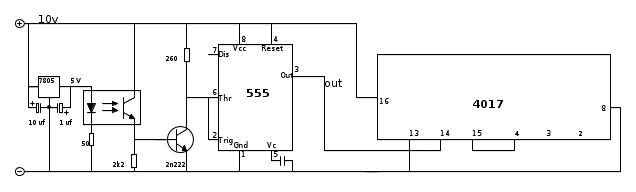
ho fatto qualche cosa
manca solo il 4017 che su fidocadj non c'è
manca solo il 4017 che su fidocadj non c'è
0
voti
no, non devi usarlo cosi, è sconveniente... hai delle esperienze nel campo dei micro?
-

daniele1996
610 3 8 11 - Sostenitore

- Messaggi: 1554
- Iscritto il: 29 ago 2011, 11:29
0
voti
0
voti
Microcontrollori in generale, per esempio io uso gli AVR ( fatti dalla Atmel) e sono semplici da usare, però se hai usato i PIC nulla vieta di usare quelli, però in quel campo non posso aiutarti... ti consiglio di usare i micro, perché puoi fare anche altri tipi di controlli per esempio se la pompa è troppo calda puoi attivare una cosa, oppure semplicemente puoi fare la gestione da remoto. se sei disposto a fare questo tipo di lavoro, posso aiutarti... fammi sapere.. altrimenti facciamo un circuitino come quello proposto da te...
-

daniele1996
610 3 8 11 - Sostenitore

- Messaggi: 1554
- Iscritto il: 29 ago 2011, 11:29
0
voti
intendo precisare una cosa
questo tipo di circuito verà usato solo in fase sperimentale
senza alcun rischio su persone o cose
non verà mai montato su una macchina in pressione
un eventuale utilizzo improprio su macchine in lavorazione sarà solo ed esclusivamente responsabilità
MIA
grazie
questo tipo di circuito verà usato solo in fase sperimentale
senza alcun rischio su persone o cose
non verà mai montato su una macchina in pressione
un eventuale utilizzo improprio su macchine in lavorazione sarà solo ed esclusivamente responsabilità
MIA
grazie
0
voti
perfetto! allora ti conviene usare quel circuito, Avrei optato per un micro in caso tu lo avresti voluto usare nelle macchine che lavorano ogni giorno... ti spiego i miei motivi:
1) avresti avuto un controllo completo sul modo in cui avresti usato le uscite
2) avresti potuto mettere altre sonde (per esempio di temparatura) per monitorare eventuali surriscaldamenti e contatti
3) avresti potuto gestire il tutto tramite ponte radio e/o connessioni via ethernet (cose un po piu complicate ma fattibili)
4) le soglie non sarebbero state fatte "in aria" ma con un convertitore analogico/digitale e quindi le misurazioni e tutto sarebbe stato piu preciso.
visto che è solo a scopo didattico possiamo continuare con quel circuito, tanto se si sfasa di un po non esplode una fabbrica

1) avresti avuto un controllo completo sul modo in cui avresti usato le uscite
2) avresti potuto mettere altre sonde (per esempio di temparatura) per monitorare eventuali surriscaldamenti e contatti
3) avresti potuto gestire il tutto tramite ponte radio e/o connessioni via ethernet (cose un po piu complicate ma fattibili)
4) le soglie non sarebbero state fatte "in aria" ma con un convertitore analogico/digitale e quindi le misurazioni e tutto sarebbe stato piu preciso.
visto che è solo a scopo didattico possiamo continuare con quel circuito, tanto se si sfasa di un po non esplode una fabbrica

-

daniele1996
610 3 8 11 - Sostenitore

- Messaggi: 1554
- Iscritto il: 29 ago 2011, 11:29
35 messaggi
• Pagina 3 di 4 • 1, 2, 3, 4
Chi c’è in linea
Visitano il forum: Google Adsense [Bot] e 141 ospiti

Elettrotecnica e non solo (admin)
Un gatto tra gli elettroni (IsidoroKZ)
Esperienza e simulazioni (g.schgor)
Moleskine di un idraulico (RenzoDF)
Il Blog di ElectroYou (webmaster)
Idee microcontrollate (TardoFreak)
PICcoli grandi PICMicro (Paolino)
Il blog elettrico di carloc (carloc)
DirtEYblooog (dirtydeeds)
Di tutto... un po' (jordan20)
AK47 (lillo)
Esperienze elettroniche (marco438)
Telecomunicazioni musicali (clavicordo)
Automazione ed Elettronica (gustavo)
Direttive per la sicurezza (ErnestoCappelletti)
EYnfo dall'Alaska (mir)
Apriamo il quadro! (attilio)
H7-25 (asdf)
Passione Elettrica (massimob)
Elettroni a spasso (guidob)
Bloguerra (guerra)


