Da 10 a 12 bit
Moderatori:
carloc,
g.schgor,
BrunoValente,
IsidoroKZ
47 messaggi
• Pagina 3 di 5 • 1, 2, 3, 4, 5
0
voti
[22] Re: Da 10 a 12 bit
Qualcuno ha detto di
No
non sono affatto d'accordo
mediando gli ultimi 4 campioni acquisiti al passo del clock di uscita in pratica significa applicare un banale filtro passa basso al segnale acquisito... con il vantaggio di un solo inutile degradamento dell'informazione acquisita.
invece acquisire a frequenza quadrupla e poi mediare a gruppi di 4 campioni significa ogni volta implementare uno 'stimatore' del valore medio di una variabile, che in pratica aumenta la definizione del campionatore rendendolo concretamente a 12bit
mediare gli ultimi quattro ad ogni ciclo
No
non sono affatto d'accordo
mediando gli ultimi 4 campioni acquisiti al passo del clock di uscita in pratica significa applicare un banale filtro passa basso al segnale acquisito... con il vantaggio di un solo inutile degradamento dell'informazione acquisita.
invece acquisire a frequenza quadrupla e poi mediare a gruppi di 4 campioni significa ogni volta implementare uno 'stimatore' del valore medio di una variabile, che in pratica aumenta la definizione del campionatore rendendolo concretamente a 12bit
0
voti
[23] Re: Da 10 a 12 bit
simo85 ha scritto:Quando accendo il circuito gli stati A e B saranno a 0 0 .
Dal momento che si cambia posizione, cambia la fase dei due segnali e questa rimane costante fino ad una nuova posizione.
Mi correggo. Vedo che avevo capito male. Viene inviata una serie di impulsi.
Il numero totale di bit di risoluzione equivale ad un giro completo.
Se per esempio ricevo 6 impulsi, ed il contatore nella MCU si incrementa di 6 allora vuol dire che ho fatto mezzo giro con la manopola dell' encoder.
Ho trovato questo PDF in cui è brevemente spiegato il funzionamento.
2
voti
[24] Re: Da 10 a 12 bit
Qualcuno si meraviglia che
esatto!... si fa' proprio cosi' infatti quando non si puo' fare di meglio !
senti, non mandiamola troppo avanti senno' si finisce con le inutili polemiche
io interrompo la difesa della mia tesi con un esempio semplice semplice
Ti calcolo l'area di una quasiasi curva chiusa che puoi tracciare su un foglio A4 in percentuale all'area del foglio stesso disponendo di un semplice digitalizzatore ad 1bit, dandoti la stima 10 bit ( o piu' se preferisci)
come faccio?
Aspetto che piova!
e conto ogni goccia che cade dentro la tua curva e conto quelle che cadono fuori
(ecco il digitalizzatore ad 1 bit)
Dopo ORE e ORE (ammazza che diluvio!), e quindi miliardi di digitalizzazioni, potro' affermarti con certezza che l'area racchiusa dalla tua curva è magari il 34.65345354345566 % dell'area totale .... con incertezza matematicamente fissabile magari ad almeno a 10^-10
Nell'insieme il mio apparato è un preciso convertitore analogico digitale a 10bit
l'ho implementato con un convertitore ad 1bit, ma anche che lavora MOLTO velocemente (ecco il prezzo da pagare)
se non ti torna non importa, te lo spiego davanti ad una birra virtuale quando capitera'
mediando un segnale a 10 bit si ottenga un segnale a 12 bit,
allora mediandolo svariate volte e lo si porta a 32 bit
esatto!... si fa' proprio cosi' infatti quando non si puo' fare di meglio !
senti, non mandiamola troppo avanti senno' si finisce con le inutili polemiche
io interrompo la difesa della mia tesi con un esempio semplice semplice
Ti calcolo l'area di una quasiasi curva chiusa che puoi tracciare su un foglio A4 in percentuale all'area del foglio stesso disponendo di un semplice digitalizzatore ad 1bit, dandoti la stima 10 bit ( o piu' se preferisci)
come faccio?
Aspetto che piova!
e conto ogni goccia che cade dentro la tua curva e conto quelle che cadono fuori
(ecco il digitalizzatore ad 1 bit)
Dopo ORE e ORE (ammazza che diluvio!), e quindi miliardi di digitalizzazioni, potro' affermarti con certezza che l'area racchiusa dalla tua curva è magari il 34.65345354345566 % dell'area totale .... con incertezza matematicamente fissabile magari ad almeno a 10^-10
Nell'insieme il mio apparato è un preciso convertitore analogico digitale a 10bit
l'ho implementato con un convertitore ad 1bit, ma anche che lavora MOLTO velocemente (ecco il prezzo da pagare)
se non ti torna non importa, te lo spiego davanti ad una birra virtuale quando capitera'

6
voti
[25] Re: Da 10 a 12 bit
Qualcuno vorrebbe sapere
Sì è così che si fa in praticamente tutte le misure (anche quando non sai di farlo o non ti sembra). Si può fare fintanto che il rumore è bianco, quando inizia a prevalere il flicker non si ha più nessun miglioramento (in genere per tempi di integrazione superiori alla frazione di secondo). Sarà uno degli argomenti fondamentali degli articoli che voglio scrivere sul rumore (prima o poi ce la farò a iniziare...).
PS: Mi dispiace non poterlo spiegare qui, ma dovrei usare LaTeX e FidocadJ
come e' possibile che mediando un segnale a 10 bit si ottenga un segnale a 12 bit
allora mediandolo svariate volte e lo si porta a 32 bit
Sì è così che si fa in praticamente tutte le misure (anche quando non sai di farlo o non ti sembra). Si può fare fintanto che il rumore è bianco, quando inizia a prevalere il flicker non si ha più nessun miglioramento (in genere per tempi di integrazione superiori alla frazione di secondo). Sarà uno degli argomenti fondamentali degli articoli che voglio scrivere sul rumore (prima o poi ce la farò a iniziare...).
PS: Mi dispiace non poterlo spiegare qui, ma dovrei usare LaTeX e FidocadJ
It's a sin to write
instead of
(Anonimo).
...'cos you know that
ain't
, right?
You won't get a sexy tan if you write
in lieu of
.
Take a log for a fireplace, but don't take
for
arithm.
instead of
(Anonimo)....'cos you know that
ain't
, right?You won't get a sexy tan if you write
in lieu of
.Take a log for a fireplace, but don't take
for
arithm.-

DirtyDeeds
55,9k 7 11 13 - G.Master EY

- Messaggi: 7012
- Iscritto il: 13 apr 2010, 16:13
- Località: Somewhere in nowhere
3
voti
[26] Re: Da 10 a 12 bit
simo85 ha scritto:Quando accendo il circuito gli stati A e B saranno a 0 0 .
No,
simo85 ha scritto:Dal momento che si cambia posizione, cambia la fase dei due segnali e questa rimane costante fino ad una nuova posizione.
La fase relativa dei due segnali è sempre la stessa, 90°: avere due segnali ti serve per capire il senso di rotazione.
It's a sin to write
instead of
(Anonimo).
...'cos you know that
ain't
, right?
You won't get a sexy tan if you write
in lieu of
.
Take a log for a fireplace, but don't take
for
arithm.
instead of
(Anonimo)....'cos you know that
ain't
, right?You won't get a sexy tan if you write
in lieu of
.Take a log for a fireplace, but don't take
for
arithm.-

DirtyDeeds
55,9k 7 11 13 - G.Master EY

- Messaggi: 7012
- Iscritto il: 13 apr 2010, 16:13
- Località: Somewhere in nowhere
3
voti
[27] Re: Da 10 a 12 bit
Lo sfasamento dei segnali fornisce solo il senso di rotazione. Immagina di applicare i due segnali ad un UP/DOWN counter, che incrementi/decrementi sul fronte di salita di uno dei due segnali, che chiamiamo A per comodità. Nel caso ruoti in una direzione, il fronte di salita di A arriva con il restante segnale, B, ancora a 0, viceversa, andando in direzione opposta il fronte di salita di A arriva con B a livello logico 1.
Se A lo usi per contare, B lo usi per selezionare l'incremento o decremento.
Però, complicandosi un poco la vita, si più anche contare su tutti i fronti, quadruplicando velocità e risoluzione.
Se A lo usi per contare, B lo usi per selezionare l'incremento o decremento.
Però, complicandosi un poco la vita, si più anche contare su tutti i fronti, quadruplicando velocità e risoluzione.
-

Candy
32,5k 7 10 13 - CRU - Account cancellato su Richiesta utente
- Messaggi: 10123
- Iscritto il: 14 giu 2010, 22:54
0
voti
[28] Re: Da 10 a 12 bit
DirtyDeeds ha scritto:La fase relativa dei due segnali è sempre la stessa, 90°
Giusto, infatti si dice che il segnale è in quadratura.
Direi che devo osservare meglio i diagrammi temporali invece di fissarmi solo sul funzionamento teorico.
1
voti
[29] Re: Da 10 a 12 bit
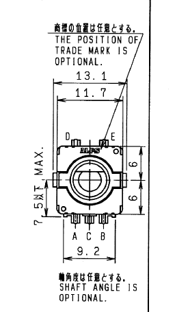
Yes, questo lo avevo già determinato.
Ho trovato questo encoder, la cosa bella è che è reperibile nel negozio in centro e non c'è bisogno che ordini online a RS o chi sà chi.
Ultimissima domanda poi la smetto lo giuro.
A pag. 3, Fig. 2 è rappresentato il circuito di montaggio che riporto qui con Fidocad:
A pag. 6 invece viene rappresentato il pinout.
Il terminale C è il GND, A e B invece i rispettivi canali di comunicazione.
Ed io mi chiedo. I pin D ed E ?

Possono essere lasciati flottanti?
Se ho capito bene attraverso i resistori di pull-up si alimentano i fotodiodi interni ed a questo punto non serve alimentare il circuito attraverso ulteriori pin.
Confermate ?

Ho trovato questo encoder, la cosa bella è che è reperibile nel negozio in centro e non c'è bisogno che ordini online a RS o chi sà chi.
Ultimissima domanda poi la smetto lo giuro.
A pag. 3, Fig. 2 è rappresentato il circuito di montaggio che riporto qui con Fidocad:
A pag. 6 invece viene rappresentato il pinout.
Il terminale C è il GND, A e B invece i rispettivi canali di comunicazione.
Ed io mi chiedo. I pin D ed E ?

Possono essere lasciati flottanti?
Se ho capito bene attraverso i resistori di pull-up si alimentano i fotodiodi interni ed a questo punto non serve alimentare il circuito attraverso ulteriori pin.
Confermate ?
47 messaggi
• Pagina 3 di 5 • 1, 2, 3, 4, 5
Chi c’è in linea
Visitano il forum: Nessuno e 81 ospiti

Elettrotecnica e non solo (admin)
Un gatto tra gli elettroni (IsidoroKZ)
Esperienza e simulazioni (g.schgor)
Moleskine di un idraulico (RenzoDF)
Il Blog di ElectroYou (webmaster)
Idee microcontrollate (TardoFreak)
PICcoli grandi PICMicro (Paolino)
Il blog elettrico di carloc (carloc)
DirtEYblooog (dirtydeeds)
Di tutto... un po' (jordan20)
AK47 (lillo)
Esperienze elettroniche (marco438)
Telecomunicazioni musicali (clavicordo)
Automazione ed Elettronica (gustavo)
Direttive per la sicurezza (ErnestoCappelletti)
EYnfo dall'Alaska (mir)
Apriamo il quadro! (attilio)
H7-25 (asdf)
Passione Elettrica (massimob)
Elettroni a spasso (guidob)
Bloguerra (guerra)



