Amplificare segnale debole
Moderatori:
carloc,
g.schgor,
BrunoValente,
IsidoroKZ
30 messaggi
• Pagina 3 di 3 • 1, 2, 3
0
voti
ho calcolato lo spazio necessario per saldare transistor ecc, e sono arrivato alla conclusione che userò gli LM339 (a casa ne ho una decina, li avevo trovati sotto un banco a scuola
) con due di quelli occupo metà spazio rispetto a quello che occupo con i transistor... (devo metter tutto su millefori e devo saldarli)
Grazie a tutti per le risposte...
PS: cosa che non c'entra nulla: che tipo di fili mi conviene usare per fare i collegamenti su millefori? fino ad ora ho usato il filo smaltato, è buono? (recuperato da una vecchia bobbina di motore di ventilatore...
)
Grazie a tutti per le risposte...
PS: cosa che non c'entra nulla: che tipo di fili mi conviene usare per fare i collegamenti su millefori? fino ad ora ho usato il filo smaltato, è buono? (recuperato da una vecchia bobbina di motore di ventilatore...
-

daniele1996
610 3 8 11 - Sostenitore

- Messaggi: 1554
- Iscritto il: 29 ago 2011, 11:29
1
voti
simo85 ha scritto:Solo con NPN puoi metterne due in cascata, ciascuno come ha suggeritomarioursino.
daniele1996 ha scritto:devo interfacciarlo con le porte logiche e un micro (...)
Direi che si possa fare lo sforzo di lavorare con un segnale a logica invertita senza aggiungere uno stadio invertitore
-

marioursino
5.687 3 9 13 - G.Master EY

- Messaggi: 1598
- Iscritto il: 5 dic 2009, 4:32
0
voti
Ehm con il micro, non sorge e non muore il problema... con le porte logiche no :/
-

daniele1996
610 3 8 11 - Sostenitore

- Messaggi: 1554
- Iscritto il: 29 ago 2011, 11:29
4
voti
marioursino ha scritto:Direi che si possa fare lo sforzo di lavorare con un segnale a logica invertita senza aggiungere uno stadio invertitore
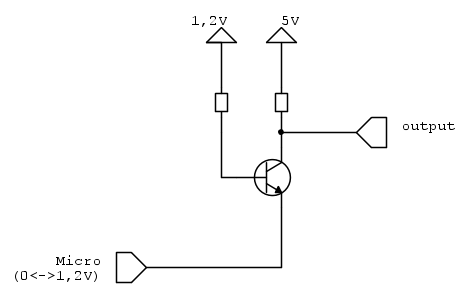
non serve un invertitore, si può fare un traslatore di livello non invertente con un transistor solo:
_______________________________________________________
Gli oscillatori non oscillano mai, gli amplificatori invece sempre
Io HO i poteri della supermucca, e ne vado fiero!
Gli oscillatori non oscillano mai, gli amplificatori invece sempre
Io HO i poteri della supermucca, e ne vado fiero!
0
voti
ehm mi rendo conto che è una buona soluzione, ma non capisco la logica di questo transistor collegato in questo modo <.< non è la base che regola il passaggio della corrente tra collettore ed emettitore? Lo provo e ti aggiorno.. Grazie !! :)
-

daniele1996
610 3 8 11 - Sostenitore

- Messaggi: 1554
- Iscritto il: 29 ago 2011, 11:29
2
voti
spiegazione schema:
quando il pin del micro è a 1,2V, la Vbe (Tensione base-emettitore) è a 0V, e quindi il transistor è spento. Non essendoci flusso di corrente nel collettore, l'uscita va a 5V.
quando il pin del micro va a 0V, sulla Vbe compare una tensione che porta il transistor in saturazione e di conseguenza il collettore a 0.
Inoltre, questo circuito ha anche il vantaggio che il micro è chiamato ad assorbire corrente (sink), cosa che normalmente agli integrati riesce meglio.
per il calcolo delle resistenze dovrei leggermi il datasheet del ricevitore per farlo come si deve, ma fidandomi che siano tutti ingressi ad alta impedenza...metti 1k sulla base e 10k sul collettore e dovrebbe andare tutto.
quando il pin del micro è a 1,2V, la Vbe (Tensione base-emettitore) è a 0V, e quindi il transistor è spento. Non essendoci flusso di corrente nel collettore, l'uscita va a 5V.
quando il pin del micro va a 0V, sulla Vbe compare una tensione che porta il transistor in saturazione e di conseguenza il collettore a 0.
Inoltre, questo circuito ha anche il vantaggio che il micro è chiamato ad assorbire corrente (sink), cosa che normalmente agli integrati riesce meglio.
per il calcolo delle resistenze dovrei leggermi il datasheet del ricevitore per farlo come si deve, ma fidandomi che siano tutti ingressi ad alta impedenza...metti 1k sulla base e 10k sul collettore e dovrebbe andare tutto.
_______________________________________________________
Gli oscillatori non oscillano mai, gli amplificatori invece sempre
Io HO i poteri della supermucca, e ne vado fiero!
Gli oscillatori non oscillano mai, gli amplificatori invece sempre
Io HO i poteri della supermucca, e ne vado fiero!
0
voti
il Datasheet l'ho postato, ma come detto l'uscita è "anomala" perché dovrebbe dare il "Vcc" come "1" e non 1/1.2V come "1" logico... provo a montar tutto... quel transistor va bene? (quello che ho posato? (Versione SMD))
-

daniele1996
610 3 8 11 - Sostenitore

- Messaggi: 1554
- Iscritto il: 29 ago 2011, 11:29
30 messaggi
• Pagina 3 di 3 • 1, 2, 3
Chi c’è in linea
Visitano il forum: Nessuno e 87 ospiti

Elettrotecnica e non solo (admin)
Un gatto tra gli elettroni (IsidoroKZ)
Esperienza e simulazioni (g.schgor)
Moleskine di un idraulico (RenzoDF)
Il Blog di ElectroYou (webmaster)
Idee microcontrollate (TardoFreak)
PICcoli grandi PICMicro (Paolino)
Il blog elettrico di carloc (carloc)
DirtEYblooog (dirtydeeds)
Di tutto... un po' (jordan20)
AK47 (lillo)
Esperienze elettroniche (marco438)
Telecomunicazioni musicali (clavicordo)
Automazione ed Elettronica (gustavo)
Direttive per la sicurezza (ErnestoCappelletti)
EYnfo dall'Alaska (mir)
Apriamo il quadro! (attilio)
H7-25 (asdf)
Passione Elettrica (massimob)
Elettroni a spasso (guidob)
Bloguerra (guerra)


