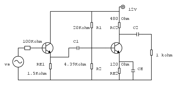
banjoman ha scritto:Scusa, ma se la Vce a riposo è di circa 6 V... 24 - 6 = 18
E i 9 sulla Re?
Moderatori:
carloc,
g.schgor,
BrunoValente,
IsidoroKZ
banjoman ha scritto:Scusa, ma se la Vce a riposo è di circa 6 V... 24 - 6 = 18
banjoman ha scritto:Poi va da se', la tensione in uscita la preleviamo sul collettore, quindi a noi in effetti interessa la Vc.
Però nel caso dinamico, si osserva come si sposta il punto di lavoro sulla retta dinamica, ed essendo il nostro circuito un emettitore comune, si ha Vc = Vce.
obiuan ha scritto:comunque, mi sa che con queste dissertazioni l'effetto di guida alla comprensione che volevo se ne è già andato, quindi lascio all'OP la scelta..vuoi la soluzione pronta e ti faccio i conti o continuiamo in questo modo?
obiuan ha scritto:Con quella topologia, l'unico modo è calcolare una C che metta in parallelo alla Re l'impedenza corretta, oppure aggiungere una R in serie alla Ce e scegliere la capacità grande abbastanza (allora sì) da essere un corto a 100Khz.
banjoman ha scritto:A meno che chi ha scritto l'esercizio intendesse "l'amplificatore deve guadagnare 30 alla frequenza di 100 kHz. Quello che accade prima e dopo quella frequenza non mi interessa". Cosa a mio avviso assai poco realistica e pratica...

calcolati con le formulette classiche non tengono conto del fatto se poi il circuito reale abbia uno swing in uscita sufficiente .Visitano il forum: Nessuno e 156 ospiti