Stima potenza trasformatore
Moderatori:
carloc,
g.schgor,
BrunoValente,
IsidoroKZ
35 messaggi
• Pagina 3 di 4 • 1, 2, 3, 4
0
voti
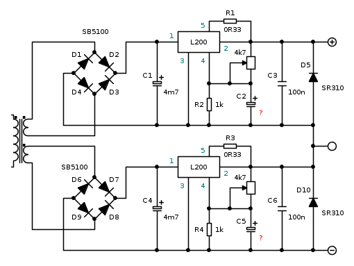
Ho letto un po' di cosette, ma qualche dubbio ancora ce l'ho... In ogni caso, pensavo ad una cosa di questo tipo:
Per quanto riguarda la corrente, più che regolarla, mi interessa limitarla entro un valore sopportabile dal trasformatore, ecco perché ho usato una sola resistenza. I diodi sono tutti schottky (ne ho acquistati 10 proprio l'altro ieri e penso vadano bene anche da 5A) e, insieme ai condensatori da 4700uF, rappresentano un "tentativo" di avere quei fatidici 15V con qualcosa in più di 1A. Ho omesso il condensatore da 100n che normalmente vedo sul piedino d'ingresso, perché posizionerò C1 e C4 non troppo distanti dai regolatori. Se poi con questo regolatore valgono regole diverse dai classici regolatori a 3 piedini, allora li metto a prescindere.
Altri dubbi riguardano C2 e C5 (visti nell'altro schema con capacità di 1uF) che mi ricordano molto i condensatori di bypass da 10uF usati con gli LM317-337 per ridurre ulteriormente il ripple in uscita. In questo caso, però, non ho trovato un riferimento esplicito nel datasheet... Solo nella sezione "Supply Voltage Rejection" viene specificato "The same performance can be maintained at higher output levels if a bypassing capacitor is provited between pins 2 and 4.", ma non viene suggerito un valore, né una formula per calcolarlo.
Infine, l'ultimo dubbio riguarda la regolazione separata della tensione: in questo caso è possibile averla separata?
Grazie!
Per quanto riguarda la corrente, più che regolarla, mi interessa limitarla entro un valore sopportabile dal trasformatore, ecco perché ho usato una sola resistenza. I diodi sono tutti schottky (ne ho acquistati 10 proprio l'altro ieri e penso vadano bene anche da 5A) e, insieme ai condensatori da 4700uF, rappresentano un "tentativo" di avere quei fatidici 15V con qualcosa in più di 1A. Ho omesso il condensatore da 100n che normalmente vedo sul piedino d'ingresso, perché posizionerò C1 e C4 non troppo distanti dai regolatori. Se poi con questo regolatore valgono regole diverse dai classici regolatori a 3 piedini, allora li metto a prescindere.
Altri dubbi riguardano C2 e C5 (visti nell'altro schema con capacità di 1uF) che mi ricordano molto i condensatori di bypass da 10uF usati con gli LM317-337 per ridurre ulteriormente il ripple in uscita. In questo caso, però, non ho trovato un riferimento esplicito nel datasheet... Solo nella sezione "Supply Voltage Rejection" viene specificato "The same performance can be maintained at higher output levels if a bypassing capacitor is provited between pins 2 and 4.", ma non viene suggerito un valore, né una formula per calcolarlo.
Infine, l'ultimo dubbio riguarda la regolazione separata della tensione: in questo caso è possibile averla separata?
Grazie!

0
voti
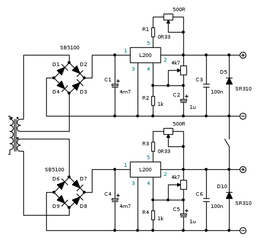
Lo schema va bene cosi' come lo hai disegnato, compresi i diodi di protezione sull'uscita.
La regolazione della tensione e' gia' indipendente a meno che non venga usato un solo potenziometro doppio.
L'unica cosa che non approvo e' la mancanza di regolazione della corrente; visto che se ne ha la possibilita', non vedo perche' limitarla soltanto ( e a quale valore?). Basta aggiungere un secondo potenziometro per ramo (in parallelo alla resistenza) per poter regolarla a piacere e questo, in laboratorio, spesso fa comodo.
Poi se non vuoi regolarla, basta mettere il potenziometro nella posizione in cui fornisce la massima disponibile.
La regolazione della tensione e' gia' indipendente a meno che non venga usato un solo potenziometro doppio.
L'unica cosa che non approvo e' la mancanza di regolazione della corrente; visto che se ne ha la possibilita', non vedo perche' limitarla soltanto ( e a quale valore?). Basta aggiungere un secondo potenziometro per ramo (in parallelo alla resistenza) per poter regolarla a piacere e questo, in laboratorio, spesso fa comodo.
Poi se non vuoi regolarla, basta mettere il potenziometro nella posizione in cui fornisce la massima disponibile.
marco
1
voti
Però in tale circuito la limitazione di corrente non potrà mai essere uguale sui due rami e così potrà verificarsi, in certe situazioni, che i due rami abbiano tensioni anche molto diverse e parecchi circuiti non gradiscono.
Quindi o si vuole un alimentatore simmetrico puro e si dota di un circuito di tracking delle tensioni oppure si opta per due alimentatori indipendenti che all'occasione possono diventare uno simmetrico impostando la limitazione di corrente piuttosto abbondante rispetto all'assorbimento normale (che mi pare sia l'idea finale di
MavKtr). Quest'ultima cosa vale specialmente per circuiti con assorbimento di corrente variabile od impulsivo (ad esempio un amplificatore audio).
Restando al circuito finora considerato consiglierei di modificare l'uscita così
così si hanno due alimentatori conpletamente indipendenti con la possibilità di alimentare contemporaneamente due circuiti diversi (o un circuito che necessiti di due tensioni diverse) oppure circuiti che necessitino di alimentazione simmetrica
Quindi o si vuole un alimentatore simmetrico puro e si dota di un circuito di tracking delle tensioni oppure si opta per due alimentatori indipendenti che all'occasione possono diventare uno simmetrico impostando la limitazione di corrente piuttosto abbondante rispetto all'assorbimento normale (che mi pare sia l'idea finale di
Restando al circuito finora considerato consiglierei di modificare l'uscita così
così si hanno due alimentatori conpletamente indipendenti con la possibilità di alimentare contemporaneamente due circuiti diversi (o un circuito che necessiti di due tensioni diverse) oppure circuiti che necessitino di alimentazione simmetrica
-

FedericoSibona
5.022 3 5 8 - Master

- Messaggi: 3951
- Iscritto il: 19 mar 2013, 11:43
0
voti
marco438 ha scritto:L'unica cosa che non approvo e' la mancanza di regolazione della corrente
D'accordo, mi hai convinto!
FedericoSibona ha scritto:Quindi o si vuole un alimentatore simmetrico puro e si dota di un circuito di tracking delle tensioni oppure si opta per due alimentatori indipendenti che all'occasione possono diventare uno simmetrico
OK, posso tranquillamente aggiungere l'interruttore sullo stadio di uscita, così come lo hai disegnato. Quando parli di "tracking delle tensioni" intendi dei semplici voltmetri (comunque avevo intenzione di aggiungerne un paio di quelli con display a LED che si trovano a pochi euro), oppure una modifica vera e propria al circuito?
E in merito ai condensatori C2 e C5, cosa mi dite? Valori suggeriti? Avevo azzeccato la "similitudine" con gli LM317-337?
1
voti
Giusto suggerimento di
FedericoSibona; e' utile aggiungere anche un paio di strumenti.
Per i condensatori, non e' proprio quello che pensi tu (similitudine con LM317); e' comunque necessario metterli per una miglior stabilizzazione dell'integrato regolatore ed il valore suggerito e' di 1uF.
Per i condensatori, non e' proprio quello che pensi tu (similitudine con LM317); e' comunque necessario metterli per una miglior stabilizzazione dell'integrato regolatore ed il valore suggerito e' di 1uF.
marco
2
voti
No, per tracking intendo che impostata la tensione su un ramo, l'altro ramo la segue fedelmente (ovviamente di segno opposto). E questo anche per ogni variazione anche non voluta, tipo un cortocircuito su un ramo, va a zero quel ramo e va a zero anche l'altro, mantenendo la simmetria. Cercare "dual trackig power supply".
Esempio: http://www.joebrown.org.uk/wp/?p=7294
Esempio: http://www.joebrown.org.uk/wp/?p=7294
-

FedericoSibona
5.022 3 5 8 - Master

- Messaggi: 3951
- Iscritto il: 19 mar 2013, 11:43
0
voti
Perfetto, direi che ora mi è tutto chiaro! 
Per quelle che sono le mie esigenze, con questo schema avrei tutta la versatilità che mi serve:
Se vi sembra tutto corretto, inizio a darmi da fare al più presto!

Per quelle che sono le mie esigenze, con questo schema avrei tutta la versatilità che mi serve:
Se vi sembra tutto corretto, inizio a darmi da fare al più presto!
0
voti
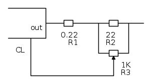
Penso che dovrai realizzare la limitazione di corrente così
come suggerito da Marco nell'altro thread.
come suggerito da Marco nell'altro thread.
-

FedericoSibona
5.022 3 5 8 - Master

- Messaggi: 3951
- Iscritto il: 19 mar 2013, 11:43
0
voti
Infatti io avevo scritto "in parallelo" e non in serie.
Quindi, giusto il tuo schema Federico.
Non ho fatto due conti sulle correnti che si possono ottenere con quei valori ma suppongo la abbia fatto tu.
Quindi, giusto il tuo schema Federico.
Non ho fatto due conti sulle correnti che si possono ottenere con quei valori ma suppongo la abbia fatto tu.
marco
35 messaggi
• Pagina 3 di 4 • 1, 2, 3, 4
Chi c’è in linea
Visitano il forum: Majestic-12 [Bot] e 160 ospiti

Elettrotecnica e non solo (admin)
Un gatto tra gli elettroni (IsidoroKZ)
Esperienza e simulazioni (g.schgor)
Moleskine di un idraulico (RenzoDF)
Il Blog di ElectroYou (webmaster)
Idee microcontrollate (TardoFreak)
PICcoli grandi PICMicro (Paolino)
Il blog elettrico di carloc (carloc)
DirtEYblooog (dirtydeeds)
Di tutto... un po' (jordan20)
AK47 (lillo)
Esperienze elettroniche (marco438)
Telecomunicazioni musicali (clavicordo)
Automazione ed Elettronica (gustavo)
Direttive per la sicurezza (ErnestoCappelletti)
EYnfo dall'Alaska (mir)
Apriamo il quadro! (attilio)
H7-25 (asdf)
Passione Elettrica (massimob)
Elettroni a spasso (guidob)
Bloguerra (guerra)






