Forse dovevo usare un altro nome per il 3d... alimentatore xx yy con soli componenti di recupero!
Ho trovato nei miei cassettini diodi Zener 5W, quindi lo schema diventa:
a breve il test!
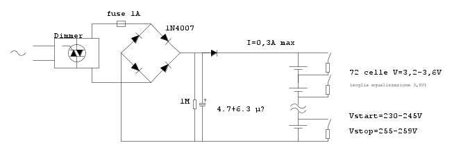
Alimentatore 220 V AC -> 260V DC per bilanciamento batteria
Moderatori:
carloc,
g.schgor,
BrunoValente,
IsidoroKZ
37 messaggi
• Pagina 3 di 4 • 1, 2, 3, 4
0
voti
Ho fatto qualche misura preliminare e rivisto il circuito affinchè sia a prova di errore (quasi
) e meno soggetto a possibili surriscaldamenti:
0
voti
richiurci ha scritto:Mi vergogno a dirlo ma non ricordo questa formula, è una tua formula empirica?
No, si trova su molti libri, ad esempio il Millman. Nell'ipotesi di piccolo ripple, la tensione picco picco di ripple vale
e si basa sull'assunzione che il condensatore si scarica per un semiperiodo a corrente costante. la cosa non e` vera perche' la durata di scarica e` minore di un semiperiodo, e quindi quello che si trova e` una maggiorazione.La tensione media che si ha in uscita e` pari al picco meno meta` del ripple e quindi hai la formula che ho indicato prima.
Con le capacita` di filtro di 10uF sei decisamente in modo discontinuo e la carica avviene a piccoli impulsi di corrente. Misurarne il valore medio potrebbe essere complicato, ma e` decisamente meno di 0.5A o quello che ti aspettavi.
Per usare proficuamente un simulatore, bisogna sapere molta più elettronica di lui
Plug it in - it works better!
Il 555 sta all'elettronica come Arduino all'informatica! (entrambi loro malgrado)
Se volete risposte rispondete a tutte le mie domande
Plug it in - it works better!
Il 555 sta all'elettronica come Arduino all'informatica! (entrambi loro malgrado)
Se volete risposte rispondete a tutte le mie domande
0
voti
Giusto, ho letto su un vecchio libro da istituto tecnico di un collega che quella formula (poi l'ho trovata...) ipotizza se non ricordo male anche una carica istantanea del condensatore.
Comunque andrò più tardi a fare una ultima misura a pacco carico, ma effettivamente oltre a essere molto "rippoluta" come diciamo in lab la tensione cala molto e rende inutile il regolatore.
Quindi posso tornare all'idea originale di ponte + C + opportuna resistenza serie. Saranno le stesse batterie a filtrare la "continua", ma aumenterò anche la capacità.
Comunque andrò più tardi a fare una ultima misura a pacco carico, ma effettivamente oltre a essere molto "rippoluta" come diciamo in lab la tensione cala molto e rende inutile il regolatore.
Quindi posso tornare all'idea originale di ponte + C + opportuna resistenza serie. Saranno le stesse batterie a filtrare la "continua", ma aumenterò anche la capacità.
0
voti
La batteria in ricarica! Io in uscita non ho un carico resistivo, ma un pacco batterie da 12kWh... praticamente una capacità infinita!
Quindi le correnti nei diodi saranno molto discontinue ma la tensione in uscita non potrà mai scendere sotto 230-260V, neanche se non mettessi C.
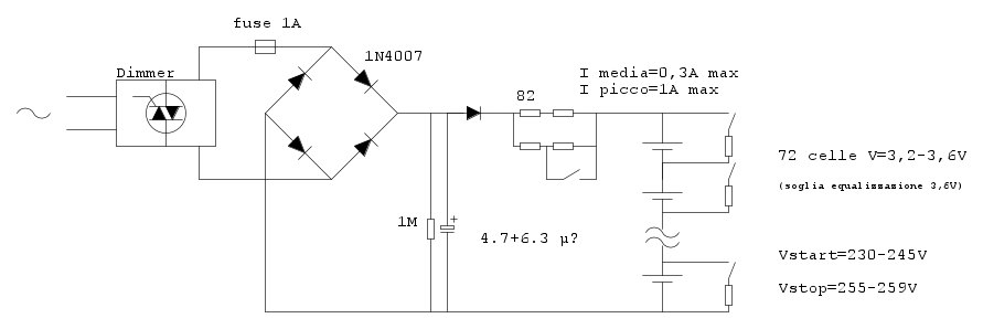
Ieri sera ho fatto qualche misura. Purtroppo col tester sono poco significative e comunque ho deciso di cambiare approccio, i surriscaldamenti sono notevoli anche a basse correnti.
In effetti era ovvio, pur arrivando a un rendimento del 70-75% si tratta comunque di dissipare svariatiW, le resistenze corazzate diventano troppo calde (senza radiatori) anche con soli 3-4W ciascuna da smaltire.
Quindi, ed era abbastanza ovvio da pensare, l'ultimo tentativo con schema discutibile sarà questo:
un semplice dimmer, che si trovano ormai a 2-3€, a pilotare il ponte di diodi riducendo le dissipazioni.
In alternativa una ricarica a blocchi di 18 celle, ho trovato l'ennesima cinesata economica che fornisce 300mA costanti per tensioni in uscita fino a 65V:
http://www.ebay.it/itm/380957812179?var ... 1423.l2649
0
voti
richiurci ha scritto:IsidoroKZ mi è venuto in mente il motivo per cui la formula mi sembrava totalmente inadatta nel mio caso..
La batteria in ricarica! Io in uscita non ho un carico resistivo, ma un pacco batterie da 12kWh... praticamente una capacità infinita!
Non c'entra. Prima delle batterie avevi delle resistenze e soprattuto un generatore di corrente. Il nuovo schema e` decisamente peggior dei precedenti perche' hai una maglia praticamente di soli generatori di tensione, e la cosa non porta bene.
La soluzione e` un buck in current mode. Forse anche un raddrizzatore con filtro induttivo (grosso) e dimmer in ingresso per carichi induttivi, ma dovrei pensarci su.
Continuo a pensare che non abbia le competenze necessarie per fare questo tipo di circuiti.
Per usare proficuamente un simulatore, bisogna sapere molta più elettronica di lui
Plug it in - it works better!
Il 555 sta all'elettronica come Arduino all'informatica! (entrambi loro malgrado)
Se volete risposte rispondete a tutte le mie domande
Plug it in - it works better!
Il 555 sta all'elettronica come Arduino all'informatica! (entrambi loro malgrado)
Se volete risposte rispondete a tutte le mie domande
0
voti
beh proverò a fare qualche simulazione ad averne il tempo
Però anche con le R non capisco cosa non ti torna. Quando la tensione di rete scende sotto i 230V di batteria la corrente nei diodi del ponte si annulla, l'elettrolitico non si scarica sotto i 230V perché anche con la R serie se in uscita ho una batteria a 230V... attraverso quale componente dovrebbe fluire la corrente?
Quella formula si basa a mio avviso su evidenti semplificazioni che non valgono in questo caso.
Poi sicuramente il funzionamento a impulsi e le tensioni in gioco ne fanno un oggetto particolare e forse non funzionerà correttamente, ma come hai detto stesso tu se l'alternativa è progettare un complesso buck converter... a parte le competenze non sarebbe giustificato dall'uso che devo farne.
Ho già un CB evoluto a bordo, a questo punto diventa più semplice lavorarci e farlo dialogare coi circuiti (autocostruiti e funzionanti meglio di alcune cinesate in commercio, nonostante le mie scarse competenze) di gestione delle celle...
Comunque grazie per i commenti e le critiche!
Però anche con le R non capisco cosa non ti torna. Quando la tensione di rete scende sotto i 230V di batteria la corrente nei diodi del ponte si annulla, l'elettrolitico non si scarica sotto i 230V perché anche con la R serie se in uscita ho una batteria a 230V... attraverso quale componente dovrebbe fluire la corrente?
Quella formula si basa a mio avviso su evidenti semplificazioni che non valgono in questo caso.
Poi sicuramente il funzionamento a impulsi e le tensioni in gioco ne fanno un oggetto particolare e forse non funzionerà correttamente, ma come hai detto stesso tu se l'alternativa è progettare un complesso buck converter... a parte le competenze non sarebbe giustificato dall'uso che devo farne.
Ho già un CB evoluto a bordo, a questo punto diventa più semplice lavorarci e farlo dialogare coi circuiti (autocostruiti e funzionanti meglio di alcune cinesate in commercio, nonostante le mie scarse competenze) di gestione delle celle...
Comunque grazie per i commenti e le critiche!
0
voti
Ecco qui le simulazioni, ovviamente come dicevi ho rimesso la R serie.
Con tensione in ingresso di 325Vpp, se voglio limitare la corrente di picco a circa 1A ricavo nel caso peggiore (Vbatt=230) R=95Ohm.
Quindi guarda caso...siccome sono braccino corto provo ancora a riutilizzare le 4 resistenze corazzate da 25W che ho inutilizzate da anni.
In base alle simulazioni e 4 calcoli banali lo schema potrebbe essere questo:
ed ecco una videata delle simulazioni senza dimmer; sweeppata step con Vbatt= 230/245/260V e Rserie=82 Ohm (i grafici riportano tensione in ingresso, tensione ai capi del condensatore e corrente in transito in Rserie e batterie)
stessa sweeppata ma con interruttore chiuso (Rserie=54,66 Ohm)
Dovrei trovare il modo di calcolare la corrente media con microcap... ma proverò prima con questi valori perché correnti di picco maggiori di 1A potrebbero comunque attivare i circuiti di controllo celle a causa della caduta di tensione nei cavi (altro argomento...)
Ogni commento e critica è ben accetta!
Con tensione in ingresso di 325Vpp, se voglio limitare la corrente di picco a circa 1A ricavo nel caso peggiore (Vbatt=230) R=95Ohm.
Quindi guarda caso...siccome sono braccino corto provo ancora a riutilizzare le 4 resistenze corazzate da 25W che ho inutilizzate da anni.
In base alle simulazioni e 4 calcoli banali lo schema potrebbe essere questo:
ed ecco una videata delle simulazioni senza dimmer; sweeppata step con Vbatt= 230/245/260V e Rserie=82 Ohm (i grafici riportano tensione in ingresso, tensione ai capi del condensatore e corrente in transito in Rserie e batterie)
stessa sweeppata ma con interruttore chiuso (Rserie=54,66 Ohm)
Dovrei trovare il modo di calcolare la corrente media con microcap... ma proverò prima con questi valori perché correnti di picco maggiori di 1A potrebbero comunque attivare i circuiti di controllo celle a causa della caduta di tensione nei cavi (altro argomento...)
Ogni commento e critica è ben accetta!
1
voti
A me non sembra una continua, non sei in condizione di basso ripple. Carichi con corrente a picchi: sono contente le batterie? Microcap fa il conto del valor medio di una forma d'onda, non ricordo il comando 
Per usare proficuamente un simulatore, bisogna sapere molta più elettronica di lui
Plug it in - it works better!
Il 555 sta all'elettronica come Arduino all'informatica! (entrambi loro malgrado)
Se volete risposte rispondete a tutte le mie domande
Plug it in - it works better!
Il 555 sta all'elettronica come Arduino all'informatica! (entrambi loro malgrado)
Se volete risposte rispondete a tutte le mie domande
0
voti
beh ma mica ho parlato di continua, io semplicemente non mi spiegavo un ripple elevato su C1 e ovviamente è così grazie alla batteria in uscita, Vc1 può variare solo tra i 325V teorici massimi e i 230-260 della batteria.
Ovviamente le correnti nei diodi sono impulsate come in tutti i ponti.
Riguardo la carica a impulsi di corrente non è un problema visto che si parla di 1A di picco (circa) massimo su batterie da 60Ah.
Sono batterie che in scarica devono sopportare anche 130A per svariati minuti, e in carica durante le frenate rigenerative fino a 35A!
Impulsi di 1A gli fanno il solletico!
Ovviamente le correnti nei diodi sono impulsate come in tutti i ponti.
Riguardo la carica a impulsi di corrente non è un problema visto che si parla di 1A di picco (circa) massimo su batterie da 60Ah.
Sono batterie che in scarica devono sopportare anche 130A per svariati minuti, e in carica durante le frenate rigenerative fino a 35A!
Impulsi di 1A gli fanno il solletico!
37 messaggi
• Pagina 3 di 4 • 1, 2, 3, 4
Chi c’è in linea
Visitano il forum: Nessuno e 156 ospiti

Elettrotecnica e non solo (admin)
Un gatto tra gli elettroni (IsidoroKZ)
Esperienza e simulazioni (g.schgor)
Moleskine di un idraulico (RenzoDF)
Il Blog di ElectroYou (webmaster)
Idee microcontrollate (TardoFreak)
PICcoli grandi PICMicro (Paolino)
Il blog elettrico di carloc (carloc)
DirtEYblooog (dirtydeeds)
Di tutto... un po' (jordan20)
AK47 (lillo)
Esperienze elettroniche (marco438)
Telecomunicazioni musicali (clavicordo)
Automazione ed Elettronica (gustavo)
Direttive per la sicurezza (ErnestoCappelletti)
EYnfo dall'Alaska (mir)
Apriamo il quadro! (attilio)
H7-25 (asdf)
Passione Elettrica (massimob)
Elettroni a spasso (guidob)
Bloguerra (guerra)





