da
Sjuanez » 20 mag 2015, 7:38
adert Grazie infinite per il tuo suggerimento. Il circuito è didattico, certo non è davvero una maglia per discoteca. Quindi tutto mi è utile per imparare.
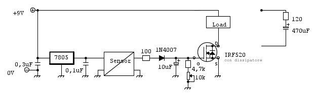
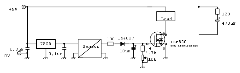
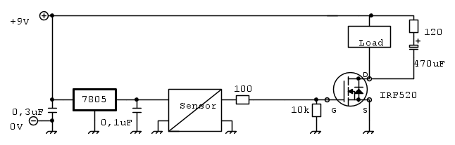
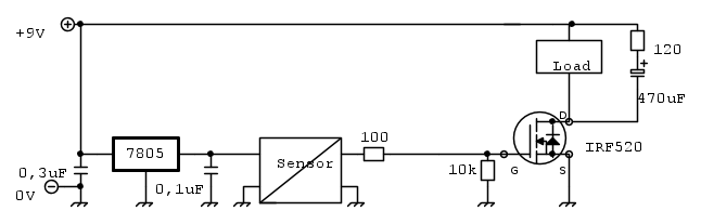
Tuttavia il dissipatore per il mosfet non me lo trovo al momento e dovrò rimandare l'esperimento. Ma il trimmer invece di R120 è aggiudicato! In questo modo regolo l'effetto di dissolvenza sul campo che è quello che ho fatto su breadboard con la decade substitution box
http://www.electroyou.it/sjuanez/wiki/r ... tution-box.
Ovviamente il tuo intervento ti sarà valsa la menzione nell'articolo della maglia per discoteca così come al caro
claudiocedrone e
marco438 che magari finora credevano di essersela scampata.
Grazie ancora a tutti.
