Conversione segnale soglia bassa da pochi mv a 0v
Moderatori:
carloc,
g.schgor,
BrunoValente,
IsidoroKZ
24 messaggi
• Pagina 3 di 3 • 1, 2, 3
1
voti
Tutto questo perché troppo spesso gli smanUtenteCancellato software, (quanti ne ho conosciuti durante la mia carriera lavorativa!) che purtroppo sono tanti e spesso ben mimetizzati tra quelli bravi, non capiscono un c.. di elettrotecnica...per non parlare di elettronica: in questo caso basterebbe sapere che esiste la legge di Ohm o sbaglio?
-

BrunoValente
39,6k 7 11 13 - G.Master EY

- Messaggi: 7796
- Iscritto il: 8 mag 2007, 14:48
1
voti
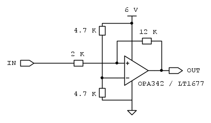
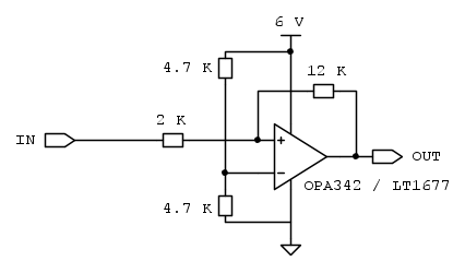
Nemmeno io ci ho capito molto.. ma se la cosa da fare fosse questa
non basterebbe questo?
non basterebbe questo?
-

marioursino
5.687 3 9 13 - G.Master EY

- Messaggi: 1598
- Iscritto il: 5 dic 2009, 4:32
0
voti
marioursino ha scritto:...non basterebbe questo?...
Soluzione sicuramente raffinata!
Se quello che funziona basta non lo tocca' sennò te lassa!
1
voti
abusivo ha scritto:Soluzione sicuramente raffinata!
Credo che anche la soluzione del diodo non dia problemi.. Diciamo che ignorando la topologia del resto del circuito un comparatore con isteresi rail-to-rail toglie ogni dubbio.
-

marioursino
5.687 3 9 13 - G.Master EY

- Messaggi: 1598
- Iscritto il: 5 dic 2009, 4:32
24 messaggi
• Pagina 3 di 3 • 1, 2, 3
Chi c’è in linea
Visitano il forum: Google Adsense [Bot] e 84 ospiti

Elettrotecnica e non solo (admin)
Un gatto tra gli elettroni (IsidoroKZ)
Esperienza e simulazioni (g.schgor)
Moleskine di un idraulico (RenzoDF)
Il Blog di ElectroYou (webmaster)
Idee microcontrollate (TardoFreak)
PICcoli grandi PICMicro (Paolino)
Il blog elettrico di carloc (carloc)
DirtEYblooog (dirtydeeds)
Di tutto... un po' (jordan20)
AK47 (lillo)
Esperienze elettroniche (marco438)
Telecomunicazioni musicali (clavicordo)
Automazione ed Elettronica (gustavo)
Direttive per la sicurezza (ErnestoCappelletti)
EYnfo dall'Alaska (mir)
Apriamo il quadro! (attilio)
H7-25 (asdf)
Passione Elettrica (massimob)
Elettroni a spasso (guidob)
Bloguerra (guerra)


